Поиск подшипника
Статьи
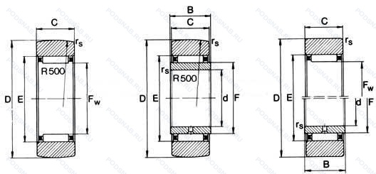
NURT25-1R — Опорный ролик, модификация основного исполнения NURT251, производство IKO.
Размер ролика: 25x62x25 мм.
Коронка на наружном кольце.
Международная стандартизации ISO
NURT251R
В наличии
| Обозначение | Конструктивные изменения |
|---|---|
| NURT25-1 | Number Of Carriages Per Rail Track. |
Модификации опорного ролика NURT25-1R — это измененное основное конструктивное исполнение NURT251, основные размеры (25x62x25) не отличаются.
| Обозначение | Гост | Конструктивные особенности |
|---|---|---|
| NUTR2562DZ | ISO | Опорные ролики игольчатого типа. Цилиндрический наружный диаметр. Литой сепаратор оконного типа из полиамида. усиленного стекловолокном. |
| NUTR2562 | ISO | Опорный ролик. |
| NUTR2562A | ISO | Измененная или модифицированная внутренняя конструкция при неизменных основных размерах. |
| NUTR2562-X | ISO | Измененные размеры границ. введенные пересмотренными стандартами ISO. |
| NURT25-1 | ISO | Number Of Carriages Per Rail Track. |
| NUTD2562 | ISO | Опорный ролик. |
| NUTR305/3AS | ISO | Смазка. Shell Oil Co. Смазка Alvania #3, стандартная заливка.. |
| NUTR2562-A-C5-L077 | ISO | Двухрядный радиально-упорный шарикоподшипник без отверстия для смазки. Внутренний зазор подшипника больше. чем С4. Grease With A Temperature Range between -40°C / 260°C. Longtime Limit Temperature 200°C. |
| NUTR2562XA | ISO | (Cone/Inner Race And Cup/Outer Race) Special Feature Bearing (Non-Interchangeable With Bearings Having The Same Basic Part Number). |
| NUTR305X | ISO | Цилиндрическая рабочая поверхность. |
| NUTR305 | ISO | Опорный ролик. |
| NUTR2562.L14F | ISO | Опорный ролик. |
Аналог опорного ролика NURT25-1R — это ролик такого же размера dx25,Dx62,Bx25, типа и конструкции.
| Обозначение | Конструктивные особенности | Внутренний (d) | Наружный (D) | Ширина (B) |
|---|---|---|---|---|
| 180605-КС9 | Шариковый радиальный однорядный подшипник. «Замок» (скос) на внутреннем кольце плюс массивный сепаратор из текстолита. Смазка ЛЗ-31. | 25.00 | 62.00 | 24.00 |
| 180605-КС9Ш1 | Шариковый радиальный однорядный подшипник. «Замок» (скос) на внутреннем кольце плюс массивный сепаратор из текстолита. Нормы шумности. Смазка ЛЗ-31. | 25.00 | 62.00 | 24.00 |
| 180605-С9 | Шариковый радиальный однорядный подшипник. Смазка ЛЗ-31. | 25.00 | 62.00 | 24.00 |
| 2305K+H2305 | Шариковый сферический двухрядный подшипник. Коническое внутреннее отверстие. | 25.00 | 62.00 | 24.00 |
| 2305E-2RS1KTN9 | Шариковый сферический двухрядный подшипник. Повышенная грузоподъемность. | 25.00 | 62.00 | 24.00 |
| 42605-Е | Роликовый радиальный однорядный подшипник. Сепаратор из текстолита.. | 25.00 | 62.00 | 24.00 |
| 42605-Л | Роликовый радиальный однорядный подшипник. Сепаратор из латуни.. | 25.00 | 62.00 | 24.00 |
| 513705-НЮ | Роликовый радиальный сферический двухрядный подшипник. Детали из теплостойкой стали. Все детали или часть деталей из нержавеющей стали.. | 25.00 | 62.00 | 26.00 |
| 6-1605 Л | Шариковый радиальный двухрядный подшипник. Сепаратор из латуни.. | 25.00 | 62.00 | 24.00 |
| 6-160605 КШ1 | Шариковый радиальный однорядный подшипник. «Замок» (скос) на внутреннем кольце плюс массивный сепаратор из текстолита. Нормы шумности. | 25.00 | 62.00 | 24.00 |
| 6-180605 К1УС9Ш1 | Шариковый радиальный однорядный подшипник. Дополнительные технические требования. Нормы шумности. Смазка ЛЗ-31. | 25.00 | 62.00 | 24.00 |
| 6-180605 КС9 | Шариковый радиальный однорядный подшипник. Смазка ЛЗ-31. | 25.00 | 62.00 | 24.00 |
| 6-180605 КС9Ш | Шариковый радиальный однорядный подшипник. Нормы шумности. Смазка ЛЗ-31. | 25.00 | 62.00 | 24.00 |
| 6-180605 КС9Ш1 | Шариковый радиальный однорядный подшипник. Нормы шумности. Смазка ЛЗ-31. | 25.00 | 62.00 | 24.00 |
| 6-180605 КС9Ш2У | Шариковый радиальный однорядный подшипник. Дополнительные технические требования. Нормы шумности. Смазка ЛЗ-31. | 25.00 | 62.00 | 24.00 |
Способы доставки
Отправка через ведущие транспортные и курьерские компании: ПЭК, Деловые Линии, СДЭК, Байкал-Сервис, Энергия, КИТ, ЖелДорЭкспедиция.
Самовывоз возможен напрямую со склада в Москве.
Сроки доставки
Срок зависит от региона и выбранной транспортной компании. Все заказы комплектуются и отправляются в кратчайшие сроки со склада в Москве.
Надёжность и сохранность
Вся продукция упаковывается с учётом требований транспортировки. Мы гарантируем, что подшипники и комплектующие прибудут к заказчику в полной сохранности.
Доставка в страны ЕАЭС
Мы работаем с проверенными логистическими партнёрами, что позволяет оперативно доставлять заказы в Беларусь, Казахстан, Армению и другие страны ЕАЭС.
Варианты оплаты:
Минимальная сумма заказа и скидки:
Документы и гарантии:
Да, конечно! Наши технические специалисты готовы помочь вам с подбором точного аналога или замены подшипника. Просто позвоните нам по телефону +7 (495) 104-99-04 или напишите на почту zakaz@podsnab.ru.
Для оперативной консультации подготовьте, пожалуйста, имеющиеся данные: маркировку, размеры, тип оборудования или артикул старого подшипника.
Да, конечно! Мы высоко ценим долгосрочное сотрудничество и доверие клиентов по всей России. Для постоянных клиентов действует персональная система скидок.
Условия формируются индивидуально и зависят от:
Чтобы узнать свои условия и получить максимально выгодное предложение, свяжитесь с персональным менеджером или напишите нам на почту zakaz@podsnab.ru.
Вы можете оформить заказ несколькими способами:
Для оформления заказа от юридического лица свяжитесь с нашим отделом по работе с корпоративными клиентами по телефону +7 (495) 104-99-04 или напишите на email zakaz@podsnab.ru, прикрепив реквизиты вашей организации.
Мы оперативно подготовим коммерческое предложение и выставим счет.
Возврат товара надлежащего качества возможен в течение 10 дней с момента получения, если товар не был в употреблении, сохранен товарный вид, упаковка не вскрывалась и присутствуют все сопроводительные документы.
Возврат денежных средств осуществляется в течение 10 рабочих дней после проверки товара складом.
В соответствии с законодательством возврату не подлежат подшипники надлежащего качества, если отсутствует оригинальная упаковка или имеются следы монтажа.
В случае выявления брака или гарантийного случая мы гарантируем возврат или обмен товара.
Да, гарантийный срок хранения устанавливается заводом-изготовителем и в среднем составляет 2 года при соблюдении условий хранения: сухое помещение, оригинальная упаковка и смазка.
Точный срок для конкретного типа подшипника уточняйте у наших менеджеров.
Пн–Пт: с 8:00 до 17:00 (МСК).
Сб–Вс: выходные дни.
Заказы на сайте принимаются круглосуточно. Заявки, поступившие после окончания рабочего дня, обрабатываются на следующий рабочий день.
Минимальная сумма заказа для доставки составляет 3000 рублей. Самовывоз со склада возможен на любую сумму при наличии товара.
ООО «УралТехГрупп»
ИНН: 7415093830
КПП: 772401001
ОГРН: 1167456069021
Банк: ПАО Сбербанк
Р/с: 40702810838000475273
К/с: 30101810400000000225
БИК: 044525225
У подшипника NURT25-1R пока нет отзывов. Вы можете стать первым покупателем, поделившимся своим мнением.