Поиск подшипника
Статьи
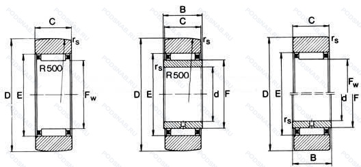
NURT30-1R — Опорный ролик, модификация основного исполнения NURT301, производство IKO.
Размер ролика: 30x72x29 мм.
Коронка на наружном кольце.
Международная стандартизации ISO
NURT301R
В наличии
| Обозначение | Конструктивные изменения |
|---|---|
| NURT30-1 | Number Of Carriages Per Rail Track. |
Модификации опорного ролика NURT30-1R — это измененное основное конструктивное исполнение NURT301, основные размеры (30x72x29) не отличаются.
| Обозначение | Гост | Конструктивные особенности |
|---|---|---|
| NUTR3072X | ISO | Измененные размеры границ. введенные пересмотренными стандартами ISO. |
| NUTR3072A | ISO | Измененная или модифицированная внутренняя конструкция при неизменных основных размерах. |
| NUTD3072DZ | ISO | Опорные ролики игольчатого типа. Цилиндрический наружный диаметр. Литой сепаратор оконного типа из полиамида. усиленного стекловолокном. |
| NUTR3072 | ISO | Опорный ролик. |
| PWTR3072.2RS | ISO | Резиновые уплотнения с каждой стороны подшипника. |
| NUTR307 | ISO | Опорный ролик. |
| NUTR306 | ISO | Опорный ролик. |
| PWTR3072-2RS-RR-XL | ISO | Rubber Seals At Each Side Of The Bearing. Temperature Range -30℃/+120℃. Серия X-Life премиум-класс. увеличиный срок службы. Защищен от коррозии специальным покрытием Corrotect®.. |
| NURT30-1 | ISO | Number Of Carriages Per Rail Track. |
| NUTR306X/3AS | ISO | Цилиндрическая рабочая поверхность. Смазка. Shell Oil Co. Смазка Alvania #3, стандартная заливка.. |
| PWTR3072 2RSA | ISO | Special Seals. |
| NUTR3072X A | ISO | Переделка во внутренней конструкции. Идентичен старой нотации. Цилиндрическая рабочая поверхность. |
| NNUP5106V | ISO | Полный комплект. |
| NUTR306/3AS | ISO | Смазка. Shell Oil Co. Смазка Alvania #3, стандартная заливка.. |
| NUTR306X | ISO | Цилиндрическая рабочая поверхность. |
Аналог опорного ролика NURT30-1R — это ролик такого же размера dx30,Dx72,Bx29, типа и конструкции.
| Обозначение | Конструктивные особенности | Внутренний (d) | Наружный (D) | Ширина (B) |
|---|---|---|---|---|
| 6-27606-АШ2 | Роликовый радиальный-упорный однорядный подшипник. Нормы шумности. Повышенная грузоподъемность. | 30.00 | 72.00 | 29.00 |
| 6-7606 К1Ш | Роликовый радиальный-упорный однорядный подшипник. Нормы шумности. | 30.00 | 72.00 | 28.75 |
| 6-7606 К2Ш | Роликовый радиальный-упорный однорядный подшипник. Нормы шумности. | 30.00 | 72.00 | 28.75 |
| 6У-7606 АУШ | Роликовый радиальный-упорный однорядный подшипник. Дополнительные технические требования. Повышенная грузоподъемность. Нормы шумности. | 30.00 | 72.00 | 28.75 |
| 7-7606 А | Роликовый радиальный-упорный однорядный подшипник. Повышенная грузоподъемность. | 30.00 | 72.00 | 28.75 |
| JHM88540/13 | Роликовый радиальный-упорный однорядный подшипник. 13/16. | 30.00 | 72.00 | 29.37 |
| 32306F | Роликовый радиальный-упорный однорядный подшипник. Сепаратор из обработанной стали или специального чугуна. | 30.00 | 72.00 | 28.75 |
| 32306CR | Роликовый радиальный-упорный однорядный подшипник. (TB-Segment) Phenolic (Composition) Fafnir Standard. | 30.00 | 72.00 | 28.75 |
| 7606-A | Роликовый радиальный-упорный однорядный подшипник. Двухрядный радиально-упорный шарикоподшипник без отверстия для смазки. | 30.00 | 72.00 | 29.00 |
| 7606-АУ | Роликовый радиальный-упорный однорядный подшипник. Дополнительные технические требования. Повышенная грузоподъемность. | 30.00 | 72.00 | 28.75 |
| 7606-АШ | Роликовый радиальный-упорный однорядный подшипник. Повышенная грузоподъемность. Нормы шумности. | 30.00 | 72.00 | 29.00 |
| 7606-К | Роликовый радиальный-упорный однорядный подшипник. Кольцевая проточка на середине цилиндрической наружной поверхности наружного кольца плюс три отверстия для смазки. | 30.00 | 72.00 | 28.75 |
| 7606-КУ | Роликовый радиальный-упорный однорядный подшипник. Кольцевая проточка на середине цилиндрической наружной поверхности наружного кольца плюс три отверстия для смазки. Дополнительные технические требования. | 30.00 | 72.00 | 28.75 |
| 10/330PZ | Шариковый радиальный однорядный подшипник. Non-Standard Tolerance. | 30.00 | 72.00 | 28.00 |
| 380806-АУ | Шариковый радиальный однорядный подшипник. Дополнительные технические требования. Повышенная грузоподъемность. | 30.00 | 72.00 | 29.00 |
Способы доставки
Отправка через ведущие транспортные и курьерские компании: ПЭК, Деловые Линии, СДЭК, Байкал-Сервис, Энергия, КИТ, ЖелДорЭкспедиция.
Самовывоз возможен напрямую со склада в Москве.
Сроки доставки
Срок зависит от региона и выбранной транспортной компании. Все заказы комплектуются и отправляются в кратчайшие сроки со склада в Москве.
Надёжность и сохранность
Вся продукция упаковывается с учётом требований транспортировки. Мы гарантируем, что подшипники и комплектующие прибудут к заказчику в полной сохранности.
Доставка в страны ЕАЭС
Мы работаем с проверенными логистическими партнёрами, что позволяет оперативно доставлять заказы в Беларусь, Казахстан, Армению и другие страны ЕАЭС.
Варианты оплаты:
Минимальная сумма заказа и скидки:
Документы и гарантии:
Да, конечно! Наши технические специалисты готовы помочь вам с подбором точного аналога или замены подшипника. Просто позвоните нам по телефону +7 (495) 104-99-04 или напишите на почту zakaz@podsnab.ru.
Для оперативной консультации подготовьте, пожалуйста, имеющиеся данные: маркировку, размеры, тип оборудования или артикул старого подшипника.
Да, конечно! Мы высоко ценим долгосрочное сотрудничество и доверие клиентов по всей России. Для постоянных клиентов действует персональная система скидок.
Условия формируются индивидуально и зависят от:
Чтобы узнать свои условия и получить максимально выгодное предложение, свяжитесь с персональным менеджером или напишите нам на почту zakaz@podsnab.ru.
Вы можете оформить заказ несколькими способами:
Для оформления заказа от юридического лица свяжитесь с нашим отделом по работе с корпоративными клиентами по телефону +7 (495) 104-99-04 или напишите на email zakaz@podsnab.ru, прикрепив реквизиты вашей организации.
Мы оперативно подготовим коммерческое предложение и выставим счет.
Возврат товара надлежащего качества возможен в течение 10 дней с момента получения, если товар не был в употреблении, сохранен товарный вид, упаковка не вскрывалась и присутствуют все сопроводительные документы.
Возврат денежных средств осуществляется в течение 10 рабочих дней после проверки товара складом.
В соответствии с законодательством возврату не подлежат подшипники надлежащего качества, если отсутствует оригинальная упаковка или имеются следы монтажа.
В случае выявления брака или гарантийного случая мы гарантируем возврат или обмен товара.
Да, гарантийный срок хранения устанавливается заводом-изготовителем и в среднем составляет 2 года при соблюдении условий хранения: сухое помещение, оригинальная упаковка и смазка.
Точный срок для конкретного типа подшипника уточняйте у наших менеджеров.
Пн–Пт: с 8:00 до 17:00 (МСК).
Сб–Вс: выходные дни.
Заказы на сайте принимаются круглосуточно. Заявки, поступившие после окончания рабочего дня, обрабатываются на следующий рабочий день.
Минимальная сумма заказа для доставки составляет 3000 рублей. Самовывоз со склада возможен на любую сумму при наличии товара.
ООО «УралТехГрупп»
ИНН: 7415093830
КПП: 772401001
ОГРН: 1167456069021
Банк: ПАО Сбербанк
Р/с: 40702810838000475273
К/с: 30101810400000000225
БИК: 044525225
У подшипника NURT30-1R пока нет отзывов. Вы можете стать первым покупателем, поделившимся своим мнением.