Поиск подшипника
Статьи
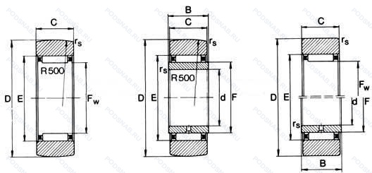
NURT35-1 — Опорный ролик, модификация основного исполнения NURT35, производство IKO.
Размер ролика: 35x80x29 мм.
Number of carriages per rail track.
Международная стандартизации ISO
NURT351
В наличии
| Обозначение | Конструктивные изменения |
|---|---|
| NURT35 | Опорный ролик. Основное конструктивное исполнение. |
Модификации опорного ролика NURT35-1 — это измененное основное конструктивное исполнение NURT35, основные размеры (35x80x29) не отличаются.
| Обозначение | Гост | Конструктивные особенности |
|---|---|---|
| NUTR3580-X | ISO | Измененные размеры границ. введенные пересмотренными стандартами ISO. |
| NUTR3580DZ | ISO | Опорные ролики игольчатого типа. Цилиндрический наружный диаметр. Литой сепаратор оконного типа из полиамида. усиленного стекловолокном. |
| NM3580KMMB | ISO | Опорный ролик. |
| NUTR3580A | ISO | Измененная или модифицированная внутренняя конструкция при неизменных основных размерах. |
| NUTD3580 | ISO | Опорный ролик. |
| NUTR3580 | ISO | Опорный ролик. |
| PWTR3580.2RS | ISO | Резиновые уплотнения с каждой стороны подшипника. |
| NURT35-1R | ISO | Опорный ролик. |
| PWTR3580-2RS-RR | ISO | Rubber Seals At Each Side Of The Bearing. Temperature Range -30℃/+120℃. Защищен от коррозии специальным покрытием Corrotect®.. |
| PWTR3580 2RSA | ISO | Special Seals. |
| NUTR3580XA | ISO | (Cone/Inner Race And Cup/Outer Race) Special Feature Bearing (Non-Interchangeable With Bearings Having The Same Basic Part Number). |
| PWTR3580-2RS-RR-XL | ISO | Rubber Seals At Each Side Of The Bearing. Temperature Range -30℃/+120℃. Серия X-Life премиум-класс. увеличиный срок службы. Защищен от коррозии специальным покрытием Corrotect®.. |
Аналог опорного ролика NURT35-1 — это ролик такого же размера dx35,Dx80,Bx29, типа и конструкции.
| Обозначение | Конструктивные особенности | Внутренний (d) | Наружный (D) | Ширина (B) |
|---|---|---|---|---|
| 3478/3420B | однорядный конический роликовый подшипник. Фланец на передней поверхности наружного кольца. | 34.92 | 79.38 | 29.77 |
| 330865C/QCL7C | Однорядный конический роликовый подшипник. S-Range. Straight Raceway In The Outer Ring. Series 320X. Высокоэффективная конструкция. | 34.94 | 79.05 | 28.46 |
| 4T-3379/3320 | однорядный конический роликовый подшипник. Цементованная сталь. | 34.92 | 80.17 | 29.37 |
| SIKAC35M | Сферический шарнирный подшипник. Подшипник с латунным сепаратором. центрированный по телам качения. | 35.00 | 80.00 | 28.00 |
| 4T-3478/3420 | однорядный конический роликовый подшипник. Цементованная сталь. | 34.92 | 79.38 | 29.37 |
| DG358028W 2RS C4 | Подшипник однорядный шариковый радиальный. Внутренний зазор подшипника больше. чем C3. Резиновые уплотнения с каждой стороны подшипника. Подшипник без смазочных отверстий в наружном кольце. | 35.00 | 80.00 | 28.00 |
| KIT10X22208EAKW33EE | Подшипник роликовый сферический. Канавка для смазки и три отверстия во внешнем кольце подшипника. Коническое отверстие. конус 1/12. Увеличенная грузоподъемность. Лучше. чем прежний суффикс E. Резиновые уплотнения с каждой стороны подшипника. | 35.00 | 80.00 | 28.00 |
| 3480/3420-B | Роликовый радиальный-упорный однорядный подшипник. Конический роликовый подшипник. Угол контакта 20 градусов. | 35.00 | 79.38 | 29.77 |
| 3482/3420-B | Роликовый радиальный-упорный однорядный подшипник. Конический роликовый подшипник. Угол контакта 20 градусов. | 34.92 | 79.38 | 29.77 |
| DG358028W2RSHR4C4 | Шариковый радиальный однорядный подшипник. Угол контакта 20 градусов. | 35.00 | 80.00 | 28.00 |
| B35-77C4 | Шариковый радиальный однорядный подшипник. Подшипник со специальными размерами. | 35.00 | 80.00 | 28.00 |
| ARX34X80X28 | Роликовый игольчатый подшипник однорядный. Изменённая фаска. | 34.00 | 80.00 | 28.00 |
| HC TR070803C | Роликовый радиальный-упорный однорядный подшипник. Угол контакта 20 градусов. | 35.00 | 80.00 | 29.25 |
| HI-CAP TR070803 | Роликовый радиальный-упорный однорядный подшипник. Угол контакта 20 градусов. | 34.93 | 79.97 | 29.37 |
| KESTN3580LFT | Роликовый радиальный-упорный однорядный подшипник. Конический роликоподшипник с низким крутящим моментом. | 35.00 | 80.00 | 29.00 |
Способы доставки
Отправка через ведущие транспортные и курьерские компании: ПЭК, Деловые Линии, СДЭК, Байкал-Сервис, Энергия, КИТ, ЖелДорЭкспедиция.
Самовывоз возможен напрямую со склада в Москве.
Сроки доставки
Срок зависит от региона и выбранной транспортной компании. Все заказы комплектуются и отправляются в кратчайшие сроки со склада в Москве.
Надёжность и сохранность
Вся продукция упаковывается с учётом требований транспортировки. Мы гарантируем, что подшипники и комплектующие прибудут к заказчику в полной сохранности.
Доставка в страны ЕАЭС
Мы работаем с проверенными логистическими партнёрами, что позволяет оперативно доставлять заказы в Беларусь, Казахстан, Армению и другие страны ЕАЭС.
Варианты оплаты:
Минимальная сумма заказа и скидки:
Документы и гарантии:
Да, конечно! Наши технические специалисты готовы помочь вам с подбором точного аналога или замены подшипника. Просто позвоните нам по телефону +7 (495) 104-99-04 или напишите на почту zakaz@podsnab.ru.
Для оперативной консультации подготовьте, пожалуйста, имеющиеся данные: маркировку, размеры, тип оборудования или артикул старого подшипника.
Да, конечно! Мы высоко ценим долгосрочное сотрудничество и доверие клиентов по всей России. Для постоянных клиентов действует персональная система скидок.
Условия формируются индивидуально и зависят от:
Чтобы узнать свои условия и получить максимально выгодное предложение, свяжитесь с персональным менеджером или напишите нам на почту zakaz@podsnab.ru.
Вы можете оформить заказ несколькими способами:
Для оформления заказа от юридического лица свяжитесь с нашим отделом по работе с корпоративными клиентами по телефону +7 (495) 104-99-04 или напишите на email zakaz@podsnab.ru, прикрепив реквизиты вашей организации.
Мы оперативно подготовим коммерческое предложение и выставим счет.
Возврат товара надлежащего качества возможен в течение 10 дней с момента получения, если товар не был в употреблении, сохранен товарный вид, упаковка не вскрывалась и присутствуют все сопроводительные документы.
Возврат денежных средств осуществляется в течение 10 рабочих дней после проверки товара складом.
В соответствии с законодательством возврату не подлежат подшипники надлежащего качества, если отсутствует оригинальная упаковка или имеются следы монтажа.
В случае выявления брака или гарантийного случая мы гарантируем возврат или обмен товара.
Да, гарантийный срок хранения устанавливается заводом-изготовителем и в среднем составляет 2 года при соблюдении условий хранения: сухое помещение, оригинальная упаковка и смазка.
Точный срок для конкретного типа подшипника уточняйте у наших менеджеров.
Пн–Пт: с 8:00 до 17:00 (МСК).
Сб–Вс: выходные дни.
Заказы на сайте принимаются круглосуточно. Заявки, поступившие после окончания рабочего дня, обрабатываются на следующий рабочий день.
Минимальная сумма заказа для доставки составляет 3000 рублей. Самовывоз со склада возможен на любую сумму при наличии товара.
ООО «УралТехГрупп»
ИНН: 7415093830
КПП: 772401001
ОГРН: 1167456069021
Банк: ПАО Сбербанк
Р/с: 40702810838000475273
К/с: 30101810400000000225
БИК: 044525225
У подшипника NURT35-1 пока нет отзывов. Вы можете стать первым покупателем, поделившимся своим мнением.