Поиск подшипника
Статьи
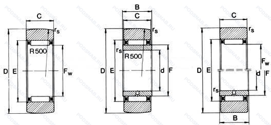
NURT50R — Опорный ролик, модификация основного исполнения NURT50, производство IKO.
Размер ролика: 50x90x32 мм.
Коронка на наружном кольце.
Международная стандартизации ISO
NURT50R
В наличии
| Обозначение | Конструктивные изменения |
|---|---|
| NURT50 | Опорный ролик. Основное конструктивное исполнение. |
| NURT50-1 | Number Of Carriages Per Rail Track. |
Модификации опорного ролика NURT50R — это измененное основное конструктивное исполнение NURT50, основные размеры (50x90x32) не отличаются.
| Обозначение | Гост | Конструктивные особенности |
|---|---|---|
| NATR50X | ISO | Цилиндрическая рабочая поверхность. |
| MCYRR50X | ISO | Цилиндрическая рабочая поверхность. |
| NUTR210X/3AS | ISO | Цилиндрическая рабочая поверхность. Смазка. Shell Oil Co. Смазка Alvania #3, стандартная заливка.. |
| NUTR210 | ISO | Опорный ролик. |
| NATR50XLL/3AS | ISO | Цилиндрическая рабочая поверхность. Контактное уплотнения из синтетической черной резины с обеих сторон. Смазка. Shell Oil Co. Смазка Alvania #3, стандартная заливка.. |
| NUTR210/3AS | ISO | Смазка. Shell Oil Co. Смазка Alvania #3, стандартная заливка.. |
| FYCRS50R | ISO | С выпуклыми асимметричными роликами и обработанным сепаратором. |
Аналог опорного ролика NURT50R — это ролик такого же размера dx50,Dx90,Bx32, типа и конструкции.
| Обозначение | Конструктивные особенности | Внутренний (d) | Наружный (D) | Ширина (B) |
|---|---|---|---|---|
| 33210-92H50 | Однорядный конический роликовый подшипник. Timken Inspection Code. | 50.00 | 90.00 | 32.00 |
| 33210CY | Однорядный конический роликовый подшипник. KOYO Bearings In FAG Packaging. FAG Bearing On Display. Greater Rounding-Rays For The Angles Than Normal. | 50.00 | 90.00 | 32.00 |
| 33210JR | однорядный конический роликовый подшипник. TAPERED ROLLER BEARING CONFORMING TO ISO R355 (SUB-UNIT. METRIC SERIES). EXAMPLE/ 30206JR. | 50.00 | 90.00 | 32.00 |
| 33210-H | Однорядный конический роликовый подшипник. Произведен в Китае. | 50.00 | 90.00 | 32.00 |
| SPL22210BR | Подшипник для корпуса. Locating Position. | 50.00 | 90.00 | 33.00 |
| SPL22210KBX | Подшипник для корпуса. Floating Position. | 50.00 | 90.00 | 33.00 |
| 33210JR P6 | Однорядный конический роликовый подшипник. Размерные и геометрические допуски соответствуют классу точности P6. TAPERED ROLLER BEARING CONFORMING TO ISO R355 (SUB-UNIT. METRIC SERIES). EXAMPLE/ 30206JR. | 50.00 | 90.00 | 32.00 |
| LK210.2F.Y | Подшипник для корпуса. Двойное уплотнение. Защитная крышка, размещенная на внутреннем кольце. Используется с подшипниками типа Y. Сепаратор из прессованной латуни. Центрирование шарика. | 50.00 | 90.00 | 31.00 |
| 394710-Д | Роликовый радиальный игольчатый однорядный подшипник. Сепаратор из алюминиевого сплава.. | 50.00 | 90.00 | 32.00 |
| 2-3007210 А | Роликовый радиальный-упорный однорядный подшипник. Повышенная грузоподъемность. | 50.00 | 90.00 | 32.00 |
| 3007210A | Роликовый радиальный-упорный однорядный подшипник. Двухрядный радиально-упорный шарикоподшипник без отверстия для смазки. | 50.00 | 90.00 | 32.00 |
| HR33210J | Роликовый радиальный-упорный однорядный подшипник. Дорожки качения наружного кольца. угол контакта и ширина наружного кольца в соответствии с ISO. Для конических роликоподшипников и радиальных шарикоподшипников. | 50.00 | 90.00 | 32.00 |
| 4T-33210 | Роликовый радиальный-упорный конический однорядный подшипник. Цементованная сталь. | 50.00 | 90.00 | 32.00 |
| 6-3007210 А | Роликовый радиальный-упорный однорядный подшипник. Повышенная грузоподъемность. | 50.00 | 90.00 | 32.00 |
| 33210F | Роликовый радиальный-упорный однорядный подшипник. Сепаратор из обработанной стали или специального чугуна. | 50.00 | 90.00 | 32.00 |
Способы доставки
Отправка через ведущие транспортные и курьерские компании: ПЭК, Деловые Линии, СДЭК, Байкал-Сервис, Энергия, КИТ, ЖелДорЭкспедиция.
Самовывоз возможен напрямую со склада в Москве.
Сроки доставки
Срок зависит от региона и выбранной транспортной компании. Все заказы комплектуются и отправляются в кратчайшие сроки со склада в Москве.
Надёжность и сохранность
Вся продукция упаковывается с учётом требований транспортировки. Мы гарантируем, что подшипники и комплектующие прибудут к заказчику в полной сохранности.
Доставка в страны ЕАЭС
Мы работаем с проверенными логистическими партнёрами, что позволяет оперативно доставлять заказы в Беларусь, Казахстан, Армению и другие страны ЕАЭС.
Варианты оплаты:
Минимальная сумма заказа и скидки:
Документы и гарантии:
Да, конечно! Наши технические специалисты готовы помочь вам с подбором точного аналога или замены подшипника. Просто позвоните нам по телефону +7 (495) 104-99-04 или напишите на почту zakaz@podsnab.ru.
Для оперативной консультации подготовьте, пожалуйста, имеющиеся данные: маркировку, размеры, тип оборудования или артикул старого подшипника.
Да, конечно! Мы высоко ценим долгосрочное сотрудничество и доверие клиентов по всей России. Для постоянных клиентов действует персональная система скидок.
Условия формируются индивидуально и зависят от:
Чтобы узнать свои условия и получить максимально выгодное предложение, свяжитесь с персональным менеджером или напишите нам на почту zakaz@podsnab.ru.
Вы можете оформить заказ несколькими способами:
Для оформления заказа от юридического лица свяжитесь с нашим отделом по работе с корпоративными клиентами по телефону +7 (495) 104-99-04 или напишите на email zakaz@podsnab.ru, прикрепив реквизиты вашей организации.
Мы оперативно подготовим коммерческое предложение и выставим счет.
Возврат товара надлежащего качества возможен в течение 10 дней с момента получения, если товар не был в употреблении, сохранен товарный вид, упаковка не вскрывалась и присутствуют все сопроводительные документы.
Возврат денежных средств осуществляется в течение 10 рабочих дней после проверки товара складом.
В соответствии с законодательством возврату не подлежат подшипники надлежащего качества, если отсутствует оригинальная упаковка или имеются следы монтажа.
В случае выявления брака или гарантийного случая мы гарантируем возврат или обмен товара.
Да, гарантийный срок хранения устанавливается заводом-изготовителем и в среднем составляет 2 года при соблюдении условий хранения: сухое помещение, оригинальная упаковка и смазка.
Точный срок для конкретного типа подшипника уточняйте у наших менеджеров.
Пн–Пт: с 8:00 до 17:00 (МСК).
Сб–Вс: выходные дни.
Заказы на сайте принимаются круглосуточно. Заявки, поступившие после окончания рабочего дня, обрабатываются на следующий рабочий день.
Минимальная сумма заказа для доставки составляет 3000 рублей. Самовывоз со склада возможен на любую сумму при наличии товара.
ООО «УралТехГрупп»
ИНН: 7415093830
КПП: 772401001
ОГРН: 1167456069021
Банк: ПАО Сбербанк
Р/с: 40702810838000475273
К/с: 30101810400000000225
БИК: 044525225
У подшипника NURT50R пока нет отзывов. Вы можете стать первым покупателем, поделившимся своим мнением.