Поиск подшипника
Статьи
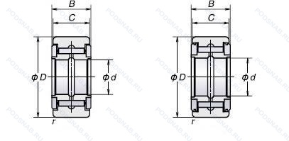
NATR17XLL/3AS — Опорный ролик, модификация основного исполнения NATR17, производство NTN.
Размер ролика: 17x40x20 мм.
Опорный ролик, yoke-тип, профилированный наружный диаметр, с внутренним кольцом, с шайбами, смазка. shell oil co. смазка alvania #3, стандартная заливка, контактное уплотнения из синтетической черной резины с обеих сторон, цилиндрическая рабочая поверхность.
Альтернативное обозначение: NATR17-X-PP-A.
Аналоги: NATR17-X-PP-A INA,NATR17PPXA SKF,NATR17PPX SKF,NATR17XLL NTN,NATR17PPX AKN.
Международная стандартизации ISO
NATR17XLL3AS
В наличии
| Обозначение | Конструктивные изменения |
|---|---|
| NATR17PPXA | Опорный ролик. |
| NATR17PPA | Измененная или модифицированная внутренняя конструкция при неизменных основных размерах. Скользящие уплотнительные кольца из полиамида с обеих сторон, улучшенный корончатый профиль рабочей поверхности наружного кольца. |
| NATR17X | Измененные размеры границ. введенные пересмотренными стандартами ISO. |
| NATR17PP | Уплотнения на каждой стороне подшипника. |
| NATR17PPX | Скользящие уплотнительные кольца из полиамида с обеих сторон, улучшенный корончатый профиль рабочей поверхности наружного кольца. |
| NATR17 | Измененная или модифицированная внутренняя конструкция при неизменных основных размерах. Основное конструктивное исполнение. |
| NATR17LL/3AS | Контактное. синтетические. резиновое уплотнение с двух сторон. Смазка. Shell Oil Co. Смазка Alvania #3, стандартная заливка.. |
| NATR17XLL | Цилиндрическая рабочая поверхность. Контактное уплотнения из синтетической черной резины с обеих сторон. |
| NATR17-X-PP-A | Переделка во внутренней конструкции. Идентичен старой нотации. Цилиндрическая рабочая поверхность. Манжетные уплотнения с обеих сторон (тип P - две шайбы из оцинкованной листовой стали с промежуточной частью NBR. Кромка уплотнения предварительно нагружена в осевом направлении). Диапазон температур -30℃/+100℃. |
| NATR17LL | Контактное. синтетические. резиновое уплотнение с двух сторон. |
Модификации опорного ролика NATR17XLL/3AS — это измененное основное конструктивное исполнение NATR17, основные размеры (17x40x20) не отличаются.
| Обозначение | Гост | Конструктивные особенности |
|---|---|---|
| NATV17LL | ISO | Контактное. синтетические. резиновое уплотнение с двух сторон. |
| NATV17LL/3AS | ISO | Контактное. синтетические. резиновое уплотнение с двух сторон. Смазка. Shell Oil Co. Смазка Alvania #3, стандартная заливка.. |
| MCYRR17S | ISO | Запечатанная версия кулачкового ролика. |
| NART17VUUR | ISO | Подшипник без сепаратора. С полным комплектом тел качения. Коронка на наружном кольце. Резиновые уплотнения с каждой стороны подшипника. |
| PWTR17-2RS-RR-XL | ISO | Rubber Seals At Each Side Of The Bearing. Temperature Range -30℃/+120℃. Серия X-Life премиум-класс. увеличиный срок службы. Защищен от коррозии специальным покрытием Corrotect®.. |
| MCYR17SX | ISO | Запечатанная версия кулачкового ролика. Цилиндрическая рабочая поверхность. |
| MCYRD17X | ISO | Цилиндрическая рабочая поверхность. |
| NURT17R | ISO | Коронка на наружном кольце. |
| MCYR17X | ISO | Цилиндрическая рабочая поверхность. |
| MCYRR17X | ISO | Цилиндрическая рабочая поверхность. |
| NUTR17-X-A | ISO | Переделка во внутренней конструкции. Идентичен старой нотации. Цилиндрическая рабочая поверхность. |
| MCYRR17SX | ISO | Радиально-упорный сферический подшипник скольжения. требующий обслуживания по ISO 12 2402. Монтажные размеры как для конических роликоподшипников по DIN 720. 320X. Стальная скользящая контактная поверхность. |
| NATV17-X-PP-A | ISO | Переделка во внутренней конструкции. Идентичен старой нотации. Цилиндрическая рабочая поверхность. Манжетные уплотнения с обеих сторон (тип P - две шайбы из оцинкованной листовой стали с промежуточной частью NBR. Кромка уплотнения предварительно нагружена в осевом направлении). Диапазон температур -30℃/+100℃. |
| NUTR203X | ISO | Цилиндрическая рабочая поверхность. |
| NAST17ZZR | ISO | Две металлические защитные шайбы, наружное кольцо со сферической наружной поверхностью. |
| LR1640E KDDU | ISO | Повышенная грузоподъемность. Crowned Outside Surface (No 'X' in Base Number). Защитные металлические шайбы по обе стороны подшипника с цилиндрическим наружным диаметром. |
| NATV17LLU | ISO | Контактное резиновое уплотнение с двух сторон. |
| PWTR17 2RSA | ISO | Переделка во внутренней конструкции. Идентичен старой нотации. Rubber Seals At Each Side Of The Bearing. Temperature Range -30℃/+120℃. |
| PWTR17-2RS-XL | ISO | Rubber Seals At Each Side Of The Bearing. Temperature Range -30℃/+120℃. Серия X-Life премиум-класс. увеличиный срок службы. |
| MCYR17S | ISO | Запечатанная версия кулачкового ролика. |
Аналог опорного ролика NATR17XLL/3AS — это ролик такого же размера dx17,Dx40,Bx20, типа и конструкции.
| Обозначение | Конструктивные особенности | Внутренний (d) | Наружный (D) | Ширина (B) |
|---|---|---|---|---|
| 914703-Ю1 | Роликовый игольчатый подшипник однорядный. Все детали или часть деталей из нержавеющей стали.. | 17.00 | 40.00 | 19.00 |
| SA203F | Шариковый радиальный однорядный подшипник. Сепаратор из обработанной стали или специального чугуна. | 17.00 | 40.00 | 19.10 |
| KH203AE | Шариковый радиальный однорядный подшипник. Без суффикса. но с обозначением типа. | 17.00 | 40.00 | 19.10 |
| RAE17RRB | Шариковый радиальный однорядный подшипник. Два резиновых уплотнения Land Riding со сферическим наружным диаметром (B). | 17.00 | 40.00 | 19.05 |
| RAE17RR | Шариковый радиальный однорядный подшипник. С выпуклыми асимметричными роликами. Обработанный сепаратор штыревого типа из медного сплава. С центральным ребром. С ребрами с двух сторон (для предотвращения падения роликов). | 17.00 | 40.00 | 19.05 |
| GRAE17RR | Шариковый радиальный однорядный подшипник. С выпуклыми асимметричными роликами. Обработанный сепаратор штыревого типа из медного сплава. С центральным ребром. С ребрами с двух сторон (для предотвращения падения роликов). | 17.00 | 40.00 | 19.05 |
| GRAE17RRB | Шариковый радиальный однорядный подшипник. Два резиновых уплотнения Land Riding со сферическим наружным диаметром (B). | 17.00 | 40.00 | 19.05 |
| НУ 2Ш17 ЮТ | Шарнирный подшипник. Уменьшенный внутренний осевой зазор.. Температура отпуска. 160°. Одно или два кольца из нержавеющей стали.. Малый внутренний зазор.. | 17.00 | 40.00 | 21.00 |
| 2Ш17-Ю | Шарнирный подшипник. Одно или два кольца из нержавеющей стали.. Без отверстий и канавок для смазки.. | 17.00 | 40.00 | 21.00 |
| 2Ш17 ЮТВК | Шарнирный подшипник. Температура отпуска. 160°. Одно или два кольца из нержавеющей стали.. Нормы шумности. Без отверстий и канавок для смазки.. Отдельное внутреннее кольцо шарнирного подшипника.. | 17.00 | 31.00 | 21.00 |
| 2ШМ17 ЮТ | Шарнирный подшипник. Температура отпуска. 160°. Одно или два кольца из нержавеющей стали.. Без отверстий и канавок для смазки.. | 17.00 | 40.00 | 21.00 |
| 2ШН17 Ю | Шарнирный подшипник. Одно или два кольца из нержавеющей стали.. Неразъемный без отверстий и канавок для смазки. | 17.00 | 40.00 | 21.00 |
| 2ШН17 ЮТ | Шарнирный подшипник. Температура отпуска. 160°. Одно или два кольца из нержавеющей стали.. Неразъемный без отверстий и канавок для смазки. | 17.00 | 40.00 | 21.00 |
| 3-ШЛТ17 Ю | Шарнирный подшипник. Одно или два кольца из нержавеющей стали.. Без отверстий и канавок для смазки. | 17.00 | 40.00 | 21.00 |
| 534903-ДК1 | Роликовый радиальный игольчатый однорядный подшипник. Кольцевая проточка на середине цилиндрической наружной поверхности наружного кольца плюс три отверстия для смазки. Сепаратор из алюминиевого сплава.. | 18.00 | 40.00 | 20.00 |
Способы доставки
Отправка через ведущие транспортные и курьерские компании: ПЭК, Деловые Линии, СДЭК, Байкал-Сервис, Энергия, КИТ, ЖелДорЭкспедиция.
Самовывоз возможен напрямую со склада в Москве.
Сроки доставки
Срок зависит от региона и выбранной транспортной компании. Все заказы комплектуются и отправляются в кратчайшие сроки со склада в Москве.
Надёжность и сохранность
Вся продукция упаковывается с учётом требований транспортировки. Мы гарантируем, что подшипники и комплектующие прибудут к заказчику в полной сохранности.
Доставка в страны ЕАЭС
Мы работаем с проверенными логистическими партнёрами, что позволяет оперативно доставлять заказы в Беларусь, Казахстан, Армению и другие страны ЕАЭС.
Варианты оплаты:
Минимальная сумма заказа и скидки:
Документы и гарантии:
Да, конечно! Наши технические специалисты готовы помочь вам с подбором точного аналога или замены подшипника. Просто позвоните нам по телефону +7 (495) 104-99-04 или напишите на почту zakaz@podsnab.ru.
Для оперативной консультации подготовьте, пожалуйста, имеющиеся данные: маркировку, размеры, тип оборудования или артикул старого подшипника.
Да, конечно! Мы высоко ценим долгосрочное сотрудничество и доверие клиентов по всей России. Для постоянных клиентов действует персональная система скидок.
Условия формируются индивидуально и зависят от:
Чтобы узнать свои условия и получить максимально выгодное предложение, свяжитесь с персональным менеджером или напишите нам на почту zakaz@podsnab.ru.
Вы можете оформить заказ несколькими способами:
Для оформления заказа от юридического лица свяжитесь с нашим отделом по работе с корпоративными клиентами по телефону +7 (495) 104-99-04 или напишите на email zakaz@podsnab.ru, прикрепив реквизиты вашей организации.
Мы оперативно подготовим коммерческое предложение и выставим счет.
Возврат товара надлежащего качества возможен в течение 10 дней с момента получения, если товар не был в употреблении, сохранен товарный вид, упаковка не вскрывалась и присутствуют все сопроводительные документы.
Возврат денежных средств осуществляется в течение 10 рабочих дней после проверки товара складом.
В соответствии с законодательством возврату не подлежат подшипники надлежащего качества, если отсутствует оригинальная упаковка или имеются следы монтажа.
В случае выявления брака или гарантийного случая мы гарантируем возврат или обмен товара.
Да, гарантийный срок хранения устанавливается заводом-изготовителем и в среднем составляет 2 года при соблюдении условий хранения: сухое помещение, оригинальная упаковка и смазка.
Точный срок для конкретного типа подшипника уточняйте у наших менеджеров.
Пн–Пт: с 8:00 до 17:00 (МСК).
Сб–Вс: выходные дни.
Заказы на сайте принимаются круглосуточно. Заявки, поступившие после окончания рабочего дня, обрабатываются на следующий рабочий день.
Минимальная сумма заказа для доставки составляет 3000 рублей. Самовывоз со склада возможен на любую сумму при наличии товара.
ООО «УралТехГрупп»
ИНН: 7415093830
КПП: 772401001
ОГРН: 1167456069021
Банк: ПАО Сбербанк
Р/с: 40702810838000475273
К/с: 30101810400000000225
БИК: 044525225
У подшипника NATR17XLL/3AS пока нет отзывов. Вы можете стать первым покупателем, поделившимся своим мнением.