Поиск подшипника
Статьи
NATR45XLL/3AS — Опорный ролик, модификация основного исполнения NATR45, производство NTN.
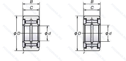
Размер ролика: 45x85x32 мм.
Опорный ролик, yoke-тип, профилированный наружный диаметр, с внутренним кольцом, с шайбами, смазка. shell oil co. смазка alvania #3, стандартная заливка, контактное уплотнения из синтетической черной резины с обеих сторон, цилиндрическая рабочая поверхность.
Альтернативное обозначение: NATR45-X-PP-A.
Международная стандартизации ISO
NATR45XLL3AS
В наличии
| Обозначение | Конструктивные изменения |
|---|---|
| NATR45PP | Уплотнения на каждой стороне подшипника. |
| NATR45PPX | Скользящие уплотнительные кольца из полиамида с обеих сторон, улучшенный корончатый профиль рабочей поверхности наружного кольца. |
| NATR45X | Цилиндрическая рабочая поверхность. |
| NATR45 | Опорный ролик. Основное конструктивное исполнение. |
| NATR45LL | Контактное. синтетические. резиновое уплотнение с двух сторон. |
| NATR45XLL | Цилиндрическая рабочая поверхность. Контактное уплотнения из синтетической черной резины с обеих сторон. |
| NATR45-X-PP-A | Переделка во внутренней конструкции. Идентичен старой нотации. Цилиндрическая рабочая поверхность. Манжетные уплотнения с обеих сторон (тип P - две шайбы из оцинкованной листовой стали с промежуточной частью NBR. Кромка уплотнения предварительно нагружена в осевом направлении). Диапазон температур -30℃/+100℃. |
Модификации опорного ролика NATR45XLL/3AS — это измененное основное конструктивное исполнение NATR45, основные размеры (45x85x32) не отличаются.
| Обозначение | Гост | Конструктивные особенности |
|---|---|---|
| NART45UUR | ISO | Коронка на наружном кольце. Резиновые уплотнения с каждой стороны подшипника. |
| NURT45RQ | ISO | Коронка на наружном кольце. Оптимизированная геометрия и специальная обработка контактных поверхностей. |
| NURT45R | ISO | Коронка на наружном кольце. |
| NURT45-1R | ISO | Коронка на наружном кольце. |
| MCYR45 | ISO | Опорный ролик. |
| MCYRR45S | ISO | Запечатанная версия кулачкового ролика. |
| MCYRR45SX | ISO | Радиально-упорный сферический подшипник скольжения. требующий обслуживания по ISO 12 2402. Монтажные размеры как для конических роликоподшипников по DIN 720. 320X. Стальная скользящая контактная поверхность. |
| MCYRR45 | ISO | Опорный ролик. |
Аналог опорного ролика NATR45XLL/3AS — это ролик такого же размера dx45,Dx85,Bx32, типа и конструкции.
| Обозначение | Конструктивные особенности | Внутренний (d) | Наружный (D) | Ширина (B) |
|---|---|---|---|---|
| 33209C | Однорядный конический роликовый подшипник. Изменения во внутренней конструкции. | 45.00 | 85.00 | 32.00 |
| 33209-90KA1 | Однорядный конический роликовый подшипник. Assembly Code. | 45.00 | 85.00 | 32.00 |
| 33209/Q | Однорядный конический роликовый подшипник. Подшипники класса TQ-Line. имеющих суффикс Q в обозначении. являются основой для производства подшипников SKF. | 45.00 | 85.00 | 32.00 |
| 33209JR | однорядный конический роликовый подшипник. TAPERED ROLLER BEARING CONFORMING TO ISO R355 (SUB-UNIT. METRIC SERIES). EXAMPLE/ 30206JR. | 45.00 | 85.00 | 32.00 |
| 33209-92H50 | Однорядный конический роликовый подшипник. Timken Inspection Code. | 45.00 | 85.00 | 32.00 |
| WB228UL | Подшипник для корпуса. Универсальный монтаж и легкий преднатяг. | 44.45 | 85.00 | 31.24 |
| 33209-H | Однорядный конический роликовый подшипник. Произведен в Китае. | 45.00 | 85.00 | 32.00 |
| 33209J | Однорядный конический роликовый подшипник. Дорожки качения наружного кольца. угол контакта и ширина наружного кольца в соответствии с ISO. | 45.00 | 85.00 | 32.00 |
| 314809-X1 | Роликовый игольчатый подшипник. Специальная фаска. | 45.00 | 85.00 | 32.50 |
| 314809-Х1 | Роликовый радиальный игольчатый однорядный подшипник. Кольца и тела качения или только кольца (в том числе одно кольцо) из цементируемой стали.. | 45.00 | 85.00 | 32.50 |
| E33209J | Роликовый радиальный-упорный однорядный подшипник. Дорожки качения наружного кольца. угол контакта и ширина наружного кольца в соответствии с ISO. | 45.00 | 85.00 | 32.00 |
| HR33209J | Роликовый радиальный-упорный однорядный подшипник. Дорожки качения наружного кольца. угол контакта и ширина наружного кольца в соответствии с ISO. Для конических роликоподшипников и радиальных шарикоподшипников. | 45.00 | 85.00 | 32.00 |
| 4T-33209 | Роликовый радиальный-упорный конический однорядный подшипник. Цементованная сталь. | 45.00 | 85.00 | 32.00 |
| 33209F | Роликовый радиальный-упорный конический однорядный подшипник. Сепаратор из обработанной стали или специального чугуна. | 45.00 | 85.00 | 32.00 |
| 53309U+U309 | Шариковый упорный однорядный подшипник. Универсальный одиночный подшипник. | 45.00 | 85.00 | 33.00 |
Способы доставки
Отправка через ведущие транспортные и курьерские компании: ПЭК, Деловые Линии, СДЭК, Байкал-Сервис, Энергия, КИТ, ЖелДорЭкспедиция.
Самовывоз возможен напрямую со склада в Москве.
Сроки доставки
Срок зависит от региона и выбранной транспортной компании. Все заказы комплектуются и отправляются в кратчайшие сроки со склада в Москве.
Надёжность и сохранность
Вся продукция упаковывается с учётом требований транспортировки. Мы гарантируем, что подшипники и комплектующие прибудут к заказчику в полной сохранности.
Доставка в страны ЕАЭС
Мы работаем с проверенными логистическими партнёрами, что позволяет оперативно доставлять заказы в Беларусь, Казахстан, Армению и другие страны ЕАЭС.
Варианты оплаты:
Минимальная сумма заказа и скидки:
Документы и гарантии:
Да, конечно! Наши технические специалисты готовы помочь вам с подбором точного аналога или замены подшипника. Просто позвоните нам по телефону +7 (495) 104-99-04 или напишите на почту zakaz@podsnab.ru.
Для оперативной консультации подготовьте, пожалуйста, имеющиеся данные: маркировку, размеры, тип оборудования или артикул старого подшипника.
Да, конечно! Мы высоко ценим долгосрочное сотрудничество и доверие клиентов по всей России. Для постоянных клиентов действует персональная система скидок.
Условия формируются индивидуально и зависят от:
Чтобы узнать свои условия и получить максимально выгодное предложение, свяжитесь с персональным менеджером или напишите нам на почту zakaz@podsnab.ru.
Вы можете оформить заказ несколькими способами:
Для оформления заказа от юридического лица свяжитесь с нашим отделом по работе с корпоративными клиентами по телефону +7 (495) 104-99-04 или напишите на email zakaz@podsnab.ru, прикрепив реквизиты вашей организации.
Мы оперативно подготовим коммерческое предложение и выставим счет.
Возврат товара надлежащего качества возможен в течение 10 дней с момента получения, если товар не был в употреблении, сохранен товарный вид, упаковка не вскрывалась и присутствуют все сопроводительные документы.
Возврат денежных средств осуществляется в течение 10 рабочих дней после проверки товара складом.
В соответствии с законодательством возврату не подлежат подшипники надлежащего качества, если отсутствует оригинальная упаковка или имеются следы монтажа.
В случае выявления брака или гарантийного случая мы гарантируем возврат или обмен товара.
Да, гарантийный срок хранения устанавливается заводом-изготовителем и в среднем составляет 2 года при соблюдении условий хранения: сухое помещение, оригинальная упаковка и смазка.
Точный срок для конкретного типа подшипника уточняйте у наших менеджеров.
Пн–Пт: с 8:00 до 17:00 (МСК).
Сб–Вс: выходные дни.
Заказы на сайте принимаются круглосуточно. Заявки, поступившие после окончания рабочего дня, обрабатываются на следующий рабочий день.
Минимальная сумма заказа для доставки составляет 3000 рублей. Самовывоз со склада возможен на любую сумму при наличии товара.
ООО «УралТехГрупп»
ИНН: 7415093830
КПП: 772401001
ОГРН: 1167456069021
Банк: ПАО Сбербанк
Р/с: 40702810838000475273
К/с: 30101810400000000225
БИК: 044525225
У подшипника NATR45XLL/3AS пока нет отзывов. Вы можете стать первым покупателем, поделившимся своим мнением.