Поиск подшипника
Статьи
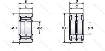
NATR50LL/3AS — Опорный ролик, модификация основного исполнения NATR50, производство NTN.
Размер ролика: 50x90x30 мм.
Опорный ролик, yoke-тип, профилированный наружный диаметр, с внутренним кольцом, с шайбами, смазка. shell oil co. смазка alvania #3, стандартная заливка, контактное. синтетические. резиновое уплотнение с двух сторон.
Альтернативное обозначение: NATR50-PP-A.
Аналоги: NATR50-PP-A INA,NATR50PPA SKF,NATR50PP SKF,MCYRR50S McGill,NATR50PP NBS.
Международная стандартизации ISO
NATR50LL3AS
В наличии
| Обозначение | Конструктивные изменения |
|---|---|
| NATR50PPXA | Опорный ролик. |
| NATR50PPX | Скользящие уплотнительные кольца из полиамида с обеих сторон, улучшенный корончатый профиль рабочей поверхности наружного кольца. |
| NATR50-PP-A | Измененная или модифицированная внутренняя конструкция при неизменных основных размерах. Уплотнения на каждой стороне подшипника. |
| NATR50X | Цилиндрическая рабочая поверхность. |
| NATR50LL | Контактное. синтетические. резиновое уплотнение с двух сторон. |
| NATR50 | Опорный ролик. Основное конструктивное исполнение. |
| NATR50-PP | Уплотнения на каждой стороне подшипника. |
| NATR50XPPA | Переделка во внутренней конструкции. Идентичен старой нотации. Цилиндрическая рабочая поверхность. Манжетные уплотнения с обеих сторон (тип P - две шайбы из оцинкованной листовой стали с промежуточной частью NBR. Кромка уплотнения предварительно нагружена в осевом направлении). Диапазон температур -30℃/+100℃. |
Модификации опорного ролика NATR50LL/3AS — это измененное основное конструктивное исполнение NATR50, основные размеры (50x90x30) не отличаются.
| Обозначение | Гост | Конструктивные особенности |
|---|---|---|
| NUTR50DZ | ISO | Опорные ролики игольчатого типа. Цилиндрический наружный диаметр. Литой сепаратор оконного типа из полиамида. усиленного стекловолокном. |
| PWTR50-2RS | ISO | Резиновые уплотнения с каждой стороны подшипника. |
| NUTD50A | ISO | Двухрядный радиально-упорный шарикоподшипник без отверстия для смазки. |
| FG5090EE | ISO | Уплотнения с двух сторон подшипника. |
| NART50VUUR | ISO | Подшипник без сепаратора. С полным комплектом тел качения. Коронка на наружном кольце. Резиновые уплотнения с каждой стороны подшипника. |
| NATV50PPX | ISO | Скользящие уплотнительные кольца из полиамида с обеих сторон, улучшенный корончатый профиль рабочей поверхности наружного кольца. |
| PWTR50-2RS-RR-XL | ISO | Rubber Seals At Each Side Of The Bearing. Temperature Range -30℃/+120℃. Серия X-Life премиум-класс. увеличиный срок службы. Защищен от коррозии специальным покрытием Corrotect®.. |
| NATV50X | ISO | Цилиндрическая рабочая поверхность. |
| NATV50LL/3AS | ISO | Контактное. синтетические. резиновое уплотнение с двух сторон. Смазка. Shell Oil Co. Смазка Alvania #3, стандартная заливка.. |
| MCYRD50X | ISO | Цилиндрическая рабочая поверхность. |
| MCYR50S | ISO | Запечатанная версия кулачкового ролика. |
| MCYRR50S | ISO | Запечатанная версия кулачкового ролика. |
| NATV50-X-PP-A | ISO | Переделка во внутренней конструкции. Идентичен старой нотации. Цилиндрическая рабочая поверхность. Манжетные уплотнения с обеих сторон (тип P - две шайбы из оцинкованной листовой стали с промежуточной частью NBR. Кромка уплотнения предварительно нагружена в осевом направлении). Диапазон температур -30℃/+100℃. |
| MCYR50SX | ISO | Радиально-упорный сферический подшипник скольжения. требующий обслуживания по ISO 12 2402. Монтажные размеры как для конических роликоподшипников по DIN 720. 320X. Стальная скользящая контактная поверхность. |
| NART50UUR | ISO | Коронка на наружном кольце. Резиновые уплотнения с каждой стороны подшипника. |
| NATV50LL | ISO | Контактное. синтетические. резиновое уплотнение с двух сторон. |
| NATV50PPXA | ISO | Цилиндрическая рабочая поверхность. Манжетные уплотнения с обеих сторон (тип P - две шайбы из оцинкованной листовой стали с промежуточной частью NBR. Кромка уплотнения предварительно нагружена в осевом направлении). Диапазон температур -30℃/+100℃. |
| PWTR50-2RS-XL | ISO | Rubber Seals At Each Side Of The Bearing. Temperature Range -30℃/+120℃. Серия X-Life премиум-класс. увеличиный срок службы. |
| MCYRR50SX | ISO | Радиально-упорный сферический подшипник скольжения. требующий обслуживания по ISO 12 2402. Монтажные размеры как для конических роликоподшипников по DIN 720. 320X. Стальная скользящая контактная поверхность. |
| NATV50XLL/3AS | ISO | Цилиндрическая рабочая поверхность. Контактное уплотнения из синтетической черной резины с обеих сторон. Смазка. Shell Oil Co. Смазка Alvania #3, стандартная заливка.. |
Аналог опорного ролика NATR50LL/3AS — это ролик такого же размера dx50,Dx90,Bx30, типа и конструкции.
| Обозначение | Конструктивные особенности | Внутренний (d) | Наружный (D) | Ширина (B) |
|---|---|---|---|---|
| 63210-2RS | Шариковый радиальный однорядный подшипник. Резиновые уплотнения с каждой стороны подшипника. | 50.00 | 90.00 | 30.20 |
| W6210-2RS | Шариковый радиальный однорядный подшипник. Резиновые уплотнения с каждой стороны подшипника. | 50.00 | 90.00 | 30.20 |
| W6210-ZZ | Шариковый радиальный однорядный подшипник. Защитные металлические шайбы с обеих сторон. | 50.00 | 90.00 | 30.20 |
| SA210F | Шариковый радиальный однорядный подшипник. Сепаратор из обработанной стали или специального чугуна. | 50.00 | 90.00 | 30.20 |
| 6-3056210 Е | Шариковый радиально-упорный двухрядный подшипник. Сепаратор из текстолита.. | 50.00 | 90.00 | 30.00 |
| 67810ЛK | Роликовый радиальный-упорный однорядный подшипник. Коническое отверстие. Конусность 1/12. Сепаратор из латуни.. | 50.00 | 90.00 | 29.00 |
| 697810ЛK | Роликовый радиальный-упорный двухрядный подшипник. Коническое отверстие. Конусность 1/12. Сепаратор из латуни.. | 50.00 | 90.00 | 29.00 |
| 63210LLB | Шариковый радиальный однорядный подшипник. Уплотнение бесконтактного типа из синтетического каучука. | 50.00 | 90.00 | 30.16 |
| 63210LLU | Шариковый радиальный однорядный подшипник. Контактное резиновое уплотнение с двух сторон. | 50.00 | 90.00 | 30.16 |
| RA115RR2 | Шариковый радиальный однорядный подшипник. Резиновое уплотнение с двух сторон. | 50.80 | 90.00 | 30.18 |
| RA115RR | Шариковый радиальный однорядный подшипник. С выпуклыми асимметричными роликами. Обработанный сепаратор штыревого типа из медного сплава. С центральным ребром. С ребрами с двух сторон (для предотвращения падения роликов). | 49.21 | 90.00 | 30.18 |
| RA115RRB | Шариковый радиальный однорядный подшипник. Два резиновых уплотнения Land Riding со сферическим наружным диаметром (B). | 49.21 | 90.00 | 30.18 |
| RAE50RRB | Шариковый радиальный однорядный подшипник. Два резиновых уплотнения Land Riding со сферическим наружным диаметром (B). | 50.00 | 90.00 | 30.18 |
| RAE50RR | Шариковый радиальный однорядный подшипник. С выпуклыми асимметричными роликами. Обработанный сепаратор штыревого типа из медного сплава. С центральным ребром. С ребрами с двух сторон (для предотвращения падения роликов). | 50.00 | 90.00 | 30.18 |
| GRA115RRB | Шариковый радиальный однорядный подшипник. Два резиновых уплотнения Land Riding со сферическим наружным диаметром (B). | 49.21 | 90.00 | 30.18 |
Способы доставки
Отправка через ведущие транспортные и курьерские компании: ПЭК, Деловые Линии, СДЭК, Байкал-Сервис, Энергия, КИТ, ЖелДорЭкспедиция.
Самовывоз возможен напрямую со склада в Москве.
Сроки доставки
Срок зависит от региона и выбранной транспортной компании. Все заказы комплектуются и отправляются в кратчайшие сроки со склада в Москве.
Надёжность и сохранность
Вся продукция упаковывается с учётом требований транспортировки. Мы гарантируем, что подшипники и комплектующие прибудут к заказчику в полной сохранности.
Доставка в страны ЕАЭС
Мы работаем с проверенными логистическими партнёрами, что позволяет оперативно доставлять заказы в Беларусь, Казахстан, Армению и другие страны ЕАЭС.
Варианты оплаты:
Минимальная сумма заказа и скидки:
Документы и гарантии:
Да, конечно! Наши технические специалисты готовы помочь вам с подбором точного аналога или замены подшипника. Просто позвоните нам по телефону +7 (495) 104-99-04 или напишите на почту zakaz@podsnab.ru.
Для оперативной консультации подготовьте, пожалуйста, имеющиеся данные: маркировку, размеры, тип оборудования или артикул старого подшипника.
Да, конечно! Мы высоко ценим долгосрочное сотрудничество и доверие клиентов по всей России. Для постоянных клиентов действует персональная система скидок.
Условия формируются индивидуально и зависят от:
Чтобы узнать свои условия и получить максимально выгодное предложение, свяжитесь с персональным менеджером или напишите нам на почту zakaz@podsnab.ru.
Вы можете оформить заказ несколькими способами:
Для оформления заказа от юридического лица свяжитесь с нашим отделом по работе с корпоративными клиентами по телефону +7 (495) 104-99-04 или напишите на email zakaz@podsnab.ru, прикрепив реквизиты вашей организации.
Мы оперативно подготовим коммерческое предложение и выставим счет.
Возврат товара надлежащего качества возможен в течение 10 дней с момента получения, если товар не был в употреблении, сохранен товарный вид, упаковка не вскрывалась и присутствуют все сопроводительные документы.
Возврат денежных средств осуществляется в течение 10 рабочих дней после проверки товара складом.
В соответствии с законодательством возврату не подлежат подшипники надлежащего качества, если отсутствует оригинальная упаковка или имеются следы монтажа.
В случае выявления брака или гарантийного случая мы гарантируем возврат или обмен товара.
Да, гарантийный срок хранения устанавливается заводом-изготовителем и в среднем составляет 2 года при соблюдении условий хранения: сухое помещение, оригинальная упаковка и смазка.
Точный срок для конкретного типа подшипника уточняйте у наших менеджеров.
Пн–Пт: с 8:00 до 17:00 (МСК).
Сб–Вс: выходные дни.
Заказы на сайте принимаются круглосуточно. Заявки, поступившие после окончания рабочего дня, обрабатываются на следующий рабочий день.
Минимальная сумма заказа для доставки составляет 3000 рублей. Самовывоз со склада возможен на любую сумму при наличии товара.
ООО «УралТехГрупп»
ИНН: 7415093830
КПП: 772401001
ОГРН: 1167456069021
Банк: ПАО Сбербанк
Р/с: 40702810838000475273
К/с: 30101810400000000225
БИК: 044525225
У подшипника NATR50LL/3AS пока нет отзывов. Вы можете стать первым покупателем, поделившимся своим мнением.