Поиск подшипника
Статьи
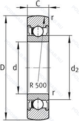
LR6003-NPP-U — Опорный ролик, модификация основного исполнения LR6003, производство INA.
Размер ролика: 17x40x10 мм.
Шарикоподшипник. с уплотнением и низким коэффициентом трения с обеих сторон. уплотнение состоит из шайбы из листовой стали с вулканизированной резиной, crowned outside surface (no 'x' in base number).
Аналоги: LR6003NPPU INA.
Международная стандартизации ISO
LR6003NPPU
В наличии
| Обозначение | Конструктивные изменения |
|---|---|
| LR6003-2RSR | Rubber Seals At Each Side Of The Bearing. Temperature Range -30℃/+120℃. |
| LR6003-2RSR-HLW | Резиновые уплотнения с каждой стороны подшипника. Код местонахождения завода. может использоваться в стандартной комплектации. |
| LR6003-2RSR-HLC | Rubber Seals At Each Side Of The Bearing. Temperature Range -30℃/+120℃. Код местонахождения завода. может использоваться в стандартной комплектации. |
Модификации опорного ролика LR6003-NPP-U — это измененное основное конструктивное исполнение LR6003, основные размеры (17x40x10) не отличаются.
| Обозначение | Конструктивные особенности | Внутренний (d) | Наружный (D) | Ширина (B) |
|---|---|---|---|---|
| E18Y | Разборной (магнетный) радиально-упорный однорядный шариковый подшипник. Сепаратор из прессованной латуни. Центрирование шарика. | 18.00 | 40.00 | 9.00 |
| L17TNG | Разборной (магнетный) радиально-упорный однорядный шариковый подшипник. Прочный сепаратор из полиамида. армированного стекловолокном. | 17.00 | 40.00 | 10.00 |
| L17TVP | Разборной (магнетный) радиально-упорный однорядный шариковый подшипник. Molded Snap-Type Cage Of Glass Fibre Reinforced Polyamide. Rolling Element Riding. | 17.00 | 40.00 | 10.00 |
| L17Y | Разборной (магнетный) радиально-упорный однорядный шариковый подшипник. Сепаратор из прессованной латуни. Центрирование шарика. | 17.00 | 40.00 | 10.00 |
| L17 | Разборной (магнетный) радиально-упорный однорядный шариковый подшипник. Механически обработанный сепаратор из легкого сплава. | 17.00 | 40.00 | 10.00 |
| TM-SC03A53C3 | Подшипник однорядный шариковый радиальный. Механически обработанный сепаратор. Внутренний зазор больше нормального. Уплотнение из полиакрила. | 17.00 | 40.00 | 10.00 |
| 17BC04S9 | Подшипник однорядный шариковый радиальный. | 17.00 | 40.00 | 9.50 |
| BT18-2 | Шариковый радиально-упорный подшипник однонаправленный. ISO Tolerance Class ABEC.9. | 18.00 | 39.00 | 10.80 |
| 17BC04S9C3 | Подшипник однорядный шариковый радиальный. Внутренний зазор больше нормального. | 17.00 | 40.00 | 9.50 |
| 7203 | Роликовый радиальный-упорный однорядный подшипник. | 17.00 | 40.00 | 11.00 |
| ASA2540-3 | Шариковый радиально-упорный однорядный подшипник. Размерные и геометрические допуски соответствуют классу точности P6. | 17.77 | 40.00 | 11.00 |
| VBT17Z-3 | Шариковый радиально-упорный однорядный подшипник. щит из листовой прессованной стали с одной стороны подшипника. Размерные и геометрические допуски соответствуют классу точности P6. | 17.77 | 40.00 | 11.00 |
| VBT17Z-4 | Шариковый радиально-упорный однорядный подшипник. щит из листовой прессованной стали с одной стороны подшипника. Подшипник с чрезвычайно высокой точностью вращения (Abec9) и допуском формы (Abec7). | 17.77 | 40.00 | 11.00 |
| 6-7203 А | Роликовый радиальный-упорный однорядный подшипник. Повышенная грузоподъемность. | 17.00 | 40.00 | 11.00 |
| 7-203-А | Роликовый радиальный-упорный однорядный подшипник. Повышенная грузоподъемность. | 17.00 | 40.00 | 11.00 |
Способы доставки
Отправка через ведущие транспортные и курьерские компании: ПЭК, Деловые Линии, СДЭК, Байкал-Сервис, Энергия, КИТ, ЖелДорЭкспедиция.
Самовывоз возможен напрямую со склада в Москве.
Сроки доставки
Срок зависит от региона и выбранной транспортной компании. Все заказы комплектуются и отправляются в кратчайшие сроки со склада в Москве.
Надёжность и сохранность
Вся продукция упаковывается с учётом требований транспортировки. Мы гарантируем, что подшипники и комплектующие прибудут к заказчику в полной сохранности.
Доставка в страны ЕАЭС
Мы работаем с проверенными логистическими партнёрами, что позволяет оперативно доставлять заказы в Беларусь, Казахстан, Армению и другие страны ЕАЭС.
Варианты оплаты:
Минимальная сумма заказа и скидки:
Документы и гарантии:
Да, конечно! Наши технические специалисты готовы помочь вам с подбором точного аналога или замены подшипника. Просто позвоните нам по телефону +7 (495) 104-99-04 или напишите на почту zakaz@podsnab.ru.
Для оперативной консультации подготовьте, пожалуйста, имеющиеся данные: маркировку, размеры, тип оборудования или артикул старого подшипника.
Да, конечно! Мы высоко ценим долгосрочное сотрудничество и доверие клиентов по всей России. Для постоянных клиентов действует персональная система скидок.
Условия формируются индивидуально и зависят от:
Чтобы узнать свои условия и получить максимально выгодное предложение, свяжитесь с персональным менеджером или напишите нам на почту zakaz@podsnab.ru.
Вы можете оформить заказ несколькими способами:
Для оформления заказа от юридического лица свяжитесь с нашим отделом по работе с корпоративными клиентами по телефону +7 (495) 104-99-04 или напишите на email zakaz@podsnab.ru, прикрепив реквизиты вашей организации.
Мы оперативно подготовим коммерческое предложение и выставим счет.
Возврат товара надлежащего качества возможен в течение 10 дней с момента получения, если товар не был в употреблении, сохранен товарный вид, упаковка не вскрывалась и присутствуют все сопроводительные документы.
Возврат денежных средств осуществляется в течение 10 рабочих дней после проверки товара складом.
В соответствии с законодательством возврату не подлежат подшипники надлежащего качества, если отсутствует оригинальная упаковка или имеются следы монтажа.
В случае выявления брака или гарантийного случая мы гарантируем возврат или обмен товара.
Да, гарантийный срок хранения устанавливается заводом-изготовителем и в среднем составляет 2 года при соблюдении условий хранения: сухое помещение, оригинальная упаковка и смазка.
Точный срок для конкретного типа подшипника уточняйте у наших менеджеров.
Пн–Пт: с 8:00 до 17:00 (МСК).
Сб–Вс: выходные дни.
Заказы на сайте принимаются круглосуточно. Заявки, поступившие после окончания рабочего дня, обрабатываются на следующий рабочий день.
Минимальная сумма заказа для доставки составляет 3000 рублей. Самовывоз со склада возможен на любую сумму при наличии товара.
ООО «УралТехГрупп»
ИНН: 7415093830
КПП: 772401001
ОГРН: 1167456069021
Банк: ПАО Сбербанк
Р/с: 40702810838000475273
К/с: 30101810400000000225
БИК: 044525225
У подшипника LR6003-NPP-U пока нет отзывов. Вы можете стать первым покупателем, поделившимся своим мнением.