Поиск подшипника
Статьи
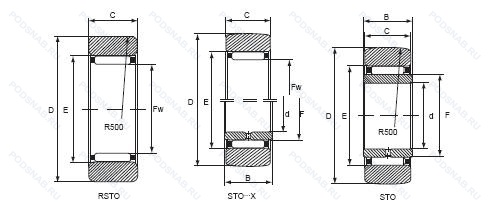
RSTO50-X — Опорный ролик, модификация основного исполнения RSTO50, производство INA.
Размер ролика: 60x90x19 мм.
Опорный ролик, yoke-тип, профилированный наружный диаметр, без внутреннего кольца, с уплотнением, цилиндрическая рабочая поверхность.
Альтернативное обозначение: RNAST50.
Аналоги: RNAST50 IKO.
Международная стандартизации ISO
RSTO50X
В наличии
| Обозначение | Конструктивные изменения |
|---|---|
| RSTO50 | Опорный ролик. Основное конструктивное исполнение. |
Модификации опорного ролика RSTO50-X — это измененное основное конструктивное исполнение RSTO50, основные размеры (60x90x19) не отличаются.
| Обозначение | Гост | Конструктивные особенности |
|---|---|---|
| RNAST50 | ISO | Опорный ролик. |
Аналог опорного ролика RSTO50-X — это ролик такого же размера dx60,Dx90,Bx19, типа и конструкции.
| Обозначение | Конструктивные особенности | Внутренний (d) | Наружный (D) | Ширина (B) |
|---|---|---|---|---|
| M1210EX | Однорядный цилиндрический роликовый подшипник. Optimized Inner Construction - Extreme Quality F. Extreme Requirements. | 60.45 | 90.00 | 20.00 |
| RNU210ET | Однорядный цилиндрический роликовый подшипник. Сквозная закалка и шлифовка стали с переломом в одной точке. | 60.40 | 90.00 | 20.00 |
| RNU210-E-M1A | Однорядный цилиндрический роликовый подшипник. Повышенная грузоподъемность. Массивный латунный сепаратор. двухтельный. центрированный по бортам. | 60.40 | 90.00 | 20.00 |
| RNU210E.TVP2 | Однорядный цилиндрический роликовый подшипник. Повышенная грузоподъемность. Cепаратор изготовленный из полиамида PA66. армированного стекловолокном. | 60.40 | 90.00 | 20.00 |
| RNU210E | Однорядный цилиндрический роликовый подшипник. Повышенная грузоподъемность. | 60.40 | 90.00 | 20.00 |
| RNU210NA | Однорядный цилиндрический роликовый подшипник. Радиальный зазор для подшипников с невзаимозаменяемыми кольцами (Обозначает всегда после символа радиального зазора. например. NU215P63 NA). | 60.40 | 90.00 | 20.00 |
| NA1060R6 | Роликовый игольчатый подшипник. Выпуклая внутренняя кольцевая дорожка. | 60.00 | 90.00 | 20.00 |
| NA1060C | Роликовый игольчатый подшипник. 15° Угол контакта. | 60.00 | 90.00 | 20.00 |
| NA1060S R6 | Роликовый игольчатый подшипник. Запечатанная версия кулачкового ролика. Выпуклая внутренняя кольцевая дорожка. | 60.00 | 90.00 | 20.00 |
| RNU210-E-XL-M1A | Однорядный цилиндрический роликовый подшипник. Повышенная грузоподъемность. Серия X-Life премиум-класс. увеличиный срок службы. Массивный латунный сепаратор. двухтельный. центрированный по бортам. | 60.40 | 90.00 | 20.00 |
| RNU210-E-XL-TVP2 | Однорядный цилиндрический роликовый подшипник. Повышенная грузоподъемность. Серия X-Life премиум-класс. увеличиный срок службы. Cепаратор изготовленный из полиамида PA66. армированного стекловолокном. | 60.40 | 90.00 | 20.00 |
| 6-292210 Б2Т2 | Роликовый радиальный однорядный подшипник. 200°. Температура отпуска. Сепаратор из безоловянистой бронзы.. | 60.40 | 90.00 | 20.00 |
| RUS210E | Роликовый радиальный однорядный подшипник. Повышенная грузоподъемность. | 59.50 | 90.00 | 20.00 |
| 292210А | Роликовый радиальный однорядный подшипник. Повышенная грузоподъемность. | 59.50 | 90.00 | 20.00 |
| 292210Н | Роликовый радиальный однорядный подшипник. Детали из теплостойкой стали. | 60.40 | 90.00 | 20.00 |
Способы доставки
Отправка через ведущие транспортные и курьерские компании: ПЭК, Деловые Линии, СДЭК, Байкал-Сервис, Энергия, КИТ, ЖелДорЭкспедиция.
Самовывоз возможен напрямую со склада в Москве.
Сроки доставки
Срок зависит от региона и выбранной транспортной компании. Все заказы комплектуются и отправляются в кратчайшие сроки со склада в Москве.
Надёжность и сохранность
Вся продукция упаковывается с учётом требований транспортировки. Мы гарантируем, что подшипники и комплектующие прибудут к заказчику в полной сохранности.
Доставка в страны ЕАЭС
Мы работаем с проверенными логистическими партнёрами, что позволяет оперативно доставлять заказы в Беларусь, Казахстан, Армению и другие страны ЕАЭС.
Варианты оплаты:
Минимальная сумма заказа и скидки:
Документы и гарантии:
Да, конечно! Наши технические специалисты готовы помочь вам с подбором точного аналога или замены подшипника. Просто позвоните нам по телефону +7 (495) 104-99-04 или напишите на почту zakaz@podsnab.ru.
Для оперативной консультации подготовьте, пожалуйста, имеющиеся данные: маркировку, размеры, тип оборудования или артикул старого подшипника.
Да, конечно! Мы высоко ценим долгосрочное сотрудничество и доверие клиентов по всей России. Для постоянных клиентов действует персональная система скидок.
Условия формируются индивидуально и зависят от:
Чтобы узнать свои условия и получить максимально выгодное предложение, свяжитесь с персональным менеджером или напишите нам на почту zakaz@podsnab.ru.
Вы можете оформить заказ несколькими способами:
Для оформления заказа от юридического лица свяжитесь с нашим отделом по работе с корпоративными клиентами по телефону +7 (495) 104-99-04 или напишите на email zakaz@podsnab.ru, прикрепив реквизиты вашей организации.
Мы оперативно подготовим коммерческое предложение и выставим счет.
Возврат товара надлежащего качества возможен в течение 10 дней с момента получения, если товар не был в употреблении, сохранен товарный вид, упаковка не вскрывалась и присутствуют все сопроводительные документы.
Возврат денежных средств осуществляется в течение 10 рабочих дней после проверки товара складом.
В соответствии с законодательством возврату не подлежат подшипники надлежащего качества, если отсутствует оригинальная упаковка или имеются следы монтажа.
В случае выявления брака или гарантийного случая мы гарантируем возврат или обмен товара.
Да, гарантийный срок хранения устанавливается заводом-изготовителем и в среднем составляет 2 года при соблюдении условий хранения: сухое помещение, оригинальная упаковка и смазка.
Точный срок для конкретного типа подшипника уточняйте у наших менеджеров.
Пн–Пт: с 8:00 до 17:00 (МСК).
Сб–Вс: выходные дни.
Заказы на сайте принимаются круглосуточно. Заявки, поступившие после окончания рабочего дня, обрабатываются на следующий рабочий день.
Минимальная сумма заказа для доставки составляет 3000 рублей. Самовывоз со склада возможен на любую сумму при наличии товара.
ООО «УралТехГрупп»
ИНН: 7415093830
КПП: 772401001
ОГРН: 1167456069021
Банк: ПАО Сбербанк
Р/с: 40702810838000475273
К/с: 30101810400000000225
БИК: 044525225
У подшипника RSTO50-X пока нет отзывов. Вы можете стать первым покупателем, поделившимся своим мнением.