Поиск подшипника
Статьи
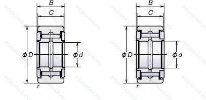
NATR25LL/3AS — Опорный ролик, модификация основного исполнения NATR25, производство NTN.
Размер ролика: 25x52x24 мм.
Опорный ролик, yoke-тип, профилированный наружный диаметр, с внутренним кольцом, с шайбами, смазка. shell oil co. смазка alvania #3, стандартная заливка, контактное. синтетические. резиновое уплотнение с двух сторон.
Аналоги: NATR25PPA INA,NATR25-PP-A INA,MCYRR25S McGill,NATR25PPA SKF,NATR25PP NBS,NATR25PP Neutral.
Международная стандартизации ISO
NATR25LL3AS
В наличии
| Обозначение | Конструктивные изменения |
|---|---|
| NATR25PPXA | Измененная или модифицированная внутренняя конструкция при неизменных основных размерах. |
| NATR25PPA | Измененная или модифицированная внутренняя конструкция при неизменных основных размерах. Скользящие уплотнительные кольца из полиамида с обеих сторон, улучшенный корончатый профиль рабочей поверхности наружного кольца. |
| NATR25 | Измененная или модифицированная внутренняя конструкция при неизменных основных размерах. Основное конструктивное исполнение. |
| NATR25PP | Уплотнения на каждой стороне подшипника. |
| NATR25PPX | Скользящие уплотнительные кольца из полиамида с обеих сторон, улучшенный корончатый профиль рабочей поверхности наружного кольца. |
| NATR25X | Измененные размеры границ. введенные пересмотренными стандартами ISO. |
| NATR25X P5 | Размерная и рабочая точность соответствует классу допуска ISO 5. Цилиндрическая рабочая поверхность. |
| NATR25-X-PP-A | Переделка во внутренней конструкции. Идентичен старой нотации. Цилиндрическая рабочая поверхность. Манжетные уплотнения с обеих сторон (тип P - две шайбы из оцинкованной листовой стали с промежуточной частью NBR. Кромка уплотнения предварительно нагружена в осевом направлении). Диапазон температур -30℃/+100℃. |
| NATR25X LL | Цилиндрическая рабочая поверхность. Контактное уплотнения из синтетической черной резины с обеих сторон. |
| NATR25LL | Контактное. синтетические. резиновое уплотнение с двух сторон. |
| NATR25XLL/3AS | Цилиндрическая рабочая поверхность. Контактное уплотнения из синтетической черной резины с обеих сторон. Смазка. Shell Oil Co. Смазка Alvania #3, стандартная заливка.. |
Модификации опорного ролика NATR25LL/3AS — это измененное основное конструктивное исполнение NATR25, основные размеры (25x52x24) не отличаются.
| Обозначение | Гост | Конструктивные особенности |
|---|---|---|
| MCYRR25S | ISO | Запечатанная версия кулачкового ролика. |
| NURT25R | ISO | Коронка на наружном кольце. |
| MCYRR25X | ISO | Цилиндрическая рабочая поверхность. |
| MCYR25X | ISO | Цилиндрическая рабочая поверхность. |
| NUTR205/3AS | ISO | Смазка. Shell Oil Co. Смазка Alvania #3, стандартная заливка.. |
| FG2552EE | ISO | Уплотнения с двух сторон подшипника. |
| NATV25LL | ISO | Контактное. синтетические. резиновое уплотнение с двух сторон. |
| NUTR25-X-A | ISO | Переделка во внутренней конструкции. Идентичен старой нотации. Цилиндрическая рабочая поверхность. |
| NUTR25DZP4R8 | ISO | Опорный ролик. Цилиндрический наружный диаметр. |
| NUTR205X | ISO | Цилиндрическая рабочая поверхность. |
| NATV25X LL | ISO | Цилиндрическая рабочая поверхность. Контактное уплотнения из синтетической черной резины с обеих сторон. |
| MCYR25SX | ISO | Радиально-упорный сферический подшипник скольжения. требующий обслуживания по ISO 12 2402. Монтажные размеры как для конических роликоподшипников по DIN 720. 320X. Стальная скользящая контактная поверхность. |
| NATV25-X-PP-A | ISO | Переделка во внутренней конструкции. Идентичен старой нотации. Цилиндрическая рабочая поверхность. Манжетные уплотнения с обеих сторон (тип P - две шайбы из оцинкованной листовой стали с промежуточной частью NBR. Кромка уплотнения предварительно нагружена в осевом направлении). Диапазон температур -30℃/+100℃. |
| NUTR25PPA | ISO | Скользящие уплотнительные кольца из полиамида с обеих сторон, улучшенный корончатый профиль рабочей поверхности наружного кольца. |
| NUTR25PP | ISO | Манжетные уплотнения с обеих сторон (тип P - две шайбы из оцинкованной листовой стали с промежуточной частью NBR. Кромка уплотнения предварительно нагружена в осевом направлении). Диапазон температур -30℃/+100℃. |
| PWTR25-2RS-XL | ISO | Rubber Seals At Each Side Of The Bearing. Temperature Range -30℃/+120℃. Серия X-Life премиум-класс. увеличиный срок службы. |
| NAFG25-52 | ISO | 3.1/4. |
| NAFG25-52EE | ISO | Уплотнения с двух сторон подшипника. |
| NUTR25RQ | ISO | Коронка на наружном кольце. |
| NATV25XLL/3AS | ISO | Цилиндрическая рабочая поверхность. Контактное уплотнения из синтетической черной резины с обеих сторон. Смазка. Shell Oil Co. Смазка Alvania #3, стандартная заливка.. |
| NATV25LL/3AS | ISO | Контактное. синтетические. резиновое уплотнение с двух сторон. Смазка. Shell Oil Co. Смазка Alvania #3, стандартная заливка.. |
Аналог опорного ролика NATR25LL/3AS — это ролик такого же размера dx25,Dx52,Bx24, типа и конструкции.
| Обозначение | Конструктивные особенности | Внутренний (d) | Наружный (D) | Ширина (B) |
|---|---|---|---|---|
| WS22205-E1-2RSR-C3 | Подшипник роликовый сферический. Внутренний зазор больше нормального. Конструкция с увеличенной грузоподьемностью. Резиновые уплотнения с каждой стороны подшипника. | 25.00 | 52.00 | 23.00 |
| LK205.2F | Подшипник для корпуса. Двойное уплотнение. Защитная крышка, размещенная на внутреннем кольце. Используется с подшипниками типа Y. | 25.00 | 52.00 | 23.00 |
| LS205.2F | Подшипник для корпуса. Двойное уплотнение. Защитная крышка, размещенная на внутреннем кольце. Используется с подшипниками типа Y. | 25.00 | 52.00 | 24.00 |
| LS205FS MNK | Подшипник для корпуса. Sealing With One Lip Seal And A Protective Metal Ring At One Side And One Lip Seal On The Another Side. | 25.00 | 52.00 | 24.00 |
| 22205-2RS | Роликовый радиальный сферический двухрядный подшипник. Резиновые уплотнения с каждой стороны подшипника. | 25.00 | 52.00 | 23.00 |
| BS2-2205-2CS/VT143 | Роликовый радиальный сферический двухрядный подшипник. Заполнение пластичной смазкой SKF LGEP 2 на 25–35 %. Sheet Steel Reinforced Contact Seal Of Acrylonitrile-Butadiene Rubber (NBR) On Both Sides Of The Bearing. Annular Groove And Three Lubrication Holes In The Outer Ring Covered With A Polymer Band. Lubricated With An Extreme Pressure Bearing Grease According To Temperature Range -20℃/+110℃. Grease Fill 25% To 35%. Высокая осевая жесткость и грузоподъемность.. | 25.00 | 52.00 | 23.00 |
| КПБ-25 ЛС17 | Роликовый игольчатый подшипник однорядный. Смазка Литол-24. Сепаратор из латуни.. | 25.00 | 52.00 | 25.00 |
| 256805-ЕС23 | Шариковый радиально-упорный двухрядный подшипник. Сепаратор из текстолита.. Смазка ШРУС-4. | 25.00 | 52.00 | 23.00 |
| 6-256805 ЕС23Ш1 | Шариковый радиально-упорный двухрядный подшипник. Сепаратор из текстолита.. Нормы шумности. Смазка ШРУС-4. | 25.00 | 52.00 | 23.00 |
| 6-256805 ЕС23Ш | Шариковый радиально-упорный двухрядный подшипник. Сепаратор из текстолита.. Нормы шумности. Смазка ШРУС-4. | 25.00 | 52.00 | 23.00 |
| 6-256805 ЕL19Ш1 | Шариковый радиально-упорный двухрядный подшипник. Lubricant. Mobil Oil Co.. Mobil 28 Grease. MIL-G-81322 High/Low Temperature -62°C/+176°C. Сепаратор из текстолита.. Нормы шумности. | 25.00 | 52.00 | 23.00 |
| 6-256805 Е | Шариковый радиально-упорный двухрядный подшипник. Сепаратор из текстолита.. | 25.00 | 52.00 | 23.00 |
| 83A460CCS45 | Шариковый радиально-упорный двухрядный подшипник. Угол контакта 20 градусов. | 25.00 | 52.00 | 23.60 |
| 256805-Е | Шариковый радиально-упорный двухрядный подшипник. Сепаратор из текстолита.. | 25.00 | 52.00 | 23.00 |
| 6-256805 ЕС23 | Шариковый радиально-упорный двухрядный подшипник. Сепаратор из текстолита.. Смазка ШРУС-4. | 25.00 | 52.00 | 23.00 |
Способы доставки
Отправка через ведущие транспортные и курьерские компании: ПЭК, Деловые Линии, СДЭК, Байкал-Сервис, Энергия, КИТ, ЖелДорЭкспедиция.
Самовывоз возможен напрямую со склада в Москве.
Сроки доставки
Срок зависит от региона и выбранной транспортной компании. Все заказы комплектуются и отправляются в кратчайшие сроки со склада в Москве.
Надёжность и сохранность
Вся продукция упаковывается с учётом требований транспортировки. Мы гарантируем, что подшипники и комплектующие прибудут к заказчику в полной сохранности.
Доставка в страны ЕАЭС
Мы работаем с проверенными логистическими партнёрами, что позволяет оперативно доставлять заказы в Беларусь, Казахстан, Армению и другие страны ЕАЭС.
Варианты оплаты:
Минимальная сумма заказа и скидки:
Документы и гарантии:
Да, конечно! Наши технические специалисты готовы помочь вам с подбором точного аналога или замены подшипника. Просто позвоните нам по телефону +7 (495) 104-99-04 или напишите на почту zakaz@podsnab.ru.
Для оперативной консультации подготовьте, пожалуйста, имеющиеся данные: маркировку, размеры, тип оборудования или артикул старого подшипника.
Да, конечно! Мы высоко ценим долгосрочное сотрудничество и доверие клиентов по всей России. Для постоянных клиентов действует персональная система скидок.
Условия формируются индивидуально и зависят от:
Чтобы узнать свои условия и получить максимально выгодное предложение, свяжитесь с персональным менеджером или напишите нам на почту zakaz@podsnab.ru.
Вы можете оформить заказ несколькими способами:
Для оформления заказа от юридического лица свяжитесь с нашим отделом по работе с корпоративными клиентами по телефону +7 (495) 104-99-04 или напишите на email zakaz@podsnab.ru, прикрепив реквизиты вашей организации.
Мы оперативно подготовим коммерческое предложение и выставим счет.
Возврат товара надлежащего качества возможен в течение 10 дней с момента получения, если товар не был в употреблении, сохранен товарный вид, упаковка не вскрывалась и присутствуют все сопроводительные документы.
Возврат денежных средств осуществляется в течение 10 рабочих дней после проверки товара складом.
В соответствии с законодательством возврату не подлежат подшипники надлежащего качества, если отсутствует оригинальная упаковка или имеются следы монтажа.
В случае выявления брака или гарантийного случая мы гарантируем возврат или обмен товара.
Да, гарантийный срок хранения устанавливается заводом-изготовителем и в среднем составляет 2 года при соблюдении условий хранения: сухое помещение, оригинальная упаковка и смазка.
Точный срок для конкретного типа подшипника уточняйте у наших менеджеров.
Пн–Пт: с 8:00 до 17:00 (МСК).
Сб–Вс: выходные дни.
Заказы на сайте принимаются круглосуточно. Заявки, поступившие после окончания рабочего дня, обрабатываются на следующий рабочий день.
Минимальная сумма заказа для доставки составляет 3000 рублей. Самовывоз со склада возможен на любую сумму при наличии товара.
ООО «УралТехГрупп»
ИНН: 7415093830
КПП: 772401001
ОГРН: 1167456069021
Банк: ПАО Сбербанк
Р/с: 40702810838000475273
К/с: 30101810400000000225
БИК: 044525225
У подшипника NATR25LL/3AS пока нет отзывов. Вы можете стать первым покупателем, поделившимся своим мнением.