Поиск подшипника
Статьи
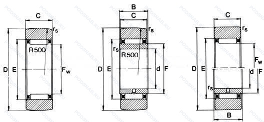
NART20UUR — Опорный ролик, модификация основного исполнения NART20, производство IKO.
Размер ролика: 20x47x24 мм.
Резиновые уплотнения с каждой стороны подшипника, коронка на наружном кольце.
Альтернативное обозначение: NATR20-PP-A.
Аналоги: NATR20-PP-A INA,NATR20PPA SKF,MCYRR20S McGill,NATR20PP SKF,NATR20LL/3AS NTN.
Международная стандартизации ISO
NART20UUR
В наличии
| Обозначение | Конструктивные изменения |
|---|---|
| NART20VUUR | Опорный ролик. |
| NART20R | Коронка на наружном кольце. |
| NART20VR | Коронка на наружном кольце. Подшипник без сепаратора. С полным комплектом тел качения. Когда в суффиксе упоминается только «V». Это означает. что подшипник уплотнен. Поэтому используйте «2Z» в сегменте «Уплотнение».. |
Модификации опорного ролика NART20UUR — это измененное основное конструктивное исполнение NART20, основные размеры (20x47x24) не отличаются.
| Обозначение | Гост | Конструктивные особенности |
|---|---|---|
| NATR20PPA | ISO | Измененная или модифицированная внутренняя конструкция при неизменных основных размерах. Скользящие уплотнительные кольца из полиамида с обеих сторон, улучшенный корончатый профиль рабочей поверхности наружного кольца. |
| MCYRR20S | ISO | Запечатанная версия кулачкового ролика. |
| NATR20PP | ISO | Уплотнения на каждой стороне подшипника. |
| FGL2047EE | ISO | Уплотнения с двух сторон подшипника. |
| NATR20LL | ISO | Контактное. синтетические. резиновое уплотнение с двух сторон. |
| NATV20X | ISO | Цилиндрическая рабочая поверхность. |
| PWTR20-2RS-RR-XL | ISO | Rubber Seals At Each Side Of The Bearing. Temperature Range -30℃/+120℃. Серия X-Life премиум-класс. увеличиный срок службы. Защищен от коррозии специальным покрытием Corrotect®.. |
| MCYRD20X | ISO | Цилиндрическая рабочая поверхность. |
| NURT20R | ISO | Коронка на наружном кольце. |
| NUTR204X | ISO | Цилиндрическая рабочая поверхность. |
| NUTR204X/3AS | ISO | Цилиндрическая рабочая поверхность. Смазка. Shell Oil Co. Смазка Alvania #3, стандартная заливка.. |
| FGL2047EEM | ISO | Металлические уплотнения с двух сторон подшипника. |
| MCYR20X | ISO | Цилиндрическая рабочая поверхность. |
| MCYR20S | ISO | Запечатанная версия кулачкового ролика. |
| NUTR20XA | ISO | (Cone/Inner Race And Cup/Outer Race) Special Feature Bearing (Non-Interchangeable With Bearings Having The Same Basic Part Number). |
| NUTR204/3AS | ISO | Смазка. Shell Oil Co. Смазка Alvania #3, стандартная заливка.. |
| NATV20-X-PP-A | ISO | Переделка во внутренней конструкции. Идентичен старой нотации. Цилиндрическая рабочая поверхность. Манжетные уплотнения с обеих сторон (тип P - две шайбы из оцинкованной листовой стали с промежуточной частью NBR. Кромка уплотнения предварительно нагружена в осевом направлении). Диапазон температур -30℃/+100℃. |
| NATR20X LL | ISO | Цилиндрическая рабочая поверхность. Контактное уплотнения из синтетической черной резины с обеих сторон. |
| NATR20-X-PP-A | ISO | Переделка во внутренней конструкции. Идентичен старой нотации. Цилиндрическая рабочая поверхность. Манжетные уплотнения с обеих сторон (тип P - две шайбы из оцинкованной листовой стали с промежуточной частью NBR. Кромка уплотнения предварительно нагружена в осевом направлении). Диапазон температур -30℃/+100℃. |
| PWTR20-2RS-XL | ISO | Rubber Seals At Each Side Of The Bearing. Temperature Range -30℃/+120℃. Серия X-Life премиум-класс. увеличиный срок службы. |
| NATR20XLL/3AS | ISO | Цилиндрическая рабочая поверхность. Контактное уплотнения из синтетической черной резины с обеих сторон. Смазка. Shell Oil Co. Смазка Alvania #3, стандартная заливка.. |
| NATV20LL/3AS | ISO | Контактное. синтетические. резиновое уплотнение с двух сторон. Смазка. Shell Oil Co. Смазка Alvania #3, стандартная заливка.. |
| NATR20LL/3AS | ISO | Контактное. синтетические. резиновое уплотнение с двух сторон. Смазка. Shell Oil Co. Смазка Alvania #3, стандартная заливка.. |
Аналог опорного ролика NART20UUR — это ролик такого же размера dx20,Dx47,Bx24, типа и конструкции.
| Обозначение | Конструктивные особенности | Внутренний (d) | Наружный (D) | Ширина (B) |
|---|---|---|---|---|
| ASS204-012 | Подшипник для корпуса. 3/4. | 19.05 | 47.00 | 25.00 |
| KR47LLH | Кулачковый ролик толкатель. Манжетное уплотнение с обеих сторон подшипника. | 20.00 | 47.00 | 24.00 |
| GC47EEM | Кулачковый ролик толкатель. Металлические уплотнения с двух сторон подшипника. | 20.00 | 47.00 | 24.00 |
| CF20M20X1,50 | Сферический шарнирный подшипник. Fill Factor %. | 20.00 | 46.00 | 25.00 |
| CF20-M20X2.50 | Сферический шарнирный подшипник. Fill Factor %. | 20.00 | 46.00 | 25.00 |
| KRV47PP SK | Кулачковый ролик толкатель. Кулачковый толкатель штифтового типа. С шестигранной головкой. Манжетные уплотнения с обеих сторон (тип P - две шайбы из оцинкованной листовой стали с промежуточной частью NBR. Кромка уплотнения предварительно нагружена в осевом направлении). Диапазон температур -30℃/+100℃. | 20.00 | 47.00 | 24.00 |
| CF20-1UUA | Кулачковый ролик толкатель. Манжетные уплотнения с обеих сторон (тип P - две шайбы из оцинкованной листовой стали с промежуточной частью NBR). Диапазон температур -30℃/+100℃. | 20.00 | 47.00 | 24.00 |
| SL3303-2S-20 | Подшипник шариковый двухрядный радиально-упорный. Distance Between Beginning Of The Rail And First Hole In MM. Одинарное уплотнение с лабиринтом между листовой частью и резиновой кромкой, обеспечивающей контактное уплотнение. | 20.00 | 47.00 | 24.20 |
| GAY012-NPP-B-AS2/V | Шариковый радиальный подшипник. Конический роликовый подшипник. Угол контакта 20 градусов. Манжетные уплотнения с обеих сторон (Тип P — две шайбы из оцинкованной листовой стали с промежуточной частью из NBR. Кромка уплотнения предварительно нагружена в осевом направлении). Наружное кольцо подшипника с двумя смазочными отверстиями в смещенных плоскостях. | 19.05 | 47.00 | 25.00 |
| 6ШН20 Ю | Шарнирный подшипник. Одно или два кольца из нержавеющей стали.. Неразъемный без отверстий и канавок для смазки. | 20.00 | 46.00 | 25.00 |
| 6ШН20 ЮТ | Шарнирный подшипник. Температура отпуска. 160°. Одно или два кольца из нержавеющей стали.. Неразъемный без отверстий и канавок для смазки. | 20.00 | 46.00 | 25.00 |
| AS204D1 | Шариковый радиальный однорядный подшипник. Не требующий обслуживания тип. | 20.00 | 47.00 | 25.00 |
| GEBK20S | Шарнирный подшипник. Запечатанная версия кулачкового ролика. Коническое отверстие. Повышенной грузоподъемности. | 20.00 | 46.00 | 25.00 |
| 2ШС20 Ю | Шарнирный подшипник. Одно или два кольца из нержавеющей стали.. С отверстиями и канавками для смазки во внутреннем кольце.. | 20.00 | 46.00 | 25.00 |
| 50-762704 К | Роликовый радиальный цилиндрический подшипник. Кольцевая проточка на середине цилиндрической наружной поверхности наружного кольца плюс три отверстия для смазки. | 20.00 | 47.00 | 24.00 |
Способы доставки
Отправка через ведущие транспортные и курьерские компании: ПЭК, Деловые Линии, СДЭК, Байкал-Сервис, Энергия, КИТ, ЖелДорЭкспедиция.
Самовывоз возможен напрямую со склада в Москве.
Сроки доставки
Срок зависит от региона и выбранной транспортной компании. Все заказы комплектуются и отправляются в кратчайшие сроки со склада в Москве.
Надёжность и сохранность
Вся продукция упаковывается с учётом требований транспортировки. Мы гарантируем, что подшипники и комплектующие прибудут к заказчику в полной сохранности.
Доставка в страны ЕАЭС
Мы работаем с проверенными логистическими партнёрами, что позволяет оперативно доставлять заказы в Беларусь, Казахстан, Армению и другие страны ЕАЭС.
Варианты оплаты:
Минимальная сумма заказа и скидки:
Документы и гарантии:
Да, конечно! Наши технические специалисты готовы помочь вам с подбором точного аналога или замены подшипника. Просто позвоните нам по телефону +7 (495) 104-99-04 или напишите на почту zakaz@podsnab.ru.
Для оперативной консультации подготовьте, пожалуйста, имеющиеся данные: маркировку, размеры, тип оборудования или артикул старого подшипника.
Да, конечно! Мы высоко ценим долгосрочное сотрудничество и доверие клиентов по всей России. Для постоянных клиентов действует персональная система скидок.
Условия формируются индивидуально и зависят от:
Чтобы узнать свои условия и получить максимально выгодное предложение, свяжитесь с персональным менеджером или напишите нам на почту zakaz@podsnab.ru.
Вы можете оформить заказ несколькими способами:
Для оформления заказа от юридического лица свяжитесь с нашим отделом по работе с корпоративными клиентами по телефону +7 (495) 104-99-04 или напишите на email zakaz@podsnab.ru, прикрепив реквизиты вашей организации.
Мы оперативно подготовим коммерческое предложение и выставим счет.
Возврат товара надлежащего качества возможен в течение 10 дней с момента получения, если товар не был в употреблении, сохранен товарный вид, упаковка не вскрывалась и присутствуют все сопроводительные документы.
Возврат денежных средств осуществляется в течение 10 рабочих дней после проверки товара складом.
В соответствии с законодательством возврату не подлежат подшипники надлежащего качества, если отсутствует оригинальная упаковка или имеются следы монтажа.
В случае выявления брака или гарантийного случая мы гарантируем возврат или обмен товара.
Да, гарантийный срок хранения устанавливается заводом-изготовителем и в среднем составляет 2 года при соблюдении условий хранения: сухое помещение, оригинальная упаковка и смазка.
Точный срок для конкретного типа подшипника уточняйте у наших менеджеров.
Пн–Пт: с 8:00 до 17:00 (МСК).
Сб–Вс: выходные дни.
Заказы на сайте принимаются круглосуточно. Заявки, поступившие после окончания рабочего дня, обрабатываются на следующий рабочий день.
Минимальная сумма заказа для доставки составляет 3000 рублей. Самовывоз со склада возможен на любую сумму при наличии товара.
ООО «УралТехГрупп»
ИНН: 7415093830
КПП: 772401001
ОГРН: 1167456069021
Банк: ПАО Сбербанк
Р/с: 40702810838000475273
К/с: 30101810400000000225
БИК: 044525225
У подшипника NART20UUR пока нет отзывов. Вы можете стать первым покупателем, поделившимся своим мнением.