Поиск подшипника
Статьи
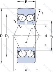
306805-2RSR — Опорный ролик, модификация основного исполнения 306805, производство NKE.
Размер ролика: 25x72x25 мм.
Резиновые уплотнения с каждой стороны подшипника.
Альтернативное обозначение: LR5305-2RSR, LR5305-2RSR-TVH-XL, LR5305DDU.
Международная стандартизации ISO
3068052RSR
В наличии
| Обозначение | Конструктивные изменения |
|---|---|
| 306805C ZZ | 15° Угол контакта. Два металлических защитных щитка. |
| 306805-2Z | Защитные металлические шайбы с обеих сторон. |
| 306805ZZ | Защитные металлические шайбы с обеих сторон. |
Модификации опорного ролика 306805-2RSR — это измененное основное конструктивное исполнение 306805, основные размеры (25x72x25) не отличаются.
| Обозначение | Гост | Конструктивные особенности |
|---|---|---|
| 306705-2RSR | ISO | Резиновые уплотнения с каждой стороны подшипника. |
| LR5305-2HRS-TVH-XL | ISO | Серия X-Life премиум-класс. увеличиный срок службы. Формованный полиамидный сепаратор защелкивающегося типа. Манжетные уплотнения с обеих сторон изготовлены из нитрил-бутадиенового каучука. Эти конструкции смазываются на весь срок службы высококачественной смазкой и подходят для умеренных скоростей. Момент трения и тепловыделение ниже, чем при использовании предыдущего уплотнения RSR.. |
| LR5305-X-2Z-TVH-XL | ISO | Серия X-Life премиум-класс. увеличиный срок службы. Защитные металлические шайбы с обеих сторон. Формованный полиамидный сепаратор защелкивающегося типа. Цилиндрическая рабочая поверхность. |
| LR5305-2Z-TVH-XL | ISO | Серия X-Life премиум-класс. увеличиный срок службы. Защитные металлические шайбы с обеих сторон. Формованный полиамидный сепаратор защелкивающегося типа. |
| LR5305KDDU | ISO | Crowned Outside Surface (No 'X' in Base Number). Защитные металлические шайбы по обе стороны подшипника с цилиндрическим наружным диаметром. |
| LFR5206-20-NPP | ISO | Два манжетных уплотнения. Distance Between Beginning Of The Rail And First Hole In MM. |
| LFR5206-25-2RS-RB | ISO | Rubber Seals At Each Side Of The Bearing. Temperature Range -30℃/+120℃. Устойчивость к коррозии. Distance Between Beginning Of The Rail And First Hole In MM. |
| LFR5206-20-2Z | ISO | Защитные металлические шайбы с обеих сторон. Distance Between Beginning Of The Rail And First Hole In MM. |
| LFR5206-20ZZ | ISO | Защитные металлические шайбы с обеих сторон. |
| LFR5206-20-2RS | ISO | Rubber Seals At Each Side Of The Bearing. Temperature Range -30℃/+120℃. Distance Between Beginning Of The Rail And First Hole In MM. |
| LR5305KDD | ISO | Защитные металлические шайбы по обе стороны подшипника с цилиндрическим наружным диаметром. |
| LR5305-2HRS-TVH | ISO | Формованный полиамидный сепаратор защелкивающегося типа. Манжетные уплотнения с обеих сторон изготовлены из нитрил-бутадиенового каучука. Эти конструкции смазываются на весь срок службы высококачественной смазкой и подходят для умеренных скоростей. Момент трения и тепловыделение ниже, чем при использовании предыдущего уплотнения RSR.. |
| LR5305NPPU | ISO | Шарикоподшипник. С уплотнением и низким коэффициентом трения с обеих сторон. Уплотнение состоит из шайбы из листовой стали с вулканизированной резиной. Crowned Outside Surface (No 'X' in Base Number). |
| LR5305-2RS | ISO | Rubber Seals At Each Side Of The Bearing. Temperature Range -30℃/+120℃. |
| 306705C ZZ | ISO | 15° Угол контакта. Два металлических защитных щитка. |
| LR5305-X-2Z | ISO | Защитные металлические шайбы с обеих сторон. Цилиндрическая рабочая поверхность. |
| LR5305-2RS-FA125.7 | ISO | Rubber Seals At Each Side Of The Bearing. Temperature Range -30℃/+120℃. Небольшая предварительная нагрузка. С покрытием Corrotect®, защищено от коррозии. |
| LR5305-2Z | ISO | Защитные металлические шайбы с обеих сторон. |
| LFR5206-25NPP | ISO | Шарикоподшипник. С уплотнением и низким коэффициентом трения с обеих сторон. Уплотнение состоит из шайбы из листовой стали с вулканизированной резиной. |
| LR5305-IS1-2HRS-TVH-X | ISO | Формованный полиамидный сепаратор защелкивающегося типа. Измененные размеры границ. введенные пересмотренными стандартами ISO. Манжетные уплотнения с обеих сторон изготовлены из нитрил-бутадиенового каучука. Эти конструкции смазываются на весь срок службы высококачественной смазкой и подходят для умеренных скоростей. Момент трения и тепловыделение ниже, чем при использовании предыдущего уплотнения RSR.. Одно смазочное отверстие во внутреннем кольце. |
Аналог опорного ролика 306805-2RSR — это ролик такого же размера dx25,Dx72,Bx25, типа и конструкции.
| Обозначение | Конструктивные особенности | Внутренний (d) | Наружный (D) | Ширина (B) |
|---|---|---|---|---|
| 41100/41286 | однорядный конический роликовый подшипник. | 25.40 | 72.63 | 24.61 |
| HM88630/HM88610 | однорядный конический роликовый подшипник. | 25.40 | 72.23 | 25.40 |
| HM88630-99401 | Однорядный конический роликовый подшипник. | 25.40 | 72.23 | 25.40 |
| HM88630/HM88610A | однорядный конический роликовый подшипник. (Чаша/внешняя поверхность) отличается по наружному диаметру/радиусу/ширине от номера базовой детали. | 25.40 | 72.23 | 25.40 |
| HM88630/HM88611 | Однорядный конический роликовый подшипник. | 25.40 | 72.23 | 25.40 |
| HM88630/HM88611AS | Однорядный конический роликовый подшипник. (Конус/внутренняя гонка и чашка/внешняя гонка) Различные отверстия. Наружный диаметр. Ширина или радиус отличаются от номера базовой детали. | 25.40 | 72.23 | 25.40 |
| BPFL205-16SA | Корпус подшипника. Подшипник серии YET 2 (внутреннее кольцо выдвинуто с одной стороны. Эксцентриковая стопорная втулка). | 25.40 | 71.00 | 25.50 |
| PFT1.FM | Корпус подшипника. Y-образный подшипник серии YET2 (внутреннее кольцо выдвинуто с одной стороны. Эксцентриковая стопорная втулка). Стандартное уплотнение без фланца с каждой стороны. | 25.40 | 71.00 | 25.50 |
| 41100/41286B | однорядный конический роликовый подшипник. Фланец на передней поверхности наружного кольца. | 25.40 | 72.63 | 24.26 |
| HM88630/10 | Роликовый радиальный-упорный однорядный подшипник. Distance Between Beginning Of The Rail And First Hole In MM. | 25.40 | 72.23 | 25.40 |
Способы доставки
Отправка через ведущие транспортные и курьерские компании: ПЭК, Деловые Линии, СДЭК, Байкал-Сервис, Энергия, КИТ, ЖелДорЭкспедиция.
Самовывоз возможен напрямую со склада в Москве.
Сроки доставки
Срок зависит от региона и выбранной транспортной компании. Все заказы комплектуются и отправляются в кратчайшие сроки со склада в Москве.
Надёжность и сохранность
Вся продукция упаковывается с учётом требований транспортировки. Мы гарантируем, что подшипники и комплектующие прибудут к заказчику в полной сохранности.
Доставка в страны ЕАЭС
Мы работаем с проверенными логистическими партнёрами, что позволяет оперативно доставлять заказы в Беларусь, Казахстан, Армению и другие страны ЕАЭС.
Варианты оплаты:
Минимальная сумма заказа и скидки:
Документы и гарантии:
Да, конечно! Наши технические специалисты готовы помочь вам с подбором точного аналога или замены подшипника. Просто позвоните нам по телефону +7 (495) 104-99-04 или напишите на почту zakaz@podsnab.ru.
Для оперативной консультации подготовьте, пожалуйста, имеющиеся данные: маркировку, размеры, тип оборудования или артикул старого подшипника.
Да, конечно! Мы высоко ценим долгосрочное сотрудничество и доверие клиентов по всей России. Для постоянных клиентов действует персональная система скидок.
Условия формируются индивидуально и зависят от:
Чтобы узнать свои условия и получить максимально выгодное предложение, свяжитесь с персональным менеджером или напишите нам на почту zakaz@podsnab.ru.
Вы можете оформить заказ несколькими способами:
Для оформления заказа от юридического лица свяжитесь с нашим отделом по работе с корпоративными клиентами по телефону +7 (495) 104-99-04 или напишите на email zakaz@podsnab.ru, прикрепив реквизиты вашей организации.
Мы оперативно подготовим коммерческое предложение и выставим счет.
Возврат товара надлежащего качества возможен в течение 10 дней с момента получения, если товар не был в употреблении, сохранен товарный вид, упаковка не вскрывалась и присутствуют все сопроводительные документы.
Возврат денежных средств осуществляется в течение 10 рабочих дней после проверки товара складом.
В соответствии с законодательством возврату не подлежат подшипники надлежащего качества, если отсутствует оригинальная упаковка или имеются следы монтажа.
В случае выявления брака или гарантийного случая мы гарантируем возврат или обмен товара.
Да, гарантийный срок хранения устанавливается заводом-изготовителем и в среднем составляет 2 года при соблюдении условий хранения: сухое помещение, оригинальная упаковка и смазка.
Точный срок для конкретного типа подшипника уточняйте у наших менеджеров.
Пн–Пт: с 8:00 до 17:00 (МСК).
Сб–Вс: выходные дни.
Заказы на сайте принимаются круглосуточно. Заявки, поступившие после окончания рабочего дня, обрабатываются на следующий рабочий день.
Минимальная сумма заказа для доставки составляет 3000 рублей. Самовывоз со склада возможен на любую сумму при наличии товара.
ООО «УралТехГрупп»
ИНН: 7415093830
КПП: 772401001
ОГРН: 1167456069021
Банк: ПАО Сбербанк
Р/с: 40702810838000475273
К/с: 30101810400000000225
БИК: 044525225
У подшипника 306805-2RSR пока нет отзывов. Вы можете стать первым покупателем, поделившимся своим мнением.