Поиск подшипника
Статьи
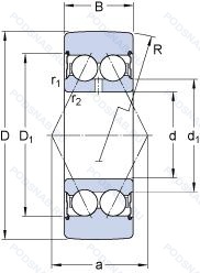
306806-2RSR — Опорный ролик, модификация основного исполнения 306806, производство NKE.
Размер ролика: 30x80x30 мм.
Резиновые уплотнения с каждой стороны подшипника.
Альтернативное обозначение: LR5306-2RSR, LR5306-2RSR-TVH-XL, LR5306DDU.
Международная стандартизации ISO
3068062RSR
В наличии
| Обозначение | Конструктивные изменения |
|---|---|
| 306806C ZZ | 15° Угол контакта. Два металлических защитных щитка. |
| 306806C.2Z | Измененный внутренний дизайн. Защитные металлические шайбы с обеих сторон. |
Модификации опорного ролика 306806-2RSR — это измененное основное конструктивное исполнение 306806, основные размеры (30x80x30) не отличаются.
| Обозначение | Гост | Конструктивные особенности |
|---|---|---|
| LR5306KDD | ISO | Защитные металлические шайбы по обе стороны подшипника с цилиндрическим наружным диаметром. |
| LR5306KDDU | ISO | Crowned Outside Surface (No 'X' in Base Number). Защитные металлические шайбы по обе стороны подшипника с цилиндрическим наружным диаметром. |
| LFR5207-30KDD | ISO | Защитные металлические шайбы по обе стороны подшипника с цилиндрическим наружным диаметром. |
| LR5306NPPU | ISO | Опорный ролик. |
| 306706-2RSR | ISO | Резиновые уплотнения с каждой стороны подшипника. |
| 306706-2Z | ISO | Защитные металлические шайбы с обеих сторон. |
| LR5306-X-2Z-TVH-XL | ISO | Серия X-Life премиум-класс. увеличиный срок службы. Защитные металлические шайбы с обеих сторон. Формованный полиамидный сепаратор защелкивающегося типа. Цилиндрическая рабочая поверхность. |
| LR5306-2Z-TVH-XL | ISO | Серия X-Life премиум-класс. увеличиный срок службы. Защитные металлические шайбы с обеих сторон. Формованный полиамидный сепаратор защелкивающегося типа. |
| LR5306-X-2Z-E55EB | ISO | Two Metallic Shields. E55EB. Цилиндрическая рабочая поверхность. |
| 306706C-2Z | ISO | Внутренние изменения в конструкции. Защитные металлические шайбы с обеих сторон подшипника. |
| LR5306-2RS | ISO | Rubber Seals At Each Side Of The Bearing. Temperature Range -30℃/+120℃. |
| LR5306-2Z | ISO | Защитные металлические шайбы с обеих сторон. |
| LR5306ZZX | ISO | Защитные металлические шайбы с обеих сторон. Цилиндрическая рабочая поверхность. |
| LR5306-X-2Z | ISO | Защитные металлические шайбы с обеих сторон. Цилиндрическая рабочая поверхность. |
Аналог опорного ролика 306806-2RSR — это ролик такого же размера dx30,Dx80,Bx30, типа и конструкции.
| Обозначение | Конструктивные особенности | Внутренний (d) | Наружный (D) | Ширина (B) |
|---|---|---|---|---|
| W208PPB7 | Подшипник для корпуса. Широкий. | 30.17 | 87.00 | 30.18 |
| 3474/3422 | Однорядный конический роликовый подшипник. | 30.16 | 80.17 | 29.37 |
| 3474/3426 | Однорядный конический роликовый подшипник. | 30.16 | 79.32 | 29.37 |
| 3474-99401 | Однорядный конический роликовый подшипник. | 30.16 | 79.38 | 29.37 |
| 3474/3420 | однорядный конический роликовый подшипник. | 30.16 | 79.38 | 29.37 |
| 521661C | Подшипник шариковый двухрядный радиально-упорный. 15° Угол контакта. | 29.00 | 80.00 | 31.00 |
| 2307EK TNG+H2307 | Подшипник шариковый двухрядный самоустанавливающийся. Коническое отверстие. конус 1/12. Повышенная грузоподъемность. Прочный сепаратор из полиамида. армированного стекловолокном. | 30.00 | 80.00 | 31.00 |
| PDNF140-1.3/16Y | Подшипник для корпуса. Размерные и геометрические допуски соответствуют классу точности P6. Number Of Carriages Per Rail Track. | 30.16 | 80.00 | 30.16 |
| PDNF140-1.3/16 | Подшипник для корпуса. Размерные и геометрические допуски соответствуют классу точности P6. Number Of Carriages Per Rail Track. 01. | 30.16 | 80.00 | 30.16 |
| 3474/3420-B | Роликовый радиальный-упорный однорядный подшипник. Конический роликовый подшипник. Угол контакта 20 градусов. | 30.16 | 79.38 | 29.77 |
| В0-11606 К | Шариковый радиальный двухрядный подшипник. | 30.00 | 80.00 | 31.00 |
| 8-11606 К | Шариковый радиальный двухрядный подшипник. | 30.00 | 80.00 | 31.00 |
| 11606 | Шариковый радиальный двухрядный подшипник. | 30.00 | 80.00 | 31.00 |
| 2307-K-TVH-C3 + H2307 | Шариковый сферический двухрядный подшипник. Внутренний зазор больше нормального. Коническое отверстие. Конусность 1/12. Твердая клетка из полиамида. | 30.00 | 80.00 | 31.00 |
| 2307E-2RS1KTN9+H2307E | Шариковый сферический двухрядный подшипник. Повышенная грузоподъемность. | 30.00 | 80.00 | 31.00 |
Способы доставки
Отправка через ведущие транспортные и курьерские компании: ПЭК, Деловые Линии, СДЭК, Байкал-Сервис, Энергия, КИТ, ЖелДорЭкспедиция.
Самовывоз возможен напрямую со склада в Москве.
Сроки доставки
Срок зависит от региона и выбранной транспортной компании. Все заказы комплектуются и отправляются в кратчайшие сроки со склада в Москве.
Надёжность и сохранность
Вся продукция упаковывается с учётом требований транспортировки. Мы гарантируем, что подшипники и комплектующие прибудут к заказчику в полной сохранности.
Доставка в страны ЕАЭС
Мы работаем с проверенными логистическими партнёрами, что позволяет оперативно доставлять заказы в Беларусь, Казахстан, Армению и другие страны ЕАЭС.
Варианты оплаты:
Минимальная сумма заказа и скидки:
Документы и гарантии:
Да, конечно! Наши технические специалисты готовы помочь вам с подбором точного аналога или замены подшипника. Просто позвоните нам по телефону +7 (495) 104-99-04 или напишите на почту zakaz@podsnab.ru.
Для оперативной консультации подготовьте, пожалуйста, имеющиеся данные: маркировку, размеры, тип оборудования или артикул старого подшипника.
Да, конечно! Мы высоко ценим долгосрочное сотрудничество и доверие клиентов по всей России. Для постоянных клиентов действует персональная система скидок.
Условия формируются индивидуально и зависят от:
Чтобы узнать свои условия и получить максимально выгодное предложение, свяжитесь с персональным менеджером или напишите нам на почту zakaz@podsnab.ru.
Вы можете оформить заказ несколькими способами:
Для оформления заказа от юридического лица свяжитесь с нашим отделом по работе с корпоративными клиентами по телефону +7 (495) 104-99-04 или напишите на email zakaz@podsnab.ru, прикрепив реквизиты вашей организации.
Мы оперативно подготовим коммерческое предложение и выставим счет.
Возврат товара надлежащего качества возможен в течение 10 дней с момента получения, если товар не был в употреблении, сохранен товарный вид, упаковка не вскрывалась и присутствуют все сопроводительные документы.
Возврат денежных средств осуществляется в течение 10 рабочих дней после проверки товара складом.
В соответствии с законодательством возврату не подлежат подшипники надлежащего качества, если отсутствует оригинальная упаковка или имеются следы монтажа.
В случае выявления брака или гарантийного случая мы гарантируем возврат или обмен товара.
Да, гарантийный срок хранения устанавливается заводом-изготовителем и в среднем составляет 2 года при соблюдении условий хранения: сухое помещение, оригинальная упаковка и смазка.
Точный срок для конкретного типа подшипника уточняйте у наших менеджеров.
Пн–Пт: с 8:00 до 17:00 (МСК).
Сб–Вс: выходные дни.
Заказы на сайте принимаются круглосуточно. Заявки, поступившие после окончания рабочего дня, обрабатываются на следующий рабочий день.
Минимальная сумма заказа для доставки составляет 3000 рублей. Самовывоз со склада возможен на любую сумму при наличии товара.
ООО «УралТехГрупп»
ИНН: 7415093830
КПП: 772401001
ОГРН: 1167456069021
Банк: ПАО Сбербанк
Р/с: 40702810838000475273
К/с: 30101810400000000225
БИК: 044525225
У подшипника 306806-2RSR пока нет отзывов. Вы можете стать первым покупателем, поделившимся своим мнением.