Поиск подшипника
Статьи
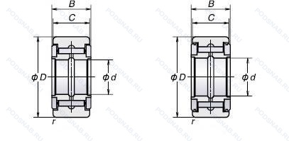
NATR15LL/3AS — Опорный ролик, модификация основного исполнения NATR15, производство NTN.
Размер ролика: 15x35x18 мм.
Опорный ролик, yoke-тип, профилированный наружный диаметр, с внутренним кольцом, с шайбами, смазка. shell oil co. смазка alvania #3, стандартная заливка, контактное. синтетические. резиновое уплотнение с двух сторон.
Альтернативное обозначение: MCYRR15S.
Аналоги: NATR15PPA INA,NATR15-PP-A INA,MCYRR15S McGill,NATR15PP SKF,NATR15PPA SKF,NATR15PP NBS,NATR15PP Neutral.
Международная стандартизации ISO
NATR15LL3AS
В наличии
| Обозначение | Конструктивные изменения |
|---|---|
| NATR15PPA | Измененная или модифицированная внутренняя конструкция при неизменных основных размерах. Скользящие уплотнительные кольца из полиамида с обеих сторон, улучшенный корончатый профиль рабочей поверхности наружного кольца. |
| NATR15LL | Контактное. синтетические. резиновое уплотнение с двух сторон. |
| NATR15PPV | Манжетные уплотнения с обеих сторон (тип P - две шайбы из оцинкованной листовой стали с промежуточной частью NBR. Кромка уплотнения предварительно нагружена в осевом направлении). Диапазон температур -30℃/+100℃. |
| NATR15X | Измененные размеры границ. введенные пересмотренными стандартами ISO. |
| NATR15 | Измененная или модифицированная внутренняя конструкция при неизменных основных размерах. Основное конструктивное исполнение. |
| NATR15PPXA | Измененная или модифицированная внутренняя конструкция при неизменных основных размерах. |
| NATR15-PP-X | Измененные размеры границ. введенные пересмотренными стандартами ISO. Уплотнения на каждой стороне подшипника. |
| NATR15PP | Уплотнения на каждой стороне подшипника. |
| NATR15X LL | Цилиндрическая рабочая поверхность. Контактное уплотнения из синтетической черной резины с обеих сторон. |
| NATR15UUR | Коронка на наружном кольце. Резиновые уплотнения с каждой стороны подшипника. |
| NATR15-X-PP-A | Переделка во внутренней конструкции. Идентичен старой нотации. Цилиндрическая рабочая поверхность. Манжетные уплотнения с обеих сторон (тип P - две шайбы из оцинкованной листовой стали с промежуточной частью NBR. Кромка уплотнения предварительно нагружена в осевом направлении). Диапазон температур -30℃/+100℃. |
| NATR15XLL/3AS | Цилиндрическая рабочая поверхность. Контактное уплотнения из синтетической черной резины с обеих сторон. Смазка. Shell Oil Co. Смазка Alvania #3, стандартная заливка.. |
Модификации опорного ролика NATR15LL/3AS — это измененное основное конструктивное исполнение NATR15, основные размеры (15x35x18) не отличаются.
| Обозначение | Гост | Конструктивные особенности |
|---|---|---|
| MCYRR15S | ISO | Запечатанная версия кулачкового ролика. |
| NUTR15-A-L077 | ISO | Двухрядный радиально-упорный шарикоподшипник без отверстия для смазки. Grease With A Temperature Range between -40°C / 260°C. Longtime Limit Temperature 200°C. |
| PWTR15-2RS-RR-XL | ISO | Rubber Seals At Each Side Of The Bearing. Temperature Range -30℃/+120℃. Серия X-Life премиум-класс. увеличиный срок службы. Защищен от коррозии специальным покрытием Corrotect®.. |
| MCYR15SX | ISO | Радиально-упорный сферический подшипник скольжения. требующий обслуживания по ISO 12 2402. Монтажные размеры как для конических роликоподшипников по DIN 720. 320X. Стальная скользящая контактная поверхность. |
| NUTR15SL | ISO | Канавка под стопорное кольцо на стороне подшипника. противоположной защитному щитку. Стопорное кольцо входит в комплект поставки. |
| NART15R | ISO | Коронка на наружном кольце. |
| NURT15R | ISO | Коронка на наружном кольце. |
| NATV15XLL | ISO | Цилиндрическая рабочая поверхность. Контактное уплотнения из синтетической черной резины с обеих сторон. |
| NATV15XLL/3AS | ISO | Цилиндрическая рабочая поверхность. Контактное уплотнения из синтетической черной резины с обеих сторон. Смазка. Shell Oil Co. Смазка Alvania #3, стандартная заливка.. |
| NATV15LL/3AS | ISO | Контактное. синтетические. резиновое уплотнение с двух сторон. Смазка. Shell Oil Co. Смазка Alvania #3, стандартная заливка.. |
| NUTR202/3AS | ISO | Смазка. Shell Oil Co. Смазка Alvania #3, стандартная заливка.. |
| FYCJS15R | ISO | С выпуклыми асимметричными роликами и обработанным сепаратором. |
| NATV15-X-PP-A | ISO | Переделка во внутренней конструкции. Идентичен старой нотации. Цилиндрическая рабочая поверхность. Манжетные уплотнения с обеих сторон (тип P - две шайбы из оцинкованной листовой стали с промежуточной частью NBR. Кромка уплотнения предварительно нагружена в осевом направлении). Диапазон температур -30℃/+100℃. |
| NUTR15XA | ISO | (Cone/Inner Race And Cup/Outer Race) Special Feature Bearing (Non-Interchangeable With Bearings Having The Same Basic Part Number). |
| PWTR15 2RSA | ISO | Переделка во внутренней конструкции. Идентичен старой нотации. Rubber Seals At Each Side Of The Bearing. Temperature Range -30℃/+120℃. |
| FG1535EEM | ISO | Металлические уплотнения с двух сторон подшипника. |
| NART15VUUR | ISO | Подшипник без сепаратора. С полным комплектом тел качения. Коронка на наружном кольце. Резиновые уплотнения с каждой стороны подшипника. |
| MCYRR15SX | ISO | Радиально-упорный сферический подшипник скольжения. требующий обслуживания по ISO 12 2402. Монтажные размеры как для конических роликоподшипников по DIN 720. 320X. Стальная скользящая контактная поверхность. |
| NUTR202X | ISO | Цилиндрическая рабочая поверхность. |
| NATV15X | ISO | Цилиндрическая рабочая поверхность. |
| FG1535EE | ISO | Уплотнения с двух сторон подшипника. |
Аналог опорного ролика NATR15LL/3AS — это ролик такого же размера dx15,Dx35,Bx18, типа и конструкции.
| Обозначение | Конструктивные особенности | Внутренний (d) | Наружный (D) | Ширина (B) |
|---|---|---|---|---|
| 1-2ШС15 ЮТ | Шарнирный подшипник. Температура отпуска. 160°. Одно или два кольца из нержавеющей стали.. С отверстиями и канавками для смазки во внутреннем кольце.. | 15.00 | 35.00 | 18.00 |
| 2Ш15 Ю2УТВК | Шарнирный подшипник. Уменьшенный внутренний осевой зазор.. Температура отпуска. 160°. Поверхность скольжения – нержавеющая сталь/серебро (покрытие сферы внутреннего кольца серебром).. Нормы шумности. Без отверстий и канавок для смазки.. Отдельное внутреннее кольцо шарнирного подшипника.. | 15.00 | 25.00 | 18.00 |
| 2Ш15 ЮТВК | Шарнирный подшипник. Температура отпуска. 160°. Одно или два кольца из нержавеющей стали.. Нормы шумности. Без отверстий и канавок для смазки.. Отдельное внутреннее кольцо шарнирного подшипника.. | 15.00 | 27.00 | 18.00 |
| 2ШЛТ15 | Шарнирный подшипник. Без отверстий и канавок для смазки. | 15.00 | 35.00 | 18.00 |
| 2ШЛТ15 Ю1Т | Шарнирный подшипник. Температура отпуска. 160°. Одно или два кольца из нержавеющей стали.. Без отверстий и канавок для смазки. | 15.00 | 35.00 | 18.00 |
| 2ШМ15 К | Шарнирный подшипник. Канавка и отверстие для смазки на внутреннем и наружном кольцах.. Без отверстий и канавок для смазки.. | 15.00 | 35.00 | 18.00 |
| 2ШМ15 ЮТ | Шарнирный подшипник. Температура отпуска. 160°. Одно или два кольца из нержавеющей стали.. Без отверстий и канавок для смазки.. | 15.00 | 35.00 | 18.00 |
| 2ШМ15 Ю | Шарнирный подшипник. Одно или два кольца из нержавеющей стали.. Без отверстий и канавок для смазки.. | 15.00 | 35.00 | 18.00 |
| 2ШН15 ЮТ | Шарнирный подшипник. Температура отпуска. 160°. Одно или два кольца из нержавеющей стали.. Неразъемный без отверстий и канавок для смазки. | 15.00 | 35.00 | 18.00 |
| 2ШС15 Ю2УТ | Шарнирный подшипник. Уменьшенный внутренний осевой зазор.. Температура отпуска. 160°. Поверхность скольжения – нержавеющая сталь/серебро (покрытие сферы внутреннего кольца серебром).. С отверстиями и канавками для смазки во внутреннем кольце.. | 15.00 | 35.00 | 18.00 |
| 2ШС15 ЮТ | Шарнирный подшипник. Температура отпуска. 160°. Одно или два кольца из нержавеющей стали.. С отверстиями и канавками для смазки во внутреннем кольце.. | 15.00 | 35.00 | 18.00 |
| 2ШС15ВК | Шарнирный подшипник. Отдельное внутреннее кольцо шарнирного подшипника.. С отверстиями и канавками для смазки во внутреннем кольце.. | 15.00 | 35.00 | 18.00 |
| 2ШС15 Ю | Шарнирный подшипник. Одно или два кольца из нержавеющей стали.. С отверстиями и канавками для смазки во внутреннем кольце.. | 15.00 | 28.00 | 18.00 |
| 3ШЛТ15-Ю1Т | Шарнирный подшипник. Температура отпуска. 160°. Одно или два кольца из нержавеющей стали.. Без отверстий и канавок для смазки. | 15.00 | 35.00 | 18.00 |
| 534902-ДК1 | Роликовый радиальный игольчатый однорядный подшипник. Кольцевая проточка на середине цилиндрической наружной поверхности наружного кольца плюс три отверстия для смазки. Сепаратор из алюминиевого сплава.. | 16.00 | 35.00 | 18.00 |
Способы доставки
Отправка через ведущие транспортные и курьерские компании: ПЭК, Деловые Линии, СДЭК, Байкал-Сервис, Энергия, КИТ, ЖелДорЭкспедиция.
Самовывоз возможен напрямую со склада в Москве.
Сроки доставки
Срок зависит от региона и выбранной транспортной компании. Все заказы комплектуются и отправляются в кратчайшие сроки со склада в Москве.
Надёжность и сохранность
Вся продукция упаковывается с учётом требований транспортировки. Мы гарантируем, что подшипники и комплектующие прибудут к заказчику в полной сохранности.
Доставка в страны ЕАЭС
Мы работаем с проверенными логистическими партнёрами, что позволяет оперативно доставлять заказы в Беларусь, Казахстан, Армению и другие страны ЕАЭС.
Варианты оплаты:
Минимальная сумма заказа и скидки:
Документы и гарантии:
Да, конечно! Наши технические специалисты готовы помочь вам с подбором точного аналога или замены подшипника. Просто позвоните нам по телефону +7 (495) 104-99-04 или напишите на почту zakaz@podsnab.ru.
Для оперативной консультации подготовьте, пожалуйста, имеющиеся данные: маркировку, размеры, тип оборудования или артикул старого подшипника.
Да, конечно! Мы высоко ценим долгосрочное сотрудничество и доверие клиентов по всей России. Для постоянных клиентов действует персональная система скидок.
Условия формируются индивидуально и зависят от:
Чтобы узнать свои условия и получить максимально выгодное предложение, свяжитесь с персональным менеджером или напишите нам на почту zakaz@podsnab.ru.
Вы можете оформить заказ несколькими способами:
Для оформления заказа от юридического лица свяжитесь с нашим отделом по работе с корпоративными клиентами по телефону +7 (495) 104-99-04 или напишите на email zakaz@podsnab.ru, прикрепив реквизиты вашей организации.
Мы оперативно подготовим коммерческое предложение и выставим счет.
Возврат товара надлежащего качества возможен в течение 10 дней с момента получения, если товар не был в употреблении, сохранен товарный вид, упаковка не вскрывалась и присутствуют все сопроводительные документы.
Возврат денежных средств осуществляется в течение 10 рабочих дней после проверки товара складом.
В соответствии с законодательством возврату не подлежат подшипники надлежащего качества, если отсутствует оригинальная упаковка или имеются следы монтажа.
В случае выявления брака или гарантийного случая мы гарантируем возврат или обмен товара.
Да, гарантийный срок хранения устанавливается заводом-изготовителем и в среднем составляет 2 года при соблюдении условий хранения: сухое помещение, оригинальная упаковка и смазка.
Точный срок для конкретного типа подшипника уточняйте у наших менеджеров.
Пн–Пт: с 8:00 до 17:00 (МСК).
Сб–Вс: выходные дни.
Заказы на сайте принимаются круглосуточно. Заявки, поступившие после окончания рабочего дня, обрабатываются на следующий рабочий день.
Минимальная сумма заказа для доставки составляет 3000 рублей. Самовывоз со склада возможен на любую сумму при наличии товара.
ООО «УралТехГрупп»
ИНН: 7415093830
КПП: 772401001
ОГРН: 1167456069021
Банк: ПАО Сбербанк
Р/с: 40702810838000475273
К/с: 30101810400000000225
БИК: 044525225
У подшипника NATR15LL/3AS пока нет отзывов. Вы можете стать первым покупателем, поделившимся своим мнением.