Поиск подшипника
Статьи
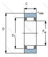
RNA2202 2RS — Опорный ролик, модификация основного исполнения RNA2202, выпускается производителями: CCVI, FAG, INA, KOYO, NEUTRAL, SKF, TORRINGTON.
Размер ролика: 20x35x13 мм.
Игольчатый подшипник без внутреннего кольца, смазочное отверстие в наружном кольце, резиновые уплотнения с каждой стороны подшипника.
Аналоги: RNA2202 2RS INA,RNA2202-2RSR INA,RNA2202.2RS FAG.
Международная стандартизации ISO
RNA22022RS
В наличии
| Обозначение | Конструктивные изменения |
|---|---|
| RNA2202 2RSX | Rubber Seals At Each Side Of The Bearing. Temperature Range -30℃/+120℃. Цилиндрическая рабочая поверхность. |
| RNA2202-2RSR | Резиновые уплотнения с каждой стороны подшипника. |
| RNA2202.2RSR.DZ | Резиновые уплотнения с каждой стороны подшипника. Опорные ролики игольчатого типа. Цилиндрический наружный диаметр. Литой сепаратор оконного типа из полиамида. усиленного стекловолокном. |
| RNA2202.2RS.DZ | Резиновые уплотнения с каждой стороны подшипника. Опорные ролики игольчатого типа. Цилиндрический наружный диаметр. Литой сепаратор оконного типа из полиамида. усиленного стекловолокном. |
| RNA2202LL | Контактное. синтетические. резиновое уплотнение с двух сторон. |
| RNA2202-X-2RSR | Rubber Seals At Each Side Of The Bearing. Temperature Range -30℃/+120℃. Цилиндрическая рабочая поверхность. |
| RNA2202XLL | Два уплотнения. |
Модификации опорного ролика RNA2202 2RS — это измененное основное конструктивное исполнение RNA2202, основные размеры (20x35x13) не отличаются.
| Обозначение | Конструктивные особенности | Внутренний (d) | Наружный (D) | Ширина (B) |
|---|---|---|---|---|
| ШМ20 Ю | Шарнирный подшипник. Одно или два кольца из нержавеющей стали.. Без отверстий и канавок для смазки.. | 20.00 | 35.00 | 12.00 |
| ШН20 | Шарнирный подшипник. Неразъемный без отверстий и канавок для смазки. | 20.00 | 35.00 | 12.00 |
| ШН20 Ю | Шарнирный подшипник. Одно или два кольца из нержавеющей стали.. Неразъемный без отверстий и канавок для смазки. | 20.00 | 35.00 | 12.00 |
| ШП20 | Шарнирный подшипник. Без отверстий и канавок для смазки. | 20.00 | 35.00 | 12.00 |
| ШС20 | Шарнирный подшипник. С отверстиями и канавками для смазки во внутреннем кольце.. | 20.00 | 35.00 | 12.00 |
| ШС20 К | Шарнирный подшипник. Канавка и отверстие для смазки на внутреннем и наружном кольцах.. С отверстиями и канавками для смазки во внутреннем кольце.. | 20.00 | 35.00 | 12.00 |
| ШСЛ20 | Шарнирный подшипник. С отверстиями и канавками для смазки во внутреннем кольце. | 20.00 | 35.00 | 12.00 |
| ШСЛ20К | Шарнирный подшипник. Канавка и отверстие для смазки на внутреннем и наружном кольцах.. С отверстиями и канавками для смазки во внутреннем кольце. | 20.00 | 35.00 | 12.00 |
| ШСЛ20К1 | Шарнирный подшипник. Канавка и отверстие для смазки на наружном кольце.. С отверстиями и канавками для смазки во внутреннем кольце. | 20.00 | 35.00 | 12.00 |
| 6-502104 БТ2 | Роликовый радиальный однорядный подшипник. 200°. Температура отпуска. Сепаратор из безоловянистой бронзы.. | 20.00 | 36.00 | 12.00 |
| ШСП20 | Шарнирный подшипник. С отверстиями и канавками для смазки во внутреннем кольце. | 20.00 | 35.00 | 12.00 |
| ШСП20 К | Шарнирный подшипник. Канавка и отверстие для смазки на внутреннем и наружном кольцах.. С отверстиями и канавками для смазки во внутреннем кольце. | 20.00 | 35.00 | 12.00 |
| ШСШ20К | Шарнирный подшипник. Канавка и отверстие для смазки на внутреннем и наружном кольцах.. С отверстиями и канавками для смазки во внутреннем кольце. | 20.00 | 35.00 | 12.00 |
| 1-Ш20 ЮВК | Шарнирный подшипник. Одно или два кольца из нержавеющей стали.. Без отверстий и канавок для смазки.. Отдельное внутреннее кольцо шарнирного подшипника.. | 20.00 | 29.00 | 12.00 |
| 1-Ш20 ЮТВК | Шарнирный подшипник. Температура отпуска. 160°. Одно или два кольца из нержавеющей стали.. Без отверстий и канавок для смазки.. Отдельное внутреннее кольцо шарнирного подшипника.. | 20.00 | 35.00 | 12.00 |
Способы доставки
Отправка через ведущие транспортные и курьерские компании: ПЭК, Деловые Линии, СДЭК, Байкал-Сервис, Энергия, КИТ, ЖелДорЭкспедиция.
Самовывоз возможен напрямую со склада в Москве.
Сроки доставки
Срок зависит от региона и выбранной транспортной компании. Все заказы комплектуются и отправляются в кратчайшие сроки со склада в Москве.
Надёжность и сохранность
Вся продукция упаковывается с учётом требований транспортировки. Мы гарантируем, что подшипники и комплектующие прибудут к заказчику в полной сохранности.
Доставка в страны ЕАЭС
Мы работаем с проверенными логистическими партнёрами, что позволяет оперативно доставлять заказы в Беларусь, Казахстан, Армению и другие страны ЕАЭС.
Варианты оплаты:
Минимальная сумма заказа и скидки:
Документы и гарантии:
Да, конечно! Наши технические специалисты готовы помочь вам с подбором точного аналога или замены подшипника. Просто позвоните нам по телефону +7 (495) 104-99-04 или напишите на почту zakaz@podsnab.ru.
Для оперативной консультации подготовьте, пожалуйста, имеющиеся данные: маркировку, размеры, тип оборудования или артикул старого подшипника.
Да, конечно! Мы высоко ценим долгосрочное сотрудничество и доверие клиентов по всей России. Для постоянных клиентов действует персональная система скидок.
Условия формируются индивидуально и зависят от:
Чтобы узнать свои условия и получить максимально выгодное предложение, свяжитесь с персональным менеджером или напишите нам на почту zakaz@podsnab.ru.
Вы можете оформить заказ несколькими способами:
Для оформления заказа от юридического лица свяжитесь с нашим отделом по работе с корпоративными клиентами по телефону +7 (495) 104-99-04 или напишите на email zakaz@podsnab.ru, прикрепив реквизиты вашей организации.
Мы оперативно подготовим коммерческое предложение и выставим счет.
Возврат товара надлежащего качества возможен в течение 10 дней с момента получения, если товар не был в употреблении, сохранен товарный вид, упаковка не вскрывалась и присутствуют все сопроводительные документы.
Возврат денежных средств осуществляется в течение 10 рабочих дней после проверки товара складом.
В соответствии с законодательством возврату не подлежат подшипники надлежащего качества, если отсутствует оригинальная упаковка или имеются следы монтажа.
В случае выявления брака или гарантийного случая мы гарантируем возврат или обмен товара.
Да, гарантийный срок хранения устанавливается заводом-изготовителем и в среднем составляет 2 года при соблюдении условий хранения: сухое помещение, оригинальная упаковка и смазка.
Точный срок для конкретного типа подшипника уточняйте у наших менеджеров.
Пн–Пт: с 8:00 до 17:00 (МСК).
Сб–Вс: выходные дни.
Заказы на сайте принимаются круглосуточно. Заявки, поступившие после окончания рабочего дня, обрабатываются на следующий рабочий день.
Минимальная сумма заказа для доставки составляет 3000 рублей. Самовывоз со склада возможен на любую сумму при наличии товара.
ООО «УралТехГрупп»
ИНН: 7415093830
КПП: 772401001
ОГРН: 1167456069021
Банк: ПАО Сбербанк
Р/с: 40702810838000475273
К/с: 30101810400000000225
БИК: 044525225
У подшипника RNA2202 2RS пока нет отзывов. Вы можете стать первым покупателем, поделившимся своим мнением.