Поиск подшипника
Статьи
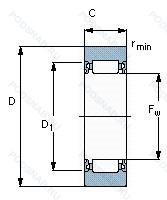
RNA2207 2RS — Опорный ролик, модификация основного исполнения RNA2207, выпускается производителями: INA, SKF, TORRINGTON, ZKL, ZVL.
Размер ролика: 42x72x22 мм.
Игольчатый подшипник без внутреннего кольца, смазочное отверстие в наружном кольце, резиновые уплотнения с каждой стороны подшипника.
Аналоги: RNA2207 2RS INA,RNA2207 2RSXA INA,RNA2207-2RS-A INA.
Международная стандартизации ISO
RNA22072RS
В наличии
| Обозначение | Конструктивные изменения |
|---|---|
| RNA2207-2RSR | Резиновые уплотнения с каждой стороны подшипника. |
| RNA2207 2RSX | Опорный ролик. |
| RNA2207 2RSXA | Переделка во внутренней конструкции. Идентичен старой нотации. Rubber Seals At Each Side Of The Bearing. Temperature Range -30℃/+120℃. Цилиндрическая рабочая поверхность. |
| RNA2207-2RSR-A | Переделка во внутренней конструкции. Идентичен старой нотации. Rubber Seals At Each Side Of The Bearing. Temperature Range -30℃/+120℃. |
| RNA2207.2RS.DZ | Резиновые уплотнения с каждой стороны подшипника. Опорные ролики игольчатого типа. Цилиндрический наружный диаметр. Литой сепаратор оконного типа из полиамида. усиленного стекловолокном. |
Модификации опорного ролика RNA2207 2RS — это измененное основное конструктивное исполнение RNA2207, основные размеры (42x72x22) не отличаются.
| Обозначение | Конструктивные особенности | Внутренний (d) | Наружный (D) | Ширина (B) |
|---|---|---|---|---|
| 524169E.H42CX | Подшипник однорядный шариковый радиальный. Повышенная грузоподъемность. | 41.50 | 72.00 | 21.00 |
| 524169E.Z27.CX | Подшипник однорядный шариковый радиальный. Повышенная грузоподъемность. Подшипник с герметичным уплотнением. | 41.50 | 72.00 | 21.00 |
| 361914 | Подшипник однорядный шариковый радиальный. | 41.50 | 72.00 | 21.00 |
| 361914D/B50 | Подшипник однорядный шариковый радиальный. Extended Inner Ring. Metric Bore. B Combined With A Two Or Three-Figure Number Identifies Variants Of The Standard Design That Cannot Be Identified By Generally Applicable Suffixes. | 41.50 | 72.00 | 21.00 |
| 361914D | Подшипник однорядный шариковый радиальный. Extended Inner Ring. Metric Bore. | 41.50 | 72.00 | 21.00 |
| 361914AB | Подшипник однорядный шариковый радиальный. Width Non-Conforming ISO Standards. | 41.50 | 72.00 | 21.00 |
| PDS83B231D | Подшипник шариковый радиальный двухрядный. | 41.20 | 72.00 | 23.00 |
| 361914C/B50 | Подшипник однорядный шариковый радиальный. Внутренние изменения в конструкции. B Combined With A Two Or Three-Figure Number Identifies Variants Of The Standard Design That Cannot Be Identified By Generally Applicable Suffixes. | 41.50 | 72.00 | 21.00 |
| 83B231DCS19 | Подшипник шариковый радиальный двухрядный. Угол контакта 20 градусов. | 41.20 | 72.00 | 23.00 |
| 524169E | Подшипник однорядный шариковый радиальный. Повышенная грузоподъемность. | 41.50 | 72.00 | 21.00 |
| 524169E.Z27 | Подшипник однорядный шариковый радиальный. Повышенная грузоподъемность. Подшипник с герметичным уплотнением. | 41.50 | 72.00 | 21.00 |
| 524169E.Z27.CX.F54 | Подшипник однорядный шариковый радиальный. Повышенная грузоподъемность. Подшипник с герметичным уплотнением. Bearings for Adam Opel and General Motors (All Plants)_ Preservation And Packaging Specifications_ Restricted Width Tolerance. | 41.50 | 72.00 | 21.00 |
| 361914C | Подшипник однорядный шариковый радиальный. Внутренние изменения в конструкции. | 41.50 | 72.00 | 21.00 |
| T163W | Роликовый упорный однорядный подшипник. Подшипник без смазочных отверстий в наружном кольце. | 41.53 | 72.62 | 21.43 |
| LG41.5=1 | Шариковый радиальный однорядный подшипник. Number Of Carriages Per Rail Track. Distance Between Beginning Of The Rail And First Hole In MM. | 41.50 | 72.00 | 21.00 |
Способы доставки
Отправка через ведущие транспортные и курьерские компании: ПЭК, Деловые Линии, СДЭК, Байкал-Сервис, Энергия, КИТ, ЖелДорЭкспедиция.
Самовывоз возможен напрямую со склада в Москве.
Сроки доставки
Срок зависит от региона и выбранной транспортной компании. Все заказы комплектуются и отправляются в кратчайшие сроки со склада в Москве.
Надёжность и сохранность
Вся продукция упаковывается с учётом требований транспортировки. Мы гарантируем, что подшипники и комплектующие прибудут к заказчику в полной сохранности.
Доставка в страны ЕАЭС
Мы работаем с проверенными логистическими партнёрами, что позволяет оперативно доставлять заказы в Беларусь, Казахстан, Армению и другие страны ЕАЭС.
Варианты оплаты:
Минимальная сумма заказа и скидки:
Документы и гарантии:
Да, конечно! Наши технические специалисты готовы помочь вам с подбором точного аналога или замены подшипника. Просто позвоните нам по телефону +7 (495) 104-99-04 или напишите на почту zakaz@podsnab.ru.
Для оперативной консультации подготовьте, пожалуйста, имеющиеся данные: маркировку, размеры, тип оборудования или артикул старого подшипника.
Да, конечно! Мы высоко ценим долгосрочное сотрудничество и доверие клиентов по всей России. Для постоянных клиентов действует персональная система скидок.
Условия формируются индивидуально и зависят от:
Чтобы узнать свои условия и получить максимально выгодное предложение, свяжитесь с персональным менеджером или напишите нам на почту zakaz@podsnab.ru.
Вы можете оформить заказ несколькими способами:
Для оформления заказа от юридического лица свяжитесь с нашим отделом по работе с корпоративными клиентами по телефону +7 (495) 104-99-04 или напишите на email zakaz@podsnab.ru, прикрепив реквизиты вашей организации.
Мы оперативно подготовим коммерческое предложение и выставим счет.
Возврат товара надлежащего качества возможен в течение 10 дней с момента получения, если товар не был в употреблении, сохранен товарный вид, упаковка не вскрывалась и присутствуют все сопроводительные документы.
Возврат денежных средств осуществляется в течение 10 рабочих дней после проверки товара складом.
В соответствии с законодательством возврату не подлежат подшипники надлежащего качества, если отсутствует оригинальная упаковка или имеются следы монтажа.
В случае выявления брака или гарантийного случая мы гарантируем возврат или обмен товара.
Да, гарантийный срок хранения устанавливается заводом-изготовителем и в среднем составляет 2 года при соблюдении условий хранения: сухое помещение, оригинальная упаковка и смазка.
Точный срок для конкретного типа подшипника уточняйте у наших менеджеров.
Пн–Пт: с 8:00 до 17:00 (МСК).
Сб–Вс: выходные дни.
Заказы на сайте принимаются круглосуточно. Заявки, поступившие после окончания рабочего дня, обрабатываются на следующий рабочий день.
Минимальная сумма заказа для доставки составляет 3000 рублей. Самовывоз со склада возможен на любую сумму при наличии товара.
ООО «УралТехГрупп»
ИНН: 7415093830
КПП: 772401001
ОГРН: 1167456069021
Банк: ПАО Сбербанк
Р/с: 40702810838000475273
К/с: 30101810400000000225
БИК: 044525225
У подшипника RNA2207 2RS пока нет отзывов. Вы можете стать первым покупателем, поделившимся своим мнением.