Поиск подшипника
Статьи
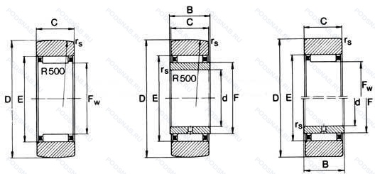
NAST30ZZ — Опорный ролик, модификация основного исполнения NAST30, выпускается производителями: DüRKOPP, IKO.
Размер ролика: 30x62x25 мм.
Защитные металлические шайбы с обеих сторон.
Международная стандартизации ISO
NAST30ZZ
В наличии
| Обозначение | Конструктивные изменения |
|---|---|
| NAST30.2ZR | Защитные металлические шайбы с обеих сторон. |
| NAST30 | Опорный ролик. Основное конструктивное исполнение. |
| NAST30-2Z | Защитные металлические шайбы с обеих сторон. |
| NAST30R | Коронка на наружном кольце. |
| NAST30DB | Crowned Outer Diameter. |
Модификации опорного ролика NAST30ZZ — это измененное основное конструктивное исполнение NAST30, основные размеры (30x62x25) не отличаются.
| Обозначение | Конструктивные особенности | Внутренний (d) | Наружный (D) | Ширина (B) |
|---|---|---|---|---|
| WS22206-E1-XL-2VSR | Подшипник роликовый сферический. Серия X-Life премиум-класс. увеличиный срок службы. Конструкция с увеличенной грузоподьемностью. Усиленные листовой сталью трущиеся уплотнения из фторкаучука (FPM) с обеих сторон подшипника, заполнен высокотемпературной смазкой из полиуретана от 70 до 100%, кольцевая канавка и три смазочных отверстия на наружном кольце. | 30.00 | 62.00 | 25.00 |
| WS22206-E1-2VSR | Подшипник роликовый сферический. Конструкция с увеличенной грузоподьемностью. Усиленные листовой сталью трущиеся уплотнения из фторкаучука (FPM) с обеих сторон подшипника, заполнен высокотемпературной смазкой из полиуретана от 70 до 100%, кольцевая канавка и три смазочных отверстия на наружном кольце. | 30.00 | 62.00 | 25.00 |
| LK206.2F | Подшипник для корпуса. Двойное уплотнение. Защитная крышка, размещенная на внутреннем кольце. Используется с подшипниками типа Y. | 30.00 | 62.00 | 26.00 |
| 22206-2RS | Роликовый радиальный сферический двухрядный подшипник. Резиновые уплотнения с каждой стороны подшипника. | 30.00 | 62.00 | 25.00 |
| HR33206J | Роликовый радиальный-упорный однорядный подшипник. Дорожки качения наружного кольца. угол контакта и ширина наружного кольца в соответствии с ISO. Для конических роликоподшипников и радиальных шарикоподшипников. | 30.00 | 62.00 | 25.00 |
| 226706-К | Шариковый радиально-упорный подшипник. «Замок» (скос) на внутреннем кольце плюс массивный сепаратор из текстолита. | 30.00 | 62.00 | 26.00 |
| DG3062KWSH2C4PZ | Шариковый радиальный однорядный подшипник. Угол контакта 20 градусов. | 30.00 | 62.00 | 24.00 |
| DG306224W2RSEC4 | Шариковый радиальный однорядный подшипник. Угол контакта 20 градусов. | 30.00 | 62.00 | 24.00 |
| DG3062DW2RSC4 | Шариковый радиальный однорядный подшипник. Угол контакта 20 градусов. | 30.00 | 62.00 | 24.00 |
| LJ30FF=1 | Шариковый радиальный однорядный подшипник. Металлическое уплотнение с двух сторон. Number Of Carriages Per Rail Track. | 30.00 | 62.00 | 24.00 |
| 33206F | Роликовый радиальный-упорный однорядный подшипник. Сепаратор из обработанной стали или специального чугуна. | 30.00 | 62.00 | 25.00 |
| 1/LJ30FF | Шариковый радиальный однорядный подшипник. Number Of Carriages Per Rail Track. | 30.00 | 62.00 | 24.00 |
| SX0663LLUC4 | Шариковый радиальный однорядный подшипник. Внутренний радиальный зазор С4. Двухкромочное нитриловое контактное уплотнение. | 30.00 | 62.00 | 24.00 |
| 530206-К1С9 | Шариковый радиальный однорядный подшипник. «Замок» (скос) на внутреннем кольце плюс массивный сепаратор из текстолита. Смазка ЛЗ-31. | 30.00 | 62.00 | 24.00 |
| 530206АК | Шариковый радиальный однорядный подшипник. Повышенная грузоподъемность. | 30.00 | 62.00 | 24.00 |
Способы доставки
Отправка через ведущие транспортные и курьерские компании: ПЭК, Деловые Линии, СДЭК, Байкал-Сервис, Энергия, КИТ, ЖелДорЭкспедиция.
Самовывоз возможен напрямую со склада в Москве.
Сроки доставки
Срок зависит от региона и выбранной транспортной компании. Все заказы комплектуются и отправляются в кратчайшие сроки со склада в Москве.
Надёжность и сохранность
Вся продукция упаковывается с учётом требований транспортировки. Мы гарантируем, что подшипники и комплектующие прибудут к заказчику в полной сохранности.
Доставка в страны ЕАЭС
Мы работаем с проверенными логистическими партнёрами, что позволяет оперативно доставлять заказы в Беларусь, Казахстан, Армению и другие страны ЕАЭС.
Варианты оплаты:
Минимальная сумма заказа и скидки:
Документы и гарантии:
Да, конечно! Наши технические специалисты готовы помочь вам с подбором точного аналога или замены подшипника. Просто позвоните нам по телефону +7 (495) 104-99-04 или напишите на почту zakaz@podsnab.ru.
Для оперативной консультации подготовьте, пожалуйста, имеющиеся данные: маркировку, размеры, тип оборудования или артикул старого подшипника.
Да, конечно! Мы высоко ценим долгосрочное сотрудничество и доверие клиентов по всей России. Для постоянных клиентов действует персональная система скидок.
Условия формируются индивидуально и зависят от:
Чтобы узнать свои условия и получить максимально выгодное предложение, свяжитесь с персональным менеджером или напишите нам на почту zakaz@podsnab.ru.
Вы можете оформить заказ несколькими способами:
Для оформления заказа от юридического лица свяжитесь с нашим отделом по работе с корпоративными клиентами по телефону +7 (495) 104-99-04 или напишите на email zakaz@podsnab.ru, прикрепив реквизиты вашей организации.
Мы оперативно подготовим коммерческое предложение и выставим счет.
Возврат товара надлежащего качества возможен в течение 10 дней с момента получения, если товар не был в употреблении, сохранен товарный вид, упаковка не вскрывалась и присутствуют все сопроводительные документы.
Возврат денежных средств осуществляется в течение 10 рабочих дней после проверки товара складом.
В соответствии с законодательством возврату не подлежат подшипники надлежащего качества, если отсутствует оригинальная упаковка или имеются следы монтажа.
В случае выявления брака или гарантийного случая мы гарантируем возврат или обмен товара.
Да, гарантийный срок хранения устанавливается заводом-изготовителем и в среднем составляет 2 года при соблюдении условий хранения: сухое помещение, оригинальная упаковка и смазка.
Точный срок для конкретного типа подшипника уточняйте у наших менеджеров.
Пн–Пт: с 8:00 до 17:00 (МСК).
Сб–Вс: выходные дни.
Заказы на сайте принимаются круглосуточно. Заявки, поступившие после окончания рабочего дня, обрабатываются на следующий рабочий день.
Минимальная сумма заказа для доставки составляет 3000 рублей. Самовывоз со склада возможен на любую сумму при наличии товара.
ООО «УралТехГрупп»
ИНН: 7415093830
КПП: 772401001
ОГРН: 1167456069021
Банк: ПАО Сбербанк
Р/с: 40702810838000475273
К/с: 30101810400000000225
БИК: 044525225
У подшипника NAST30ZZ пока нет отзывов. Вы можете стать первым покупателем, поделившимся своим мнением.