Поиск подшипника
Статьи
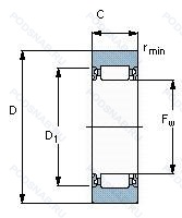
RNA2203 2RS — Опорный ролик, модификация основного исполнения RNA2203, выпускается производителями: INA, SKF.
Размер ролика: 22x40x15 мм.
Игольчатый подшипник без внутреннего кольца, смазочное отверстие в наружном кольце, резиновые уплотнения с каждой стороны подшипника.
Аналоги: RNA2203-2RSR INA,RNA2203 2RS Torrington.
Международная стандартизации ISO
RNA22032RS
В наличии
| Обозначение | Конструктивные изменения |
|---|---|
| RNA2203 2RSX | Опорный ролик. |
| RNA2203-2RSR | Резиновые уплотнения с каждой стороны подшипника. |
| RNA2203LL | Контактное. синтетические. резиновое уплотнение с двух сторон. |
| RNA2203-X-2RSR | Rubber Seals At Each Side Of The Bearing. Temperature Range -30℃/+120℃. Цилиндрическая рабочая поверхность. |
| RNA2203XLL | Два уплотнения. |
Модификации опорного ролика RNA2203 2RS — это измененное основное конструктивное исполнение RNA2203, основные размеры (22x40x15) не отличаются.
| Обозначение | Гост | Конструктивные особенности |
|---|---|---|
| RSTO17DZ | ISO | Опорные ролики игольчатого типа. Цилиндрический наружный диаметр. Литой сепаратор оконного типа из полиамида. усиленного стекловолокном. |
| RSTO17X | ISO | Измененные размеры границ. введенные пересмотренными стандартами ISO. |
| RSTO17 | ISO | Опорный ролик. |
| RNAST17 | ISO | Опорный ролик. |
Аналог опорного ролика RNA2203 2RS — это ролик такого же размера dx22,Dx40,Bx15, типа и конструкции.
| Обозначение | Конструктивные особенности | Внутренний (d) | Наружный (D) | Ширина (B) |
|---|---|---|---|---|
| 520339A | Шариковый радиально-упорный подшипник двойного направления. Двухрядный радиально-упорный шарикоподшипник без отверстия для смазки. | 21.00 | 41.00 | 15.50 |
| KJL22349F-99401 | Однорядный конический роликовый подшипник. Сепаратор из обработанной стали или специального чугуна. | 22.00 | 41.00 | 14.40 |
| JL22349F/JL22310 | Однорядный конический роликовый подшипник. Сепаратор из обработанной стали или специального чугуна. | 22.00 | 41.00 | 14.50 |
| RNU2203 | Однорядный цилиндрический роликовый подшипник. | 22.90 | 40.00 | 16.00 |
| 442327N | Однорядный конический роликовый подшипник. Канавка под стопорное кольцо на внешнем кольце. | 22.00 | 41.00 | 14.50 |
| RNU2203ECP | Однорядный цилиндрический роликовый подшипник. Оптимизированная внутренняя конструкция предусматривает увеличенное количество роликов и/или ролики большего размера с улучшенными условиями контакта торцов роликов с бортами внутреннего кольца. Сепаратор из стеклонаполненного полиамида PA66. центрируемый по роликам. | 22.10 | 40.00 | 16.00 |
| KJL22349F/KJL22310 | Однорядный конический роликовый подшипник. Сепаратор из обработанной стали или специального чугуна. | 22.00 | 41.00 | 14.40 |
| 351786 | Шариковый радиально-упорный подшипник двойного направления. | 21.00 | 41.00 | 15.50 |
| RNU2203ET | Однорядный цилиндрический роликовый подшипник. Сквозная закалка и шлифовка стали с переломом в одной точке. | 22.90 | 40.00 | 16.00 |
| 308-254 | Роликовый радиальный однорядный подшипник. | 23.00 | 40.00 | 14.00 |
| 711002500 | Роликовый игольчатый подшипник однорядный. | 23.00 | 40.00 | 14.00 |
| F-94632 | Роликовый игольчатый подшипник однорядный. | 23.00 | 40.00 | 14.00 |
| JL22349/JL22310 | Роликовый радиальный-упорный однорядный подшипник. | 22.00 | 41.00 | 14.40 |
| F-237960.1 | Шариковый радиально-упорный однорядный подшипник. Number Of Carriages Per Rail Track. | 21.98 | 40.13 | 15.50 |
| CBK-323B | Роликовый радиальный-упорный однорядный подшипник. Конический роликовый подшипник. Угол контакта 20 градусов. | 22.00 | 41.00 | 14.60 |
Способы доставки
Отправка через ведущие транспортные и курьерские компании: ПЭК, Деловые Линии, СДЭК, Байкал-Сервис, Энергия, КИТ, ЖелДорЭкспедиция.
Самовывоз возможен напрямую со склада в Москве.
Сроки доставки
Срок зависит от региона и выбранной транспортной компании. Все заказы комплектуются и отправляются в кратчайшие сроки со склада в Москве.
Надёжность и сохранность
Вся продукция упаковывается с учётом требований транспортировки. Мы гарантируем, что подшипники и комплектующие прибудут к заказчику в полной сохранности.
Доставка в страны ЕАЭС
Мы работаем с проверенными логистическими партнёрами, что позволяет оперативно доставлять заказы в Беларусь, Казахстан, Армению и другие страны ЕАЭС.
Варианты оплаты:
Минимальная сумма заказа и скидки:
Документы и гарантии:
Да, конечно! Наши технические специалисты готовы помочь вам с подбором точного аналога или замены подшипника. Просто позвоните нам по телефону +7 (495) 104-99-04 или напишите на почту zakaz@podsnab.ru.
Для оперативной консультации подготовьте, пожалуйста, имеющиеся данные: маркировку, размеры, тип оборудования или артикул старого подшипника.
Да, конечно! Мы высоко ценим долгосрочное сотрудничество и доверие клиентов по всей России. Для постоянных клиентов действует персональная система скидок.
Условия формируются индивидуально и зависят от:
Чтобы узнать свои условия и получить максимально выгодное предложение, свяжитесь с персональным менеджером или напишите нам на почту zakaz@podsnab.ru.
Вы можете оформить заказ несколькими способами:
Для оформления заказа от юридического лица свяжитесь с нашим отделом по работе с корпоративными клиентами по телефону +7 (495) 104-99-04 или напишите на email zakaz@podsnab.ru, прикрепив реквизиты вашей организации.
Мы оперативно подготовим коммерческое предложение и выставим счет.
Возврат товара надлежащего качества возможен в течение 10 дней с момента получения, если товар не был в употреблении, сохранен товарный вид, упаковка не вскрывалась и присутствуют все сопроводительные документы.
Возврат денежных средств осуществляется в течение 10 рабочих дней после проверки товара складом.
В соответствии с законодательством возврату не подлежат подшипники надлежащего качества, если отсутствует оригинальная упаковка или имеются следы монтажа.
В случае выявления брака или гарантийного случая мы гарантируем возврат или обмен товара.
Да, гарантийный срок хранения устанавливается заводом-изготовителем и в среднем составляет 2 года при соблюдении условий хранения: сухое помещение, оригинальная упаковка и смазка.
Точный срок для конкретного типа подшипника уточняйте у наших менеджеров.
Пн–Пт: с 8:00 до 17:00 (МСК).
Сб–Вс: выходные дни.
Заказы на сайте принимаются круглосуточно. Заявки, поступившие после окончания рабочего дня, обрабатываются на следующий рабочий день.
Минимальная сумма заказа для доставки составляет 3000 рублей. Самовывоз со склада возможен на любую сумму при наличии товара.
ООО «УралТехГрупп»
ИНН: 7415093830
КПП: 772401001
ОГРН: 1167456069021
Банк: ПАО Сбербанк
Р/с: 40702810838000475273
К/с: 30101810400000000225
БИК: 044525225
У подшипника RNA2203 2RS пока нет отзывов. Вы можете стать первым покупателем, поделившимся своим мнением.