Поиск подшипника
Статьи
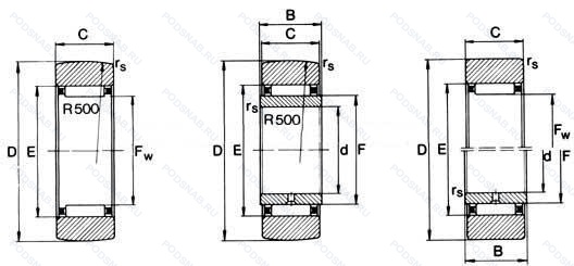
NAST35ZZ — Опорный ролик, модификация основного исполнения NAST35, выпускается производителями: FAG, IKO.
Размер ролика: 35x72x19 мм.
Защитные металлические шайбы с обеих сторон.
Международная стандартизации ISO
NAST35ZZ
В наличии
| Обозначение | Конструктивные изменения |
|---|---|
| NAST35ZZ.DZ | Защитные металлические шайбы с обеих сторон. Опорные ролики игольчатого типа. Цилиндрический наружный диаметр. Литой сепаратор оконного типа из полиамида. усиленного стекловолокном. |
| NAST35 | Опорный ролик. Основное конструктивное исполнение. |
| NAST35ZZUU | Rubber Seals At Each Side Of The Bearing. With Cylindrical Outer Race (X). |
| NAST35-2Z | Защитные металлические шайбы с обеих сторон. |
Модификации опорного ролика NAST35ZZ — это измененное основное конструктивное исполнение NAST35, основные размеры (35x72x19) не отличаются.
| Обозначение | Гост | Конструктивные особенности |
|---|---|---|
| STO35X | ISO | Измененные размеры границ. введенные пересмотренными стандартами ISO. |
| STO35DZ | ISO | Опорные ролики игольчатого типа. Цилиндрический наружный диаметр. Литой сепаратор оконного типа из полиамида. усиленного стекловолокном. |
| STO35 | ISO | Опорный ролик. |
| STO35ZZ DZ | ISO | Защитные металлические шайбы с двух сторон подшипника. Опорный ролик. Цилиндрический наружный диаметр. |
| STO35ZZX | ISO | Защитные металлические шайбы с двух сторон подшипника. Опорный ролик. Цилиндрический наружный диаметр. |
Аналог опорного ролика NAST35ZZ — это ролик такого же размера dx35,Dx72,Bx19, типа и конструкции.
| Обозначение | Конструктивные особенности | Внутренний (d) | Наружный (D) | Ширина (B) |
|---|---|---|---|---|
| 7207-А | Роликовый радиальный-упорный однорядный подшипник. Повышенная грузоподъемность. | 35.00 | 72.00 | 19.25 |
| 7207-АЮ | Роликовый радиальный-упорный однорядный подшипник. Все детали или часть деталей из нержавеющей стали.. Повышенная грузоподъемность. | 35.00 | 72.00 | 18.00 |
| 7207-Ю | Роликовый радиальный-упорный однорядный подшипник. Все детали или часть деталей из нержавеющей стали.. | 35.00 | 72.00 | 18.00 |
| 7507-А | Роликовый радиальный-упорный однорядный подшипник. Повышенная грузоподъемность. | 35.00 | 72.00 | 19.00 |
| 30207F | Роликовый радиальный-упорный однорядный подшипник. Сепаратор из обработанной стали или специального чугуна. | 35.00 | 72.00 | 18.25 |
| 30207CR | Роликовый радиальный-упорный однорядный подшипник. (TB-Segment) Phenolic (Composition) Fafnir Standard. | 35.00 | 72.00 | 18.25 |
| AB40577 | Шариковый радиальный однорядный подшипник. Однорядный радиально-упорный шариковый подшипник с полиамидным сепаратором. | 35.00 | 72.00 | 18.90 |
| CUC207-22 | Шариковый радиальный однорядный подшипник. 1.3/8. | 34.92 | 72.00 | 20.00 |
| 1580207-АК7T2 | Шариковый радиальный однорядный подшипник. Повышенная грузоподъемность. | 35.00 | 72.00 | 20.00 |
| 1580207-Е | Шариковый радиальный однорядный подшипник. Сепаратор из текстолита.. | 35.00 | 72.00 | 20.00 |
| 1580207-К1С17 | Шариковый радиальный однорядный подшипник. Смазка Литол-24. | 35.00 | 72.00 | 20.00 |
| 1580207-К1Т2С17 | Шариковый радиальный однорядный подшипник. Смазка Литол-24. 200°. Температура отпуска. | 35.00 | 72.00 | 20.00 |
| 1580207-К7Т2С17 | Шариковый радиальный однорядный подшипник. Смазка Литол-24. 200°. Температура отпуска. «Замок» (скос) на внутреннем кольце. | 35.00 | 72.00 | 20.00 |
| 1580207-Т2С17 | Шариковый радиальный однорядный подшипник. Смазка Литол-24. 200°. Температура отпуска. | 35.00 | 72.00 | 20.00 |
| 5-7207 А | Роликовый радиальный-упорный однорядный подшипник. Повышенная грузоподъемность. | 35.00 | 72.00 | 19.25 |
Способы доставки
Отправка через ведущие транспортные и курьерские компании: ПЭК, Деловые Линии, СДЭК, Байкал-Сервис, Энергия, КИТ, ЖелДорЭкспедиция.
Самовывоз возможен напрямую со склада в Москве.
Сроки доставки
Срок зависит от региона и выбранной транспортной компании. Все заказы комплектуются и отправляются в кратчайшие сроки со склада в Москве.
Надёжность и сохранность
Вся продукция упаковывается с учётом требований транспортировки. Мы гарантируем, что подшипники и комплектующие прибудут к заказчику в полной сохранности.
Доставка в страны ЕАЭС
Мы работаем с проверенными логистическими партнёрами, что позволяет оперативно доставлять заказы в Беларусь, Казахстан, Армению и другие страны ЕАЭС.
Варианты оплаты:
Минимальная сумма заказа и скидки:
Документы и гарантии:
Да, конечно! Наши технические специалисты готовы помочь вам с подбором точного аналога или замены подшипника. Просто позвоните нам по телефону +7 (495) 104-99-04 или напишите на почту zakaz@podsnab.ru.
Для оперативной консультации подготовьте, пожалуйста, имеющиеся данные: маркировку, размеры, тип оборудования или артикул старого подшипника.
Да, конечно! Мы высоко ценим долгосрочное сотрудничество и доверие клиентов по всей России. Для постоянных клиентов действует персональная система скидок.
Условия формируются индивидуально и зависят от:
Чтобы узнать свои условия и получить максимально выгодное предложение, свяжитесь с персональным менеджером или напишите нам на почту zakaz@podsnab.ru.
Вы можете оформить заказ несколькими способами:
Для оформления заказа от юридического лица свяжитесь с нашим отделом по работе с корпоративными клиентами по телефону +7 (495) 104-99-04 или напишите на email zakaz@podsnab.ru, прикрепив реквизиты вашей организации.
Мы оперативно подготовим коммерческое предложение и выставим счет.
Возврат товара надлежащего качества возможен в течение 10 дней с момента получения, если товар не был в употреблении, сохранен товарный вид, упаковка не вскрывалась и присутствуют все сопроводительные документы.
Возврат денежных средств осуществляется в течение 10 рабочих дней после проверки товара складом.
В соответствии с законодательством возврату не подлежат подшипники надлежащего качества, если отсутствует оригинальная упаковка или имеются следы монтажа.
В случае выявления брака или гарантийного случая мы гарантируем возврат или обмен товара.
Да, гарантийный срок хранения устанавливается заводом-изготовителем и в среднем составляет 2 года при соблюдении условий хранения: сухое помещение, оригинальная упаковка и смазка.
Точный срок для конкретного типа подшипника уточняйте у наших менеджеров.
Пн–Пт: с 8:00 до 17:00 (МСК).
Сб–Вс: выходные дни.
Заказы на сайте принимаются круглосуточно. Заявки, поступившие после окончания рабочего дня, обрабатываются на следующий рабочий день.
Минимальная сумма заказа для доставки составляет 3000 рублей. Самовывоз со склада возможен на любую сумму при наличии товара.
ООО «УралТехГрупп»
ИНН: 7415093830
КПП: 772401001
ОГРН: 1167456069021
Банк: ПАО Сбербанк
Р/с: 40702810838000475273
К/с: 30101810400000000225
БИК: 044525225
У подшипника NAST35ZZ пока нет отзывов. Вы можете стать первым покупателем, поделившимся своим мнением.