Поиск подшипника
Статьи
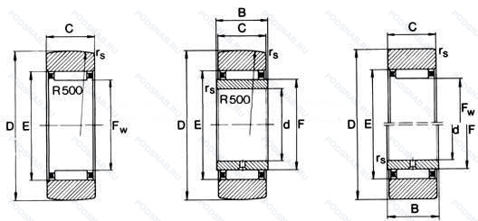
NART30UUR — Опорный ролик, модификация основного исполнения NART30, выпускается производителями: IKO, THK.
Размер ролика: 30x62x28 мм.
Альтернативное обозначение: NATR30PP.
Аналоги: MCYRR30S McGill.
Международная стандартизации ISO
NART30UUR
В наличии
| Обозначение | Конструктивные изменения |
|---|---|
| NART30R | Коронка на наружном кольце. |
| NART30VUUR | Полный тип дополнения. Коронка на наружном кольце. Герметичный тип. |
| NART30 | Опорный ролик. Основное конструктивное исполнение. |
Модификации опорного ролика NART30UUR — это измененное основное конструктивное исполнение NART30, основные размеры (30x62x28) не отличаются.
| Обозначение | Гост | Конструктивные особенности |
|---|---|---|
| NATR30PP | ISO | Уплотнения на каждой стороне подшипника. |
| NUTR30-X-A-P5 | ISO | Двухрядный радиально-упорный шарикоподшипник без отверстия для смазки. Размерная и рабочая точность соответствует классу допуска ISO 5. Цилиндрическая рабочая поверхность. |
| PWTR30-2RS-RR-XL | ISO | Rubber Seals At Each Side Of The Bearing. Temperature Range -30℃/+120℃. Серия X-Life премиум-класс. увеличиный срок службы. Защищен от коррозии специальным покрытием Corrotect®.. |
| NUTR30-X-A | ISO | Переделка во внутренней конструкции. Идентичен старой нотации. Цилиндрическая рабочая поверхность. |
| NATR30R | ISO | Коронка на наружном кольце. |
| MCYRR30S | ISO | Запечатанная версия кулачкового ролика. |
| NUTR206/3AS | ISO | Смазка. Shell Oil Co. Смазка Alvania #3, стандартная заливка.. |
| NATR30LL/3AS | ISO | Контактное. синтетические. резиновое уплотнение с двух сторон. Смазка. Shell Oil Co. Смазка Alvania #3, стандартная заливка.. |
| NUTR30R | ISO | Коронка на наружном кольце. |
| MCYR30X | ISO | Цилиндрическая рабочая поверхность. |
| MCYRR30SX | ISO | Радиально-упорный сферический подшипник скольжения. требующий обслуживания по ISO 12 2402. Монтажные размеры как для конических роликоподшипников по DIN 720. 320X. Стальная скользящая контактная поверхность. |
| NURT30R | ISO | Коронка на наружном кольце. |
| NATR30-X-PP-A | ISO | Переделка во внутренней конструкции. Идентичен старой нотации. Цилиндрическая рабочая поверхность. Манжетные уплотнения с обеих сторон (тип P - две шайбы из оцинкованной листовой стали с промежуточной частью NBR. Кромка уплотнения предварительно нагружена в осевом направлении). Диапазон температур -30℃/+100℃. |
| PWTR30 2RSA | ISO | Переделка во внутренней конструкции. Идентичен старой нотации. Rubber Seals At Each Side Of The Bearing. Temperature Range -30℃/+120℃. |
| NATR30XLL | ISO | Цилиндрическая рабочая поверхность. Контактное уплотнения из синтетической черной резины с обеих сторон. |
| NATV30-X-PP-A | ISO | Переделка во внутренней конструкции. Идентичен старой нотации. Цилиндрическая рабочая поверхность. Манжетные уплотнения с обеих сторон (тип P - две шайбы из оцинкованной листовой стали с промежуточной частью NBR. Кромка уплотнения предварительно нагружена в осевом направлении). Диапазон температур -30℃/+100℃. |
| NATV30LL/3AS | ISO | Контактное. синтетические. резиновое уплотнение с двух сторон. Смазка. Shell Oil Co. Смазка Alvania #3, стандартная заливка.. |
| MCYRR30X | ISO | Цилиндрическая рабочая поверхность. |
| NATR30XLL/3AS | ISO | Цилиндрическая рабочая поверхность. Контактное уплотнения из синтетической черной резины с обеих сторон. Смазка. Shell Oil Co. Смазка Alvania #3, стандартная заливка.. |
| NATV30XLL/3AS | ISO | Цилиндрическая рабочая поверхность. Контактное уплотнения из синтетической черной резины с обеих сторон. Смазка. Shell Oil Co. Смазка Alvania #3, стандартная заливка.. |
| FYCR30R | ISO | С выпуклыми асимметричными роликами и обработанным сепаратором. |
Аналог опорного ролика NART30UUR — это ролик такого же размера dx30,Dx62,Bx28, типа и конструкции.
| Обозначение | Конструктивные особенности | Внутренний (d) | Наружный (D) | Ширина (B) |
|---|---|---|---|---|
| BEAS30/62C 7 P60 | Шариковый радиально-упорный подшипник двойного направления. Усиленные листовой сталью контактные уплотнения из акрилонитрил-бутадиенового каучука (NBR) с обеих сторон подшипника. Литой под давлением сепаратор из полиамида 66. Accuracy To ABEC7 (ISO Tolerance Class 4). Угол контакта 60°. | 30.00 | 62.00 | 28.00 |
| BEAS030062-2RS/PE | Шариковый радиально-упорный подшипник двойного направления. Усиленные листовой сталью контактные уплотнения из акрилонитрил-бутадиенового каучука (NBR) с обеих сторон подшипника. Допуски на увеличенный диаметр и осевое биение по классу точности P5 для радиальных подшипников. | 30.00 | 62.00 | 28.00 |
| BEAS30/62C SQ P60 | Шариковый радиально-упорный подшипник двойного направления. Усиленные листовой сталью контактные уплотнения из акрилонитрил-бутадиенового каучука (NBR) с обеих сторон подшипника. Литой под давлением сепаратор из полиамида 66. Допуски на увеличенный диаметр и осевое биение по классу точности P5 для радиальных подшипников. Угол контакта 60°. | 30.00 | 62.00 | 28.00 |
| BEAS30/62Z 7 P60 | Шариковый радиально-упорный подшипник двойного направления. Защитные металлические шайбы с обеих сторон подшипника. Литой под давлением сепаратор из полиамида 66. Accuracy To ABEC7 (ISO Tolerance Class 4). Угол контакта 60°. | 30.00 | 62.00 | 28.00 |
| RSL182306-A-2S | Однорядный цилиндрический роликовый подшипник. Особенность внутренней конструкции. Bearings Matched In Set Of Two For Side-By-Side Mounting. | 30.00 | 62.30 | 27.00 |
| W219EL | Подшипник для корпуса. Шариковый подшипник. Специальный радиальный внутренний зазор для электродвигателей. | 30.16 | 62.00 | 28.70 |
| AS206D1 | Подшипник для корпуса. Не требующий обслуживания тип. | 30.00 | 62.00 | 29.00 |
| ASS206N | Подшипник для корпуса. Паз в корпусе для крепления защитных колпачков. | 30.00 | 62.00 | 29.00 |
| W5206LU C1 | Подшипник шариковый двухрядный радиально-упорный. Радиальный зазор меньше. чем C2. Контактное армированное уплотнение из резины с одной стороны подшипника. | 30.00 | 62.00 | 27.00 |
| W5206SLLD/2AS | Подшипник шариковый двухрядный радиально-упорный. Прессованный стальной сепаратор. Контактное. синтетические. резиновое уплотнение с двух сторон. LUBRICANT. SHELL OIL CO.. ALVANIA #2 GREASE. MIL-G-18709A. | 30.00 | 62.00 | 27.00 |
| ZKLN3062 2RS PE | Шариковый радиально-упорный подшипник двойного направления. Манжетное уплотнение с обеих сторон подшипника. Допуски на увеличенный диаметр и осевое биение по классу точности P5 для радиальных подшипников. | 30.00 | 62.00 | 28.00 |
| UV30-2 A | Роликовый радиальный однорядный подшипник. Двухрядный радиально-упорный шарикоподшипник без отверстия для смазки. ISO Tolerance Class ABEC.9. | 30.00 | 62.00 | 27.00 |
| RN2306-E-MPBX | Роликовый радиальный однорядный подшипник. Повышенная грузоподъемность. | 30.00 | 62.50 | 27.00 |
| UK206L3 | Шариковый радиальный однорядный подшипник. Тройное манжетное уплотнение для вкладыша подшипника. | 30.00 | 62.00 | 27.00 |
| BEAS 030062-2RZ | Шариковый упорный подшипник. Шарикоподшипник. С уплотнением и низким коэффициентом трения с обеих сторон. Уплотнение состоит из шайбы из листовой стали с вулканизированной резиной. | 30.00 | 62.00 | 28.00 |
Способы доставки
Отправка через ведущие транспортные и курьерские компании: ПЭК, Деловые Линии, СДЭК, Байкал-Сервис, Энергия, КИТ, ЖелДорЭкспедиция.
Самовывоз возможен напрямую со склада в Москве.
Сроки доставки
Срок зависит от региона и выбранной транспортной компании. Все заказы комплектуются и отправляются в кратчайшие сроки со склада в Москве.
Надёжность и сохранность
Вся продукция упаковывается с учётом требований транспортировки. Мы гарантируем, что подшипники и комплектующие прибудут к заказчику в полной сохранности.
Доставка в страны ЕАЭС
Мы работаем с проверенными логистическими партнёрами, что позволяет оперативно доставлять заказы в Беларусь, Казахстан, Армению и другие страны ЕАЭС.
Варианты оплаты:
Минимальная сумма заказа и скидки:
Документы и гарантии:
Да, конечно! Наши технические специалисты готовы помочь вам с подбором точного аналога или замены подшипника. Просто позвоните нам по телефону +7 (495) 104-99-04 или напишите на почту zakaz@podsnab.ru.
Для оперативной консультации подготовьте, пожалуйста, имеющиеся данные: маркировку, размеры, тип оборудования или артикул старого подшипника.
Да, конечно! Мы высоко ценим долгосрочное сотрудничество и доверие клиентов по всей России. Для постоянных клиентов действует персональная система скидок.
Условия формируются индивидуально и зависят от:
Чтобы узнать свои условия и получить максимально выгодное предложение, свяжитесь с персональным менеджером или напишите нам на почту zakaz@podsnab.ru.
Вы можете оформить заказ несколькими способами:
Для оформления заказа от юридического лица свяжитесь с нашим отделом по работе с корпоративными клиентами по телефону +7 (495) 104-99-04 или напишите на email zakaz@podsnab.ru, прикрепив реквизиты вашей организации.
Мы оперативно подготовим коммерческое предложение и выставим счет.
Возврат товара надлежащего качества возможен в течение 10 дней с момента получения, если товар не был в употреблении, сохранен товарный вид, упаковка не вскрывалась и присутствуют все сопроводительные документы.
Возврат денежных средств осуществляется в течение 10 рабочих дней после проверки товара складом.
В соответствии с законодательством возврату не подлежат подшипники надлежащего качества, если отсутствует оригинальная упаковка или имеются следы монтажа.
В случае выявления брака или гарантийного случая мы гарантируем возврат или обмен товара.
Да, гарантийный срок хранения устанавливается заводом-изготовителем и в среднем составляет 2 года при соблюдении условий хранения: сухое помещение, оригинальная упаковка и смазка.
Точный срок для конкретного типа подшипника уточняйте у наших менеджеров.
Пн–Пт: с 8:00 до 17:00 (МСК).
Сб–Вс: выходные дни.
Заказы на сайте принимаются круглосуточно. Заявки, поступившие после окончания рабочего дня, обрабатываются на следующий рабочий день.
Минимальная сумма заказа для доставки составляет 3000 рублей. Самовывоз со склада возможен на любую сумму при наличии товара.
ООО «УралТехГрупп»
ИНН: 7415093830
КПП: 772401001
ОГРН: 1167456069021
Банк: ПАО Сбербанк
Р/с: 40702810838000475273
К/с: 30101810400000000225
БИК: 044525225
У подшипника NART30UUR пока нет отзывов. Вы можете стать первым покупателем, поделившимся своим мнением.