Поиск подшипника
Статьи
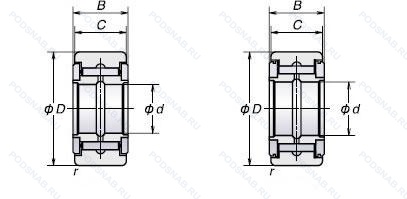
NATR12X — Опорный ролик, модификация основного исполнения NATR12, выпускается производителями: INA, NTN, SKF, TORRINGTON.
Размер ролика: 12x32x14 мм.
Опорный ролик, yoke-тип, профилированный наружный диаметр, с внутренним кольцом, с шайбами, измененные размеры границ. введенные пересмотренными стандартами iso.
Аналоги: NATR12X INA,NATR12-X INA,NATR12DZ Torrington.
Международная стандартизации ISO
NATR12X
В наличии
| Обозначение | Конструктивные изменения |
|---|---|
| NATR12DZ | Опорные ролики игольчатого типа. Цилиндрический наружный диаметр. Литой сепаратор оконного типа из полиамида. усиленного стекловолокном. |
| NATR12PPA | Измененная или модифицированная внутренняя конструкция при неизменных основных размерах. Скользящие уплотнительные кольца из полиамида с обеих сторон, улучшенный корончатый профиль рабочей поверхности наружного кольца. |
| NATR12PP | Уплотнения на каждой стороне подшипника. |
| NATR12 | Измененная или модифицированная внутренняя конструкция при неизменных основных размерах. Основное конструктивное исполнение. |
| NATR12PPX | Скользящие уплотнительные кольца из полиамида с обеих сторон, улучшенный корончатый профиль рабочей поверхности наружного кольца. |
| NATR12PPXA | Измененная или модифицированная внутренняя конструкция при неизменных основных размерах. Скользящие уплотнительные кольца из полиамида с обеих сторон, улучшенный корончатый профиль рабочей поверхности наружного кольца. |
| NATR12CLLT/3AS | Контактное. синтетические. резиновое уплотнение с двух сторон. Смазка. Shell Oil Co. Смазка Alvania #3, стандартная заливка.. |
| NATR12X LL | Цилиндрическая рабочая поверхность. Контактное уплотнения из синтетической черной резины с обеих сторон. |
| NATR12LL | Контактное. синтетические. резиновое уплотнение с двух сторон. |
| NATR12-X-PP-A | Переделка во внутренней конструкции. Идентичен старой нотации. Цилиндрическая рабочая поверхность. Манжетные уплотнения с обеих сторон (тип P - две шайбы из оцинкованной листовой стали с промежуточной частью NBR. Кромка уплотнения предварительно нагружена в осевом направлении). Диапазон температур -30℃/+100℃. |
| NATR12XCT | Цилиндрическая рабочая поверхность. |
Модификации опорного ролика NATR12X — это измененное основное конструктивное исполнение NATR12, основные размеры (12x32x14) не отличаются.
| Обозначение | Гост | Конструктивные особенности |
|---|---|---|
| NA2201 2RS | ISO | Резиновые уплотнения с каждой стороны подшипника. Игольчатый роликовый подшипник с размерами по ISO 15. |
| NATV12X | ISO | Измененные размеры границ. введенные пересмотренными стандартами ISO. |
| NATV12-PP-X-A | ISO | Двухрядный радиально-упорный шарикоподшипник без отверстия для смазки. Измененные размеры границ. введенные пересмотренными стандартами ISO. Уплотнения на каждой стороне подшипника. |
| NA2201-2RSR | ISO | Резиновые уплотнения с каждой стороны подшипника. |
| NATV12 | ISO | Измененная или модифицированная внутренняя конструкция при неизменных основных размерах. |
| MCYRR12SX | ISO | Радиально-упорный сферический подшипник скольжения. требующий обслуживания по ISO 12 2402. Монтажные размеры как для конических роликоподшипников по DIN 720. 320X. Стальная скользящая контактная поверхность. |
| NATV12-PP | ISO | Уплотнения на каждой стороне подшипника. |
| FG1232EEM | ISO | Металлические уплотнения с двух сторон подшипника. |
| FG1232EE | ISO | Уплотнения с двух сторон подшипника. |
| NA2201LL | ISO | Контактное. синтетические. резиновое уплотнение с двух сторон. |
| MCYR12S | ISO | Запечатанная версия кулачкового ролика. |
| NART12UUR | ISO | Коронка на наружном кольце. Резиновые уплотнения с каждой стороны подшипника. |
| NA2201LL/3AS | ISO | Контактное. синтетические. резиновое уплотнение с двух сторон. Смазка. Shell Oil Co. Смазка Alvania #3, стандартная заливка.. |
| NATV12LL | ISO | Контактное. синтетические. резиновое уплотнение с двух сторон. |
| NATV12XLL/3AS | ISO | Цилиндрическая рабочая поверхность. Контактное уплотнения из синтетической черной резины с обеих сторон. Смазка. Shell Oil Co. Смазка Alvania #3, стандартная заливка.. |
| NART12VR | ISO | Коронка на наружном кольце. Подшипник без сепаратора. С полным комплектом тел качения. Когда в суффиксе упоминается только «V». Это означает. что подшипник уплотнен. Поэтому используйте «2Z» в сегменте «Уплотнение».. |
| MCYR12X | ISO | Цилиндрическая рабочая поверхность. |
| MCYR12SX | ISO | Радиально-упорный сферический подшипник скольжения. требующий обслуживания по ISO 12 2402. Монтажные размеры как для конических роликоподшипников по DIN 720. 320X. Стальная скользящая контактная поверхность. |
| NATV12-X-PP-A | ISO | Переделка во внутренней конструкции. Идентичен старой нотации. Цилиндрическая рабочая поверхность. Манжетные уплотнения с обеих сторон (тип P - две шайбы из оцинкованной листовой стали с промежуточной частью NBR. Кромка уплотнения предварительно нагружена в осевом направлении). Диапазон температур -30℃/+100℃. |
| NA2201-X-2RSR | ISO | Rubber Seals At Each Side Of The Bearing. Temperature Range -30℃/+120℃. Цилиндрическая рабочая поверхность. |
Аналог опорного ролика NATR12X — это ролик такого же размера dx12,Dx32,Bx14, типа и конструкции.
| Обозначение | Конструктивные особенности | Внутренний (d) | Наружный (D) | Ширина (B) |
|---|---|---|---|---|
| 75-180501 Е1Т2С4 | Шариковый радиальный однорядный подшипник. Сепаратор из текстолита.. 200°. Температура отпуска. Смазка ЦИАТИМ-221С. | 12.00 | 32.00 | 14.00 |
| 75-180501 Е2Т2С15 | Шариковый радиальный однорядный подшипник. 200°. Температура отпуска. Сепаратор из пластических материалов.. Смазка ВНИИНП-207. | 12.00 | 32.00 | 14.00 |
| 75-180501 Е2Т2С2 | Шариковый радиальный однорядный подшипник. 200°. Смазка ЦИАТИМ-221. Температура отпуска. Сепаратор из пластических материалов.. | 12.00 | 32.00 | 14.00 |
| 75-180501 Е3С1 | Шариковый радиальный однорядный подшипник. Сепаратор из пластических материалов.. Смазка ОКБ 122-7. | 12.00 | 32.00 | 14.00 |
| NA2201XLL | Роликовый игольчатый подшипник однорядный. Два уплотнения. | 12.00 | 32.00 | 14.00 |
| 180501-АС5 | Шариковый радиальный однорядный подшипник. Повышенная грузоподъемность. Смазка ЦИАТИМ-202. | 12.00 | 32.00 | 14.00 |
| 180501-АС9 | Шариковый радиальный однорядный подшипник. Повышенная грузоподъемность. Смазка ЛЗ-31. | 12.00 | 32.00 | 14.00 |
| 180501-К4С5 | Шариковый радиальный однорядный подшипник. Смазка ЦИАТИМ-202. | 12.00 | 32.00 | 14.00 |
| 180501-К4С9 | Шариковый радиальный однорядный подшипник. «Замок» (скос) на внутреннем кольце плюс массивный сепаратор из текстолита. Смазка ЛЗ-31. | 12.00 | 32.00 | 14.00 |
| 180501-С1 | Шариковый радиальный однорядный подшипник. Смазка ОКБ 122-7. | 12.00 | 32.00 | 14.00 |
| 25-180501 Е1С2 | Шариковый радиальный однорядный подшипник. Сепаратор из текстолита.. Смазка ЦИАТИМ-221. | 12.00 | 32.00 | 14.00 |
| 2201 TN9 | Шариковый сферический двухрядный подшипник. Литой защелкивающийся сепаратор из полиамида. армированного стекловолокном 6.6. | 12.00 | 32.00 | 14.00 |
| 5-160501 ЕТ2 | Шариковый радиальный однорядный подшипник. Сепаратор из текстолита.. 200°. Температура отпуска. | 12.00 | 32.00 | 14.00 |
| 6-180501 АС9Ш1 | Шариковый радиальный однорядный подшипник. Повышенная грузоподъемность. Нормы шумности. Смазка ЛЗ-31. | 12.00 | 32.00 | 14.00 |
| 6-180501 К4С9Ш1 | Шариковый радиальный однорядный подшипник. Нормы шумности. Смазка ЛЗ-31. | 12.00 | 32.00 | 14.00 |
Способы доставки
Отправка через ведущие транспортные и курьерские компании: ПЭК, Деловые Линии, СДЭК, Байкал-Сервис, Энергия, КИТ, ЖелДорЭкспедиция.
Самовывоз возможен напрямую со склада в Москве.
Сроки доставки
Срок зависит от региона и выбранной транспортной компании. Все заказы комплектуются и отправляются в кратчайшие сроки со склада в Москве.
Надёжность и сохранность
Вся продукция упаковывается с учётом требований транспортировки. Мы гарантируем, что подшипники и комплектующие прибудут к заказчику в полной сохранности.
Доставка в страны ЕАЭС
Мы работаем с проверенными логистическими партнёрами, что позволяет оперативно доставлять заказы в Беларусь, Казахстан, Армению и другие страны ЕАЭС.
Варианты оплаты:
Минимальная сумма заказа и скидки:
Документы и гарантии:
Да, конечно! Наши технические специалисты готовы помочь вам с подбором точного аналога или замены подшипника. Просто позвоните нам по телефону +7 (495) 104-99-04 или напишите на почту zakaz@podsnab.ru.
Для оперативной консультации подготовьте, пожалуйста, имеющиеся данные: маркировку, размеры, тип оборудования или артикул старого подшипника.
Да, конечно! Мы высоко ценим долгосрочное сотрудничество и доверие клиентов по всей России. Для постоянных клиентов действует персональная система скидок.
Условия формируются индивидуально и зависят от:
Чтобы узнать свои условия и получить максимально выгодное предложение, свяжитесь с персональным менеджером или напишите нам на почту zakaz@podsnab.ru.
Вы можете оформить заказ несколькими способами:
Для оформления заказа от юридического лица свяжитесь с нашим отделом по работе с корпоративными клиентами по телефону +7 (495) 104-99-04 или напишите на email zakaz@podsnab.ru, прикрепив реквизиты вашей организации.
Мы оперативно подготовим коммерческое предложение и выставим счет.
Возврат товара надлежащего качества возможен в течение 10 дней с момента получения, если товар не был в употреблении, сохранен товарный вид, упаковка не вскрывалась и присутствуют все сопроводительные документы.
Возврат денежных средств осуществляется в течение 10 рабочих дней после проверки товара складом.
В соответствии с законодательством возврату не подлежат подшипники надлежащего качества, если отсутствует оригинальная упаковка или имеются следы монтажа.
В случае выявления брака или гарантийного случая мы гарантируем возврат или обмен товара.
Да, гарантийный срок хранения устанавливается заводом-изготовителем и в среднем составляет 2 года при соблюдении условий хранения: сухое помещение, оригинальная упаковка и смазка.
Точный срок для конкретного типа подшипника уточняйте у наших менеджеров.
Пн–Пт: с 8:00 до 17:00 (МСК).
Сб–Вс: выходные дни.
Заказы на сайте принимаются круглосуточно. Заявки, поступившие после окончания рабочего дня, обрабатываются на следующий рабочий день.
Минимальная сумма заказа для доставки составляет 3000 рублей. Самовывоз со склада возможен на любую сумму при наличии товара.
ООО «УралТехГрупп»
ИНН: 7415093830
КПП: 772401001
ОГРН: 1167456069021
Банк: ПАО Сбербанк
Р/с: 40702810838000475273
К/с: 30101810400000000225
БИК: 044525225
У подшипника NATR12X пока нет отзывов. Вы можете стать первым покупателем, поделившимся своим мнением.