Поиск подшипника
Статьи
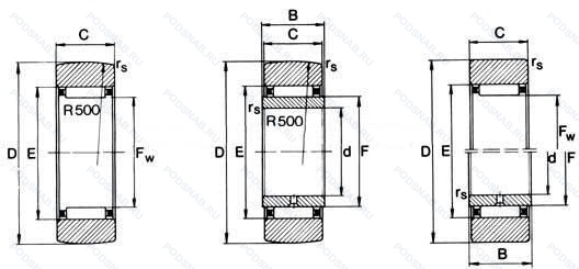
NART35VUUR — Опорный ролик, модификация основного исполнения NART35, выпускается производителями: FBJ, IKO, JMC JALMAN.
Размер ролика: 35x72x28 мм.
Альтернативное обозначение: MCYR35S, NATV35-PP-A.
Аналоги: NATV35-PP-A INA,MCYR35S McGill,NATV35PPA SKF,NART35VUUR JMC Jalman.
Международная стандартизации ISO
NART35VUUR
В наличии
| Обозначение | Конструктивные изменения |
|---|---|
| NART35R | Коронка на наружном кольце. |
| NART35UU | Символ защиты от загрязнения. |
Модификации опорного ролика NART35VUUR — это измененное основное конструктивное исполнение NART35, основные размеры (35x72x28) не отличаются.
| Обозначение | Гост | Конструктивные особенности |
|---|---|---|
| NATR35PPXA | ISO | Скользящие уплотнительные кольца из полиамида с обеих сторон, улучшенный корончатый профиль рабочей поверхности наружного кольца. |
| NATV35XLL/3AS | ISO | Цилиндрическая рабочая поверхность. Контактное уплотнения из синтетической черной резины с обеих сторон. Смазка. Shell Oil Co. Смазка Alvania #3, стандартная заливка.. |
| NATR35XLL/3AS | ISO | Цилиндрическая рабочая поверхность. Контактное уплотнения из синтетической черной резины с обеих сторон. Смазка. Shell Oil Co. Смазка Alvania #3, стандартная заливка.. |
| NUTR207/3AS | ISO | Смазка. Shell Oil Co. Смазка Alvania #3, стандартная заливка.. |
| MCYRR35S | ISO | Запечатанная версия кулачкового ролика. |
| NUTR35-X-A-L091 | ISO | Двухрядный радиально-упорный шарикоподшипник без отверстия для смазки. Цилиндрическая рабочая поверхность. Optimized Grease For All Purposes. Temperature Range Approximately -50°C / +120°C - Description/ Isoflex® LDS 18 Special A)-Is A Dynamically Light Long-Term Grease For Plain And Rolling Bearings. It Consists Of Ester Oil. Mineral Oil And Lithium Soap. The Product Is Resistant To Ageing. Oxidation And Water. And It Protects Reliably Against Corrosion. Application/ Isoflex® LDS 18 Special A Is Suitable For Plain And Rolling Bearings Operating At Low Temperatures And/Or High Speeds. For Example In Grinding Spindles. Machine Tool Spindles. Spindle Bearings. Textile Spindles. Bearings In Oe-Spinning Turbines. Bearings In Precision And Optical Equipment. |
| PWTR35-2RS-RR-XL | ISO | Rubber Seals At Each Side Of The Bearing. Temperature Range -30℃/+120℃. Серия X-Life премиум-класс. увеличиный срок службы. Защищен от коррозии специальным покрытием Corrotect®.. |
| MCYRD35X | ISO | Цилиндрическая рабочая поверхность. |
| MCYRR35SX | ISO | Радиально-упорный сферический подшипник скольжения. требующий обслуживания по ISO 12 2402. Монтажные размеры как для конических роликоподшипников по DIN 720. 320X. Стальная скользящая контактная поверхность. |
| NUTR35-1 | ISO | Number Of Carriages Per Rail Track. |
| NATV35XLL | ISO | Цилиндрическая рабочая поверхность. Контактное уплотнения из синтетической черной резины с обеих сторон. |
| MCYR35SX | ISO | Радиально-упорный сферический подшипник скольжения. требующий обслуживания по ISO 12 2402. Монтажные размеры как для конических роликоподшипников по DIN 720. 320X. Стальная скользящая контактная поверхность. |
| NATV35PPX P6 | ISO | Размерные и геометрические допуски соответствуют классу точности P6. Скользящие уплотнительные кольца из полиамида с обеих сторон, улучшенный корончатый профиль рабочей поверхности наружного кольца. |
| NUTR35-X-A | ISO | Переделка во внутренней конструкции. Идентичен старой нотации. Цилиндрическая рабочая поверхность. |
| NATV35-PP-A | ISO | Переделка во внутренней конструкции. Идентичен старой нотации. Манжетные уплотнения с обеих сторон (тип P - две шайбы из оцинкованной листовой стали с промежуточной частью NBR. Кромка уплотнения предварительно нагружена в осевом направлении). Диапазон температур -30℃/+100℃. |
| PWTR35 2RSA | ISO | Переделка во внутренней конструкции. Идентичен старой нотации. Rubber Seals At Each Side Of The Bearing. Temperature Range -30℃/+120℃. |
| NATR35X LL | ISO | Цилиндрическая рабочая поверхность. Контактное уплотнения из синтетической черной резины с обеих сторон. |
| NATR35-X-PP-A | ISO | Переделка во внутренней конструкции. Идентичен старой нотации. Цилиндрическая рабочая поверхность. Манжетные уплотнения с обеих сторон (тип P - две шайбы из оцинкованной листовой стали с промежуточной частью NBR. Кромка уплотнения предварительно нагружена в осевом направлении). Диапазон температур -30℃/+100℃. |
| NATR35LL | ISO | Контактное. синтетические. резиновое уплотнение с двух сторон. |
| NATR35LL/3AS | ISO | Контактное. синтетические. резиновое уплотнение с двух сторон. Смазка. Shell Oil Co. Смазка Alvania #3, стандартная заливка.. |
Аналог опорного ролика NART35VUUR — это ролик такого же размера dx35,Dx72,Bx28, типа и конструкции.
| Обозначение | Конструктивные особенности | Внутренний (d) | Наружный (D) | Ширина (B) |
|---|---|---|---|---|
| 3056207-Д | Шариковый радиально-упорный двухрядный подшипник. Сепаратор из алюминиевого сплава.. | 35.00 | 72.00 | 27.00 |
| 3056207-Е | Шариковый радиально-упорный двухрядный подшипник. Сепаратор из текстолита.. | 35.00 | 72.00 | 27.00 |
| 3056207-К | Шариковый радиально-упорный двухрядный подшипник. «Замок» (скос) на внутреннем кольце плюс массивный сепаратор из текстолита. | 35.00 | 72.00 | 27.00 |
| 3056207-К1 | Шариковый радиально-упорный двухрядный подшипник. «Замок» (скос) на внутреннем кольце плюс массивный сепаратор из текстолита. | 35.00 | 72.00 | 27.00 |
| 3056207-Ю | Шариковый радиально-упорный двухрядный подшипник. Все детали или часть деталей из нержавеющей стали.. | 35.00 | 72.00 | 27.00 |
| 3056207.2RS | Шариковый радиально-упорный двухрядный подшипник. Резиновые уплотнения с каждой стороны подшипника. | 35.00 | 72.00 | 27.00 |
| 3056207-Л | Шариковый радиально-упорный двухрядный подшипник. Сепаратор из латуни.. | 35.00 | 72.00 | 27.00 |
| 3086207-Е | Шариковый радиально-упорный двухрядный подшипник. Сепаратор из текстолита.. | 35.00 | 72.00 | 27.00 |
| 63207-2RS | Шариковый радиальный однорядный подшипник. Резиновые уплотнения с каждой стороны подшипника. | 35.00 | 72.00 | 27.00 |
| W6207-2RS | Шариковый радиальный однорядный подшипник. Резиновые уплотнения с каждой стороны подшипника. | 35.00 | 72.00 | 27.00 |
| W6207-ZZ | Шариковый радиальный однорядный подшипник. Защитные металлические шайбы с обеих сторон. | 35.00 | 72.00 | 27.00 |
| 6-3056207 Ш | Шариковый радиально-упорный двухрядный подшипник. Нормы шумности. | 35.00 | 72.00 | 27.00 |
| 6-3092207 ЛМ | Роликовый радиальный однорядный подшипник. Сепаратор из латуни.. Модифицированный контакт.. | 35.00 | 72.00 | 27.00 |
| 33207F | Роликовый радиальный-упорный однорядный подшипник. Сепаратор из обработанной стали или специального чугуна. | 35.00 | 72.00 | 28.00 |
| TR357228HL | Роликовый радиальный-упорный однорядный подшипник. Подшипник роликовый сферический повышенной грузоподъемности. | 35.00 | 72.00 | 28.57 |
Способы доставки
Отправка через ведущие транспортные и курьерские компании: ПЭК, Деловые Линии, СДЭК, Байкал-Сервис, Энергия, КИТ, ЖелДорЭкспедиция.
Самовывоз возможен напрямую со склада в Москве.
Сроки доставки
Срок зависит от региона и выбранной транспортной компании. Все заказы комплектуются и отправляются в кратчайшие сроки со склада в Москве.
Надёжность и сохранность
Вся продукция упаковывается с учётом требований транспортировки. Мы гарантируем, что подшипники и комплектующие прибудут к заказчику в полной сохранности.
Доставка в страны ЕАЭС
Мы работаем с проверенными логистическими партнёрами, что позволяет оперативно доставлять заказы в Беларусь, Казахстан, Армению и другие страны ЕАЭС.
Варианты оплаты:
Минимальная сумма заказа и скидки:
Документы и гарантии:
Да, конечно! Наши технические специалисты готовы помочь вам с подбором точного аналога или замены подшипника. Просто позвоните нам по телефону +7 (495) 104-99-04 или напишите на почту zakaz@podsnab.ru.
Для оперативной консультации подготовьте, пожалуйста, имеющиеся данные: маркировку, размеры, тип оборудования или артикул старого подшипника.
Да, конечно! Мы высоко ценим долгосрочное сотрудничество и доверие клиентов по всей России. Для постоянных клиентов действует персональная система скидок.
Условия формируются индивидуально и зависят от:
Чтобы узнать свои условия и получить максимально выгодное предложение, свяжитесь с персональным менеджером или напишите нам на почту zakaz@podsnab.ru.
Вы можете оформить заказ несколькими способами:
Для оформления заказа от юридического лица свяжитесь с нашим отделом по работе с корпоративными клиентами по телефону +7 (495) 104-99-04 или напишите на email zakaz@podsnab.ru, прикрепив реквизиты вашей организации.
Мы оперативно подготовим коммерческое предложение и выставим счет.
Возврат товара надлежащего качества возможен в течение 10 дней с момента получения, если товар не был в употреблении, сохранен товарный вид, упаковка не вскрывалась и присутствуют все сопроводительные документы.
Возврат денежных средств осуществляется в течение 10 рабочих дней после проверки товара складом.
В соответствии с законодательством возврату не подлежат подшипники надлежащего качества, если отсутствует оригинальная упаковка или имеются следы монтажа.
В случае выявления брака или гарантийного случая мы гарантируем возврат или обмен товара.
Да, гарантийный срок хранения устанавливается заводом-изготовителем и в среднем составляет 2 года при соблюдении условий хранения: сухое помещение, оригинальная упаковка и смазка.
Точный срок для конкретного типа подшипника уточняйте у наших менеджеров.
Пн–Пт: с 8:00 до 17:00 (МСК).
Сб–Вс: выходные дни.
Заказы на сайте принимаются круглосуточно. Заявки, поступившие после окончания рабочего дня, обрабатываются на следующий рабочий день.
Минимальная сумма заказа для доставки составляет 3000 рублей. Самовывоз со склада возможен на любую сумму при наличии товара.
ООО «УралТехГрупп»
ИНН: 7415093830
КПП: 772401001
ОГРН: 1167456069021
Банк: ПАО Сбербанк
Р/с: 40702810838000475273
К/с: 30101810400000000225
БИК: 044525225
У подшипника NART35VUUR пока нет отзывов. Вы можете стать первым покупателем, поделившимся своим мнением.