Поиск подшипника
Статьи
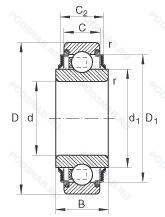
206KRRB AH06 — Подшипник для корпуса, модификация основного исполнения 206, производство INA.
Размер подшипника: 30x62x24 мм.
Манжетные уплотнения с обеих сторон (уплотнение типа r - имеет оцинкованные внутреннюю и внешнюю крышки. между крышками имеется уплотнительная кромка nbr. идущая по шлифованному буртику), подшипник со сферическим наружным кольцом.
Аналоги: 206KRRB6 Timken,206KRRB6 Fafnir.
Международная стандартизации ISO
206KRRBAH06
В наличии
| Обозначение | Конструктивные изменения |
|---|---|
| NJ 206 ECML | Однорядный цилиндрический роликовый подшипник. |
| NU 206 ECKP | Однорядный цилиндрический роликовый подшипник. |
| NUP 206 ECML | Однорядный цилиндрический роликовый подшипник. |
| NU 206 EW | Однорядный. |
| 206FC138850A | Угол контакта 20 градусов. |
| 206KBE2801+L | Одно механическое уплотнение. |
| RIS 206 A | Измененная или модифицированная внутренняя конструкция при неизменных основных размерах. |
| YARAG 206-104 | 1.1/4. |
| YARAG 206-103 | 1.3/16. |
| YARAG 206-102 | 1.1/8. |
| YSA 206-2FK + H 2306 | Pressed Snap-Type Steel Cage. Hardened. |
| YSP 206-103 SB-2F | Стандартное контактное уплотнение с дополнительным маслоотражательным кольцом с обеих сторон. Double Row. Angular Contact. Non-Filling Notch Bearing. With Outwardly Convergent Угол контактаs. Rigid Design. 1.3/16. |
| YSP 206 SB-2F | Стандартное контактное уплотнение с дополнительным маслоотражательным кольцом с обеих сторон. Double Row. Angular Contact. Non-Filling Notch Bearing. With Outwardly Convergent Угол контактаs. Rigid Design. |
| BL 206 Z | щит из листовой прессованной стали с одной стороны подшипника. |
| BL 206 ZZ | Защитные металлические шайбы с обеих сторон. |
| BB1-0206A | Измененная или модифицированная внутренняя конструкция при неизменных основных размерах. |
| BSA 206 C | 15° Угол контакта. |
| FBSA 206 A/QFC | Измененная или модифицированная внутренняя конструкция при неизменных основных размерах. |
| FBSA 206 A/QBC | Измененная или модифицированная внутренняя конструкция при неизменных основных размерах. Четыре подшипника в O-образной компоновке. |
| FBSA 206/DB | Two Single Row Deep Groove Ball Bearings. Single Row Angular Contact Ball Bearings Or Single Row Tapered Roller Bearings Matched For Mounting In A Back-To-Back Arrangement. |
| FBSA 206/QBC | Четыре подшипника в O-образной компоновке. |
| FBSA 206/DF | Комплект из двух подшипников. согласованных для установки по Х-образной схеме. Число. следующее непосредственно после букв DF. обозначает конструкцию промежуточного кольца. |
| BSA 206 CG | Резьбовой винт со стопором и защелкой. |
| BSA 206 CG-2RZ | Шарикоподшипник. С уплотнением и низким коэффициентом трения с обеих сторон. Уплотнение состоит из шайбы из листовой стали с вулканизированной резиной. Резьбовой винт со стопором и защелкой. |
| N 206 ECM | Однорядный цилиндрический роликовый подшипник. |
Модификации подшипника для корпуса 206KRRB AH06 — это измененное основное конструктивное исполнение 206, основные размеры (30x62x24) не отличаются.
| Обозначение | Гост | Конструктивные особенности |
|---|---|---|
| FD206 | ISO | Подшипник для корпуса. |
| G206KPPB4 | ISO | Подшипник для корпуса. |
| YET206-103 | ISO | 1.3/16. |
| RA103RR+COL | ISO | С выпуклыми асимметричными роликами. Обработанный сепаратор штыревого типа из медного сплава. С центральным ребром. С ребрами с двух сторон (для предотвращения падения роликов). Товар включает втулку. |
| SA206 | ISO | Подшипник для корпуса. |
| YET206 | ISO | Подшипник для корпуса. |
| AEL206D1 | ISO | Не требующий обслуживания тип. |
| RA103RRB | ISO | Два резиновых уплотнения Land Riding со сферическим наружным диаметром (B). |
| YET206/VL065 | ISO | Zinc-Coated Inner Ring Bore And Side Faces. |
| SA206F | ISO | Сепаратор из обработанной стали или специального чугуна. |
| GRA103RRB+COL | ISO | Товар включает втулку. Два резиновых уплотнения Land Riding со сферическим наружным диаметром (B). |
| G206KRRB6 | ISO | Conrad (Non-Filling Slot) Type. Сферический внешний диаметр. Резиновое уплотнение с двух сторон. |
| NPS103RRC | ISO | Указывает на наличие эксцентрикового стопорного кольца в комплекте с подшипником. Подшипники с установочным винтом не имеют втулки. Narrow Single Lip Seal. |
| RA103KRRB | ISO | Подшипник со сферическим наружным кольцом. Манжетные уплотнения с обеих сторон (уплотнение типа R - имеет оцинкованные внутреннюю и внешнюю крышки. Между крышками имеется уплотнительная кромка NBR. идущая по шлифованному буртику). |
| RAE30-NPP-B-L285/70-OSE | ISO | Подшипник со сферическим наружным кольцом. Манжетные уплотнения с обеих сторон (Тип P — две шайбы из оцинкованной листовой стали с промежуточной частью из NBR. Кромка уплотнения предварительно нагружена в осевом направлении). Renolit GA3 Greasefill 25-40%. Temp Range -30°C to +120°C. Подшипник без стопорного элемента ( эксцентриковая стопорная втулка). Длина рельса в мм. |
| G206KPP4 | ISO | Conrad. Non-Filling Slot Type. Два трехслойных уплотнения. |
| RA103RR | ISO | Резиновое уплотнение с двух сторон. |
| RA103NPP2 | ISO | Манжетные уплотнения с обеих сторон подшипника. Несъемное уплотнение. |
Аналог подшипника для корпуса 206KRRB AH06 — это подшипник такого же размера dx30,Dx62,Bx24, типа и конструкции.
| Обозначение | Конструктивные особенности | Внутренний (d) | Наружный (D) | Ширина (B) |
|---|---|---|---|---|
| 76-3160206 ЕТ2 | Шариковый радиальный однорядный подшипник. Сепаратор из текстолита.. 200°. Температура отпуска. | 30.00 | 62.00 | 23.80 |
| 76-3160206 ЕТ2С4 | Шариковый радиальный однорядный подшипник. Сепаратор из текстолита.. 200°. Температура отпуска. Смазка ЦИАТИМ-221С. | 30.00 | 62.00 | 23.80 |
| 76-3180206 ЕТ2С4 | Шариковый радиальный однорядный подшипник. Сепаратор из текстолита.. 200°. Температура отпуска. Смазка ЦИАТИМ-221С. | 30.00 | 62.00 | 23.80 |
| 1/LJ30FF | Шариковый радиальный однорядный подшипник. Number Of Carriages Per Rail Track. | 30.00 | 62.00 | 24.00 |
| SC06C88LLA | Шариковый радиальный однорядный подшипник. Уплотнение из полиакрила. | 30.00 | 62.00 | 23.00 |
| SX0663LLUC4 | Шариковый радиальный однорядный подшипник. Внутренний радиальный зазор С4. Двухкромочное нитриловое контактное уплотнение. | 30.00 | 62.00 | 24.00 |
| 63206LLB | Шариковый радиальный однорядный подшипник. Уплотнение бесконтактного типа из синтетического каучука. | 30.00 | 62.00 | 23.80 |
| AB40648 | Шариковый радиальный однорядный подшипник. Однорядный радиально-упорный шариковый подшипник с полиамидным сепаратором. | 30.00 | 62.00 | 23.81 |
| RAE30RR | Шариковый радиальный однорядный подшипник. С выпуклыми асимметричными роликами. Обработанный сепаратор штыревого типа из медного сплава. С центральным ребром. С ребрами с двух сторон (для предотвращения падения роликов). | 30.00 | 62.00 | 23.82 |
| W206PPG | Шариковый радиальный однорядный подшипник. Широкий. Два уплотнения и стопорное кольцо. | 30.00 | 62.00 | 23.83 |
| GRA103RR | Шариковый радиальный однорядный подшипник. С выпуклыми асимметричными роликами. Обработанный сепаратор штыревого типа из медного сплава. С центральным ребром. С ребрами с двух сторон (для предотвращения падения роликов). | 30.16 | 62.00 | 23.83 |
| GRA103RRB | Шариковый радиальный однорядный подшипник. Два резиновых уплотнения Land Riding со сферическим наружным диаметром (B). | 30.16 | 62.00 | 23.83 |
| GRAE30RR | Шариковый радиальный однорядный подшипник. С выпуклыми асимметричными роликами. Обработанный сепаратор штыревого типа из медного сплава. С центральным ребром. С ребрами с двух сторон (для предотвращения падения роликов). | 30.00 | 62.00 | 23.83 |
| 530206-К1С9 | Шариковый радиальный однорядный подшипник. «Замок» (скос) на внутреннем кольце плюс массивный сепаратор из текстолита. Смазка ЛЗ-31. | 30.00 | 62.00 | 24.00 |
| 530206АК | Шариковый радиальный однорядный подшипник. Повышенная грузоподъемность. | 30.00 | 62.00 | 24.00 |
Способы доставки
Отправка через ведущие транспортные и курьерские компании: ПЭК, Деловые Линии, СДЭК, Байкал-Сервис, Энергия, КИТ, ЖелДорЭкспедиция.
Самовывоз возможен напрямую со склада в Москве.
Сроки доставки
Срок зависит от региона и выбранной транспортной компании. Все заказы комплектуются и отправляются в кратчайшие сроки со склада в Москве.
Надёжность и сохранность
Вся продукция упаковывается с учётом требований транспортировки. Мы гарантируем, что подшипники и комплектующие прибудут к заказчику в полной сохранности.
Доставка в страны ЕАЭС
Мы работаем с проверенными логистическими партнёрами, что позволяет оперативно доставлять заказы в Беларусь, Казахстан, Армению и другие страны ЕАЭС.
Варианты оплаты:
Минимальная сумма заказа и скидки:
Документы и гарантии:
Да, конечно! Наши технические специалисты готовы помочь вам с подбором точного аналога или замены подшипника. Просто позвоните нам по телефону +7 (495) 104-99-04 или напишите на почту zakaz@podsnab.ru.
Для оперативной консультации подготовьте, пожалуйста, имеющиеся данные: маркировку, размеры, тип оборудования или артикул старого подшипника.
Да, конечно! Мы высоко ценим долгосрочное сотрудничество и доверие клиентов по всей России. Для постоянных клиентов действует персональная система скидок.
Условия формируются индивидуально и зависят от:
Чтобы узнать свои условия и получить максимально выгодное предложение, свяжитесь с персональным менеджером или напишите нам на почту zakaz@podsnab.ru.
Вы можете оформить заказ несколькими способами:
Для оформления заказа от юридического лица свяжитесь с нашим отделом по работе с корпоративными клиентами по телефону +7 (495) 104-99-04 или напишите на email zakaz@podsnab.ru, прикрепив реквизиты вашей организации.
Мы оперативно подготовим коммерческое предложение и выставим счет.
Возврат товара надлежащего качества возможен в течение 10 дней с момента получения, если товар не был в употреблении, сохранен товарный вид, упаковка не вскрывалась и присутствуют все сопроводительные документы.
Возврат денежных средств осуществляется в течение 10 рабочих дней после проверки товара складом.
В соответствии с законодательством возврату не подлежат подшипники надлежащего качества, если отсутствует оригинальная упаковка или имеются следы монтажа.
В случае выявления брака или гарантийного случая мы гарантируем возврат или обмен товара.
Да, гарантийный срок хранения устанавливается заводом-изготовителем и в среднем составляет 2 года при соблюдении условий хранения: сухое помещение, оригинальная упаковка и смазка.
Точный срок для конкретного типа подшипника уточняйте у наших менеджеров.
Пн–Пт: с 8:00 до 17:00 (МСК).
Сб–Вс: выходные дни.
Заказы на сайте принимаются круглосуточно. Заявки, поступившие после окончания рабочего дня, обрабатываются на следующий рабочий день.
Минимальная сумма заказа для доставки составляет 3000 рублей. Самовывоз со склада возможен на любую сумму при наличии товара.
ООО «УралТехГрупп»
ИНН: 7415093830
КПП: 772401001
ОГРН: 1167456069021
Банк: ПАО Сбербанк
Р/с: 40702810838000475273
К/с: 30101810400000000225
БИК: 044525225
У подшипника 206KRRB AH06 пока нет отзывов. Вы можете стать первым покупателем, поделившимся своим мнением.