Поиск подшипника
Статьи
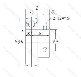
UCX05-16 — Подшипник для корпуса, модификация основного исполнения UCX05, выпускается производителями: FBJ, FYH, JAPANESE ORIGIN, KOYO, NEUTRAL, NIS, TR.
Размер подшипника: 25x62x38 мм.
01.
Альтернативное обозначение: UCPX05-16 + PX05.
Международная стандартизации ISO
UCX0516
В наличии
| Обозначение | Конструктивные изменения |
|---|---|
| UCX05-15 | Distance Between Beginning Of The Rail And First Hole In MM. |
| UCX05 | Угол контакта 15°. Габаритные размеры отличаются от стандарта ISO или опорные ролики с цилиндрической наружной поверхностью. Открытый подшипник с канавками для установки плотнений. Основное конструктивное исполнение. |
| UCX05-16V22 | Отверстия для смазки с обеих сторон наружного кольца подшипника. 1. |
| UCX05-100D1 | Не требующий обслуживания тип. |
| UCX05-16L3 | Подшипник для корпуса. |
| UCX05L3 | Тройное манжетное уплотнение для вкладыша подшипника. |
Модификации подшипника для корпуса UCX05-16 — это измененное основное конструктивное исполнение UCX05, основные размеры (25x62x38) не отличаются.
| Обозначение | Гост | Конструктивные особенности |
|---|---|---|
| 1030-25G | ISO | Подшипник для корпуса. |
| UK206D1 | ISO | Не требующий обслуживания тип. |
| UC305 | ISO | Угол контакта 20 градусов. |
| UC305-014D1 | ISO | Не требующий обслуживания тип. |
| UC305D1 | ISO | Не требующий обслуживания тип. |
| UC305-104D1 | ISO | Не требующий обслуживания тип. |
| UC305-16 | ISO | 01. |
| 1030-25GZZFS | ISO | Вкладыш подшипника с возможностью повторной смазки. |
| UC305D1X/AS3S | ISO | Стандартное заполнение. Стандартная консистентная смазка Alvania Grease 3. |
| UC305D1/AS3S | ISO | Стандартное заполнение. Стандартная консистентная смазка Alvania Grease 3. Смазка Shell Alvania S3, загуститель литиевый, базовое масло минеральное, температура от −10°C до +110°C.. |
| UK206/AS2P | ISO | 1/4 Full. Смазка Aeroshell 7. Диапазон от –10°C до 110°C.. |
| T1030-25G | ISO | Вкладыш подшипника с возможностью повторной смазки. |
| UK206H | ISO | Pressed Snap-Type Steel Cage. Hardened. |
| UCR206-16 | ISO | 01. |
| UK206D1+H | ISO | Переходная втулка с коническим отверстием. Не требующий обслуживания тип. |
| UC305-100D1 | ISO | Не требующий обслуживания тип. |
| UC305G2 | ISO | Cистема повторного смазывания для корпусных подшипников. |
| UK.206.G2 | ISO | Cистема повторного смазывания для корпусных подшипников. |
| UK206G2H | ISO | Cистема повторного смазывания для корпусных подшипников. Закрепительная втулка. |
| 1030-25 | ISO | Distance Between Beginning Of The Rail And First Hole In MM. |
Аналог подшипника для корпуса UCX05-16 — это подшипник такого же размера dx25,Dx62,Bx38, типа и конструкции.
| Обозначение | Конструктивные особенности | Внутренний (d) | Наружный (D) | Ширина (B) |
|---|---|---|---|---|
| RKY62 | Кулачковый ролик толкатель. | 24.00 | 62.00 | 37.00 |
| RKYR62 | Кулачковый ролик толкатель. | 24.00 | 62.00 | 37.00 |
| YSA 206-2FK + H 2306 | Шариковый радиальный подшипник. Pressed Snap-Type Steel Cage. Hardened. | 25.00 | 62.00 | 38.00 |
| UCS305D1 | Шариковый радиальный однорядный подшипник. Не требующий обслуживания тип. | 25.00 | 62.00 | 38.00 |
| UK206+H-16 | Шариковый радиальный однорядный подшипник. Pressed Snap-Type Steel Cage. Hardened. 01. | 25.40 | 62.00 | 38.00 |
| GYM1100KRRB | Шариковый радиальный однорядный подшипник. | 25.40 | 62.00 | 38.10 |
| SUCX05 | Шариковый радиальный однорядный подшипник. | 25.00 | 62.00 | 38.10 |
Способы доставки
Отправка через ведущие транспортные и курьерские компании: ПЭК, Деловые Линии, СДЭК, Байкал-Сервис, Энергия, КИТ, ЖелДорЭкспедиция.
Самовывоз возможен напрямую со склада в Москве.
Сроки доставки
Срок зависит от региона и выбранной транспортной компании. Все заказы комплектуются и отправляются в кратчайшие сроки со склада в Москве.
Надёжность и сохранность
Вся продукция упаковывается с учётом требований транспортировки. Мы гарантируем, что подшипники и комплектующие прибудут к заказчику в полной сохранности.
Доставка в страны ЕАЭС
Мы работаем с проверенными логистическими партнёрами, что позволяет оперативно доставлять заказы в Беларусь, Казахстан, Армению и другие страны ЕАЭС.
Варианты оплаты:
Минимальная сумма заказа и скидки:
Документы и гарантии:
Да, конечно! Наши технические специалисты готовы помочь вам с подбором точного аналога или замены подшипника. Просто позвоните нам по телефону +7 (495) 104-99-04 или напишите на почту zakaz@podsnab.ru.
Для оперативной консультации подготовьте, пожалуйста, имеющиеся данные: маркировку, размеры, тип оборудования или артикул старого подшипника.
Да, конечно! Мы высоко ценим долгосрочное сотрудничество и доверие клиентов по всей России. Для постоянных клиентов действует персональная система скидок.
Условия формируются индивидуально и зависят от:
Чтобы узнать свои условия и получить максимально выгодное предложение, свяжитесь с персональным менеджером или напишите нам на почту zakaz@podsnab.ru.
Вы можете оформить заказ несколькими способами:
Для оформления заказа от юридического лица свяжитесь с нашим отделом по работе с корпоративными клиентами по телефону +7 (495) 104-99-04 или напишите на email zakaz@podsnab.ru, прикрепив реквизиты вашей организации.
Мы оперативно подготовим коммерческое предложение и выставим счет.
Возврат товара надлежащего качества возможен в течение 10 дней с момента получения, если товар не был в употреблении, сохранен товарный вид, упаковка не вскрывалась и присутствуют все сопроводительные документы.
Возврат денежных средств осуществляется в течение 10 рабочих дней после проверки товара складом.
В соответствии с законодательством возврату не подлежат подшипники надлежащего качества, если отсутствует оригинальная упаковка или имеются следы монтажа.
В случае выявления брака или гарантийного случая мы гарантируем возврат или обмен товара.
Да, гарантийный срок хранения устанавливается заводом-изготовителем и в среднем составляет 2 года при соблюдении условий хранения: сухое помещение, оригинальная упаковка и смазка.
Точный срок для конкретного типа подшипника уточняйте у наших менеджеров.
Пн–Пт: с 8:00 до 17:00 (МСК).
Сб–Вс: выходные дни.
Заказы на сайте принимаются круглосуточно. Заявки, поступившие после окончания рабочего дня, обрабатываются на следующий рабочий день.
Минимальная сумма заказа для доставки составляет 3000 рублей. Самовывоз со склада возможен на любую сумму при наличии товара.
ООО «УралТехГрупп»
ИНН: 7415093830
КПП: 772401001
ОГРН: 1167456069021
Банк: ПАО Сбербанк
Р/с: 40702810838000475273
К/с: 30101810400000000225
БИК: 044525225
У подшипника UCX05-16 пока нет отзывов. Вы можете стать первым покупателем, поделившимся своим мнением.