Поиск подшипника
Статьи
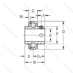
GY1203KRRB — Подшипник для корпуса, модификация основного исполнения GY1203, выпускается производителями: INA, TIMKEN.
Размер подшипника: 55x100x55 мм.
Манжетные уплотнения с обеих сторон (уплотнение типа r - имеет оцинкованные внутреннюю и внешнюю крышки. между крышками имеется уплотнительная кромка nbr. идущая по шлифованному буртику), подшипник со сферическим наружным кольцом.
Альтернативное обозначение: YAR211-203.
Аналоги: YAR211-203-2F SKF,YAR211-203 SKF,1055-2.3/16G RHP,1055-2.3/16 Pollard.
Международная стандартизации ISO
GY1203KRRB
В наличии
| Обозначение | Конструктивные изменения |
|---|---|
| GY1203-KRR-B-AS2/V | Конический роликовый подшипник. Угол контакта 20 градусов. Манжетные уплотнения с обеих сторон (уплотнение типа R - имеет оцинкованные внутреннюю и внешнюю крышки. Между крышками имеется уплотнительная кромка NBR. идущая по шлифованному буртику). Наружное кольцо подшипника с двумя смазочными отверстиями в смещенных плоскостях. |
Модификации подшипника для корпуса GY1203KRRB — это измененное основное конструктивное исполнение GY1203, основные размеры (55x100x55) не отличаются.
| Обозначение | Гост | Конструктивные особенности |
|---|---|---|
| 1055-2.3/16G | ISO | ISO Tolerance Class ABEC.9. Размерные и геометрические допуски соответствуют классу точности P6. |
| YAR211-203-2F | ISO | Стандартное контактное уплотнение с дополнительным маслоотражательным кольцом с обеих сторон. 2.3/16. |
| YAR211-203 | ISO | 2.3/16. |
| ER35-2.3/16 | ISO | ISO Tolerance Class ABEC.9. Размерные и геометрические допуски соответствуют классу точности P6. 01. |
| UC211HT2D1 | ISO | Не требующий обслуживания тип. Heat-Stabilized Up To 270°C. C4 Clearance. |
| UC211/L791 | ISO | Grease For Food Processing Machinery. |
| YAR211-203-2F/W64 | ISO | Стандартное контактное уплотнение с дополнительным маслоотражательным кольцом с обеих сторон. Антифрикционный заполнитель. твердая смазка. 2.3/16. |
| UC211R3 | ISO | Уплотнение состоит из металлического колпачка и синтетического каучука.. |
| G1203KPPB4 | ISO | CONRAD. NON-FILLING SLOT TYPE. PPB-TWO SEALS (. Spherical Outside Diameter). |
| SUC211-35 | ISO | 2.3/16. |
| YAR211-2FW/VA201 | ISO | Измененная или модифицированная внутренняя конструкция при неизменных основных размерах. Стандартное контактное уплотнение с дополнительным плоским маслоотражателем на обеих сторонах подшипника без смазочных отверстий в наружном кольце. Подшипник для высокотемпературных применений (например. печных тележек). |
| YAR211-203-2FW/VA228 | ISO | Измененная или модифицированная внутренняя конструкция при неизменных основных размерах. Bearing With A “Coronet” Cage Of Graphite For Temperatures -150°C/+350°C. Стандартное контактное уплотнение с дополнительным плоским маслоотражателем на обеих сторонах подшипника без смазочных отверстий в наружном кольце. 2.3/16. |
| YAR211-203-2FW/VA201 | ISO | Измененная или модифицированная внутренняя конструкция при неизменных основных размерах. Стандартное контактное уплотнение с дополнительным плоским маслоотражателем на обеих сторонах подшипника без смазочных отверстий в наружном кольце. Подшипник для высокотемпературных применений (например. печных тележек). 2.3/16. |
| YAR211-203-2F/AH | ISO | Измененная или модифицированная внутренняя конструкция при неизменных основных размерах. Стандартное контактное уплотнение с дополнительным маслоотражательным кольцом с обеих сторон. Противовращающийся штырь. Массивные ножки и свободный момент выравнивания. 2.3/16. |
| UC.211.G2 | ISO | Cистема повторного смазывания для корпусных подшипников. |
| UG211+ER | ISO | Эксцентриковое кольцо. |
| UC211D1N | ISO | Не требующий обслуживания тип. Проточка под стопорное кольцо. |
| G1203KRR | ISO | Манжетные уплотнения с обеих сторон (уплотнение типа R - имеет оцинкованные внутреннюю и внешнюю крышки. Между крышками имеется уплотнительная кромка NBR. идущая по шлифованному буртику). |
| UC211AGR | ISO | AGR-Sealing (Three Lip Sealing). |
| 1055-2.3/16 | ISO | ISO Tolerance Class ABEC.9. Размерные и геометрические допуски соответствуют классу точности P6. 01. |
| GW211PPB15 | ISO | Сферический снаружи. Манжетные уплотнения с обеих сторон подшипника. |
| GW211PPB15X1 | ISO | Сферический снаружи. Манжетные уплотнения с обеих сторон подшипника. |
| UC.211-35.G2 | ISO | Cистема повторного смазывания для корпусных подшипников. |
Аналог подшипника для корпуса GY1203KRRB — это подшипник такого же размера dx55,Dx100,Bx55, типа и конструкции.
| Обозначение | Конструктивные особенности | Внутренний (d) | Наружный (D) | Ширина (B) |
|---|---|---|---|---|
| UCS211LD1N | Шариковый радиальный однорядный подшипник. Канавка для стопорного кольца на наружном кольце. | 55.00 | 100.00 | 55.60 |
| UELS211LD1N | Шариковый радиальный однорядный подшипник. Канавка для стопорного кольца на наружном кольце. | 55.00 | 100.00 | 55.50 |
| PAST627A | Шариковый радиальный однорядный подшипник. Двухрядный радиально-упорный шарикоподшипник без отверстия для смазки. | 55.56 | 100.00 | 55.50 |
| SM1203K | Шариковый радиальный однорядный подшипник. Коническое отверстие. Конусность 1/12. | 55.56 | 100.00 | 55.56 |
| SM1203KB | Шариковый радиальный однорядный подшипник. Материал контакта сталь на бронзе (S/B). | 55.56 | 100.00 | 55.56 |
| E55KRR | Шариковый радиальный однорядный подшипник. Манжетные уплотнения с обеих сторон (уплотнение типа R - имеет оцинкованные внутреннюю и внешнюю крышки. Между крышками имеется уплотнительная кромка NBR. идущая по шлифованному буртику). | 55.00 | 100.00 | 55.56 |
| E55KRRB | Шариковый радиальный однорядный подшипник. | 55.00 | 100.00 | 55.56 |
| G1203KLL | Шариковый радиальный однорядный подшипник. BALL BEARING. CONRAD TYPE. INDUSTRIAL POWER TRANSMISSION. DOUBLE MECHANI-SEAL. | 55.56 | 100.00 | 55.56 |
| G1203KLLB | Шариковый радиальный однорядный подшипник. | 55.56 | 100.00 | 55.56 |
| GE55KRR | Шариковый радиальный однорядный подшипник. Манжетные уплотнения с обеих сторон (уплотнение типа R - имеет оцинкованные внутреннюю и внешнюю крышки. Между крышками имеется уплотнительная кромка NBR. идущая по шлифованному буртику). | 55.00 | 100.00 | 55.56 |
| 1203KL | Шариковый радиальный однорядный подшипник. Flanged Type (2 Thru holes)-Medium Load. | 55.56 | 100.00 | 55.56 |
| 1203KLL | Шариковый радиальный однорядный подшипник. BALL BEARING. CONRAD TYPE. INDUSTRIAL POWER TRANSMISSION. DOUBLE MECHANI-SEAL. | 55.56 | 100.00 | 55.56 |
| 1203KLLB | Шариковый радиальный однорядный подшипник. | 55.56 | 100.00 | 55.56 |
| 1203KR | Шариковый радиальный однорядный подшипник. Single-Row. Counterbored Outer Ring. Radial Type. Ball Bearing. 15° Угол контакта. | 55.56 | 100.00 | 55.56 |
| 1203KRR | Шариковый радиальный однорядный подшипник. Манжетные уплотнения с обеих сторон (уплотнение типа R - имеет оцинкованные внутреннюю и внешнюю крышки. Между крышками имеется уплотнительная кромка NBR. идущая по шлифованному буртику). | 55.56 | 100.00 | 55.56 |
Способы доставки
Отправка через ведущие транспортные и курьерские компании: ПЭК, Деловые Линии, СДЭК, Байкал-Сервис, Энергия, КИТ, ЖелДорЭкспедиция.
Самовывоз возможен напрямую со склада в Москве.
Сроки доставки
Срок зависит от региона и выбранной транспортной компании. Все заказы комплектуются и отправляются в кратчайшие сроки со склада в Москве.
Надёжность и сохранность
Вся продукция упаковывается с учётом требований транспортировки. Мы гарантируем, что подшипники и комплектующие прибудут к заказчику в полной сохранности.
Доставка в страны ЕАЭС
Мы работаем с проверенными логистическими партнёрами, что позволяет оперативно доставлять заказы в Беларусь, Казахстан, Армению и другие страны ЕАЭС.
Варианты оплаты:
Минимальная сумма заказа и скидки:
Документы и гарантии:
Да, конечно! Наши технические специалисты готовы помочь вам с подбором точного аналога или замены подшипника. Просто позвоните нам по телефону +7 (495) 104-99-04 или напишите на почту zakaz@podsnab.ru.
Для оперативной консультации подготовьте, пожалуйста, имеющиеся данные: маркировку, размеры, тип оборудования или артикул старого подшипника.
Да, конечно! Мы высоко ценим долгосрочное сотрудничество и доверие клиентов по всей России. Для постоянных клиентов действует персональная система скидок.
Условия формируются индивидуально и зависят от:
Чтобы узнать свои условия и получить максимально выгодное предложение, свяжитесь с персональным менеджером или напишите нам на почту zakaz@podsnab.ru.
Вы можете оформить заказ несколькими способами:
Для оформления заказа от юридического лица свяжитесь с нашим отделом по работе с корпоративными клиентами по телефону +7 (495) 104-99-04 или напишите на email zakaz@podsnab.ru, прикрепив реквизиты вашей организации.
Мы оперативно подготовим коммерческое предложение и выставим счет.
Возврат товара надлежащего качества возможен в течение 10 дней с момента получения, если товар не был в употреблении, сохранен товарный вид, упаковка не вскрывалась и присутствуют все сопроводительные документы.
Возврат денежных средств осуществляется в течение 10 рабочих дней после проверки товара складом.
В соответствии с законодательством возврату не подлежат подшипники надлежащего качества, если отсутствует оригинальная упаковка или имеются следы монтажа.
В случае выявления брака или гарантийного случая мы гарантируем возврат или обмен товара.
Да, гарантийный срок хранения устанавливается заводом-изготовителем и в среднем составляет 2 года при соблюдении условий хранения: сухое помещение, оригинальная упаковка и смазка.
Точный срок для конкретного типа подшипника уточняйте у наших менеджеров.
Пн–Пт: с 8:00 до 17:00 (МСК).
Сб–Вс: выходные дни.
Заказы на сайте принимаются круглосуточно. Заявки, поступившие после окончания рабочего дня, обрабатываются на следующий рабочий день.
Минимальная сумма заказа для доставки составляет 3000 рублей. Самовывоз со склада возможен на любую сумму при наличии товара.
ООО «УралТехГрупп»
ИНН: 7415093830
КПП: 772401001
ОГРН: 1167456069021
Банк: ПАО Сбербанк
Р/с: 40702810838000475273
К/с: 30101810400000000225
БИК: 044525225
У подшипника GY1203KRRB пока нет отзывов. Вы можете стать первым покупателем, поделившимся своим мнением.