Поиск подшипника
Статьи
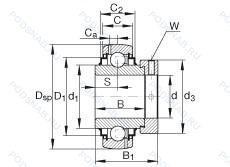
G1012-KRR-B-AS2/V — Подшипник для корпуса, модификация основного исполнения G1012, производство INA.
Размер подшипника: 19x47x43 мм.
Наружное кольцо подшипника с двумя смазочными отверстиями в смещенных плоскостях, манжетные уплотнения с обеих сторон (уплотнение типа r - имеет оцинкованные внутреннюю и внешнюю крышки. между крышками имеется уплотнительная кромка nbr. идущая по шлифованному буртику), подшипник со сферическим наружным кольцом.
Альтернативное обозначение: RASE3/4 + ASE04.
Международная стандартизации ISO
G1012KRRBAS2V
В наличии
| Обозначение | Конструктивные изменения |
|---|---|
| G1012KRRB | Подшипник для корпуса. |
| G1012KRR+COL | Манжетные уплотнения с обеих сторон (уплотнение типа R - имеет оцинкованные внутреннюю и внешнюю крышки. Между крышками имеется уплотнительная кромка NBR. идущая по шлифованному буртику). Товар включает втулку. |
| G1012KRRB+COL | Товар включает втулку. |
| G1012KRR | Манжетные уплотнения с обеих сторон (уплотнение типа R - имеет оцинкованные внутреннюю и внешнюю крышки. Между крышками имеется уплотнительная кромка NBR. идущая по шлифованному буртику). |
| G1012RRB | Два резиновых уплотнения Land Riding со сферическим наружным диаметром (B). |
| G1012KRRB+COLTD | Conrad (Non-Filling Slot) Type. Сферический внешний диаметр. Резиновое уплотнение с двух сторон. Thin Dense Chrome Plate. Втулка. |
| G1012KLL | BALL BEARING. CONRAD TYPE. INDUSTRIAL POWER TRANSMISSION. DOUBLE MECHANI-SEAL. |
| G1012KLLB | Подшипник для корпуса. |
Модификации подшипника для корпуса G1012-KRR-B-AS2/V — это измененное основное конструктивное исполнение G1012, основные размеры (19x47x43) не отличаются.
| Обозначение | Гост | Конструктивные особенности |
|---|---|---|
| G204V22 | ISO | Отверстия для смазки с обеих сторон наружного кольца подшипника. |
| G204-12V22 | ISO | Holes For Re-lubrication On Both Sides Of The External Ring Of The Bearing. 3/4. |
| GE20-KLL-B-E55EB | ISO | Подшипник со сферическим наружным кольцом. Лабиринтные уплотнения с обеих сторон (уплотнение типа L - все детали уплотнения типа L оцинкованы со всех сторон. чтобы улучшить защиту от коррозии - нет трения уплотнения). |
| GE20-XL-KRR-B-FA164 | ISO | Подшипник со сферическим наружным кольцом. Серия X-Life премиум-класс. увеличиный срок службы. Манжетные уплотнения с обеих сторон (уплотнение типа R - имеет оцинкованные внутреннюю и внешнюю крышки. Между крышками имеется уплотнительная кромка NBR. идущая по шлифованному буртику). Высокотемпературная конструкция до +250°C. |
| GE20KRRB AS2/V | ISO | Подшипник со сферическим наружным кольцом. Манжетные уплотнения с обеих сторон (уплотнение типа R - имеет оцинкованные внутреннюю и внешнюю крышки. Между крышками имеется уплотнительная кромка NBR. идущая по шлифованному буртику). Наружное кольцо подшипника с двумя смазочными отверстиями в смещенных плоскостях. |
| GE20-KRR-B-2C | ISO | Подшипник со сферическим наружным кольцом. Манжетные уплотнения с обеих сторон (уплотнение типа R - имеет оцинкованные внутреннюю и внешнюю крышки. Между крышками имеется уплотнительная кромка NBR. идущая по шлифованному буртику). Защитные щиты с обеих сторон. |
| GE20KRRB FA125.5 | ISO | Подшипник со сферическим наружным кольцом. Манжетные уплотнения с обеих сторон (уплотнение типа R - имеет оцинкованные внутреннюю и внешнюю крышки. Между крышками имеется уплотнительная кромка NBR. идущая по шлифованному буртику). С покрытием Corrotect®, защищено от коррозии. |
| NA204-12A | ISO | 3/4. |
| NA204A | ISO | Двухрядный радиально-упорный шарикоподшипник без отверстия для смазки. |
| UEL204-012D1 | ISO | Не требующий обслуживания тип. 3/4. |
| YEL204-2FF | ISO | Маслоотражательные кольца с ворсистым покрытием с обеих сторон. |
| GE20KRRB-CC | ISO | Подшипник со сферическим наружным кольцом. Два стальных сепаратора оконного типа. Бесфланцевое внутреннее кольцо и направляющее кольцо центрировано на внутреннем кольце. Манжетные уплотнения с обеих сторон (уплотнение типа R - имеет оцинкованные внутреннюю и внешнюю крышки. Между крышками имеется уплотнительная кромка NBR. идущая по шлифованному буртику). |
| GE20-KTT-B | ISO | Подшипник со сферическим наружным кольцом. Тройные манжетные уплотнения с обеих сторон подшипника (Т-образное уплотнение). |
| 1020-3/4DECG | ISO | Смазочные отверстия в распределительной канавке. Механически обработанные в наружном кольце для смазки. Эксцентриковая втулка с удлиненным внутренним кольцом. Размерные и геометрические допуски соответствуют классу точности P6. |
| M-UEL204D1 | ISO | Не требующий обслуживания тип. |
| UEL204D1 | ISO | Не требующий обслуживания тип. |
| CHC204-12 | ISO | 3/4. |
| E20KLL | ISO | BALL BEARING. CONRAD TYPE. INDUSTRIAL POWER TRANSMISSION. DOUBLE MECHANI-SEAL. |
| YEL204-012-2FCW | ISO | Стандартное контактное уплотнение с дополнительным маслоотражательным кольцом с обеих сторон. С цилиндрическим наружным диаметром. 3/4. |
| GE20-KLL-B | ISO | Подшипник со сферическим наружным кольцом. BALL BEARING. CONRAD TYPE. INDUSTRIAL POWER TRANSMISSION. DOUBLE MECHANI-SEAL. |
Аналог подшипника для корпуса G1012-KRR-B-AS2/V — это подшипник такого же размера dx19,Dx47,Bx43, типа и конструкции.
| Обозначение | Конструктивные особенности | Внутренний (d) | Наружный (D) | Ширина (B) |
|---|---|---|---|---|
| 7204ACD/P4ATBTA | Подшипник шариковый однорядный радиально-упорный. Точность размеров в соответствии с классом допуска ISO 4. точность вращения лучше чем класс допуска ISO 4. 25° Угол контакта. Комплект из трех одинаковых однорядных радиальных или радиально-упорных шарикоподшипников. Легкий преднатяг. | 20.00 | 47.00 | 42.00 |
| 7204C/P4TBTB | Подшипник шариковый однорядный радиально-упорный. 15° Угол контакта. Комплект из трех одинаковых однорядных радиальных или радиально-упорных шарикоподшипников. Средний преднатяг. Класс точности Р4 по ISO (точнее. чем P5) - Abec.7. | 20.00 | 47.00 | 42.00 |
| YELAG 204 | Шариковый радиальный подшипник. Измененная или модифицированная внутренняя конструкция при неизменных основных размерах. | 20.00 | 47.00 | 43.70 |
| CEX204 | Шариковый радиальный однорядный подшипник. Контактное уплотнение с одной стороны. | 20.00 | 47.00 | 43.70 |
| CEX204-12 | Шариковый радиальный однорядный подшипник. 3/4. | 19.05 | 47.00 | 43.70 |
| EX204-12 | Шариковый радиальный однорядный подшипник. 3/4. | 19.05 | 47.00 | 43.50 |
| EX204G2 | Шариковый радиальный однорядный подшипник. Cистема повторного смазывания для корпусных подшипников. | 20.00 | 47.00 | 43.50 |
Способы доставки
Отправка через ведущие транспортные и курьерские компании: ПЭК, Деловые Линии, СДЭК, Байкал-Сервис, Энергия, КИТ, ЖелДорЭкспедиция.
Самовывоз возможен напрямую со склада в Москве.
Сроки доставки
Срок зависит от региона и выбранной транспортной компании. Все заказы комплектуются и отправляются в кратчайшие сроки со склада в Москве.
Надёжность и сохранность
Вся продукция упаковывается с учётом требований транспортировки. Мы гарантируем, что подшипники и комплектующие прибудут к заказчику в полной сохранности.
Доставка в страны ЕАЭС
Мы работаем с проверенными логистическими партнёрами, что позволяет оперативно доставлять заказы в Беларусь, Казахстан, Армению и другие страны ЕАЭС.
Варианты оплаты:
Минимальная сумма заказа и скидки:
Документы и гарантии:
Да, конечно! Наши технические специалисты готовы помочь вам с подбором точного аналога или замены подшипника. Просто позвоните нам по телефону +7 (495) 104-99-04 или напишите на почту zakaz@podsnab.ru.
Для оперативной консультации подготовьте, пожалуйста, имеющиеся данные: маркировку, размеры, тип оборудования или артикул старого подшипника.
Да, конечно! Мы высоко ценим долгосрочное сотрудничество и доверие клиентов по всей России. Для постоянных клиентов действует персональная система скидок.
Условия формируются индивидуально и зависят от:
Чтобы узнать свои условия и получить максимально выгодное предложение, свяжитесь с персональным менеджером или напишите нам на почту zakaz@podsnab.ru.
Вы можете оформить заказ несколькими способами:
Для оформления заказа от юридического лица свяжитесь с нашим отделом по работе с корпоративными клиентами по телефону +7 (495) 104-99-04 или напишите на email zakaz@podsnab.ru, прикрепив реквизиты вашей организации.
Мы оперативно подготовим коммерческое предложение и выставим счет.
Возврат товара надлежащего качества возможен в течение 10 дней с момента получения, если товар не был в употреблении, сохранен товарный вид, упаковка не вскрывалась и присутствуют все сопроводительные документы.
Возврат денежных средств осуществляется в течение 10 рабочих дней после проверки товара складом.
В соответствии с законодательством возврату не подлежат подшипники надлежащего качества, если отсутствует оригинальная упаковка или имеются следы монтажа.
В случае выявления брака или гарантийного случая мы гарантируем возврат или обмен товара.
Да, гарантийный срок хранения устанавливается заводом-изготовителем и в среднем составляет 2 года при соблюдении условий хранения: сухое помещение, оригинальная упаковка и смазка.
Точный срок для конкретного типа подшипника уточняйте у наших менеджеров.
Пн–Пт: с 8:00 до 17:00 (МСК).
Сб–Вс: выходные дни.
Заказы на сайте принимаются круглосуточно. Заявки, поступившие после окончания рабочего дня, обрабатываются на следующий рабочий день.
Минимальная сумма заказа для доставки составляет 3000 рублей. Самовывоз со склада возможен на любую сумму при наличии товара.
ООО «УралТехГрупп»
ИНН: 7415093830
КПП: 772401001
ОГРН: 1167456069021
Банк: ПАО Сбербанк
Р/с: 40702810838000475273
К/с: 30101810400000000225
БИК: 044525225
У подшипника G1012-KRR-B-AS2/V пока нет отзывов. Вы можете стать первым покупателем, поделившимся своим мнением.