Поиск подшипника
Статьи
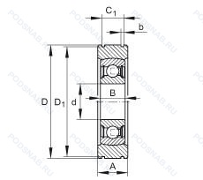
BE20 — Подшипник для корпуса, основное исполнение, производство INA.
Размер подшипника: 20x55x16 мм.
Альтернативное обозначение: 204NPPB + E04.
Аналоги: BE20-XL INA.
Международная стандартизации ISO
BE20
В наличии
| Обозначение | Конструктивные изменения |
|---|---|
| BE20-XL-SML | Серия X-Life премиум-класс. увеличиный срок службы. Увеличенный зазор между подшипниками и корпусом. Это не влияет на изделие без суффикса SML. |
| BE20-SML | Увеличенный зазор между подшипниками и корпусом. Это не влияет на изделие без суффикса SML. |
| BE20-XL | Серия X-Life премиум-класс. увеличиный срок службы. |
Модификации подшипника для корпуса BE20 — это измененное основное конструктивное исполнение BE20, основные размеры (20x55x16) не отличаются.
| Обозначение | Гост | Конструктивные особенности |
|---|---|---|
| 204NPPB | ISO | Подшипник для корпуса. |
| E04 | ISO | Подшипник для корпуса. |
Аналог подшипника для корпуса BE20 — это подшипник такого же размера dx20,Dx55,Bx16, типа и конструкции.
| Обозначение | Конструктивные особенности | Внутренний (d) | Наружный (D) | Ширина (B) |
|---|---|---|---|---|
| TFI20FKBT 2RS | Сферический шарнирный подшипник. Манжетное уплотнение с двух сторон. Сталь/политетрафторэтилен (ПТФЭ). | 20.00 | 54.00 | 16.00 |
| R20-4A | Однорядный конический роликовый подшипник. Различный наружный диаметр. Радиус или ширина от номера основной детали. | 20.00 | 55.00 | 16.00 |
| SN20N | Сферический шарнирный подшипник. Канавка под стопорное кольцо на внешнем кольце. | 20.00 | 56.00 | 16.00 |
| SN20U | Сферический шарнирный подшипник. Универсальный одиночный подшипник. | 20.00 | 56.00 | 16.00 |
| EJ20-SN | Сферический шарнирный подшипник. Узкий. Низкая каретка. | 20.00 | 54.00 | 16.00 |
| DGIR20UK | Сферический шарнирный подшипник. Сталь/политетрафторэтилен (ПТФЭ). | 20.00 | 54.00 | 16.00 |
| GIL20GW | Сферический шарнирный подшипник. Расширенное внутреннее кольцо. Материал скольжения сталь/PTFE. | 20.00 | 54.00 | 16.00 |
| GIHR-K20DOB | Сферический шарнирный подшипник. Особенность внутренней конструкции. Поверхность контакта скольжения сталь / сталь. | 20.00 | 56.00 | 16.00 |
| BEM20L | Сферический шарнирный подшипник. Одно механическое уплотнение. | 20.00 | 54.00 | 16.00 |
| SIRD20ES | Сферический шарнирный подшипник. Внешние размеры корпусов могут отличаться для одного и того же номера изделия. (Сегментный контактный материала код S/S)=Сталь-на-стали. Кольцевые канавки и смазочные отверстия во внутреннем и наружном кольцах. | 20.00 | 56.00 | 16.00 |
| 10Q630/22A F386 | Подшипник однорядный шариковый радиальный. Увеличенная грузоподъемность. Специальная внутренний дизайн. | 20.00 | 56.00 | 16.00 |
| SI-20TGR/VL002 | Сферический шарнирный подшипник. Bearing Rings Of Stainless Steel. Hardened_ Inner Ring Sliding Surface Polished. | 20.00 | 54.00 | 16.00 |
| EA20D | Сферический шарнирный подшипник. Контактный материал Сталь/PFTE.. | 20.00 | 54.00 | 16.00 |
| B20-49NR | Шариковый радиальный однорядный подшипник. Подшипник со специальными размерами. | 20.00 | 55.00 | 15.00 |
| 63/22C/20 | Шариковый радиальный однорядный подшипник. 15° Угол контакта. Distance Between Beginning Of The Rail And First Hole In MM. | 20.00 | 56.00 | 16.00 |
Способы доставки
Отправка через ведущие транспортные и курьерские компании: ПЭК, Деловые Линии, СДЭК, Байкал-Сервис, Энергия, КИТ, ЖелДорЭкспедиция.
Самовывоз возможен напрямую со склада в Москве.
Сроки доставки
Срок зависит от региона и выбранной транспортной компании. Все заказы комплектуются и отправляются в кратчайшие сроки со склада в Москве.
Надёжность и сохранность
Вся продукция упаковывается с учётом требований транспортировки. Мы гарантируем, что подшипники и комплектующие прибудут к заказчику в полной сохранности.
Доставка в страны ЕАЭС
Мы работаем с проверенными логистическими партнёрами, что позволяет оперативно доставлять заказы в Беларусь, Казахстан, Армению и другие страны ЕАЭС.
Варианты оплаты:
Минимальная сумма заказа и скидки:
Документы и гарантии:
Да, конечно! Наши технические специалисты готовы помочь вам с подбором точного аналога или замены подшипника. Просто позвоните нам по телефону +7 (495) 104-99-04 или напишите на почту zakaz@podsnab.ru.
Для оперативной консультации подготовьте, пожалуйста, имеющиеся данные: маркировку, размеры, тип оборудования или артикул старого подшипника.
Да, конечно! Мы высоко ценим долгосрочное сотрудничество и доверие клиентов по всей России. Для постоянных клиентов действует персональная система скидок.
Условия формируются индивидуально и зависят от:
Чтобы узнать свои условия и получить максимально выгодное предложение, свяжитесь с персональным менеджером или напишите нам на почту zakaz@podsnab.ru.
Вы можете оформить заказ несколькими способами:
Для оформления заказа от юридического лица свяжитесь с нашим отделом по работе с корпоративными клиентами по телефону +7 (495) 104-99-04 или напишите на email zakaz@podsnab.ru, прикрепив реквизиты вашей организации.
Мы оперативно подготовим коммерческое предложение и выставим счет.
Возврат товара надлежащего качества возможен в течение 10 дней с момента получения, если товар не был в употреблении, сохранен товарный вид, упаковка не вскрывалась и присутствуют все сопроводительные документы.
Возврат денежных средств осуществляется в течение 10 рабочих дней после проверки товара складом.
В соответствии с законодательством возврату не подлежат подшипники надлежащего качества, если отсутствует оригинальная упаковка или имеются следы монтажа.
В случае выявления брака или гарантийного случая мы гарантируем возврат или обмен товара.
Да, гарантийный срок хранения устанавливается заводом-изготовителем и в среднем составляет 2 года при соблюдении условий хранения: сухое помещение, оригинальная упаковка и смазка.
Точный срок для конкретного типа подшипника уточняйте у наших менеджеров.
Пн–Пт: с 8:00 до 17:00 (МСК).
Сб–Вс: выходные дни.
Заказы на сайте принимаются круглосуточно. Заявки, поступившие после окончания рабочего дня, обрабатываются на следующий рабочий день.
Минимальная сумма заказа для доставки составляет 3000 рублей. Самовывоз со склада возможен на любую сумму при наличии товара.
ООО «УралТехГрупп»
ИНН: 7415093830
КПП: 772401001
ОГРН: 1167456069021
Банк: ПАО Сбербанк
Р/с: 40702810838000475273
К/с: 30101810400000000225
БИК: 044525225
У подшипника BE20 пока нет отзывов. Вы можете стать первым покупателем, поделившимся своим мнением.