Поиск подшипника
Статьи
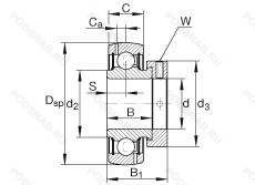
GRA107-NPP-B-AS2/V — Подшипник для корпуса, модификация основного исполнения GRA107, производство INA.
Размер подшипника: 36x72x39 мм.
Наружное кольцо подшипника с двумя смазочными отверстиями в смещенных плоскостях, манжетные уплотнения с обеих сторон (тип p — две шайбы из оцинкованной листовой стали с промежуточной частью из nbr. кромка уплотнения предварительно нагружена в осевом направлении), подшипник со сферическим наружным кольцом.
Альтернативное обозначение: YET207-107.
Аналоги: 16207.107 FAG,YET207-107 SKF,1235-1.7/16ECG RHP,AEL207-23 NSK.
Международная стандартизации ISO
GRA107NPPBAS2V
В наличии
| Обозначение | Конструктивные изменения |
|---|---|
| GRA107NPPB | Подшипник со сферическим наружным кольцом. Манжетные уплотнения с обеих сторон (Тип P — две шайбы из оцинкованной листовой стали с промежуточной частью из NBR. Кромка уплотнения предварительно нагружена в осевом направлении). |
| GRA107RRB+COL | Товар включает втулку. Два резиновых уплотнения Land Riding со сферическим наружным диаметром (B). |
| GRA107NPPBW | Подшипник со сферическим наружным кольцом. Эксцентриковая стопорная втулка. Манжетные уплотнения с обеих сторон (Тип P — две шайбы из оцинкованной листовой стали с промежуточной частью из NBR. Кромка уплотнения предварительно нагружена в осевом направлении). |
| GRA107NPPB+COL | Сферический внешний диаметр. Манжетные уплотнения с обеих сторон подшипника. Несъемное уплотнение. Втулка. |
| GRA107RRB | Два резиновых уплотнения Land Riding со сферическим наружным диаметром (B). |
Модификации подшипника для корпуса GRA107-NPP-B-AS2/V — это измененное основное конструктивное исполнение GRA107, основные размеры (36x72x39) не отличаются.
| Обозначение | Гост | Конструктивные особенности |
|---|---|---|
| YET207-107 | ISO | 1.7/16. |
| AEL207-23 | ISO | 1.7/16. |
| KH207-23GAE | ISO | 1.7/16. |
| AEL207-107D1 | ISO | Не требующий обслуживания тип. 1.7/16. |
| JELS207-107D1W3 | ISO | Не требующий обслуживания тип. Корпусной подшипник с установочным винтом. |
| AEL207W3 X AV3S | ISO | Измененные размеры границ. введенные пересмотренными стандартами ISO. Корпусной подшипник с установочным винтом. Alvania Grease #3 Standard Fill. |
| SA207SS | ISO | Нержавеющая сталь. |
| AELS207D1 NR W3 | ISO | Канавка стопорного кольца на наружном кольце подшипника и соответствующим стопорным кольцом. Не требующий обслуживания тип. Корпусной подшипник с установочным винтом. |
| UE207PZ | ISO | Non-Standard Tolerance. |
| ES207G2 | ISO | Cистема повторного смазывания для корпусных подшипников. |
| 16207.107 | ISO | 1.7/16. |
| YET207/VL065 | ISO | Zinc-Coated Inner Ring Bore And Side Faces. |
| 238207BD-2LS | ISO | Контактное уплотнение с обеих сторон подшипника. Tapered Roller Bearing. Steep Угол контакта (24° To 32°). Metric Series. |
| EN207 AV2S | ISO | Lubricant. Shell Oil Co.. Alvania #2 Grease. 1/4 Full. Temperature Range = -10°C / + 110°C (Normal Temperature Grease). |
| 1235-1.7/16ECG | ISO | Эксцентриковый кольцевой замок с внутренним кольцом заподлицо с одной стороны. Устройство повторного смазывания со смазочной канавкой и отверстием на внешнем кольце. Небольшая предварительная нагрузка. Number Of Carriages Per Rail Track. |
| RAE35NPP NR | ISO | Slot And Snap Ring For Radial Insert Ball Bearings With Cylindrical Outer Ring. Манжетные уплотнения с обеих сторон (Тип P — две шайбы из оцинкованной листовой стали с промежуточной частью из NBR. Кромка уплотнения предварительно нагружена в осевом направлении). |
| JELS207-107V | ISO | 1.7/16. |
| AEL207W3 X AS3S | ISO | Измененные размеры границ. введенные пересмотренными стандартами ISO. Корпусной подшипник с установочным винтом. |
| UY207.2S.SHY | ISO | Outer Ring Modification. Одинарное уплотнение с лабиринтом между листовой частью и резиновой кромкой, обеспечивающей контактное уплотнение. Cylindrical Outer Ring Without Lubrication Holes. |
| UY207.2S.HY | ISO | Одинарное уплотнение с лабиринтом между листовой частью и резиновой кромкой, обеспечивающей контактное уплотнение. |
| UY207.2S.SH.U | ISO | Универсальный одиночный подшипник. Одинарное уплотнение с лабиринтом между листовой частью и резиновой кромкой, обеспечивающей контактное уплотнение. Cylindrical Outer Ring Without Lubrication Holes. |
| ES207SRS | ISO | Разделенные резиновые уплотнения. |
Аналог подшипника для корпуса GRA107-NPP-B-AS2/V — это подшипник такого же размера dx36,Dx72,Bx39, типа и конструкции.
| Обозначение | Конструктивные особенности | Внутренний (d) | Наружный (D) | Ширина (B) |
|---|---|---|---|---|
| 54209U | Подшипник шариковый упорный двойного направления. Универсальный одиночный подшипник. | 35.00 | 78.00 | 39.60 |
| ШМ35 ЮТ | Шарнирный подшипник. Температура отпуска. 160°. Одно или два кольца из нержавеющей стали.. Без отверстий и канавок для смазки.. | 35.00 | 72.00 | 40.00 |
| 19145D/19283 | Роликовый радиальный-упорный двухрядный подшипник. Половина целого игольчатого валика. Применять суффикс 'D' в базовом номере. | 36.51 | 72.00 | 39.10 |
| YSP 207-107 SB-2F | Шариковый радиальный подшипник. Стандартное контактное уплотнение с дополнительным маслоотражательным кольцом с обеих сторон. Double Row. Angular Contact. Non-Filling Notch Bearing. With Outwardly Convergent Угол контактаs. Rigid Design. 1.7/16. | 36.51 | 72.00 | 39.50 |
| YSP 207 SB-2F | Шариковый радиальный подшипник. Стандартное контактное уплотнение с дополнительным маслоотражательным кольцом с обеих сторон. Double Row. Angular Contact. Non-Filling Notch Bearing. With Outwardly Convergent Угол контактаs. Rigid Design. | 35.00 | 72.00 | 39.50 |
| YSPAG 207-107 | Шариковый радиальный подшипник. 1.7/16. | 36.51 | 72.00 | 39.50 |
| YSPAG 207 | Шариковый радиальный подшипник. Измененная или модифицированная внутренняя конструкция при неизменных основных размерах. | 35.00 | 72.00 | 39.50 |
| E2.YSP 207 SB-2F | Шариковый радиальный однорядный подшипник. | 35.00 | 72.00 | 39.50 |
| E2.YSP 207-107 SB-2F | Шариковый радиальный однорядный подшипник. | 36.51 | 72.00 | 39.50 |
| CES207-23 | Шариковый радиальный однорядный подшипник. 1.7/16. | 36.51 | 72.00 | 38.90 |
| ES207 | Шариковый радиальный однорядный подшипник. Сферический наружный диаметр. Контактное уплотнение с одной стороны. | 35.00 | 72.00 | 38.90 |
| ES207-23 | Шариковый радиальный однорядный подшипник. 1.7/16. | 36.51 | 72.00 | 38.90 |
| 2ШН35 | Шарнирный подшипник. Неразъемный без отверстий и канавок для смазки. | 35.00 | 72.00 | 40.00 |
| 2ШН35 Ю | Шарнирный подшипник. Одно или два кольца из нержавеющей стали.. Неразъемный без отверстий и канавок для смазки. | 35.00 | 72.00 | 40.00 |
| 2ШН35-ЮТ | Шарнирный подшипник. Температура отпуска. 160°. Одно или два кольца из нержавеющей стали.. Неразъемный без отверстий и канавок для смазки. | 35.00 | 72.00 | 40.00 |
Способы доставки
Отправка через ведущие транспортные и курьерские компании: ПЭК, Деловые Линии, СДЭК, Байкал-Сервис, Энергия, КИТ, ЖелДорЭкспедиция.
Самовывоз возможен напрямую со склада в Москве.
Сроки доставки
Срок зависит от региона и выбранной транспортной компании. Все заказы комплектуются и отправляются в кратчайшие сроки со склада в Москве.
Надёжность и сохранность
Вся продукция упаковывается с учётом требований транспортировки. Мы гарантируем, что подшипники и комплектующие прибудут к заказчику в полной сохранности.
Доставка в страны ЕАЭС
Мы работаем с проверенными логистическими партнёрами, что позволяет оперативно доставлять заказы в Беларусь, Казахстан, Армению и другие страны ЕАЭС.
Варианты оплаты:
Минимальная сумма заказа и скидки:
Документы и гарантии:
Да, конечно! Наши технические специалисты готовы помочь вам с подбором точного аналога или замены подшипника. Просто позвоните нам по телефону +7 (495) 104-99-04 или напишите на почту zakaz@podsnab.ru.
Для оперативной консультации подготовьте, пожалуйста, имеющиеся данные: маркировку, размеры, тип оборудования или артикул старого подшипника.
Да, конечно! Мы высоко ценим долгосрочное сотрудничество и доверие клиентов по всей России. Для постоянных клиентов действует персональная система скидок.
Условия формируются индивидуально и зависят от:
Чтобы узнать свои условия и получить максимально выгодное предложение, свяжитесь с персональным менеджером или напишите нам на почту zakaz@podsnab.ru.
Вы можете оформить заказ несколькими способами:
Для оформления заказа от юридического лица свяжитесь с нашим отделом по работе с корпоративными клиентами по телефону +7 (495) 104-99-04 или напишите на email zakaz@podsnab.ru, прикрепив реквизиты вашей организации.
Мы оперативно подготовим коммерческое предложение и выставим счет.
Возврат товара надлежащего качества возможен в течение 10 дней с момента получения, если товар не был в употреблении, сохранен товарный вид, упаковка не вскрывалась и присутствуют все сопроводительные документы.
Возврат денежных средств осуществляется в течение 10 рабочих дней после проверки товара складом.
В соответствии с законодательством возврату не подлежат подшипники надлежащего качества, если отсутствует оригинальная упаковка или имеются следы монтажа.
В случае выявления брака или гарантийного случая мы гарантируем возврат или обмен товара.
Да, гарантийный срок хранения устанавливается заводом-изготовителем и в среднем составляет 2 года при соблюдении условий хранения: сухое помещение, оригинальная упаковка и смазка.
Точный срок для конкретного типа подшипника уточняйте у наших менеджеров.
Пн–Пт: с 8:00 до 17:00 (МСК).
Сб–Вс: выходные дни.
Заказы на сайте принимаются круглосуточно. Заявки, поступившие после окончания рабочего дня, обрабатываются на следующий рабочий день.
Минимальная сумма заказа для доставки составляет 3000 рублей. Самовывоз со склада возможен на любую сумму при наличии товара.
ООО «УралТехГрупп»
ИНН: 7415093830
КПП: 772401001
ОГРН: 1167456069021
Банк: ПАО Сбербанк
Р/с: 40702810838000475273
К/с: 30101810400000000225
БИК: 044525225
У подшипника GRA107-NPP-B-AS2/V пока нет отзывов. Вы можете стать первым покупателем, поделившимся своим мнением.