Поиск подшипника
Статьи
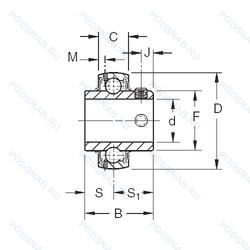
GY1207KRRB — Подшипник для корпуса, модификация основного исполнения GY1207, выпускается производителями: FAFNIR, TIMKEN.
Размер подшипника: 61x110x65 мм.
Резиновое уплотнение с двух сторон, conrad (non-filling slot) type, сферический внешний диаметр.
Международная стандартизации ISO
GY1207KRRB
В наличии
| Обозначение | Конструктивные изменения |
|---|---|
| GY1207-KRR-B-AS2/V-FA106 | Подшипник со сферическим наружным кольцом. Манжетные уплотнения с обеих сторон (уплотнение типа R - имеет оцинкованные внутреннюю и внешнюю крышки. Между крышками имеется уплотнительная кромка NBR. идущая по шлифованному буртику). Подшипник подвергается специальным испытаниям на шум. Наружное кольцо подшипника с двумя смазочными отверстиями в смещенных плоскостях. |
| GY1207-KRR-B-AS2/V | Конический роликовый подшипник. Угол контакта 20 градусов. Манжетные уплотнения с обеих сторон (уплотнение типа R - имеет оцинкованные внутреннюю и внешнюю крышки. Между крышками имеется уплотнительная кромка NBR. идущая по шлифованному буртику). Наружное кольцо подшипника с двумя смазочными отверстиями в смещенных плоскостях. |
Модификации подшипника для корпуса GY1207KRRB — это измененное основное конструктивное исполнение GY1207, основные размеры (61x110x65) не отличаются.
| Обозначение | Гост | Конструктивные особенности |
|---|---|---|
| UC212G2L3 | ISO | Cистема повторного смазывания для корпусных подшипников. Тройное манжетное уплотнение для вкладыша подшипника. |
| Y212-39V22 | ISO | 2.7/16. Отверстия для смазки с обеих сторон наружного кольца подшипника. |
| YAR212-2F/VA201 | ISO | Стандартное контактное уплотнение с дополнительным маслоотражательным кольцом с обеих сторон. Подшипник для высокотемпературных применений (например. печных тележек). |
| GYE60-KRR-B-FA107 | ISO | Подшипник со сферическим наружным кольцом. Манжетные уплотнения с обеих сторон (уплотнение типа R - имеет оцинкованные внутреннюю и внешнюю крышки. Между крышками имеется уплотнительная кромка NBR. идущая по шлифованному буртику). Подшипник со смазочными отверстиями на опорной стороне. |
| 1060-60 | ISO | 3.3/4. |
| YAR212-2F/VA228 | ISO | Стандартное контактное уплотнение с дополнительным маслоотражательным кольцом с обеих сторон. Bearing With A “Coronet” Cage Of Graphite For Temperatures -150°C/+350°C. |
| UC212-39G2 | ISO | Cистема повторного смазывания для корпусных подшипников. |
| UC212/L791 | ISO | Grease For Food Processing Machinery. |
| YAR212-2FF | ISO | Маслоотражательные кольца с ворсистым покрытием с обеих сторон. |
| 1060-2.3/8G | ISO | Вкладыш подшипника с возможностью повторной смазки. ISO Tolerance Class ABEC.9. Размерные и геометрические допуски соответствуют классу точности P6. |
| UC.212.G2 | ISO | Cистема повторного смазывания для корпусных подшипников. |
| UC212N/AV2S | ISO | Канавка под стопорное кольцо на внешнем кольце. Lubricant. Shell Oil Co.. Alvania #2 Grease. 1/4 Full. Temperature Range = -10°C / + 110°C (Normal Temperature Grease). |
| YAR212-2FW/VA201 | ISO | Измененная или модифицированная внутренняя конструкция при неизменных основных размерах. Стандартное контактное уплотнение с дополнительным плоским маслоотражателем на обеих сторонах подшипника без смазочных отверстий в наружном кольце. Подшипник для высокотемпературных применений (например. печных тележек). |
| YAR212-2FW/VA228 | ISO | Измененная или модифицированная внутренняя конструкция при неизменных основных размерах. Bearing With A “Coronet” Cage Of Graphite For Temperatures -150°C/+350°C. Стандартное контактное уплотнение с дополнительным плоским маслоотражателем на обеих сторонах подшипника без смазочных отверстий в наружном кольце. |
| YAR212-207-2FW/VA228 | ISO | Измененная или модифицированная внутренняя конструкция при неизменных основных размерах. Bearing With A “Coronet” Cage Of Graphite For Temperatures -150°C/+350°C. Стандартное контактное уплотнение с дополнительным плоским маслоотражателем на обеих сторонах подшипника без смазочных отверстий в наружном кольце. 2.7/16. |
| YAR212-207-2FW/VA201 | ISO | Измененная или модифицированная внутренняя конструкция при неизменных основных размерах. Стандартное контактное уплотнение с дополнительным плоским маслоотражателем на обеих сторонах подшипника без смазочных отверстий в наружном кольце. Подшипник для высокотемпературных применений (например. печных тележек). 2.7/16. |
| YAR212-207-2F/AH | ISO | Стандартное контактное уплотнение с дополнительным маслоотражательным кольцом с обеих сторон. Противовращающийся штырь. Массивные ножки и свободный момент выравнивания. 2.7/16. |
| UC212-207 | ISO | 2.7/16. |
| 56212.206 | ISO | 2.3/8. |
| UC212AGR | ISO | AGR-Sealing (Three Lip Sealing). |
Аналог подшипника для корпуса GY1207KRRB — это подшипник такого же размера dx61,Dx110,Bx65, типа и конструкции.
| Обозначение | Конструктивные особенности | Внутренний (d) | Наружный (D) | Ширина (B) |
|---|---|---|---|---|
| 7212ACD/P4ATBTC | Подшипник шариковый однорядный радиально-упорный. Точность размеров в соответствии с классом допуска ISO 4. точность вращения лучше чем класс допуска ISO 4. 25° Угол контакта. Комплект из трех одинаковых однорядных радиальных или радиально-упорных шарикоподшипников >. Большой преднатяг. | 60.00 | 110.00 | 66.00 |
| 7212ACD/P4ATBTA | Подшипник шариковый однорядный радиально-упорный. Точность размеров в соответствии с классом допуска ISO 4. точность вращения лучше чем класс допуска ISO 4. 25° Угол контакта. Комплект из трех одинаковых однорядных радиальных или радиально-упорных шарикоподшипников. Легкий преднатяг. | 60.00 | 110.00 | 66.00 |
| K89312TN | Подшипник роликовый цилиндрический в сборе с сепаратором. Игольчатый роликовый подшипник без колец. Прочный сепаратор из полиамида. армированного стекловолокном. | 60.00 | 110.00 | 66.00 |
| 7212A5 TR DBDM P3 | Подшипник шариковый однорядный радиально-упорный. Средний предварительный натяг. Сепаратор из фенольных смол. центрируемый по внутреннему кольцу. 25° Угол контакта. Класс точности ниже. чем P2. но выше. чем P4. Трехрядная комбинация >. | 60.00 | 110.00 | 66.00 |
| 7212CD/HCP4ATGA | Подшипник шариковый однорядный радиально-упорный. Небольшая предварительная нагрузка. 15° Угол контакта. Точность размеров в соответствии с классом допуска ISO 4. точность вращения лучше чем класс допуска ISO 4. Подшипник или компоненты подшипника из керамики. Three Bearings For Universal Matching. | 60.00 | 110.00 | 66.00 |
| E260 7 CE1 TD105 | Подшипник шариковый однорядный радиально-упорный. Расположение внешнего сепаратора. P4 (SKF)=Abec.7. Три подшипника. расположенные по схеме спина к спине и тандем. C-Phenolic Resin. E-External Cage Location. 1-15° Угол контакта. Осевой зазор в мкм. | 60.00 | 110.00 | 66.00 |
| HR60KBE52X+L | Роликовый радиальный-упорный конический двухрядный подшипник. Одно механическое уплотнение. Для конических роликоподшипников и радиальных шарикоподшипников. | 60.00 | 110.00 | 66.00 |
| 432212U | Роликовый радиальный-упорный двухрядный подшипник. Универсальный одиночный подшипник. | 60.00 | 110.00 | 66.00 |
| ER212-38 | Шариковый радиальный однорядный подшипник. 2.3/8. | 60.33 | 110.00 | 65.10 |
| ER212-39 | Шариковый радиальный однорядный подшипник. Distance Between Beginning Of The Rail And First Hole In MM. | 61.91 | 110.00 | 65.10 |
| UC212L3 | Шариковый радиальный однорядный подшипник. Тройное манжетное уплотнение для вкладыша подшипника. | 60.00 | 110.00 | 65.10 |
| UCS212LD1N | Шариковый радиальный однорядный подшипник. Канавка для стопорного кольца на наружном кольце. | 60.00 | 110.00 | 65.10 |
| ER39DD | Шариковый радиальный однорядный подшипник. Два уплотнения из PTFE. | 61.91 | 110.00 | 65.09 |
| GY1206KRRB | Шариковый радиальный однорядный подшипник. | 60.33 | 110.00 | 65.07 |
| 480212К | Шариковый радиальный однорядный подшипник. | 60.00 | 110.00 | 65.10 |
Способы доставки
Отправка через ведущие транспортные и курьерские компании: ПЭК, Деловые Линии, СДЭК, Байкал-Сервис, Энергия, КИТ, ЖелДорЭкспедиция.
Самовывоз возможен напрямую со склада в Москве.
Сроки доставки
Срок зависит от региона и выбранной транспортной компании. Все заказы комплектуются и отправляются в кратчайшие сроки со склада в Москве.
Надёжность и сохранность
Вся продукция упаковывается с учётом требований транспортировки. Мы гарантируем, что подшипники и комплектующие прибудут к заказчику в полной сохранности.
Доставка в страны ЕАЭС
Мы работаем с проверенными логистическими партнёрами, что позволяет оперативно доставлять заказы в Беларусь, Казахстан, Армению и другие страны ЕАЭС.
Варианты оплаты:
Минимальная сумма заказа и скидки:
Документы и гарантии:
Да, конечно! Наши технические специалисты готовы помочь вам с подбором точного аналога или замены подшипника. Просто позвоните нам по телефону +7 (495) 104-99-04 или напишите на почту zakaz@podsnab.ru.
Для оперативной консультации подготовьте, пожалуйста, имеющиеся данные: маркировку, размеры, тип оборудования или артикул старого подшипника.
Да, конечно! Мы высоко ценим долгосрочное сотрудничество и доверие клиентов по всей России. Для постоянных клиентов действует персональная система скидок.
Условия формируются индивидуально и зависят от:
Чтобы узнать свои условия и получить максимально выгодное предложение, свяжитесь с персональным менеджером или напишите нам на почту zakaz@podsnab.ru.
Вы можете оформить заказ несколькими способами:
Для оформления заказа от юридического лица свяжитесь с нашим отделом по работе с корпоративными клиентами по телефону +7 (495) 104-99-04 или напишите на email zakaz@podsnab.ru, прикрепив реквизиты вашей организации.
Мы оперативно подготовим коммерческое предложение и выставим счет.
Возврат товара надлежащего качества возможен в течение 10 дней с момента получения, если товар не был в употреблении, сохранен товарный вид, упаковка не вскрывалась и присутствуют все сопроводительные документы.
Возврат денежных средств осуществляется в течение 10 рабочих дней после проверки товара складом.
В соответствии с законодательством возврату не подлежат подшипники надлежащего качества, если отсутствует оригинальная упаковка или имеются следы монтажа.
В случае выявления брака или гарантийного случая мы гарантируем возврат или обмен товара.
Да, гарантийный срок хранения устанавливается заводом-изготовителем и в среднем составляет 2 года при соблюдении условий хранения: сухое помещение, оригинальная упаковка и смазка.
Точный срок для конкретного типа подшипника уточняйте у наших менеджеров.
Пн–Пт: с 8:00 до 17:00 (МСК).
Сб–Вс: выходные дни.
Заказы на сайте принимаются круглосуточно. Заявки, поступившие после окончания рабочего дня, обрабатываются на следующий рабочий день.
Минимальная сумма заказа для доставки составляет 3000 рублей. Самовывоз со склада возможен на любую сумму при наличии товара.
ООО «УралТехГрупп»
ИНН: 7415093830
КПП: 772401001
ОГРН: 1167456069021
Банк: ПАО Сбербанк
Р/с: 40702810838000475273
К/с: 30101810400000000225
БИК: 044525225
У подшипника GY1207KRRB пока нет отзывов. Вы можете стать первым покупателем, поделившимся своим мнением.