Поиск подшипника
Статьи
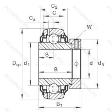
GE25-KRR-B-2C — Подшипник для корпуса, модификация основного исполнения GE25KRRB, производство INA.
Размер подшипника: 25x52x44 мм.
Манжетные уплотнения с обеих сторон (уплотнение типа r - имеет оцинкованные внутреннюю и внешнюю крышки. между крышками имеется уплотнительная кромка nbr. идущая по шлифованному буртику), защитные щиты с обеих сторон, подшипник со сферическим наружным кольцом.
Альтернативное обозначение: YEL205-2FF, YEL205-2RF/VL065.
Аналоги: YEL205-2FF SKF.
Международная стандартизации ISO
GE25KRRB2C
В наличии
| Обозначение | Конструктивные изменения |
|---|---|
| GE25KRRB+COL | Товар включает втулку. |
| GE25-KRR-B-2C>A | Подшипник со сферическим наружным кольцом. Манжетные уплотнения с обеих сторон (уплотнение типа R - имеет оцинкованные внутреннюю и внешнюю крышки. Между крышками имеется уплотнительная кромка NBR. идущая по шлифованному буртику). Защитные щиты с обеих сторон. |
| GE25-KRR-B-FA125.5>A | Подшипник для корпуса. |
| GE25KRRB | Подшипник для корпуса. Основное конструктивное исполнение. |
| GE25-KRR-B-FA101 | Подшипник со сферическим наружным кольцом. Манжетные уплотнения с обеих сторон (уплотнение типа R - имеет оцинкованные внутреннюю и внешнюю крышки. Между крышками имеется уплотнительная кромка NBR. идущая по шлифованному буртику). Высоко и низкотемпературная конструкция -40℃ / +180℃. |
| GE25-KRR-B-FA164 | Подшипник со сферическим наружным кольцом. Манжетные уплотнения с обеих сторон (уплотнение типа R - имеет оцинкованные внутреннюю и внешнюю крышки. Между крышками имеется уплотнительная кромка NBR. идущая по шлифованному буртику). Высокотемпературная конструкция до +250°C. |
| GE25-KRR-B-L285/70-OS | Подшипник со сферическим наружным кольцом. Манжетные уплотнения с обеих сторон (уплотнение типа R - имеет оцинкованные внутреннюю и внешнюю крышки. Между крышками имеется уплотнительная кромка NBR. идущая по шлифованному буртику). |
| GE25-KRR-B-CC | Подшипник со сферическим наружным кольцом. Манжетные уплотнения с обеих сторон (уплотнение типа R - имеет оцинкованные внутреннюю и внешнюю крышки. Между крышками имеется уплотнительная кромка NBR. идущая по шлифованному буртику). |
| GE25KRRB3 | Conrad (Non-Filling Slot) Type. Сферический внешний диаметр. Резиновое уплотнение с двух сторон. |
Модификации подшипника для корпуса GE25-KRR-B-2C — это измененное основное конструктивное исполнение GE25KRRB, основные размеры (25x52x44) не отличаются.
| Обозначение | Гост | Конструктивные особенности |
|---|---|---|
| GE25-XL-KRR-B-FA164 | ISO | Подшипник со сферическим наружным кольцом. Серия X-Life премиум-класс. увеличиный срок службы. Манжетные уплотнения с обеих сторон (уплотнение типа R - имеет оцинкованные внутреннюю и внешнюю крышки. Между крышками имеется уплотнительная кромка NBR. идущая по шлифованному буртику). Высокотемпературная конструкция до +250°C. |
| EW205-16 | ISO | 01. |
| EW205-16S | ISO | Стандартное заполнение. 1. |
| UEL205D1 | ISO | Не требующий обслуживания тип. |
| GE25KRRB FA125.5 | ISO | Подшипник со сферическим наружным кольцом. Манжетные уплотнения с обеих сторон (уплотнение типа R - имеет оцинкованные внутреннюю и внешнюю крышки. Между крышками имеется уплотнительная кромка NBR. идущая по шлифованному буртику). Distance Between Beginning Of The Rail And First Hole In MM. С покрытием Corrotect®, защищено от коррозии. |
| T1025-1DECG | ISO | Смазочные отверстия в распределительной канавке. Механически обработанные в наружном кольце для смазки. Эксцентриковая втулка с удлиненным внутренним кольцом. |
| E25KPP3 | ISO | Try-Ply Seal On Both Sides Of The Bearing. |
| E25KPP3 FA129 | ISO | Try-Ply Seal On Both Sides Of The Bearing. |
| GE25-KLL-B | ISO | Подшипник со сферическим наружным кольцом. BALL BEARING. CONRAD TYPE. INDUSTRIAL POWER TRANSMISSION. DOUBLE MECHANI-SEAL. |
| HC205-16 | ISO | 01. |
| E25KLL | ISO | BALL BEARING. CONRAD TYPE. INDUSTRIAL POWER TRANSMISSION. DOUBLE MECHANI-SEAL. |
| EX205 | ISO | Контактное уплотнение с одной стороны. |
| 446205D | ISO | Измененный внутренний дизайн. |
| YEL205-100-2FCW | ISO | Стандартное контактное уплотнение с дополнительным маслоотражательным кольцом с обеих сторон. С цилиндрическим наружным диаметром. 1. |
| UELS205-100D1NRW3 | ISO | Канавка под стопорное кольцо на наружном кольце с соответствующим стопорным кольцом. Не требующий обслуживания тип. Корпусной подшипник с установочным винтом. |
| UEL205-100D1W3 | ISO | Не требующий обслуживания тип. Корпусной подшипник с установочным винтом. 1. |
| YEL205-2DW/AG | ISO | Bearing For Agricultural Applications. Insert Bearing With Set Screws. YAR 2-2DW/AG series. |
| LY205.2T.HYU.R | ISO | С выпуклыми асимметричными роликами и обработанным сепаратором. By Construction Is The Same As 2S. Except Rubber Lip Is Tripled. Therefore. It Seals Better But Has Even Larger Friction. The Permitted Speeds Are Much Lower. Up To 500. It Emerges Out Of External Ring Width And Is Applied Only With Special Bearings For The Agricultural Machines (Practically Standard Sealing For The Disc Harrow Bearings) And To The Less Extent. Y-Bearing Program. |
| GE25-XL-KRR-B-FA101 | ISO | Подшипник со сферическим наружным кольцом. Серия X-Life премиум-класс. увеличиный срок службы. Манжетные уплотнения с обеих сторон (уплотнение типа R - имеет оцинкованные внутреннюю и внешнюю крышки. Между крышками имеется уплотнительная кромка NBR. идущая по шлифованному буртику). Высоко и низкотемпературная конструкция -40℃ / +180℃. |
| EX.205.G2 | ISO | Cистема повторного смазывания для корпусных подшипников. |
Аналог подшипника для корпуса GE25-KRR-B-2C — это подшипник такого же размера dx25,Dx52,Bx44, типа и конструкции.
| Обозначение | Конструктивные особенности | Внутренний (d) | Наружный (D) | Ширина (B) |
|---|---|---|---|---|
| 7602025-TVP-TU-L055 | Шариковый радиально-упорный подшипник однонаправленный. Формованный полиамидный сепаратор оконного типа. Роликовые тела качения. Подшипник смазан высокоэффективной смазкой Arcanol MULTITOP. Триплексный комплект подшипников, универсальное заземление. | 25.00 | 52.00 | 45.00 |
| 11205LLSQ | Подшипник шариковый двухрядный самоустанавливающийся. Резиновые уплотнения с каждой стороны подшипника. | 25.00 | 52.00 | 44.00 |
| 11205LL | Подшипник шариковый двухрядный самоустанавливающийся. Резиновые уплотнения с каждой стороны подшипника. | 25.00 | 52.00 | 44.00 |
| 11205EE S | Подшипник шариковый двухрядный самоустанавливающийся. Запечатанная версия кулачкового ролика. Контактное уплотнение с обеих сторон. | 25.00 | 52.00 | 44.00 |
| E225 7 PE1 TDL | Подшипник шариковый однорядный радиально-упорный. Внешнее расположение сепаратора. Формованный под давлением сепаратор из полиамида 6.6. P4 (SKF)=Abec.7. Легкий преднатяг. CD (SKF)=15° Угол контакта. Три подшипника. расположенные по схеме спина к спине и тандем. | 25.00 | 52.00 | 45.00 |
| E225 7 PE3 TFF | Подшипник шариковый однорядный радиально-упорный. Внешнее расположение сепаратора. Большой преднатяг (только для симметричных наборов). Формованный под давлением сепаратор из полиамида 6.6. P4 (SKF)=Abec.7. (TFT-SKF)-Three Bearings Arranged Face-To-Face And Tandem. ACD (SKF)=25° Угол контакта. | 25.00 | 52.00 | 45.00 |
| E225 7 CE3 TFF | Подшипник шариковый однорядный радиально-упорный. Фенольная смола. Расположение внешнего сепаратора. Большой преднатяг (только для симметричных наборов). P4 (SKF)=Abec.7. (TFT-SKF)-Three Bearings Arranged Face-To-Face And Tandem. ACD (SKF)=25° Угол контакта. | 25.00 | 52.00 | 45.00 |
| 11205TN | Подшипник шариковый двухрядный самоустанавливающийся. сепаратор из полиамида 6.6. армированного стекловолокном. | 25.00 | 52.00 | 44.00 |
| YELAG 205-100 | Корпусный подшипник. 1. | 25.40 | 52.00 | 44.40 |
| YELAG 205 | Корпусный подшипник. Измененная или модифицированная внутренняя конструкция при неизменных основных размерах. | 25.00 | 52.00 | 44.40 |
| 74025/74052G | Роликовый радиальный-упорный двухрядный подшипник. Устройство повторного смазывания со смазочной канавкой и отверстием на внешнем кольце. | 25.00 | 52.00 | 43.00 |
| 74025/74052H | Роликовый радиальный-упорный двухрядный подшипник. Pressed Snap-Type Steel Cage. Hardened. | 25.00 | 52.00 | 43.00 |
| CEX205 | Шариковый радиальный однорядный подшипник. Контактное уплотнение с одной стороны. | 25.00 | 52.00 | 44.40 |
| CEX205-16 | Шариковый радиальный однорядный подшипник. 01. | 25.40 | 52.00 | 44.40 |
| EX205-16 | Шариковый радиальный однорядный подшипник. 01. | 25.40 | 52.00 | 44.30 |
Способы доставки
Отправка через ведущие транспортные и курьерские компании: ПЭК, Деловые Линии, СДЭК, Байкал-Сервис, Энергия, КИТ, ЖелДорЭкспедиция.
Самовывоз возможен напрямую со склада в Москве.
Сроки доставки
Срок зависит от региона и выбранной транспортной компании. Все заказы комплектуются и отправляются в кратчайшие сроки со склада в Москве.
Надёжность и сохранность
Вся продукция упаковывается с учётом требований транспортировки. Мы гарантируем, что подшипники и комплектующие прибудут к заказчику в полной сохранности.
Доставка в страны ЕАЭС
Мы работаем с проверенными логистическими партнёрами, что позволяет оперативно доставлять заказы в Беларусь, Казахстан, Армению и другие страны ЕАЭС.
Варианты оплаты:
Минимальная сумма заказа и скидки:
Документы и гарантии:
Да, конечно! Наши технические специалисты готовы помочь вам с подбором точного аналога или замены подшипника. Просто позвоните нам по телефону +7 (495) 104-99-04 или напишите на почту zakaz@podsnab.ru.
Для оперативной консультации подготовьте, пожалуйста, имеющиеся данные: маркировку, размеры, тип оборудования или артикул старого подшипника.
Да, конечно! Мы высоко ценим долгосрочное сотрудничество и доверие клиентов по всей России. Для постоянных клиентов действует персональная система скидок.
Условия формируются индивидуально и зависят от:
Чтобы узнать свои условия и получить максимально выгодное предложение, свяжитесь с персональным менеджером или напишите нам на почту zakaz@podsnab.ru.
Вы можете оформить заказ несколькими способами:
Для оформления заказа от юридического лица свяжитесь с нашим отделом по работе с корпоративными клиентами по телефону +7 (495) 104-99-04 или напишите на email zakaz@podsnab.ru, прикрепив реквизиты вашей организации.
Мы оперативно подготовим коммерческое предложение и выставим счет.
Возврат товара надлежащего качества возможен в течение 10 дней с момента получения, если товар не был в употреблении, сохранен товарный вид, упаковка не вскрывалась и присутствуют все сопроводительные документы.
Возврат денежных средств осуществляется в течение 10 рабочих дней после проверки товара складом.
В соответствии с законодательством возврату не подлежат подшипники надлежащего качества, если отсутствует оригинальная упаковка или имеются следы монтажа.
В случае выявления брака или гарантийного случая мы гарантируем возврат или обмен товара.
Да, гарантийный срок хранения устанавливается заводом-изготовителем и в среднем составляет 2 года при соблюдении условий хранения: сухое помещение, оригинальная упаковка и смазка.
Точный срок для конкретного типа подшипника уточняйте у наших менеджеров.
Пн–Пт: с 8:00 до 17:00 (МСК).
Сб–Вс: выходные дни.
Заказы на сайте принимаются круглосуточно. Заявки, поступившие после окончания рабочего дня, обрабатываются на следующий рабочий день.
Минимальная сумма заказа для доставки составляет 3000 рублей. Самовывоз со склада возможен на любую сумму при наличии товара.
ООО «УралТехГрупп»
ИНН: 7415093830
КПП: 772401001
ОГРН: 1167456069021
Банк: ПАО Сбербанк
Р/с: 40702810838000475273
К/с: 30101810400000000225
БИК: 044525225
У подшипника GE25-KRR-B-2C пока нет отзывов. Вы можете стать первым покупателем, поделившимся своим мнением.