Поиск подшипника
Статьи
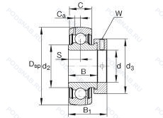
GRA115-NPP-B-AS2/V — Подшипник для корпуса, модификация основного исполнения GRA115, производство INA.
Размер подшипника: 49x90x43 мм.
Наружное кольцо подшипника с двумя смазочными отверстиями в смещенных плоскостях, манжетные уплотнения с обеих сторон (тип p — две шайбы из оцинкованной листовой стали с промежуточной частью из nbr. кромка уплотнения предварительно нагружена в осевом направлении), подшипник со сферическим наружным кольцом.
Альтернативное обозначение: 16210.115, YET210-115.
Аналоги: YET210-115 SKF,GRA210-31V22+ER Frimet.
Международная стандартизации ISO
GRA115NPPBAS2V
В наличии
| Обозначение | Конструктивные изменения |
|---|---|
| GRA115NPPBW | Подшипник со сферическим наружным кольцом. Эксцентриковая стопорная втулка. Манжетные уплотнения с обеих сторон (Тип P — две шайбы из оцинкованной листовой стали с промежуточной частью из NBR. Кромка уплотнения предварительно нагружена в осевом направлении). |
| GRA115RRB + COL | Товар включает втулку. Два резиновых уплотнения Land Riding со сферическим наружным диаметром (B). |
| GRA115NPPB | Подшипник со сферическим наружным кольцом. Манжетные уплотнения с обеих сторон (Тип P — две шайбы из оцинкованной листовой стали с промежуточной частью из NBR. Кромка уплотнения предварительно нагружена в осевом направлении). |
| GRA115RRB2 | Сферический внешний диаметр. Different From Standard In One Respect Or Another. Резиновое уплотнение с двух сторон. |
| GRA115RRB | Два резиновых уплотнения Land Riding со сферическим наружным диаметром (B). |
Модификации подшипника для корпуса GRA115-NPP-B-AS2/V — это измененное основное конструктивное исполнение GRA115, основные размеры (49x90x43) не отличаются.
| Обозначение | Гост | Конструктивные особенности |
|---|---|---|
| YET210-115 | ISO | 1.15/16. |
| RAE50-NPP-FA106-CR3 | ISO | Манжетные уплотнения с обеих сторон (Тип P — две шайбы из оцинкованной листовой стали с промежуточной частью из NBR. Кромка уплотнения предварительно нагружена в осевом направлении). Подшипник подвергается специальным испытаниям на шум. |
| AEL210W3 | ISO | Корпусной подшипник с установочным винтом. |
| CES210-31 | ISO | 1.15/16. |
| 1250-1.15/16EC | ISO | Эксцентриковая втулка с внутренним кольцом заподлицо с одной стороны. Number Of Carriages Per Rail Track. Distance Between Beginning Of The Rail And First Hole In MM. |
| US.210.G2 | ISO | Cистема повторного смазывания для корпусных подшипников. |
| ES210G2 | ISO | Cистема повторного смазывания для корпусных подшипников. |
| RA115NPPB | ISO | Подшипник со сферическим наружным кольцом. Манжетные уплотнения с обеих сторон (Тип P — две шайбы из оцинкованной листовой стали с промежуточной частью из NBR. Кромка уплотнения предварительно нагружена в осевом направлении). |
| RAE50NPPB | ISO | Подшипник со сферическим наружным кольцом. Манжетные уплотнения с обеих сторон (Тип P — две шайбы из оцинкованной листовой стали с промежуточной частью из NBR. Кромка уплотнения предварительно нагружена в осевом направлении). |
| AELS210N | ISO | Паз в корпусе для крепления защитных колпачков. |
| SA210-31 | ISO | 1.15/16. |
| ES210SRS | ISO | Разделенные резиновые уплотнения. |
| YAT210-115 | ISO | 1.15/16. |
| SA210SS | ISO | Нержавеющая сталь. |
| 1250-1.15/16ECG | ISO | Эксцентриковый кольцевой замок с внутренним кольцом заподлицо с одной стороны. Устройство повторного смазывания со смазочной канавкой и отверстием на внешнем кольце. Number Of Carriages Per Rail Track. Distance Between Beginning Of The Rail And First Hole In MM. |
| AEL210-115D1 | ISO | Не требующий обслуживания тип. 1.15/16. |
| 1250-50EC | ISO | Эксцентриковая втулка с внутренним кольцом заподлицо с одной стороны. |
| ENR210-31SDDR | ISO | Шарикоподшипник со стандартным заполнением пластичной смазкой. |
| RAE50-NPP-FA106 | ISO | Манжетные уплотнения с обеих сторон (Тип P — две шайбы из оцинкованной листовой стали с промежуточной частью из NBR. Кромка уплотнения предварительно нагружена в осевом направлении). Подшипник подвергается специальным испытаниям на шум. |
| KH210+ER | ISO | Эксцентриковое кольцо. |
| AS210ZZ C4 | ISO | Внутренний зазор подшипника больше. чем C3. Защитные металлические шайбы с обеих сторон. |
Аналог подшипника для корпуса GRA115-NPP-B-AS2/V — это подшипник такого же размера dx49,Dx90,Bx43, типа и конструкции.
| Обозначение | Конструктивные особенности | Внутренний (d) | Наружный (D) | Ширина (B) |
|---|---|---|---|---|
| 510059 | Подшипник шариковый двухрядный радиально-упорный. | 48.00 | 89.00 | 44.00 |
| DAC4889W 2RS CS94 | Подшипник шариковый двухрядный радиально-упорный. Угол контакта 15 градусов. Резиновые уплотнения с каждой стороны подшипника. Подшипник без смазочных отверстий в наружном кольце. Специальный радиальный зазор. | 48.00 | 89.00 | 44.00 |
| 30210J2/QDF | Двухрядный конический роликовый подшипник. Оптимизированная геометрия и специальная обработка контактных поверхностей. Штампованный стальной сепаратор. центрируемый по роликам. Число после J указывает на различные конструктивные исполнения сепаратора. Комплект из двух подшипников. согласованных для установки по Х-образной схеме. Число. следующее непосредственно после букв DF. обозначает конструкцию промежуточного кольца. | 50.00 | 90.00 | 43.50 |
| 45C30210JR/5.5CS20 | Однорядный конический роликовый подшипник. Special Radial Clearance In µm. | 50.00 | 90.00 | 43.50 |
| 50KBE22 | Роликовый радиальный-упорный двухрядный подшипник. | 50.00 | 90.00 | 43.50 |
| AU1001-2LXL/L260 | Шариковый радиально-упорный двухрядный подшипник. Grease Code. | 48.00 | 89.00 | 44.00 |
| AU1001-5LLX/L260 | Шариковый радиально-упорный двухрядный подшипник. Grease Code. | 48.00 | 89.00 | 44.00 |
| DE01015CS82PX1 | Шариковый радиально-упорный двухрядный подшипник. Угол контакта 15°. | 48.00 | 89.00 | 44.00 |
| DE1015CS82PX1 | Шариковый радиально-упорный двухрядный подшипник. Угол контакта 15°. | 48.00 | 89.00 | 44.00 |
| DAC4889W-1CS16 | Шариковый радиально-упорный двухрядный подшипник. Угол контакта 15 градусов. Подшипник без смазочных отверстий в наружном кольце. | 48.00 | 89.00 | 44.00 |
| 30210J/DF | Роликовый радиальный-упорный двухрядный подшипник. Дорожки качения наружного кольца. угол контакта и ширина наружного кольца в соответствии с ISO. Комплект из двух подшипников. согласованных для установки по Х-образной схеме. Число. следующее непосредственно после букв DF. обозначает конструкцию промежуточного кольца. | 50.00 | 90.00 | 43.50 |
| CES210 | Шариковый радиальный однорядный подшипник. Сферический наружный диаметр. Контактное уплотнение с одной стороны. | 50.00 | 90.00 | 43.70 |
| ES210-31 | Шариковый радиальный однорядный подшипник. 1.15/16. | 49.21 | 90.00 | 43.70 |
| ES210 | Шариковый радиальный однорядный подшипник. Сферический наружный диаметр. Контактное уплотнение с одной стороны. | 50.00 | 90.00 | 43.70 |
| 5-210-К | Роликовый подшипник с витыми роликами. Кольцевая проточка на середине цилиндрической наружной поверхности наружного кольца плюс три отверстия для смазки. | 50.00 | 90.00 | 44.00 |
Способы доставки
Отправка через ведущие транспортные и курьерские компании: ПЭК, Деловые Линии, СДЭК, Байкал-Сервис, Энергия, КИТ, ЖелДорЭкспедиция.
Самовывоз возможен напрямую со склада в Москве.
Сроки доставки
Срок зависит от региона и выбранной транспортной компании. Все заказы комплектуются и отправляются в кратчайшие сроки со склада в Москве.
Надёжность и сохранность
Вся продукция упаковывается с учётом требований транспортировки. Мы гарантируем, что подшипники и комплектующие прибудут к заказчику в полной сохранности.
Доставка в страны ЕАЭС
Мы работаем с проверенными логистическими партнёрами, что позволяет оперативно доставлять заказы в Беларусь, Казахстан, Армению и другие страны ЕАЭС.
Варианты оплаты:
Минимальная сумма заказа и скидки:
Документы и гарантии:
Да, конечно! Наши технические специалисты готовы помочь вам с подбором точного аналога или замены подшипника. Просто позвоните нам по телефону +7 (495) 104-99-04 или напишите на почту zakaz@podsnab.ru.
Для оперативной консультации подготовьте, пожалуйста, имеющиеся данные: маркировку, размеры, тип оборудования или артикул старого подшипника.
Да, конечно! Мы высоко ценим долгосрочное сотрудничество и доверие клиентов по всей России. Для постоянных клиентов действует персональная система скидок.
Условия формируются индивидуально и зависят от:
Чтобы узнать свои условия и получить максимально выгодное предложение, свяжитесь с персональным менеджером или напишите нам на почту zakaz@podsnab.ru.
Вы можете оформить заказ несколькими способами:
Для оформления заказа от юридического лица свяжитесь с нашим отделом по работе с корпоративными клиентами по телефону +7 (495) 104-99-04 или напишите на email zakaz@podsnab.ru, прикрепив реквизиты вашей организации.
Мы оперативно подготовим коммерческое предложение и выставим счет.
Возврат товара надлежащего качества возможен в течение 10 дней с момента получения, если товар не был в употреблении, сохранен товарный вид, упаковка не вскрывалась и присутствуют все сопроводительные документы.
Возврат денежных средств осуществляется в течение 10 рабочих дней после проверки товара складом.
В соответствии с законодательством возврату не подлежат подшипники надлежащего качества, если отсутствует оригинальная упаковка или имеются следы монтажа.
В случае выявления брака или гарантийного случая мы гарантируем возврат или обмен товара.
Да, гарантийный срок хранения устанавливается заводом-изготовителем и в среднем составляет 2 года при соблюдении условий хранения: сухое помещение, оригинальная упаковка и смазка.
Точный срок для конкретного типа подшипника уточняйте у наших менеджеров.
Пн–Пт: с 8:00 до 17:00 (МСК).
Сб–Вс: выходные дни.
Заказы на сайте принимаются круглосуточно. Заявки, поступившие после окончания рабочего дня, обрабатываются на следующий рабочий день.
Минимальная сумма заказа для доставки составляет 3000 рублей. Самовывоз со склада возможен на любую сумму при наличии товара.
ООО «УралТехГрупп»
ИНН: 7415093830
КПП: 772401001
ОГРН: 1167456069021
Банк: ПАО Сбербанк
Р/с: 40702810838000475273
К/с: 30101810400000000225
БИК: 044525225
У подшипника GRA115-NPP-B-AS2/V пока нет отзывов. Вы можете стать первым покупателем, поделившимся своим мнением.