Поиск подшипника
Статьи
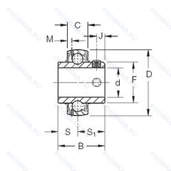
GY1014KRRB SGT — Подшипник для корпуса, модификация основного исполнения GY1014, производство TIMKEN.
Размер подшипника: 22x52x34 мм.
Shaft guarding technology™, резиновое уплотнение с двух сторон, conrad (non-filling slot) type, сферический внешний диаметр.
Альтернативное обозначение: YAR205-014-2F.
Аналоги: 479205-014 SKF,1025-7/8G RHP,1025-7/8G NKB.
Международная стандартизации ISO
GY1014KRRBSGT
В наличии
| Обозначение | Конструктивные изменения |
|---|---|
| GY1014KRRB | Два резиновых уплотнения Land Riding со сферическим наружным диаметром (B). |
| GY1014-KRR-B-AS2/V | Конический роликовый подшипник. Угол контакта 20 градусов. Манжетные уплотнения с обеих сторон (уплотнение типа R - имеет оцинкованные внутреннюю и внешнюю крышки. Между крышками имеется уплотнительная кромка NBR. идущая по шлифованному буртику). Наружное кольцо подшипника с двумя смазочными отверстиями в смещенных плоскостях. |
Модификации подшипника для корпуса GY1014KRRB SGT — это измененное основное конструктивное исполнение GY1014, основные размеры (22x52x34) не отличаются.
| Обозначение | Гост | Конструктивные особенности |
|---|---|---|
| 56205.014 | ISO | 7/8. |
| 1125-7/8CG ER14 | ISO | Небольшая предварительная нагрузка. Резьбовой винт со стопором и защелкой. |
| 1025-7/8G | ISO | Вкладыш подшипника с возможностью повторной смазки. Небольшая предварительная нагрузка. |
| 1014KRR | ISO | Манжетные уплотнения с обеих сторон (уплотнение типа R - имеет оцинкованные внутреннюю и внешнюю крышки. Между крышками имеется уплотнительная кромка NBR. идущая по шлифованному буртику). |
| 479205-014 | ISO | 7/8. |
| 413205-014 | ISO | 7/8. |
| UCR205-14 | ISO | 7/8. |
| UC205-014D1W3 | ISO | Не требующий обслуживания тип. Корпусной подшипник с установочным винтом. |
| 1014KL | ISO | Flanged Type (2 Thru holes)-Medium Load. |
| 1030-7/8G | ISO | Вкладыш подшипника с возможностью повторной смазки. Небольшая предварительная нагрузка. |
| UC.205-14.G2 | ISO | Cистема повторного смазывания для корпусных подшипников. |
| G1014KRRB | ISO | Подшипник со сферическим наружным кольцом. Манжетные уплотнения с обеих сторон (уплотнение типа R - имеет оцинкованные внутреннюю и внешнюю крышки. Между крышками имеется уплотнительная кромка NBR. идущая по шлифованному буртику). |
| WPS014GRC | ISO | Указывает на наличие эксцентрикового стопорного кольца в комплекте с подшипником. Подшипники с установочным винтом не имеют втулки. Многоразовая смазка. Широкий одинарный манжетный уплотнитель. |
| WPS014GPC | ISO | Указывает на наличие эксцентрикового стопорного кольца в комплекте с подшипником. Подшипники с установочным винтом не имеют втулки. Prelubricated For Life. Широкий одинарный манжетный уплотнитель. |
| 1014KRR+COL | ISO | Манжетные уплотнения с обеих сторон (уплотнение типа R - имеет оцинкованные внутреннюю и внешнюю крышки. Между крышками имеется уплотнительная кромка NBR. идущая по шлифованному буртику). Товар включает втулку. |
| 1014KRRB+COL | ISO | Conrad (Non-Filling Slot) Type. Сферический внешний диаметр. Резиновое уплотнение с двух сторон. Товар включает втулку. |
| UC205-14S | ISO | Стандартное заполнение. |
| YAR205-014-2F/AH | ISO | Стандартное контактное уплотнение с дополнительным маслоотражательным кольцом с обеих сторон. Противовращающийся штырь. Массивные ножки и свободный момент выравнивания. 7/8. |
| UC205-014 | ISO | 7/8. |
| UC205-014D1 X AV3S | ISO | Измененные размеры границ. введенные пересмотренными стандартами ISO. Relube Type.. Alvania Grease #3 Standard Fill. |
Аналог подшипника для корпуса GY1014KRRB SGT — это подшипник такого же размера dx22,Dx52,Bx34, типа и конструкции.
| Обозначение | Конструктивные особенности | Внутренний (d) | Наружный (D) | Ширина (B) |
|---|---|---|---|---|
| VER214 | Подшипник однорядный шариковый радиальный. | 22.23 | 52.00 | 34.93 |
| RB205-14 | Шариковый радиальный однорядный подшипник. Distance In MM From Beginning Of The Rail Till The First Hole. | 22.23 | 52.00 | 34.10 |
| UC205-14L2 | Шариковый радиальный однорядный подшипник. | 22.23 | 52.00 | 34.10 |
| E2.YAR205-014-2F | Шариковый радиальный однорядный подшипник. | 22.23 | 52.00 | 34.10 |
| SM1014KB | Шариковый радиальный однорядный подшипник. Материал контакта сталь на бронзе (S/B). | 22.23 | 52.00 | 34.93 |
| SM1014K | Шариковый радиальный однорядный подшипник. Коническое отверстие. Конусность 1/12. | 22.23 | 52.00 | 34.93 |
| ER14DD | Шариковый радиальный однорядный подшипник. Два уплотнения из PTFE. | 22.23 | 52.00 | 34.13 |
| G1014KLLB | Шариковый радиальный однорядный подшипник. | 22.23 | 52.00 | 34.92 |
| G1014KLL | Шариковый радиальный однорядный подшипник. BALL BEARING. CONRAD TYPE. INDUSTRIAL POWER TRANSMISSION. DOUBLE MECHANI-SEAL. | 22.23 | 52.00 | 34.92 |
| G1014KPPB3 | Шариковый радиальный однорядный подшипник. | 22.23 | 52.00 | 34.92 |
| GC1014KRRB | Шариковый радиальный однорядный подшипник. | 22.23 | 52.00 | 34.13 |
| 1014KLL | Шариковый радиальный однорядный подшипник. BALL BEARING. CONRAD TYPE. INDUSTRIAL POWER TRANSMISSION. DOUBLE MECHANI-SEAL. | 22.23 | 52.00 | 34.92 |
| 1014KLLB | Шариковый радиальный однорядный подшипник. | 22.23 | 52.00 | 34.92 |
| 1014KRRB | Шариковый радиальный однорядный подшипник. | 22.23 | 52.00 | 34.92 |
Способы доставки
Отправка через ведущие транспортные и курьерские компании: ПЭК, Деловые Линии, СДЭК, Байкал-Сервис, Энергия, КИТ, ЖелДорЭкспедиция.
Самовывоз возможен напрямую со склада в Москве.
Сроки доставки
Срок зависит от региона и выбранной транспортной компании. Все заказы комплектуются и отправляются в кратчайшие сроки со склада в Москве.
Надёжность и сохранность
Вся продукция упаковывается с учётом требований транспортировки. Мы гарантируем, что подшипники и комплектующие прибудут к заказчику в полной сохранности.
Доставка в страны ЕАЭС
Мы работаем с проверенными логистическими партнёрами, что позволяет оперативно доставлять заказы в Беларусь, Казахстан, Армению и другие страны ЕАЭС.
Варианты оплаты:
Минимальная сумма заказа и скидки:
Документы и гарантии:
Да, конечно! Наши технические специалисты готовы помочь вам с подбором точного аналога или замены подшипника. Просто позвоните нам по телефону +7 (495) 104-99-04 или напишите на почту zakaz@podsnab.ru.
Для оперативной консультации подготовьте, пожалуйста, имеющиеся данные: маркировку, размеры, тип оборудования или артикул старого подшипника.
Да, конечно! Мы высоко ценим долгосрочное сотрудничество и доверие клиентов по всей России. Для постоянных клиентов действует персональная система скидок.
Условия формируются индивидуально и зависят от:
Чтобы узнать свои условия и получить максимально выгодное предложение, свяжитесь с персональным менеджером или напишите нам на почту zakaz@podsnab.ru.
Вы можете оформить заказ несколькими способами:
Для оформления заказа от юридического лица свяжитесь с нашим отделом по работе с корпоративными клиентами по телефону +7 (495) 104-99-04 или напишите на email zakaz@podsnab.ru, прикрепив реквизиты вашей организации.
Мы оперативно подготовим коммерческое предложение и выставим счет.
Возврат товара надлежащего качества возможен в течение 10 дней с момента получения, если товар не был в употреблении, сохранен товарный вид, упаковка не вскрывалась и присутствуют все сопроводительные документы.
Возврат денежных средств осуществляется в течение 10 рабочих дней после проверки товара складом.
В соответствии с законодательством возврату не подлежат подшипники надлежащего качества, если отсутствует оригинальная упаковка или имеются следы монтажа.
В случае выявления брака или гарантийного случая мы гарантируем возврат или обмен товара.
Да, гарантийный срок хранения устанавливается заводом-изготовителем и в среднем составляет 2 года при соблюдении условий хранения: сухое помещение, оригинальная упаковка и смазка.
Точный срок для конкретного типа подшипника уточняйте у наших менеджеров.
Пн–Пт: с 8:00 до 17:00 (МСК).
Сб–Вс: выходные дни.
Заказы на сайте принимаются круглосуточно. Заявки, поступившие после окончания рабочего дня, обрабатываются на следующий рабочий день.
Минимальная сумма заказа для доставки составляет 3000 рублей. Самовывоз со склада возможен на любую сумму при наличии товара.
ООО «УралТехГрупп»
ИНН: 7415093830
КПП: 772401001
ОГРН: 1167456069021
Банк: ПАО Сбербанк
Р/с: 40702810838000475273
К/с: 30101810400000000225
БИК: 044525225
У подшипника GY1014KRRB SGT пока нет отзывов. Вы можете стать первым покупателем, поделившимся своим мнением.