Поиск подшипника
Статьи
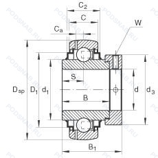
GE120KRRB — Подшипник для корпуса, модификация основного исполнения GE120, производство INA.
Размер подшипника: 120x215x81 мм.
Широкий подшипник с внутренним кольцом и метрическим отверстием, манжетные уплотнения с обеих сторон (уплотнение типа r - имеет оцинкованные внутреннюю и внешнюю крышки. между крышками имеется уплотнительная кромка nbr. идущая по шлифованному буртику), подшипник со сферическим наружным кольцом.
Альтернативное обозначение: RASE120 + ASE24.
Аналоги: GE120-XL-KRR-B INA.
Международная стандартизации ISO
GE120KRRB
В наличии
| Обозначение | Конструктивные изменения |
|---|---|
| GE120FO-2RS | Манжетное уплотнение с двух сторон. Стальная скользящая контактная поверхность. Более широкое внутреннее кольцо. Антизадирная пластичная смазка. |
| GE120ZO | Стальная скользящая контактная поверхность. Разъемное наружное кольцо со смазочными отверстиями. |
| GE120ZO-2RS | Манжетное уплотнение с двух сторон. Стальная cкользящая контактная поверхность. Суффикс используется для дюймовых размеров. |
| GE120-DO-C2 | Радиальный внутренний зазор меньше нормального. Стальная контактная поверхность скольжения. Внутреннее и наружное кольца закалены. |
| GE120-DO-C3 | Радиальный внутренний зазор больше нормального. Поверхность контакта скольжения сталь / сталь. |
| GE120TE-2RS | Double-Lip Rubbing Seals Of Metric Bearings Are Made Of Polyester Elastomer (-30°C/+130°C). Inch-Size Bearings Are Made Of Polyurethane (-20°C/+80°C). Сквозная закалка и шлифовка стали с переломом в одной точке. |
| GE120DO-2RSA | Special Seals. Поверхность контакта скольжения сталь / сталь. |
| GE120-FO-2RS-A | Особенность внутренней конструкции. Манжетное уплотнение с двух сторон. Стальная скользящая контактная поверхность. Более широкое внутреннее кольцо. |
| GE120-XL-KRR-B | Подшипник со сферическим наружным кольцом. Серия X-Life премиум-класс. увеличиный срок службы. Манжетные уплотнения с обеих сторон (уплотнение типа R - имеет оцинкованные внутреннюю и внешнюю крышки. Между крышками имеется уплотнительная кромка NBR. идущая по шлифованному буртику). |
| GE120-AW-W11 | Sliding Contact Surface Hard Chromium/Elgoglide¨ (Elgoglide. Для низкого контактного давления (начиная с 1 Н/м2) и минимального трения. |
| GE120-SW-W11 | Sliding Contact Surface Hard Chromium/Elgoglide¨ (Elgoglide. Для низкого контактного давления (начиная с 1 Н/м2) и минимального трения. |
| GE120-UK-2RS-W8 | Манжетное уплотнение с двух сторон. Контактная поверхность скольжения хром/PTFE композит. Inner Ring Bore With Elgoglide Lining_ Inside Diameter D Remains In Accordance With Nominal Diameter (dNEW = d). |
| GE120-UK-2RS-W7 | Манжетное уплотнение с двух сторон. Контактная поверхность скольжения хром/PTFE композит. Inner Ring Bore With ELGOGLIDE Lining_ Inside Diameter D Reduced By 1.08 mm (dNEW = d – 1.08). |
| GE120-UK-2RS-W1 | Манжетное уплотнение с двух сторон. Контактная поверхность скольжения хром/PTFE композит. Одна каретка на направляющей. |
| GE120-SX-F10 | Радиально-упорный сферический подшипник скольжения. требующий обслуживания по ISO 12 2402. Монтажные размеры как для конических роликоподшипников по DIN 720. 320X. Стальная скользящая контактная поверхность. |
| GE120ES/C2 | Внутренний зазор подшипника меньше нормального. Разъемное наружное кольцо со смазочными отверстиями. |
| GE120ES/C3 | Внутренний зазор больше нормального. Разъемное наружное кольцо со смазочными отверстиями. |
| GE120AWA | Особенность внутренней конструкции. Скользящая контактная поверхность из твердого хрома/Elgoglide®. |
| GE120TXG3A-2LS | A Triple Lip Elastomer Seal. With A Steel Backing. On Each Side Of The Bearing (-25°C/+120°C). Stainless Steel X46Cr13/1.4034. Hardened. Ground. Split Two-Piece. Held Together By One Steel Band. |
| GE120-FO-2RS-HLN | Манжетное уплотнение с двух сторон. Стальная скользящая контактная поверхность. Более широкое внутреннее кольцо. Код местонахождения завода. может использоваться в стандартной комплектации. |
| GE120XT/X-2RS | Резиновые уплотнения с каждой стороны подшипника. Измененные размеры границ. введенные пересмотренными стандартами ISO. Закаленная и шлифованная сталь. Скользящая поверхность покрыта твердым хромом и отполирована. |
| GE120FW-2RS | Контактные уплотнения типа RS с обеих сторон игольчатого роликоподшипника. СкользящаКонтактная поверхность из хром/PTFE. Широкое внутреннее кольцо. Антизадирная пластичная смазка. |
| GE120XDO-2RS | Резиновые уплотнения с каждой стороны подшипника. |
| GE120XT/X | Измененные размеры границ. введенные пересмотренными стандартами ISO. Закаленная и шлифованная сталь. Скользящая поверхность покрыта твердым хромом и отполирована. |
| GE120XF/Q | Оптимизированная геометрия и специальная обработка контактных поверхностей. |
Модификации подшипника для корпуса GE120KRRB — это измененное основное конструктивное исполнение GE120, основные размеры (120x215x81) не отличаются.
| Обозначение | Гост | Конструктивные особенности |
|---|---|---|
| RASE120 | ISO | Подшипник для корпуса. |
| HC224 | ISO | Подшипник для корпуса. |
| LY224 | ISO | Подшипник для корпуса. |
Аналог подшипника для корпуса GE120KRRB — это подшипник такого же размера dx120,Dx215,Bx81, типа и конструкции.
| Обозначение | Конструктивные особенности | Внутренний (d) | Наружный (D) | Ширина (B) |
|---|---|---|---|---|
| 7224 C-UO | Шариковый радиально-упорный двухрядный подшипник. 15° Угол контакта. Универсальный монтаж. Для установки по O- и X- образной схеме - беззазорные.. | 120.00 | 215.00 | 80.00 |
| 7224BDF | Шариковый радиально-упорный двухрядный подшипник. Угол контакта 40°. Механически обработанный сепаратор из стали или специального чугуна. | 120.00 | 215.00 | 80.00 |
| 7224BDT | Шариковый радиально-упорный двухрядный подшипник. Угол контакта 40°. Механически обработанный сепаратор из текстолита. | 120.00 | 215.00 | 80.00 |
| 7224CDB | Шариковый радиально-упорный двухрядный подшипник. Угол контакта 40°. Однорядный радиально-упорный шарикоподшипник улучшенной конструкции с углом контакта 15°. | 120.00 | 215.00 | 80.00 |
| 7224BDB | Шариковый радиально-упорный двухрядный подшипник. Угол контакта 40°. | 120.00 | 215.00 | 80.00 |
| 7224CDF | Шариковый радиально-упорный двухрядный подшипник. Механически обработанный сепаратор из стали или специального чугуна. Однорядный радиально-упорный шарикоподшипник улучшенной конструкции с углом контакта 15°. | 120.00 | 215.00 | 80.00 |
| 7224CDT | Шариковый радиально-упорный двухрядный подшипник. Механически обработанный сепаратор из текстолита. Однорядный радиально-упорный шарикоподшипник улучшенной конструкции с углом контакта 15°. | 120.00 | 215.00 | 80.00 |
| 7224 ADT | Шариковый радиально-упорный двухрядный подшипник. Механически обработанный сепаратор из текстолита. | 120.00 | 215.00 | 80.00 |
| 7224 ADF | Шариковый радиально-упорный двухрядный подшипник. Механически обработанный сепаратор из стали или специального чугуна. | 120.00 | 215.00 | 80.00 |
| 7224 ADB | Шариковый радиально-упорный двухрядный подшипник. Modified Snap Ring Grooves In The Outer Ring_ Two-Piece Inner Ring Held Together By A Retaining Ring. | 120.00 | 215.00 | 80.00 |
| 346224-Л | Шариковый радиально-упорный сдвоенный подшипник. Сепаратор из латуни.. | 120.00 | 215.00 | 80.00 |
| 5-266324 A1Л1Ш2 | Шариковый радиально-упорный сдвоенный подшипник. ABEC.1. Сепаратор из латуни.. Нормы шумности. | 120.00 | 215.00 | 80.00 |
| 236224К | Шариковый радиально-упорный сдвоенный подшипник. «Замок» (скос) на внутреннем кольце плюс массивный сепаратор из текстолита. | 120.00 | 215.00 | 80.00 |
| 336224К | Шариковый радиально-упорный сдвоенный подшипник. «Замок» (скос) на внутреннем кольце плюс массивный сепаратор из текстолита. | 120.00 | 215.00 | 80.00 |
| 436224К | Шариковый радиально-упорный сдвоенный подшипник. «Замок» (скос) на внутреннем кольце плюс массивный сепаратор из текстолита. | 120.00 | 215.00 | 80.00 |
Способы доставки
Отправка через ведущие транспортные и курьерские компании: ПЭК, Деловые Линии, СДЭК, Байкал-Сервис, Энергия, КИТ, ЖелДорЭкспедиция.
Самовывоз возможен напрямую со склада в Москве.
Сроки доставки
Срок зависит от региона и выбранной транспортной компании. Все заказы комплектуются и отправляются в кратчайшие сроки со склада в Москве.
Надёжность и сохранность
Вся продукция упаковывается с учётом требований транспортировки. Мы гарантируем, что подшипники и комплектующие прибудут к заказчику в полной сохранности.
Доставка в страны ЕАЭС
Мы работаем с проверенными логистическими партнёрами, что позволяет оперативно доставлять заказы в Беларусь, Казахстан, Армению и другие страны ЕАЭС.
Варианты оплаты:
Минимальная сумма заказа и скидки:
Документы и гарантии:
Да, конечно! Наши технические специалисты готовы помочь вам с подбором точного аналога или замены подшипника. Просто позвоните нам по телефону +7 (495) 104-99-04 или напишите на почту zakaz@podsnab.ru.
Для оперативной консультации подготовьте, пожалуйста, имеющиеся данные: маркировку, размеры, тип оборудования или артикул старого подшипника.
Да, конечно! Мы высоко ценим долгосрочное сотрудничество и доверие клиентов по всей России. Для постоянных клиентов действует персональная система скидок.
Условия формируются индивидуально и зависят от:
Чтобы узнать свои условия и получить максимально выгодное предложение, свяжитесь с персональным менеджером или напишите нам на почту zakaz@podsnab.ru.
Вы можете оформить заказ несколькими способами:
Для оформления заказа от юридического лица свяжитесь с нашим отделом по работе с корпоративными клиентами по телефону +7 (495) 104-99-04 или напишите на email zakaz@podsnab.ru, прикрепив реквизиты вашей организации.
Мы оперативно подготовим коммерческое предложение и выставим счет.
Возврат товара надлежащего качества возможен в течение 10 дней с момента получения, если товар не был в употреблении, сохранен товарный вид, упаковка не вскрывалась и присутствуют все сопроводительные документы.
Возврат денежных средств осуществляется в течение 10 рабочих дней после проверки товара складом.
В соответствии с законодательством возврату не подлежат подшипники надлежащего качества, если отсутствует оригинальная упаковка или имеются следы монтажа.
В случае выявления брака или гарантийного случая мы гарантируем возврат или обмен товара.
Да, гарантийный срок хранения устанавливается заводом-изготовителем и в среднем составляет 2 года при соблюдении условий хранения: сухое помещение, оригинальная упаковка и смазка.
Точный срок для конкретного типа подшипника уточняйте у наших менеджеров.
Пн–Пт: с 8:00 до 17:00 (МСК).
Сб–Вс: выходные дни.
Заказы на сайте принимаются круглосуточно. Заявки, поступившие после окончания рабочего дня, обрабатываются на следующий рабочий день.
Минимальная сумма заказа для доставки составляет 3000 рублей. Самовывоз со склада возможен на любую сумму при наличии товара.
ООО «УралТехГрупп»
ИНН: 7415093830
КПП: 772401001
ОГРН: 1167456069021
Банк: ПАО Сбербанк
Р/с: 40702810838000475273
К/с: 30101810400000000225
БИК: 044525225
У подшипника GE120KRRB пока нет отзывов. Вы можете стать первым покупателем, поделившимся своим мнением.