Поиск подшипника
Статьи
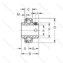
GY1215KRRB — Подшипник для корпуса, модификация основного исполнения GY1215, выпускается производителями: FAFNIR, TIMKEN.
Размер подшипника: 74x130x77 мм.
Резиновое уплотнение с двух сторон, conrad (non-filling slot) type, сферический внешний диаметр.
Международная стандартизации ISO
GY1215KRRB
В наличии
| Обозначение | Конструктивные изменения |
|---|---|
| GY1215KRRB AS2V | Подшипник со сферическим наружным кольцом. Манжетные уплотнения с обеих сторон (уплотнение типа R - имеет оцинкованные внутреннюю и внешнюю крышки. Между крышками имеется уплотнительная кромка NBR. идущая по шлифованному буртику). Наружное кольцо подшипника с двумя смазочными отверстиями в смещенных плоскостях. |
| GY1215KRRBW | Подшипник со сферическим наружным кольцом. Эксцентриковая стопорная втулка. Манжетные уплотнения с обеих сторон (уплотнение типа R - имеет оцинкованные внутреннюю и внешнюю крышки. Между крышками имеется уплотнительная кромка NBR. идущая по шлифованному буртику). |
Модификации подшипника для корпуса GY1215KRRB — это измененное основное конструктивное исполнение GY1215, основные размеры (74x130x77) не отличаются.
| Обозначение | Гост | Конструктивные особенности |
|---|---|---|
| UC215-47 | ISO | 2.15/16. |
| GYE75KRRB | ISO | Подшипник для корпуса. |
| UC215 | ISO | Угол контакта 20 градусов. |
| UC215D1 | ISO | Не требующий обслуживания тип. |
| 1075-75MG | ISO | Формованный сепаратор из полиамида. укрепленного стекловолокном. |
| UC215-47S | ISO | Подшипник для корпуса. |
| UC215-46 | ISO | 2.7/8. |
| YAR215-214-2F | ISO | Стандартное контактное уплотнение с дополнительным маслоотражательным кольцом с обеих сторон. 7/8. |
| UC215-47L | ISO | Подшипник для корпуса. |
| UC215G2 | ISO | Cистема повторного смазывания для корпусных подшипников. |
| 1075-2.7/8G | ISO | Небольшая предварительная нагрузка. ISO Tolerance Class ABEC.9. |
| 1075-2.7/8 | ISO | Небольшая предварительная нагрузка. ISO Tolerance Class ABEC.9. Средний предварительный натяг. |
| 1075-2.7/8DECG | ISO | Смазочные отверстия в распределительной канавке. Механически обработанные в наружном кольце для смазки. Эксцентриковая втулка с удлиненным внутренним кольцом. Небольшая предварительная нагрузка. ISO Tolerance Class ABEC.9. |
Аналог подшипника для корпуса GY1215KRRB — это подшипник такого же размера dx74,Dx130,Bx77, типа и конструкции.
| Обозначение | Конструктивные особенности | Внутренний (d) | Наружный (D) | Ширина (B) |
|---|---|---|---|---|
| UC215L3 | Шариковый радиальный однорядный подшипник. Тройное манжетное уплотнение для вкладыша подшипника. | 75.00 | 130.00 | 77.80 |
| UC215-47L3 | Шариковый радиальный однорядный подшипник. | 74.61 | 130.00 | 77.80 |
| UCS215D1 | Шариковый радиальный однорядный подшипник. Не требующий обслуживания тип. | 75.00 | 130.00 | 77.80 |
| GY1214KRRB | Шариковый радиальный однорядный подшипник. | 73.03 | 130.00 | 77.80 |
Способы доставки
Отправка через ведущие транспортные и курьерские компании: ПЭК, Деловые Линии, СДЭК, Байкал-Сервис, Энергия, КИТ, ЖелДорЭкспедиция.
Самовывоз возможен напрямую со склада в Москве.
Сроки доставки
Срок зависит от региона и выбранной транспортной компании. Все заказы комплектуются и отправляются в кратчайшие сроки со склада в Москве.
Надёжность и сохранность
Вся продукция упаковывается с учётом требований транспортировки. Мы гарантируем, что подшипники и комплектующие прибудут к заказчику в полной сохранности.
Доставка в страны ЕАЭС
Мы работаем с проверенными логистическими партнёрами, что позволяет оперативно доставлять заказы в Беларусь, Казахстан, Армению и другие страны ЕАЭС.
Варианты оплаты:
Минимальная сумма заказа и скидки:
Документы и гарантии:
Да, конечно! Наши технические специалисты готовы помочь вам с подбором точного аналога или замены подшипника. Просто позвоните нам по телефону +7 (495) 104-99-04 или напишите на почту zakaz@podsnab.ru.
Для оперативной консультации подготовьте, пожалуйста, имеющиеся данные: маркировку, размеры, тип оборудования или артикул старого подшипника.
Да, конечно! Мы высоко ценим долгосрочное сотрудничество и доверие клиентов по всей России. Для постоянных клиентов действует персональная система скидок.
Условия формируются индивидуально и зависят от:
Чтобы узнать свои условия и получить максимально выгодное предложение, свяжитесь с персональным менеджером или напишите нам на почту zakaz@podsnab.ru.
Вы можете оформить заказ несколькими способами:
Для оформления заказа от юридического лица свяжитесь с нашим отделом по работе с корпоративными клиентами по телефону +7 (495) 104-99-04 или напишите на email zakaz@podsnab.ru, прикрепив реквизиты вашей организации.
Мы оперативно подготовим коммерческое предложение и выставим счет.
Возврат товара надлежащего качества возможен в течение 10 дней с момента получения, если товар не был в употреблении, сохранен товарный вид, упаковка не вскрывалась и присутствуют все сопроводительные документы.
Возврат денежных средств осуществляется в течение 10 рабочих дней после проверки товара складом.
В соответствии с законодательством возврату не подлежат подшипники надлежащего качества, если отсутствует оригинальная упаковка или имеются следы монтажа.
В случае выявления брака или гарантийного случая мы гарантируем возврат или обмен товара.
Да, гарантийный срок хранения устанавливается заводом-изготовителем и в среднем составляет 2 года при соблюдении условий хранения: сухое помещение, оригинальная упаковка и смазка.
Точный срок для конкретного типа подшипника уточняйте у наших менеджеров.
Пн–Пт: с 8:00 до 17:00 (МСК).
Сб–Вс: выходные дни.
Заказы на сайте принимаются круглосуточно. Заявки, поступившие после окончания рабочего дня, обрабатываются на следующий рабочий день.
Минимальная сумма заказа для доставки составляет 3000 рублей. Самовывоз со склада возможен на любую сумму при наличии товара.
ООО «УралТехГрупп»
ИНН: 7415093830
КПП: 772401001
ОГРН: 1167456069021
Банк: ПАО Сбербанк
Р/с: 40702810838000475273
К/с: 30101810400000000225
БИК: 044525225
У подшипника GY1215KRRB пока нет отзывов. Вы можете стать первым покупателем, поделившимся своим мнением.