Поиск подшипника
Статьи
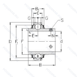
GYE80KRRB — Подшипник для корпуса, модификация основного исполнения GYE80, выпускается производителями: INA, NKE.
Размер подшипника: 80x140x82 мм.
Манжетные уплотнения с обеих сторон (уплотнение типа r - имеет оцинкованные внутреннюю и внешнюю крышки. между крышками имеется уплотнительная кромка nbr. идущая по шлифованному буртику), подшипник со сферическим наружным кольцом.
Альтернативное обозначение: 56216, YAR216-2F.
Аналоги: GYE80-KRR-B INA,GYE80-XL-KRR-B INA,1080-80G RHP.
Международная стандартизации ISO
GYE80KRRB
В наличии
| Обозначение | Конструктивные изменения |
|---|---|
| GYE80-XL-KRR-B | Подшипник со сферическим наружным кольцом. Серия X-Life премиум-класс. увеличиный срок службы. Манжетные уплотнения с обеих сторон (уплотнение типа R - имеет оцинкованные внутреннюю и внешнюю крышки. Между крышками имеется уплотнительная кромка NBR. идущая по шлифованному буртику). |
Модификации подшипника для корпуса GYE80KRRB — это измененное основное конструктивное исполнение GYE80, основные размеры (80x140x82) не отличаются.
| Обозначение | Гост | Конструктивные особенности |
|---|---|---|
| 1080-80G | ISO | Подшипник для корпуса. |
| UC216D1 | ISO | Не требующий обслуживания тип. |
| UC216 | ISO | Угол контакта 20 градусов. |
| 56216 | ISO | Подшипник для корпуса. |
| UC216-51 | ISO | 3.3/16. |
| UC216-50 | ISO | Fill Factor %. |
| YAR216-302-2F | ISO | Стандартное контактное уплотнение с дополнительным маслоотражательным кольцом с обеих сторон. |
| YAR216-303-2F | ISO | Стандартное контактное уплотнение с дополнительным маслоотражательным кольцом с обеих сторон. |
| 1080-80GTP | ISO | Устройство повторного смазывания со смазочной канавкой и отверстием на внешнем кольце. |
| UC216G2 | ISO | Cистема повторного смазывания для корпусных подшипников. |
| SUC216 | ISO | Подшипник для корпуса. |
Аналог подшипника для корпуса GYE80KRRB — это подшипник такого же размера dx80,Dx140,Bx82, типа и конструкции.
| Обозначение | Конструктивные особенности | Внутренний (d) | Наружный (D) | Ширина (B) |
|---|---|---|---|---|
| 4T-578/572D+A | Роликовый радиальный-упорный конический двухрядный подшипник. Двухрядный радиально-упорный шарикоподшипник без отверстия для смазки. Цементованная сталь. | 79.98 | 139.99 | 82.55 |
| 4T-578/572DC+A | Роликовый радиальный-упорный конический двухрядный подшипник. Двухрядный радиально-упорный шарикоподшипник без отверстия для смазки. Цементованная сталь. | 79.98 | 139.99 | 82.55 |
| 578/572D+X1S-578 | Роликовый радиальный-упорный двухрядный подшипник. Tail Code. | 79.98 | 139.99 | 82.55 |
| 581/572D+X1S-581 | Роликовый радиальный-упорный двухрядный подшипник. Tail Code. | 80.96 | 139.99 | 82.55 |
| UC216-50L3 | Шариковый радиальный однорядный подшипник. | 79.38 | 140.00 | 82.60 |
| UC216L3 | Шариковый радиальный однорядный подшипник. Тройное манжетное уплотнение для вкладыша подшипника. | 80.00 | 140.00 | 82.60 |
| UCS216D1 | Шариковый радиальный однорядный подшипник. Не требующий обслуживания тип. | 80.00 | 140.00 | 82.60 |
Способы доставки
Отправка через ведущие транспортные и курьерские компании: ПЭК, Деловые Линии, СДЭК, Байкал-Сервис, Энергия, КИТ, ЖелДорЭкспедиция.
Самовывоз возможен напрямую со склада в Москве.
Сроки доставки
Срок зависит от региона и выбранной транспортной компании. Все заказы комплектуются и отправляются в кратчайшие сроки со склада в Москве.
Надёжность и сохранность
Вся продукция упаковывается с учётом требований транспортировки. Мы гарантируем, что подшипники и комплектующие прибудут к заказчику в полной сохранности.
Доставка в страны ЕАЭС
Мы работаем с проверенными логистическими партнёрами, что позволяет оперативно доставлять заказы в Беларусь, Казахстан, Армению и другие страны ЕАЭС.
Варианты оплаты:
Минимальная сумма заказа и скидки:
Документы и гарантии:
Да, конечно! Наши технические специалисты готовы помочь вам с подбором точного аналога или замены подшипника. Просто позвоните нам по телефону +7 (495) 104-99-04 или напишите на почту zakaz@podsnab.ru.
Для оперативной консультации подготовьте, пожалуйста, имеющиеся данные: маркировку, размеры, тип оборудования или артикул старого подшипника.
Да, конечно! Мы высоко ценим долгосрочное сотрудничество и доверие клиентов по всей России. Для постоянных клиентов действует персональная система скидок.
Условия формируются индивидуально и зависят от:
Чтобы узнать свои условия и получить максимально выгодное предложение, свяжитесь с персональным менеджером или напишите нам на почту zakaz@podsnab.ru.
Вы можете оформить заказ несколькими способами:
Для оформления заказа от юридического лица свяжитесь с нашим отделом по работе с корпоративными клиентами по телефону +7 (495) 104-99-04 или напишите на email zakaz@podsnab.ru, прикрепив реквизиты вашей организации.
Мы оперативно подготовим коммерческое предложение и выставим счет.
Возврат товара надлежащего качества возможен в течение 10 дней с момента получения, если товар не был в употреблении, сохранен товарный вид, упаковка не вскрывалась и присутствуют все сопроводительные документы.
Возврат денежных средств осуществляется в течение 10 рабочих дней после проверки товара складом.
В соответствии с законодательством возврату не подлежат подшипники надлежащего качества, если отсутствует оригинальная упаковка или имеются следы монтажа.
В случае выявления брака или гарантийного случая мы гарантируем возврат или обмен товара.
Да, гарантийный срок хранения устанавливается заводом-изготовителем и в среднем составляет 2 года при соблюдении условий хранения: сухое помещение, оригинальная упаковка и смазка.
Точный срок для конкретного типа подшипника уточняйте у наших менеджеров.
Пн–Пт: с 8:00 до 17:00 (МСК).
Сб–Вс: выходные дни.
Заказы на сайте принимаются круглосуточно. Заявки, поступившие после окончания рабочего дня, обрабатываются на следующий рабочий день.
Минимальная сумма заказа для доставки составляет 3000 рублей. Самовывоз со склада возможен на любую сумму при наличии товара.
ООО «УралТехГрупп»
ИНН: 7415093830
КПП: 772401001
ОГРН: 1167456069021
Банк: ПАО Сбербанк
Р/с: 40702810838000475273
К/с: 30101810400000000225
БИК: 044525225
У подшипника GYE80KRRB пока нет отзывов. Вы можете стать первым покупателем, поделившимся своим мнением.