Поиск подшипника
Статьи
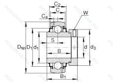
G1102-KRR-B-AS2/V — Подшипник для корпуса, модификация основного исполнения G1102, производство INA.
Размер подшипника: 28x62x48 мм.
Наружное кольцо подшипника с двумя смазочными отверстиями в смещенных плоскостях, манжетные уплотнения с обеих сторон (уплотнение типа r - имеет оцинкованные внутреннюю и внешнюю крышки. между крышками имеется уплотнительная кромка nbr. идущая по шлифованному буртику), конический роликовый подшипник. угол контакта 20 градусов.
Альтернативное обозначение: YEL206-102, YEL206-102-2F.
Аналоги: YEL206-102-2F SKF,NA206-18 CBF,1102KRRB+COL Fafnir.
Международная стандартизации ISO
G1102KRRBAS2V
В наличии
| Обозначение | Конструктивные изменения |
|---|---|
| G1102KRRB+COL | Товар включает втулку. |
| G1102KRR+COL | Манжетные уплотнения с обеих сторон (уплотнение типа R - имеет оцинкованные внутреннюю и внешнюю крышки. Между крышками имеется уплотнительная кромка NBR. идущая по шлифованному буртику). Товар включает втулку. |
| G1102KRRB | Подшипник для корпуса. |
| G1102KRRBW | Подшипник со сферическим наружным кольцом. Эксцентриковая стопорная втулка. Манжетные уплотнения с обеих сторон (уплотнение типа R - имеет оцинкованные внутреннюю и внешнюю крышки. Между крышками имеется уплотнительная кромка NBR. идущая по шлифованному буртику). |
| G1102KLL | BALL BEARING. CONRAD TYPE. INDUSTRIAL POWER TRANSMISSION. DOUBLE MECHANI-SEAL. |
| G1102KPPB3 | Подшипник для корпуса. |
| G1102KLLB | Подшипник для корпуса. |
| G1102KRR | Манжетные уплотнения с обеих сторон (уплотнение типа R - имеет оцинкованные внутреннюю и внешнюю крышки. Между крышками имеется уплотнительная кромка NBR. идущая по шлифованному буртику). |
Модификации подшипника для корпуса G1102-KRR-B-AS2/V — это измененное основное конструктивное исполнение G1102, основные размеры (28x62x48) не отличаются.
| Обозначение | Гост | Конструктивные особенности |
|---|---|---|
| UELS206-102 | ISO | 1.1/8. |
| NA206-18 | ISO | 18° Угол контакта. |
| YEL206-102-2F/AH | ISO | Стандартное контактное уплотнение с дополнительным маслоотражательным кольцом с обеих сторон. Противовращающийся штырь. Массивные ножки и свободный момент выравнивания. 1.1/8. |
| YEL206-102-2FW | ISO | Стандартное контактное уплотнение с дополнительным плоским маслоотражателем на обеих сторонах подшипника без смазочных отверстий в наружном кольце. 1.1/8. |
| YEL206-102-2FWU | ISO | Стандартное контактное уплотнение с дополнительным плоским маслоотражателем на обеих сторонах подшипника без смазочных отверстий в наружном кольце. Подшипник без эксцентрикового стопорного кольца. 1.1/8. |
| 36206.102B | ISO | Сферическое внешнее кольцо. |
| YEL206-102-2F | ISO | Стандартное контактное уплотнение с дополнительным маслоотражательным кольцом с обеих сторон. 1.1/8. |
| UEL206-102D1 | ISO | Не требующий обслуживания тип. |
| 1102KRRB+COL | ISO | Conrad (Non-Filling Slot) Type. Сферический внешний диаметр. Резиновое уплотнение с двух сторон. Товар включает втулку. |
| EWR206-18 | ISO | 1.1/8. |
| 36206.102 | ISO | 1.1/8. |
| HC206-18 | ISO | 1.1/8. |
| UELS206-102NR | ISO | Канавка под стопорное кольцо на наружном кольце с соответствующим стопорным кольцом. 1.1/8. |
| YEL206-102 | ISO | 1.1/8. |
| 1030-1.1/8DECG | ISO | Смазочные отверстия в распределительной канавке. Механически обработанные в наружном кольце для смазки. Эксцентриковая втулка с удлиненным внутренним кольцом. Number Of Carriages Per Rail Track. |
| YEL206-102-2FCW | ISO | Стандартное контактное уплотнение с дополнительным маслоотражательным кольцом с обеих сторон. С цилиндрическим наружным диаметром. 1.1/8. |
Аналог подшипника для корпуса G1102-KRR-B-AS2/V — это подшипник такого же размера dx28,Dx62,Bx48, типа и конструкции.
| Обозначение | Конструктивные особенности | Внутренний (d) | Наружный (D) | Ширина (B) |
|---|---|---|---|---|
| YELAG 206-102 | Шариковый радиальный подшипник. 1.1/8. | 28.57 | 62.00 | 48.40 |
| CEX206-18 | Шариковый радиальный однорядный подшипник. 18° Угол контакта. | 28.57 | 62.00 | 48.40 |
| EX206-18 | Шариковый радиальный однорядный подшипник. 18° Угол контакта. | 28.57 | 62.00 | 48.30 |
Способы доставки
Отправка через ведущие транспортные и курьерские компании: ПЭК, Деловые Линии, СДЭК, Байкал-Сервис, Энергия, КИТ, ЖелДорЭкспедиция.
Самовывоз возможен напрямую со склада в Москве.
Сроки доставки
Срок зависит от региона и выбранной транспортной компании. Все заказы комплектуются и отправляются в кратчайшие сроки со склада в Москве.
Надёжность и сохранность
Вся продукция упаковывается с учётом требований транспортировки. Мы гарантируем, что подшипники и комплектующие прибудут к заказчику в полной сохранности.
Доставка в страны ЕАЭС
Мы работаем с проверенными логистическими партнёрами, что позволяет оперативно доставлять заказы в Беларусь, Казахстан, Армению и другие страны ЕАЭС.
Варианты оплаты:
Минимальная сумма заказа и скидки:
Документы и гарантии:
Да, конечно! Наши технические специалисты готовы помочь вам с подбором точного аналога или замены подшипника. Просто позвоните нам по телефону +7 (495) 104-99-04 или напишите на почту zakaz@podsnab.ru.
Для оперативной консультации подготовьте, пожалуйста, имеющиеся данные: маркировку, размеры, тип оборудования или артикул старого подшипника.
Да, конечно! Мы высоко ценим долгосрочное сотрудничество и доверие клиентов по всей России. Для постоянных клиентов действует персональная система скидок.
Условия формируются индивидуально и зависят от:
Чтобы узнать свои условия и получить максимально выгодное предложение, свяжитесь с персональным менеджером или напишите нам на почту zakaz@podsnab.ru.
Вы можете оформить заказ несколькими способами:
Для оформления заказа от юридического лица свяжитесь с нашим отделом по работе с корпоративными клиентами по телефону +7 (495) 104-99-04 или напишите на email zakaz@podsnab.ru, прикрепив реквизиты вашей организации.
Мы оперативно подготовим коммерческое предложение и выставим счет.
Возврат товара надлежащего качества возможен в течение 10 дней с момента получения, если товар не был в употреблении, сохранен товарный вид, упаковка не вскрывалась и присутствуют все сопроводительные документы.
Возврат денежных средств осуществляется в течение 10 рабочих дней после проверки товара складом.
В соответствии с законодательством возврату не подлежат подшипники надлежащего качества, если отсутствует оригинальная упаковка или имеются следы монтажа.
В случае выявления брака или гарантийного случая мы гарантируем возврат или обмен товара.
Да, гарантийный срок хранения устанавливается заводом-изготовителем и в среднем составляет 2 года при соблюдении условий хранения: сухое помещение, оригинальная упаковка и смазка.
Точный срок для конкретного типа подшипника уточняйте у наших менеджеров.
Пн–Пт: с 8:00 до 17:00 (МСК).
Сб–Вс: выходные дни.
Заказы на сайте принимаются круглосуточно. Заявки, поступившие после окончания рабочего дня, обрабатываются на следующий рабочий день.
Минимальная сумма заказа для доставки составляет 3000 рублей. Самовывоз со склада возможен на любую сумму при наличии товара.
ООО «УралТехГрупп»
ИНН: 7415093830
КПП: 772401001
ОГРН: 1167456069021
Банк: ПАО Сбербанк
Р/с: 40702810838000475273
К/с: 30101810400000000225
БИК: 044525225
У подшипника G1102-KRR-B-AS2/V пока нет отзывов. Вы можете стать первым покупателем, поделившимся своим мнением.