Поиск подшипника
Статьи
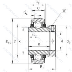
GE60-KTT-B — Подшипник для корпуса, модификация основного исполнения GE60, производство INA.
Размер подшипника: 60x110x77 мм.
Широкий подшипник с внутренним кольцом и метрическим отверстием, тройные манжетные уплотнения с обеих сторон подшипника (т-образное уплотнение), подшипник со сферическим наружным кольцом.
Альтернативное обозначение: GE60KPPB3.
Аналоги: GE60-XL-KTT-B INA.
Международная стандартизации ISO
GE60KTTB
В наличии
| Обозначение | Конструктивные изменения |
|---|---|
| GE60ET | Сквозная закалка и шлифовка стали с переломом в одной точке. |
| GE60ET/X | Измененные размеры границ. введенные пересмотренными стандартами ISO. Сквозная закалка и шлифовка стали с переломом в одной точке. |
| GE60HO | Стальная cкользящая контактная поверхность. Цилиндрическое расширение на внутреннем кольце. |
| GE60ES-2RS/C2 | Внутренний зазор подшипника меньше нормального. Double-Lip Rubbing Seals Of Metric Bearings Are Made Of Polyester Elastomer (-30°C/+130°C). Inch-Size Bearings Are Made Of Polyurethane (-20°C/+80°C). Разъемное наружное кольцо со смазочными отверстиями. |
| GE60UK-2RSA | Контактная поверхность скольжения хром/PTFE композит. Special Seals. |
| GE60-DO-2RS-HLN | Манжетное уплотнение с двух сторон. Стальная контактная поверхность скольжения. Внутреннее и наружное кольца закалены. Код местонахождения завода. может использоваться в стандартной комплектации. |
| GE60-DO-C2 | Внутренний зазор подшипника меньше нормального. Поверхность контакта скольжения сталь / сталь. |
| GE60DO C3 | Радиальный внутренний зазор больше нормального. Поверхность контакта скольжения сталь / сталь. |
| GE60-DO-2RS-C2 | Внутренний зазор подшипника меньше нормального. Манжетное уплотнение с двух сторон. Стальная контактная поверхность скольжения. Внутреннее и наружное кольца закалены. |
| GE60-UK-2RS-W11 | Манжетное уплотнение с двух сторон. Контактная поверхность скольжения хром/PTFE композит. Для низкого контактного давления (начиная с 1 Н/м2) и минимального трения. |
| GE60-UK-2RS-W10 | Манжетное уплотнение с двух сторон. Контактная поверхность скольжения хром/PTFE композит. Average Running Torque In MG-MM Divided By 100. |
| GE60-FO-2TS | Стальная скользящая контактная поверхность. Более широкое внутреннее кольцо. Two Teflon Seals Reinforced With Z-Shields. |
| GE60EC-2RS | Резиновые уплотнения с каждой стороны подшипника. Хром/PTFE композит и радиальный подшипник. Не требует обслуживания благодаря тефлоновому композитному наружному кольцу. Внутреннее кольцо закалено.. |
| GE60E | Разъемное наружное кольцо без смазочного отверстия. |
| GE60-FW-2RS-A | Особенность внутренней конструкции. Манжетное уплотнение с двух сторон. СкользящаКонтактная поверхность из хром/PTFE. Широкое внутреннее кольцо. |
| GE60ES-2RS/VE281 | Double-Lip Rubbing Seals Of Metric Bearings Are Made Of Polyester Elastomer (-30°C/+130°C). Inch-Size Bearings Are Made Of Polyurethane (-20°C/+80°C). Разъемное наружное кольцо со смазочными отверстиями. |
| GE60GS | Подшипник с предварительным натягом и цилиндрическим наружним кольцом. |
| GE60/100DO-2RS | Манжетное уплотнение с двух сторон. Стальная контактная поверхность скольжения. Внутреннее и наружное кольца закалены. |
| GE60-D-2RS | Сталь/PTFE. Резиновые уплотнения с каждой стороны подшипника. |
| GE60ET-2RS/X | Double-Lip Rubbing Seals Of Metric Bearings Are Made Of Polyester Elastomer (-30°C/+130°C). Inch-Size Bearings Are Made Of Polyurethane (-20°C/+80°C). Измененные размеры границ. введенные пересмотренными стандартами ISO. Сквозная закалка и шлифовка стали с переломом в одной точке. |
| GE60EC | Твердый хром/фторопластовый композит и радиальный подшипник - необслуживаемый благодаря внешнему кольцу из фторопластового композита. Внутреннее кольцо закалено. Внешнее кольцо, состоящее из стали и внутренней оболочки монорельса, сжимает внутреннее кольцо.. |
| GE60KRR | Манжетные уплотнения с обеих сторон (уплотнение типа R - имеет оцинкованные внутреннюю и внешнюю крышки. Между крышками имеется уплотнительная кромка NBR. идущая по шлифованному буртику). |
| GE60ET/X-2RS | Резиновые уплотнения с каждой стороны подшипника. Измененные размеры границ. введенные пересмотренными стандартами ISO. Сквозная закалка и шлифовка стали с переломом в одной точке. |
| GE60N | Канавка под стопорное кольцо на внешнем кольце. |
| GE60XDO-2RS | Резиновые уплотнения с каждой стороны подшипника. |
Модификации подшипника для корпуса GE60-KTT-B — это измененное основное конструктивное исполнение GE60, основные размеры (60x110x77) не отличаются.
| Обозначение | Гост | Конструктивные особенности |
|---|---|---|
| UEL212 | ISO | Подшипник для корпуса. |
| GE60KRRB+COL | ISO | Товар включает втулку. |
| GE60-KRR-B-FA164.1 | ISO | Подшипник для корпуса. |
| 1060-60DECG | ISO | Подшипник для корпуса. |
| E60KRR | ISO | Манжетные уплотнения с обеих сторон (уплотнение типа R - имеет оцинкованные внутреннюю и внешнюю крышки. Между крышками имеется уплотнительная кромка NBR. идущая по шлифованному буртику). |
| YEL212 | ISO | Подшипник для корпуса. |
| YEL212-2RF | ISO | Стандартное контактное уплотнение с дополнительным прорезиненным кольцом с обеих сторон подшипника. |
| 36212 | ISO | Подшипник для корпуса. |
| YEL212-2F/W64 | ISO | Стандартное контактное уплотнение с дополнительным маслоотражательным кольцом с обеих сторон. Антифрикционный заполнитель. твердая смазка. |
| E60-XL-KRR | ISO | Серия X-Life премиум-класс. увеличиный срок службы. Манжетные уплотнения с обеих сторон (уплотнение типа R - имеет оцинкованные внутреннюю и внешнюю крышки. Между крышками имеется уплотнительная кромка NBR. идущая по шлифованному буртику). |
| EW212AV2S | ISO | Lubricant. Shell Oil Co.. Alvania #2 Grease. 1/4 Full. Temperature Range = -10°C / + 110°C (Normal Temperature Grease). |
| GE60-KRR-B-FA101 | ISO | Подшипник со сферическим наружным кольцом. Манжетные уплотнения с обеих сторон (уплотнение типа R - имеет оцинкованные внутреннюю и внешнюю крышки. Между крышками имеется уплотнительная кромка NBR. идущая по шлифованному буртику). Высоко и низкотемпературная конструкция -40℃ / +180℃. |
| 36212B | ISO | Сферическое внешнее кольцо. |
| GE60-XL-KRR-B-FA164 | ISO | Подшипник со сферическим наружным кольцом. Серия X-Life премиум-класс. увеличиный срок службы. Манжетные уплотнения с обеих сторон (уплотнение типа R - имеет оцинкованные внутреннюю и внешнюю крышки. Между крышками имеется уплотнительная кромка NBR. идущая по шлифованному буртику). Высокотемпературная конструкция до +250°C. |
| G212 | ISO | Подшипник для корпуса. |
| G212V22 | ISO | Отверстия для смазки с обеих сторон наружного кольца подшипника. |
| UEL212D1 | ISO | Не требующий обслуживания тип. |
| EX212G2 | ISO | Cистема повторного смазывания для корпусных подшипников. |
| YEL212-038-2F | ISO | Стандартное контактное уплотнение с дополнительным маслоотражательным кольцом с обеих сторон. |
| EX212AGR | ISO | AGR-Sealing (Three Lip Sealing). |
Аналог подшипника для корпуса GE60-KTT-B — это подшипник такого же размера dx60,Dx110,Bx77, типа и конструкции.
| Обозначение | Конструктивные особенности | Внутренний (d) | Наружный (D) | Ширина (B) |
|---|---|---|---|---|
| EX212 | Шариковый радиальный однорядный подшипник. Контактное уплотнение с одной стороны. | 60.00 | 110.00 | 77.70 |
Способы доставки
Отправка через ведущие транспортные и курьерские компании: ПЭК, Деловые Линии, СДЭК, Байкал-Сервис, Энергия, КИТ, ЖелДорЭкспедиция.
Самовывоз возможен напрямую со склада в Москве.
Сроки доставки
Срок зависит от региона и выбранной транспортной компании. Все заказы комплектуются и отправляются в кратчайшие сроки со склада в Москве.
Надёжность и сохранность
Вся продукция упаковывается с учётом требований транспортировки. Мы гарантируем, что подшипники и комплектующие прибудут к заказчику в полной сохранности.
Доставка в страны ЕАЭС
Мы работаем с проверенными логистическими партнёрами, что позволяет оперативно доставлять заказы в Беларусь, Казахстан, Армению и другие страны ЕАЭС.
Варианты оплаты:
Минимальная сумма заказа и скидки:
Документы и гарантии:
Да, конечно! Наши технические специалисты готовы помочь вам с подбором точного аналога или замены подшипника. Просто позвоните нам по телефону +7 (495) 104-99-04 или напишите на почту zakaz@podsnab.ru.
Для оперативной консультации подготовьте, пожалуйста, имеющиеся данные: маркировку, размеры, тип оборудования или артикул старого подшипника.
Да, конечно! Мы высоко ценим долгосрочное сотрудничество и доверие клиентов по всей России. Для постоянных клиентов действует персональная система скидок.
Условия формируются индивидуально и зависят от:
Чтобы узнать свои условия и получить максимально выгодное предложение, свяжитесь с персональным менеджером или напишите нам на почту zakaz@podsnab.ru.
Вы можете оформить заказ несколькими способами:
Для оформления заказа от юридического лица свяжитесь с нашим отделом по работе с корпоративными клиентами по телефону +7 (495) 104-99-04 или напишите на email zakaz@podsnab.ru, прикрепив реквизиты вашей организации.
Мы оперативно подготовим коммерческое предложение и выставим счет.
Возврат товара надлежащего качества возможен в течение 10 дней с момента получения, если товар не был в употреблении, сохранен товарный вид, упаковка не вскрывалась и присутствуют все сопроводительные документы.
Возврат денежных средств осуществляется в течение 10 рабочих дней после проверки товара складом.
В соответствии с законодательством возврату не подлежат подшипники надлежащего качества, если отсутствует оригинальная упаковка или имеются следы монтажа.
В случае выявления брака или гарантийного случая мы гарантируем возврат или обмен товара.
Да, гарантийный срок хранения устанавливается заводом-изготовителем и в среднем составляет 2 года при соблюдении условий хранения: сухое помещение, оригинальная упаковка и смазка.
Точный срок для конкретного типа подшипника уточняйте у наших менеджеров.
Пн–Пт: с 8:00 до 17:00 (МСК).
Сб–Вс: выходные дни.
Заказы на сайте принимаются круглосуточно. Заявки, поступившие после окончания рабочего дня, обрабатываются на следующий рабочий день.
Минимальная сумма заказа для доставки составляет 3000 рублей. Самовывоз со склада возможен на любую сумму при наличии товара.
ООО «УралТехГрупп»
ИНН: 7415093830
КПП: 772401001
ОГРН: 1167456069021
Банк: ПАО Сбербанк
Р/с: 40702810838000475273
К/с: 30101810400000000225
БИК: 044525225
У подшипника GE60-KTT-B пока нет отзывов. Вы можете стать первым покупателем, поделившимся своим мнением.