Поиск подшипника
Статьи
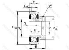
GRA010-NPP-B-AS2/V — Подшипник для корпуса, модификация основного исполнения GRA010, производство INA.
Размер подшипника: 15x40x28 мм.
Наружное кольцо подшипника с двумя смазочными отверстиями в смещенных плоскостях, манжетные уплотнения с обеих сторон (тип p — две шайбы из оцинкованной листовой стали с промежуточной частью из nbr. кромка уплотнения предварительно нагружена в осевом направлении), подшипник со сферическим наружным кольцом.
Альтернативное обозначение: YET203-010.
Аналоги: 16203.010 FAG.
Международная стандартизации ISO
GRA010NPPBAS2V
В наличии
| Обозначение | Конструктивные изменения |
|---|---|
| GRA010NPPB | Подшипник для корпуса. |
| GRA010NPPBW | Подшипник со сферическим наружным кольцом. Эксцентриковая стопорная втулка. Манжетные уплотнения с обеих сторон (Тип P — две шайбы из оцинкованной листовой стали с промежуточной частью из NBR. Кромка уплотнения предварительно нагружена в осевом направлении). |
| GRA010RR | С выпуклыми асимметричными роликами. Обработанный сепаратор штыревого типа из медного сплава. С центральным ребром. С ребрами с двух сторон (для предотвращения падения роликов). |
| GRA010RRB | Два резиновых уплотнения Land Riding со сферическим наружным диаметром (B). |
Модификации подшипника для корпуса GRA010-NPP-B-AS2/V — это измененное основное конструктивное исполнение GRA010, основные размеры (15x40x28) не отличаются.
| Обозначение | Гост | Конструктивные особенности |
|---|---|---|
| FHR202-10 | ISO | 5/8. |
| GYE15KRRB | ISO | Подшипник со сферическим наружным кольцом. Манжетные уплотнения с обеих сторон (уплотнение типа R - имеет оцинкованные внутреннюю и внешнюю крышки. Между крышками имеется уплотнительная кромка NBR. идущая по шлифованному буртику). |
| 1217-16ECG | ISO | Эксцентриковый кольцевой замок с внутренним кольцом заподлицо с одной стороны. Устройство повторного смазывания со смазочной канавкой и отверстием на внешнем кольце. |
| RAE15-NPP-B-FA106 | ISO | Подшипник со сферическим наружным кольцом. Манжетные уплотнения с обеих сторон (Тип P — две шайбы из оцинкованной листовой стали с промежуточной частью из NBR. Кромка уплотнения предварительно нагружена в осевом направлении). Подшипник подвергается специальным испытаниям на шум. |
| 1117-5/8G | ISO | Вкладыш подшипника с возможностью повторной смазки. Distance Between Beginning Of The Rail And First Hole In MM. |
| 1117-5/8 | ISO | Distance Between Beginning Of The Rail And First Hole In MM. Средний предварительный натяг. |
| RA010NPPB SWH | ISO | Подшипник со сферическим наружным кольцом. Манжетные уплотнения с обеих сторон (Тип P — две шайбы из оцинкованной листовой стали с промежуточной частью из NBR. Кромка уплотнения предварительно нагружена в осевом направлении). |
| RAE15RRB+COL | ISO | Товар включает втулку. Два резиновых уплотнения Land Riding со сферическим наружным диаметром (B). |
| W210UL | ISO | Универсальный монтаж и легкий преднатяг. |
| RA010ATT | ISO | Power Transmission Type. Inner Extended One Side Only. Cylindrical O.D.. Two Flexigard Seals. Non-Regreaseable. Eccentric Locking Collar. |
| RA010NPP FA106 | ISO | Манжетные уплотнения с обеих сторон (Тип P — две шайбы из оцинкованной листовой стали с промежуточной частью из NBR. Кромка уплотнения предварительно нагружена в осевом направлении). Подшипник подвергается специальным испытаниям на шум. |
| 16203.010 | ISO | 5/8. |
| YAR203-010-2F/AH | ISO | Стандартное контактное уплотнение с дополнительным маслоотражательным кольцом с обеих сторон. Противовращающийся штырь. Массивные ножки и свободный момент выравнивания. 5/8. |
| GYE16KRRB | ISO | Подшипник со сферическим наружным кольцом. Манжетные уплотнения с обеих сторон (уплотнение типа R - имеет оцинкованные внутреннюю и внешнюю крышки. Между крышками имеется уплотнительная кромка NBR. идущая по шлифованному буртику). |
| RA010NPP | ISO | Манжетные уплотнения с обеих сторон (Тип P — две шайбы из оцинкованной листовой стали с промежуточной частью из NBR. Кромка уплотнения предварительно нагружена в осевом направлении). |
| GY1010-KRR-B-AS2/V | ISO | Подшипник со сферическим наружным кольцом. Манжетные уплотнения с обеих сторон (уплотнение типа R - имеет оцинкованные внутреннюю и внешнюю крышки. Между крышками имеется уплотнительная кромка NBR. идущая по шлифованному буртику). Наружное кольцо подшипника с двумя смазочными отверстиями в смещенных плоскостях. |
| 1217-5/8C99 | ISO | Distance Between Beginning Of The Rail And First Hole In MM. |
| UCW202-10C99 | ISO | 5/8. |
| LE203/15.2F | ISO | Двойное уплотнение. Защитная крышка, размещенная на внутреннем кольце. Используется с подшипниками типа Y. Distance Between Beginning Of The Rail And First Hole In MM. |
| UY203/15.2S | ISO | Distance Between Beginning Of The Rail And First Hole In MM. Одинарное уплотнение с лабиринтом между листовой частью и резиновой кромкой, обеспечивающей контактное уплотнение. |
Аналог подшипника для корпуса GRA010-NPP-B-AS2/V — это подшипник такого же размера dx15,Dx40,Bx28, типа и конструкции.
| Обозначение | Конструктивные особенности | Внутренний (d) | Наружный (D) | Ширина (B) |
|---|---|---|---|---|
| SM1010KB | Шариковый радиальный однорядный подшипник. Материал контакта сталь на бронзе (S/B). | 15.88 | 40.00 | 27.78 |
| SM1009K | Шариковый радиальный однорядный подшипник. Коническое отверстие. Конусность 1/12. | 14.29 | 40.00 | 27.78 |
| SM1009KB | Шариковый радиальный однорядный подшипник. Материал контакта сталь на бронзе (S/B). | 14.29 | 40.00 | 27.78 |
| G1010KLLB | Шариковый радиальный однорядный подшипник. | 15.88 | 40.00 | 27.78 |
| G1009KRRB | Шариковый радиальный однорядный подшипник. | 14.29 | 40.00 | 27.78 |
| G1009KLLB | Шариковый радиальный однорядный подшипник. | 14.29 | 40.00 | 27.78 |
| G1010KRR | Шариковый радиальный однорядный подшипник. Манжетные уплотнения с обеих сторон (уплотнение типа R - имеет оцинкованные внутреннюю и внешнюю крышки. Между крышками имеется уплотнительная кромка NBR. идущая по шлифованному буртику). | 15.88 | 40.00 | 27.78 |
| G1010KLL | Шариковый радиальный однорядный подшипник. BALL BEARING. CONRAD TYPE. INDUSTRIAL POWER TRANSMISSION. DOUBLE MECHANI-SEAL. | 15.88 | 40.00 | 27.78 |
| GY1009KRRB | Шариковый радиальный однорядный подшипник. | 14.29 | 40.00 | 27.38 |
| 1009KLL | Шариковый радиальный однорядный подшипник. BALL BEARING. CONRAD TYPE. INDUSTRIAL POWER TRANSMISSION. DOUBLE MECHANI-SEAL. | 14.29 | 40.00 | 27.78 |
| 1010KL | Шариковый радиальный однорядный подшипник. Flanged Type (2 Thru holes)-Medium Load. | 15.88 | 40.00 | 27.78 |
| 1010KLL | Шариковый радиальный однорядный подшипник. BALL BEARING. CONRAD TYPE. INDUSTRIAL POWER TRANSMISSION. DOUBLE MECHANI-SEAL. | 15.88 | 40.00 | 27.78 |
| 1010KLLB | Шариковый радиальный однорядный подшипник. | 15.88 | 40.00 | 27.78 |
| 1010KR | Шариковый радиальный однорядный подшипник. Single-Row. Counterbored Outer Ring. Radial Type. Ball Bearing. 15° Угол контакта. | 15.88 | 40.00 | 27.78 |
| 1010KRRB | Шариковый радиальный однорядный подшипник. | 15.88 | 40.00 | 27.78 |
Способы доставки
Отправка через ведущие транспортные и курьерские компании: ПЭК, Деловые Линии, СДЭК, Байкал-Сервис, Энергия, КИТ, ЖелДорЭкспедиция.
Самовывоз возможен напрямую со склада в Москве.
Сроки доставки
Срок зависит от региона и выбранной транспортной компании. Все заказы комплектуются и отправляются в кратчайшие сроки со склада в Москве.
Надёжность и сохранность
Вся продукция упаковывается с учётом требований транспортировки. Мы гарантируем, что подшипники и комплектующие прибудут к заказчику в полной сохранности.
Доставка в страны ЕАЭС
Мы работаем с проверенными логистическими партнёрами, что позволяет оперативно доставлять заказы в Беларусь, Казахстан, Армению и другие страны ЕАЭС.
Варианты оплаты:
Минимальная сумма заказа и скидки:
Документы и гарантии:
Да, конечно! Наши технические специалисты готовы помочь вам с подбором точного аналога или замены подшипника. Просто позвоните нам по телефону +7 (495) 104-99-04 или напишите на почту zakaz@podsnab.ru.
Для оперативной консультации подготовьте, пожалуйста, имеющиеся данные: маркировку, размеры, тип оборудования или артикул старого подшипника.
Да, конечно! Мы высоко ценим долгосрочное сотрудничество и доверие клиентов по всей России. Для постоянных клиентов действует персональная система скидок.
Условия формируются индивидуально и зависят от:
Чтобы узнать свои условия и получить максимально выгодное предложение, свяжитесь с персональным менеджером или напишите нам на почту zakaz@podsnab.ru.
Вы можете оформить заказ несколькими способами:
Для оформления заказа от юридического лица свяжитесь с нашим отделом по работе с корпоративными клиентами по телефону +7 (495) 104-99-04 или напишите на email zakaz@podsnab.ru, прикрепив реквизиты вашей организации.
Мы оперативно подготовим коммерческое предложение и выставим счет.
Возврат товара надлежащего качества возможен в течение 10 дней с момента получения, если товар не был в употреблении, сохранен товарный вид, упаковка не вскрывалась и присутствуют все сопроводительные документы.
Возврат денежных средств осуществляется в течение 10 рабочих дней после проверки товара складом.
В соответствии с законодательством возврату не подлежат подшипники надлежащего качества, если отсутствует оригинальная упаковка или имеются следы монтажа.
В случае выявления брака или гарантийного случая мы гарантируем возврат или обмен товара.
Да, гарантийный срок хранения устанавливается заводом-изготовителем и в среднем составляет 2 года при соблюдении условий хранения: сухое помещение, оригинальная упаковка и смазка.
Точный срок для конкретного типа подшипника уточняйте у наших менеджеров.
Пн–Пт: с 8:00 до 17:00 (МСК).
Сб–Вс: выходные дни.
Заказы на сайте принимаются круглосуточно. Заявки, поступившие после окончания рабочего дня, обрабатываются на следующий рабочий день.
Минимальная сумма заказа для доставки составляет 3000 рублей. Самовывоз со склада возможен на любую сумму при наличии товара.
ООО «УралТехГрупп»
ИНН: 7415093830
КПП: 772401001
ОГРН: 1167456069021
Банк: ПАО Сбербанк
Р/с: 40702810838000475273
К/с: 30101810400000000225
БИК: 044525225
У подшипника GRA010-NPP-B-AS2/V пока нет отзывов. Вы можете стать первым покупателем, поделившимся своим мнением.