Поиск подшипника
Статьи
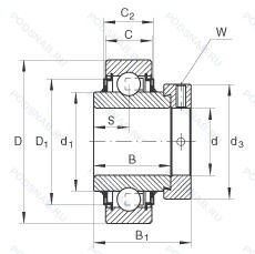
E50KLL — Подшипник для корпуса, модификация основного исполнения E50, производство INA.
Размер подшипника: 50x90x62 мм.
Ball bearing. conrad type. industrial power transmission. double mechani-seal.
Аналоги: E50-KLL INA,E50-XL-KLL INA.
Международная стандартизации ISO
E50KLL
В наличии
| Обозначение | Конструктивные изменения |
|---|---|
| E50-XL-KRR | Серия X-Life премиум-класс. увеличиный срок службы. Манжетные уплотнения с обеих сторон (уплотнение типа R - имеет оцинкованные внутреннюю и внешнюю крышки. Между крышками имеется уплотнительная кромка NBR. идущая по шлифованному буртику). |
| E50-XL-KLL | Серия X-Life премиум-класс. увеличиный срок службы. BALL BEARING. CONRAD TYPE. INDUSTRIAL POWER TRANSMISSION. DOUBLE MECHANI-SEAL. |
| E50KRR | Манжетные уплотнения с обеих сторон (уплотнение типа R - имеет оцинкованные внутреннюю и внешнюю крышки. Между крышками имеется уплотнительная кромка NBR. идущая по шлифованному буртику). |
| E50KRRB | Подшипник для корпуса. |
Модификации подшипника для корпуса E50KLL — это измененное основное конструктивное исполнение E50, основные размеры (50x90x62) не отличаются.
| Обозначение | Гост | Конструктивные особенности |
|---|---|---|
| HC210-30 | ISO | Distance Between End Face And First Hole Of The Rail. |
| HC210-50MM | ISO | Миллиметры. |
| GE50-KRR-B-FA125.5 | ISO | Подшипник со сферическим наружным кольцом. Манжетные уплотнения с обеих сторон (уплотнение типа R - имеет оцинкованные внутреннюю и внешнюю крышки. Между крышками имеется уплотнительная кромка NBR. идущая по шлифованному буртику). Distance Between Beginning Of The Rail And First Hole In MM. С покрытием Corrotect®, защищено от коррозии. |
| GE50-KLL-B | ISO | Подшипник со сферическим наружным кольцом. BALL BEARING. CONRAD TYPE. INDUSTRIAL POWER TRANSMISSION. DOUBLE MECHANI-SEAL. |
| 1050-1.15/16DECG | ISO | Смазочные отверстия в распределительной канавке. Механически обработанные в наружном кольце для смазки. Эксцентриковая втулка с удлиненным внутренним кольцом. Number Of Carriages Per Rail Track. Distance Between Beginning Of The Rail And First Hole In MM. |
| EX210 | ISO | Контактное уплотнение с одной стороны. |
| UEL210-115D1W3 | ISO | Не требующий обслуживания тип. Корпусной подшипник с установочным винтом. 1.15/16. |
| UEL210-115 | ISO | 1.15/16. |
| EX.210.G2 | ISO | Cистема повторного смазывания для корпусных подшипников. |
| EW210-31S | ISO | Стандартное заполнение. |
| YEL210-2RF | ISO | Стандартное контактное уплотнение с дополнительным прорезиненным кольцом с обеих сторон подшипника. |
| EW210AV2S | ISO | Lubricant. Shell Oil Co.. Alvania #2 Grease. 1/4 Full. Temperature Range = -10°C / + 110°C (Normal Temperature Grease). |
| 1050-2DECG | ISO | Смазочные отверстия в распределительной канавке. Механически обработанные в наружном кольце для смазки. Эксцентриковая втулка с удлиненным внутренним кольцом. |
| YEL210-032-2F | ISO | Стандартное контактное уплотнение с дополнительным маслоотражательным кольцом с обеих сторон. |
| YEL210-2DW/AG | ISO | Bearing For Agricultural Applications. Insert Bearing With Set Screws. YAR 2-2DW/AG series. |
| E50KLLH | ISO | Pressed Snap-Type Steel Cage. Hardened. Лабиринтные уплотнения с обеих сторон (уплотнение типа L - все детали уплотнения типа L оцинкованы со всех сторон. чтобы улучшить защиту от коррозии - нет трения уплотнения). |
| GE50-XL-KTT-B-OSE | ISO | Подшипник со сферическим наружным кольцом. Серия X-Life премиум-класс. увеличиный срок службы. Тройные манжетные уплотнения с обеих сторон подшипника (Т-образное уплотнение). Подшипник без стопорного элемента ( эксцентриковая стопорная втулка). |
| EX210AGR | ISO | AGR-Sealing (Three Lip Sealing). |
| LY210-200.2F | ISO | Двойное уплотнение. Защитная крышка, размещенная на внутреннем кольце. Используется с подшипниками типа Y. 02. |
| EX210G2T20 | ISO | Cистема повторного смазывания для корпусных подшипников. Вкладыши подшипников для рабочих температур до +200°C (+400°F). |
Аналог подшипника для корпуса E50KLL — это подшипник такого же размера dx50,Dx90,Bx62, типа и конструкции.
| Обозначение | Конструктивные особенности | Внутренний (d) | Наружный (D) | Ширина (B) |
|---|---|---|---|---|
| YELAG 210-115 | Шариковый радиальный подшипник. 1.15/16. | 49.21 | 90.00 | 62.70 |
| CEX210-31 | Шариковый радиальный однорядный подшипник. 1.15/16. | 49.21 | 90.00 | 62.70 |
| CEX210 | Шариковый радиальный однорядный подшипник. Контактное уплотнение с одной стороны. | 50.00 | 90.00 | 62.70 |
| EX210-31 | Шариковый радиальный однорядный подшипник. 1.15/16. | 49.21 | 90.00 | 62.70 |
Способы доставки
Отправка через ведущие транспортные и курьерские компании: ПЭК, Деловые Линии, СДЭК, Байкал-Сервис, Энергия, КИТ, ЖелДорЭкспедиция.
Самовывоз возможен напрямую со склада в Москве.
Сроки доставки
Срок зависит от региона и выбранной транспортной компании. Все заказы комплектуются и отправляются в кратчайшие сроки со склада в Москве.
Надёжность и сохранность
Вся продукция упаковывается с учётом требований транспортировки. Мы гарантируем, что подшипники и комплектующие прибудут к заказчику в полной сохранности.
Доставка в страны ЕАЭС
Мы работаем с проверенными логистическими партнёрами, что позволяет оперативно доставлять заказы в Беларусь, Казахстан, Армению и другие страны ЕАЭС.
Варианты оплаты:
Минимальная сумма заказа и скидки:
Документы и гарантии:
Да, конечно! Наши технические специалисты готовы помочь вам с подбором точного аналога или замены подшипника. Просто позвоните нам по телефону +7 (495) 104-99-04 или напишите на почту zakaz@podsnab.ru.
Для оперативной консультации подготовьте, пожалуйста, имеющиеся данные: маркировку, размеры, тип оборудования или артикул старого подшипника.
Да, конечно! Мы высоко ценим долгосрочное сотрудничество и доверие клиентов по всей России. Для постоянных клиентов действует персональная система скидок.
Условия формируются индивидуально и зависят от:
Чтобы узнать свои условия и получить максимально выгодное предложение, свяжитесь с персональным менеджером или напишите нам на почту zakaz@podsnab.ru.
Вы можете оформить заказ несколькими способами:
Для оформления заказа от юридического лица свяжитесь с нашим отделом по работе с корпоративными клиентами по телефону +7 (495) 104-99-04 или напишите на email zakaz@podsnab.ru, прикрепив реквизиты вашей организации.
Мы оперативно подготовим коммерческое предложение и выставим счет.
Возврат товара надлежащего качества возможен в течение 10 дней с момента получения, если товар не был в употреблении, сохранен товарный вид, упаковка не вскрывалась и присутствуют все сопроводительные документы.
Возврат денежных средств осуществляется в течение 10 рабочих дней после проверки товара складом.
В соответствии с законодательством возврату не подлежат подшипники надлежащего качества, если отсутствует оригинальная упаковка или имеются следы монтажа.
В случае выявления брака или гарантийного случая мы гарантируем возврат или обмен товара.
Да, гарантийный срок хранения устанавливается заводом-изготовителем и в среднем составляет 2 года при соблюдении условий хранения: сухое помещение, оригинальная упаковка и смазка.
Точный срок для конкретного типа подшипника уточняйте у наших менеджеров.
Пн–Пт: с 8:00 до 17:00 (МСК).
Сб–Вс: выходные дни.
Заказы на сайте принимаются круглосуточно. Заявки, поступившие после окончания рабочего дня, обрабатываются на следующий рабочий день.
Минимальная сумма заказа для доставки составляет 3000 рублей. Самовывоз со склада возможен на любую сумму при наличии товара.
ООО «УралТехГрупп»
ИНН: 7415093830
КПП: 772401001
ОГРН: 1167456069021
Банк: ПАО Сбербанк
Р/с: 40702810838000475273
К/с: 30101810400000000225
БИК: 044525225
У подшипника E50KLL пока нет отзывов. Вы можете стать первым покупателем, поделившимся своим мнением.