Поиск подшипника
Статьи
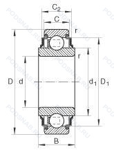
202-KRR — Подшипник для корпуса, модификация основного исполнения 202, выпускается производителями: FAG, INA, NEUTRAL.
Размер подшипника: 15x35x14 мм.
Манжетные уплотнения с обеих сторон (уплотнение типа r - имеет оцинкованные внутреннюю и внешнюю крышки. между крышками имеется уплотнительная кромка nbr. идущая по шлифованному буртику).
Альтернативное обозначение: 202-XL-KRR.
Международная стандартизации ISO
202KRR
В наличии
| Обозначение | Конструктивные изменения |
|---|---|
| 202NPP2 | Манжетные уплотнения с обеих сторон подшипника. Несъемное уплотнение. |
| 202NPP12 | Манжетные уплотнения с обеих сторон подшипника. Несъемное уплотнение. |
| 202SZZC | Однорядный радиальный подшипник, ширина картриджа, с двумя уплотнениями. |
| 202FFS5 | Two Felt Seals. Replaced By 88xxx. |
| 202FSF1 | Standard Precision ABEC-1. Шарикоподшипник. С уплотнением и низким коэффициентом трения с обеих сторон. Уплотнение состоит из шайбы из листовой стали с вулканизированной резиной. |
| 202MFF | Максимальная производительность. Канавка для ввода тел качения. Металлическое уплотнение с двух сторон. |
| 202KTT C1 | Internal Clearance Smaller Then Normal. Тройные манжетные уплотнения с обеих сторон подшипника (Т-образное уплотнение). |
| 202R3 | Уплотнение состоит из металлического колпачка и синтетического каучука.. |
| 202SF | Bogie Carriage_ Clearance-Free. |
| 202SFF | Single Row Radial Conrad-Type Bearings. Металлическое уплотнение с двух сторон. |
| 202PP10 | Манжетные уплотнения с обеих сторон подшипника. |
| 202KLL | BALL BEARING. CONRAD TYPE. INDUSTRIAL POWER TRANSMISSION. DOUBLE MECHANI-SEAL. |
| 202HCDUM G-75 | 15° Угол контакта. Сепаратор из фенольной смолы с текстильным ламинированием. Внешнее кольцо центрировано. Комплект из 2 универсальных подшипников. Средний преднатяг. Arcanol L-75. |
| 202HCUL 0-11 | 15° Угол контакта. Универсальный монтаж и легкий преднатяг. Сепаратор из фенольной смолы с текстильным ламинированием. Внешнее кольцо центрировано. Anderson WInsorlube L245X MIL L6085A. Temperature Range -67°F (-55°C) / +175°F (+79.44°C). |
| 202SST5 G-81 | Двухкомпонентный фенольный сепаратор. усиленный алюминием. Устройство повторного смазывания со смазочной канавкой и отверстием на внешнем кольце. Металлическое уплотнение с двух сторон. |
| 202T6 0-67 | Molded PEEK Cage. Anderol Royco 363. Temperature Range -54°C to 66°C. |
| 202KT | Greases With Lower Operating Temperature -30°C. |
| 2MM202WISUL | Одиночный подшипник. Универсальный. Легкий преднатяг. 15° Low Угол контакта. Super Precision Abec-7 (Iso P4).. Низкий борт на наружном кольце, стандартный сепаратор - формованный армированный нейлоновый. |
| NU 202 ECPHA | Измененная или модифицированная внутренняя конструкция при неизменных основных размерах. Однорядный цилиндрический роликовый подшипник. |
| QJ 202 N2MA | Измененная или модифицированная внутренняя конструкция при неизменных основных размерах. Шариковый подшипник с четырехточечным контактом. |
| QJ 202 N2 M | Подшипник с латунным сепаратором. центрированный по телам качения. Два установочных паза (выемки), расположенных под углом 180° друг от друга в одной боковой поверхности наружного кольца или шайбе корпуса.. |
| 202W | Максимальная грузоподъемность. |
| BSA 202 CG | Резьбовой винт со стопором и защелкой. |
| BSA 202 CG-2RZ | Шарикоподшипник. С уплотнением и низким коэффициентом трения с обеих сторон. Уплотнение состоит из шайбы из листовой стали с вулканизированной резиной. Резьбовой винт со стопором и защелкой. |
| PCZ 0202 E | Повышенная грузоподъемность. |
Модификации подшипника для корпуса 202-KRR — это измененное основное конструктивное исполнение 202, основные размеры (15x35x14) не отличаются.
| Обозначение | Конструктивные особенности | Внутренний (d) | Наружный (D) | Ширина (B) |
|---|---|---|---|---|
| 2ШСЛ15 | Шарнирный подшипник. С отверстиями и канавками для смазки во внутреннем кольце. | 15.00 | 35.00 | 14.00 |
| 2ШСЛ15К | Шарнирный подшипник. Канавка и отверстие для смазки на внутреннем и наружном кольцах.. С отверстиями и канавками для смазки во внутреннем кольце. | 15.00 | 35.00 | 14.00 |
| 2ШСЛ15К1 | Шарнирный подшипник. Канавка и отверстие для смазки на наружном кольце.. С отверстиями и канавками для смазки во внутреннем кольце. | 15.00 | 35.00 | 14.00 |
| 2ШСП15 | Шарнирный подшипник. С отверстиями и канавками для смазки во внутреннем кольце. | 15.00 | 35.00 | 14.00 |
| 2ШСП15К | Шарнирный подшипник. Канавка и отверстие для смазки на внутреннем и наружном кольцах.. С отверстиями и канавками для смазки во внутреннем кольце. | 15.00 | 35.00 | 14.00 |
| 45-180502 Е1Т2С2 | Шариковый радиальный однорядный подшипник. Сепаратор из текстолита.. 200°. Смазка ЦИАТИМ-221. Температура отпуска. | 15.00 | 35.00 | 14.00 |
| 502302-Э1 | Роликовый радиальный однорядный подшипник. Детали из стали ШХ-15 со специальными присадками (ванадий. | 15.00 | 35.00 | 13.00 |
| 6-180502 АЕС9 | Шариковый радиальный однорядный подшипник. Сепаратор из текстолита.. Повышенная грузоподъемность. Смазка ЛЗ-31. | 15.00 | 35.00 | 14.00 |
| 6-180502 К1С9 | Шариковый радиальный однорядный подшипник. Смазка ЛЗ-31. | 15.00 | 35.00 | 14.00 |
| 6-180502 К1С9Ш1 | Шариковый радиальный однорядный подшипник. Нормы шумности. Смазка ЛЗ-31. | 15.00 | 35.00 | 14.00 |
| 6-180502 К1УС9 | Шариковый радиальный однорядный подшипник. «Замок» (скос) на внутреннем кольце плюс массивный сепаратор из текстолита. Дополнительные технические требования. Смазка ЛЗ-31. | 15.00 | 35.00 | 14.00 |
| 6-180502 К2УС9 | Шариковый радиальный однорядный подшипник. Дополнительные технические требования. Смазка ЛЗ-31. | 15.00 | 35.00 | 14.00 |
| 6-180502 УС9Ш1 | Шариковый радиальный однорядный подшипник. Дополнительные технические требования. Нормы шумности. Смазка ЛЗ-31. | 15.00 | 35.00 | 14.00 |
| 6-180502 ЮТС2 | Шариковый радиальный однорядный подшипник. Температура отпуска. 160°. Все детали или часть деталей из нержавеющей стали.. Смазка ЦИАТИМ-221. | 15.00 | 35.00 | 14.00 |
| 6-180902 АС17 | Шариковый радиальный однорядный подшипник. Смазка Литол-24. Повышенная грузоподъемность. | 16.00 | 35.00 | 14.00 |
Способы доставки
Отправка через ведущие транспортные и курьерские компании: ПЭК, Деловые Линии, СДЭК, Байкал-Сервис, Энергия, КИТ, ЖелДорЭкспедиция.
Самовывоз возможен напрямую со склада в Москве.
Сроки доставки
Срок зависит от региона и выбранной транспортной компании. Все заказы комплектуются и отправляются в кратчайшие сроки со склада в Москве.
Надёжность и сохранность
Вся продукция упаковывается с учётом требований транспортировки. Мы гарантируем, что подшипники и комплектующие прибудут к заказчику в полной сохранности.
Доставка в страны ЕАЭС
Мы работаем с проверенными логистическими партнёрами, что позволяет оперативно доставлять заказы в Беларусь, Казахстан, Армению и другие страны ЕАЭС.
Варианты оплаты:
Минимальная сумма заказа и скидки:
Документы и гарантии:
Да, конечно! Наши технические специалисты готовы помочь вам с подбором точного аналога или замены подшипника. Просто позвоните нам по телефону +7 (495) 104-99-04 или напишите на почту zakaz@podsnab.ru.
Для оперативной консультации подготовьте, пожалуйста, имеющиеся данные: маркировку, размеры, тип оборудования или артикул старого подшипника.
Да, конечно! Мы высоко ценим долгосрочное сотрудничество и доверие клиентов по всей России. Для постоянных клиентов действует персональная система скидок.
Условия формируются индивидуально и зависят от:
Чтобы узнать свои условия и получить максимально выгодное предложение, свяжитесь с персональным менеджером или напишите нам на почту zakaz@podsnab.ru.
Вы можете оформить заказ несколькими способами:
Для оформления заказа от юридического лица свяжитесь с нашим отделом по работе с корпоративными клиентами по телефону +7 (495) 104-99-04 или напишите на email zakaz@podsnab.ru, прикрепив реквизиты вашей организации.
Мы оперативно подготовим коммерческое предложение и выставим счет.
Возврат товара надлежащего качества возможен в течение 10 дней с момента получения, если товар не был в употреблении, сохранен товарный вид, упаковка не вскрывалась и присутствуют все сопроводительные документы.
Возврат денежных средств осуществляется в течение 10 рабочих дней после проверки товара складом.
В соответствии с законодательством возврату не подлежат подшипники надлежащего качества, если отсутствует оригинальная упаковка или имеются следы монтажа.
В случае выявления брака или гарантийного случая мы гарантируем возврат или обмен товара.
Да, гарантийный срок хранения устанавливается заводом-изготовителем и в среднем составляет 2 года при соблюдении условий хранения: сухое помещение, оригинальная упаковка и смазка.
Точный срок для конкретного типа подшипника уточняйте у наших менеджеров.
Пн–Пт: с 8:00 до 17:00 (МСК).
Сб–Вс: выходные дни.
Заказы на сайте принимаются круглосуточно. Заявки, поступившие после окончания рабочего дня, обрабатываются на следующий рабочий день.
Минимальная сумма заказа для доставки составляет 3000 рублей. Самовывоз со склада возможен на любую сумму при наличии товара.
ООО «УралТехГрупп»
ИНН: 7415093830
КПП: 772401001
ОГРН: 1167456069021
Банк: ПАО Сбербанк
Р/с: 40702810838000475273
К/с: 30101810400000000225
БИК: 044525225
У подшипника 202-KRR пока нет отзывов. Вы можете стать первым покупателем, поделившимся своим мнением.