Поиск подшипника
Статьи
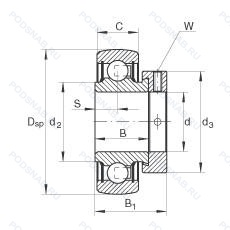
RA108NPPB — Подшипник для корпуса, модификация основного исполнения RA108, выпускается производителями: FAFNIR, INA.
Размер подшипника: 38x80x43 мм.
Подшипники шатунов самолетов. .
Альтернативное обозначение: YET208-108.
Международная стандартизации ISO
RA108NPPB
В наличии
| Обозначение | Конструктивные изменения |
|---|---|
| RA108RR | С выпуклыми асимметричными роликами. Обработанный сепаратор штыревого типа из медного сплава. С центральным ребром. С ребрами с двух сторон (для предотвращения падения роликов). |
| RA108NPPB2 | Подшипник для корпуса. |
| RA108NPP | Манжетные уплотнения с обеих сторон (Тип P — две шайбы из оцинкованной листовой стали с промежуточной частью из NBR. Кромка уплотнения предварительно нагружена в осевом направлении). |
| RA108RRB | Два резиновых уплотнения Land Riding со сферическим наружным диаметром (B). |
| RA108RRB+COL | Товар включает втулку. Два резиновых уплотнения Land Riding со сферическим наружным диаметром (B). |
| RA108-NPP-HLA | Манжетные уплотнения с обеих сторон (Тип P — две шайбы из оцинкованной листовой стали с промежуточной частью из NBR. Кромка уплотнения предварительно нагружена в осевом направлении). Код местонахождения завода. может использоваться в стандартной комплектации. |
| RA108RRB L/C | 15° Угол контакта. Одно механическое уплотнение. Два резиновых уплотнения Land Riding со сферическим наружным диаметром (B). |
| RA108NPPW | Эксцентриковая стопорная втулка. Манжетные уплотнения с обеих сторон (Тип P — две шайбы из оцинкованной листовой стали с промежуточной частью из NBR. Кромка уплотнения предварительно нагружена в осевом направлении). |
| RA108NPPBW | Подшипник со сферическим наружным кольцом. Эксцентриковая стопорная втулка. Манжетные уплотнения с обеих сторон (Тип P — две шайбы из оцинкованной листовой стали с промежуточной частью из NBR. Кромка уплотнения предварительно нагружена в осевом направлении). |
Модификации подшипника для корпуса RA108NPPB — это измененное основное конструктивное исполнение RA108, основные размеры (38x80x43) не отличаются.
| Обозначение | Гост | Конструктивные особенности |
|---|---|---|
| YELAG208-108 | ISO | 1.1/2. |
| 26208.108 | ISO | 1.1/2. |
| 16208.108 | ISO | 1.1/2. |
| GRA208-24V22 | ISO | Holes For Re-lubrication On Both Sides Of The External Ring Of The Bearing. 1.1/2. |
| RA208-24+ER | ISO | Eccenter Ring. 1.1/2. |
| 1108KRR | ISO | Манжетные уплотнения с обеих сторон (уплотнение типа R - имеет оцинкованные внутреннюю и внешнюю крышки. Между крышками имеется уплотнительная кромка NBR. идущая по шлифованному буртику). |
| FH208-24 | ISO | 1.1/2. |
| ES.208-24G2 | ISO | Cистема повторного смазывания для корпусных подшипников. |
| GRA108NPPB | ISO | Подшипник со сферическим наружным кольцом. Манжетные уплотнения с обеих сторон (Тип P — две шайбы из оцинкованной листовой стали с промежуточной частью из NBR. Кромка уплотнения предварительно нагружена в осевом направлении). |
| GRA108-NPP-B-AS2/V | ISO | Подшипник со сферическим наружным кольцом. Манжетные уплотнения с обеих сторон (Тип P — две шайбы из оцинкованной листовой стали с промежуточной частью из NBR. Кромка уплотнения предварительно нагружена в осевом направлении). Наружное кольцо подшипника с двумя смазочными отверстиями в смещенных плоскостях. |
| YET208-108WU | ISO | Bearing Without Lubrication Hole(s) In Outer Ring. Подшипник без эксцентрикового стопорного кольца. |
| 26208.108.2RSR | ISO | Манжетные уплотнения с обеих сторон (вулканизированные). 1.1/2. |
| GRA108NPPBW | ISO | Подшипник со сферическим наружным кольцом. Эксцентриковая стопорная втулка. Манжетные уплотнения с обеих сторон (Тип P — две шайбы из оцинкованной листовой стали с промежуточной частью из NBR. Кромка уплотнения предварительно нагружена в осевом направлении). |
| W208PP10 | ISO | Широкий. Манжетные уплотнения с обеих сторон подшипника. |
| AELS208-108D1 | ISO | Не требующий обслуживания тип. 1.1/2. |
| G1108KRR | ISO | Манжетные уплотнения с обеих сторон (уплотнение типа R - имеет оцинкованные внутреннюю и внешнюю крышки. Между крышками имеется уплотнительная кромка NBR. идущая по шлифованному буртику). |
| AEL208-108D1W3 | ISO | Не требующий обслуживания тип. Корпусной подшипник с установочным винтом. 1.1/2. |
| UCX08.108 | ISO | 1.1/2. |
| UY208-108.2S | ISO | Одинарное уплотнение с лабиринтом между листовой частью и резиновой кромкой, обеспечивающей контактное уплотнение. 1.1/2. |
| UY208-108.2S.SH | ISO | Одинарное уплотнение с лабиринтом между листовой частью и резиновой кромкой, обеспечивающей контактное уплотнение. 1.1/2. Cylindrical Outer Ring Without Lubrication Holes. |
Аналог подшипника для корпуса RA108NPPB — это подшипник такого же размера dx38,Dx80,Bx43, типа и конструкции.
| Обозначение | Конструктивные особенности | Внутренний (d) | Наружный (D) | Ширина (B) |
|---|---|---|---|---|
| W208PP3 AH05 | Подшипник однорядный шариковый радиальный. | 38.00 | 80.00 | 42.80 |
| YSP 208-108 SB-2F | Шариковый радиальный подшипник. Стандартное контактное уплотнение с дополнительным маслоотражательным кольцом с обеих сторон. Double Row. Angular Contact. Non-Filling Notch Bearing. With Outwardly Convergent Угол контактаs. Rigid Design. 1.1/2. | 38.10 | 80.00 | 42.90 |
| YSPAG 208-108 | Шариковый радиальный подшипник. 1.1/2. | 38.10 | 80.00 | 42.90 |
| W208PPB23 | Шариковый радиальный однорядный подшипник. Широкий. | 38.11 | 80.00 | 42.96 |
| CES208-24 | Шариковый радиальный однорядный подшипник. 1.1/2. | 38.10 | 80.00 | 43.70 |
| ES208-24 | Шариковый радиальный однорядный подшипник. 1.1/2. | 38.10 | 80.00 | 43.70 |
| SM1108KT | Шариковый радиальный однорядный подшипник. Greases With Lower Operating Temperature -30°C. | 38.10 | 80.00 | 42.86 |
| SM1108KB | Шариковый радиальный однорядный подшипник. Материал контакта сталь на бронзе (S/B). | 38.10 | 80.00 | 42.86 |
| G1108KLL | Шариковый радиальный однорядный подшипник. BALL BEARING. CONRAD TYPE. INDUSTRIAL POWER TRANSMISSION. DOUBLE MECHANI-SEAL. | 38.10 | 80.00 | 42.86 |
| G1108KLLB | Шариковый радиальный однорядный подшипник. | 38.10 | 80.00 | 42.86 |
| 1108KL | Шариковый радиальный однорядный подшипник. Flanged Type (2 Thru holes)-Medium Load. | 38.10 | 80.00 | 42.86 |
| 1108KLL | Шариковый радиальный однорядный подшипник. BALL BEARING. CONRAD TYPE. INDUSTRIAL POWER TRANSMISSION. DOUBLE MECHANI-SEAL. | 38.10 | 80.00 | 42.86 |
| 1108KLLB | Шариковый радиальный однорядный подшипник. | 38.10 | 80.00 | 42.86 |
| 1108KR | Шариковый радиальный однорядный подшипник. Single-Row. Counterbored Outer Ring. Radial Type. Ball Bearing. 15° Угол контакта. | 38.10 | 80.00 | 42.86 |
| 1108KRRB | Шариковый радиальный однорядный подшипник. | 38.10 | 80.00 | 42.86 |
Способы доставки
Отправка через ведущие транспортные и курьерские компании: ПЭК, Деловые Линии, СДЭК, Байкал-Сервис, Энергия, КИТ, ЖелДорЭкспедиция.
Самовывоз возможен напрямую со склада в Москве.
Сроки доставки
Срок зависит от региона и выбранной транспортной компании. Все заказы комплектуются и отправляются в кратчайшие сроки со склада в Москве.
Надёжность и сохранность
Вся продукция упаковывается с учётом требований транспортировки. Мы гарантируем, что подшипники и комплектующие прибудут к заказчику в полной сохранности.
Доставка в страны ЕАЭС
Мы работаем с проверенными логистическими партнёрами, что позволяет оперативно доставлять заказы в Беларусь, Казахстан, Армению и другие страны ЕАЭС.
Варианты оплаты:
Минимальная сумма заказа и скидки:
Документы и гарантии:
Да, конечно! Наши технические специалисты готовы помочь вам с подбором точного аналога или замены подшипника. Просто позвоните нам по телефону +7 (495) 104-99-04 или напишите на почту zakaz@podsnab.ru.
Для оперативной консультации подготовьте, пожалуйста, имеющиеся данные: маркировку, размеры, тип оборудования или артикул старого подшипника.
Да, конечно! Мы высоко ценим долгосрочное сотрудничество и доверие клиентов по всей России. Для постоянных клиентов действует персональная система скидок.
Условия формируются индивидуально и зависят от:
Чтобы узнать свои условия и получить максимально выгодное предложение, свяжитесь с персональным менеджером или напишите нам на почту zakaz@podsnab.ru.
Вы можете оформить заказ несколькими способами:
Для оформления заказа от юридического лица свяжитесь с нашим отделом по работе с корпоративными клиентами по телефону +7 (495) 104-99-04 или напишите на email zakaz@podsnab.ru, прикрепив реквизиты вашей организации.
Мы оперативно подготовим коммерческое предложение и выставим счет.
Возврат товара надлежащего качества возможен в течение 10 дней с момента получения, если товар не был в употреблении, сохранен товарный вид, упаковка не вскрывалась и присутствуют все сопроводительные документы.
Возврат денежных средств осуществляется в течение 10 рабочих дней после проверки товара складом.
В соответствии с законодательством возврату не подлежат подшипники надлежащего качества, если отсутствует оригинальная упаковка или имеются следы монтажа.
В случае выявления брака или гарантийного случая мы гарантируем возврат или обмен товара.
Да, гарантийный срок хранения устанавливается заводом-изготовителем и в среднем составляет 2 года при соблюдении условий хранения: сухое помещение, оригинальная упаковка и смазка.
Точный срок для конкретного типа подшипника уточняйте у наших менеджеров.
Пн–Пт: с 8:00 до 17:00 (МСК).
Сб–Вс: выходные дни.
Заказы на сайте принимаются круглосуточно. Заявки, поступившие после окончания рабочего дня, обрабатываются на следующий рабочий день.
Минимальная сумма заказа для доставки составляет 3000 рублей. Самовывоз со склада возможен на любую сумму при наличии товара.
ООО «УралТехГрупп»
ИНН: 7415093830
КПП: 772401001
ОГРН: 1167456069021
Банк: ПАО Сбербанк
Р/с: 40702810838000475273
К/с: 30101810400000000225
БИК: 044525225
У подшипника RA108NPPB пока нет отзывов. Вы можете стать первым покупателем, поделившимся своим мнением.