Поиск подшипника
Статьи
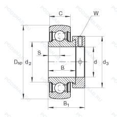
RA104-NPP-B — Подшипник для корпуса, модификация основного исполнения RA104, выпускается производителями: FAFNIR, INA.
Размер подшипника: 31x72x39 мм.
Подшипники шатунов самолетов. , манжетные уплотнения с обеих сторон (тип p — две шайбы из оцинкованной листовой стали с промежуточной частью из nbr. кромка уплотнения предварительно нагружена в осевом направлении), конический роликовый подшипник. угол контакта 20 градусов.
Альтернативное обозначение: YET207-104-2F.
Аналоги: 16207.104 FAG,GRA104-NPP-B-AS2/V INA,RA104-NPP-B-AS2/V INA,YET207-104 SKF,1235-1.1/4EC RHP,SA207-20 FK,SA207-20 ISB,SA207-20 MSB.
Международная стандартизации ISO
RA104NPPB
В наличии
| Обозначение | Конструктивные изменения |
|---|---|
| RA104NPP | Манжетные уплотнения с обеих сторон (Тип P — две шайбы из оцинкованной листовой стали с промежуточной частью из NBR. Кромка уплотнения предварительно нагружена в осевом направлении). |
| RA104NPPW 206 | Эксцентриковая стопорная втулка. Манжетные уплотнения с обеих сторон (Тип P — две шайбы из оцинкованной листовой стали с промежуточной частью из NBR. Кромка уплотнения предварительно нагружена в осевом направлении). 2.3/8. |
| RA104NPPBW 206 | Подшипник со сферическим наружным кольцом. Эксцентриковая стопорная втулка. Манжетные уплотнения с обеих сторон (Тип P — две шайбы из оцинкованной листовой стали с промежуточной частью из NBR. Кромка уплотнения предварительно нагружена в осевом направлении). 2.3/8. |
| RA104-NPP-B-AS2/V | Подшипник со сферическим наружным кольцом. Манжетные уплотнения с обеих сторон (Тип P — две шайбы из оцинкованной листовой стали с промежуточной частью из NBR. Кромка уплотнения предварительно нагружена в осевом направлении). Наружное кольцо подшипника с двумя смазочными отверстиями в смещенных плоскостях. |
| RA104-NPP-B-HLA | Подшипник со сферическим наружным кольцом. Манжетные уплотнения с обеих сторон (Тип P — две шайбы из оцинкованной листовой стали с промежуточной частью из NBR. Кромка уплотнения предварительно нагружена в осевом направлении). Код местонахождения завода. может использоваться в стандартной комплектации. |
| RA104-NPP-HLA | Манжетные уплотнения с обеих сторон (Тип P — две шайбы из оцинкованной листовой стали с промежуточной частью из NBR. Кромка уплотнения предварительно нагружена в осевом направлении). Код местонахождения завода. может использоваться в стандартной комплектации. |
| RA104-206NPPB | Подшипник со сферическим наружным кольцом. Манжетные уплотнения с обеих сторон (Тип P — две шайбы из оцинкованной листовой стали с промежуточной частью из NBR. Кромка уплотнения предварительно нагружена в осевом направлении). |
| RA104-206NPP | Манжетные уплотнения с обеих сторон (Тип P — две шайбы из оцинкованной листовой стали с промежуточной частью из NBR. Кромка уплотнения предварительно нагружена в осевом направлении). |
| RA104NPPW | Эксцентриковая стопорная втулка. Манжетные уплотнения с обеих сторон (Тип P — две шайбы из оцинкованной листовой стали с промежуточной частью из NBR. Кромка уплотнения предварительно нагружена в осевом направлении). |
| RA104RRB | Два резиновых уплотнения Land Riding со сферическим наружным диаметром (B). |
| RA104RR | С выпуклыми асимметричными роликами. Обработанный сепаратор штыревого типа из медного сплава. С центральным ребром. С ребрами с двух сторон (для предотвращения падения роликов). |
Модификации подшипника для корпуса RA104-NPP-B — это измененное основное конструктивное исполнение RA104, основные размеры (31x72x39) не отличаются.
| Обозначение | Гост | Конструктивные особенности |
|---|---|---|
| RABR-B30/72 | ISO | Подшипник для корпуса. |
| 1235-1.1/4ECG | ISO | Number Of Carriages Per Rail Track. |
| AEL207-104 | ISO | 1.1/4. |
| SA207-20 | ISO | Distance Between Beginning Of The Rail And First Hole In MM. |
| GRA104-NPP-B-AS2/V | ISO | Подшипник со сферическим наружным кольцом. Манжетные уплотнения с обеих сторон (Тип P — две шайбы из оцинкованной листовой стали с промежуточной частью из NBR. Кромка уплотнения предварительно нагружена в осевом направлении). Наружное кольцо подшипника с двумя смазочными отверстиями в смещенных плоскостях. |
| 26207.104 | ISO | 1.1/4. |
| YET207-104 | ISO | 1.1/4. |
| AEL207-104D1 W3 | ISO | Корпусной подшипник с установочным винтом. |
| 16207.104 | ISO | 1.1/4. |
| 1104EE | ISO | Резиновые уплотнения с каждой стороны подшипника. |
| GRA104NPPB | ISO | Подшипник со сферическим наружным кольцом. Манжетные уплотнения с обеих сторон (Тип P — две шайбы из оцинкованной листовой стали с промежуточной частью из NBR. Кромка уплотнения предварительно нагружена в осевом направлении). |
| KH207-20AE | ISO | Подшипник для корпуса. |
| EN207-20S | ISO | Шарикоподшипник со стандартным заполнением пластичной смазкой. 1.1/4. |
| AEL207-104D1 | ISO | Не требующий обслуживания тип. |
| RABRB30/72-XL-FA106 | ISO | Серия X-Life премиум-класс. увеличиный срок службы. Подшипник подвергается специальным испытаниям на шум. |
| RABR-B30/72FA106 | ISO | Подшипник подвергается специальным испытаниям на шум. |
| ENR207-20SDDR | ISO | Шарикоподшипник со стандартным заполнением пластичной смазкой. |
| GRAE104NPPB | ISO | Подшипник со сферическим наружным кольцом. Манжетные уплотнения с обеих сторон (Тип P — две шайбы из оцинкованной листовой стали с промежуточной частью из NBR. Кромка уплотнения предварительно нагружена в осевом направлении). |
| AELS207-104D1NR | ISO | Канавка под стопорное кольцо на наружном кольце с соответствующим стопорным кольцом. Не требующий обслуживания тип. |
Аналог подшипника для корпуса RA104-NPP-B — это подшипник такого же размера dx31,Dx72,Bx39, типа и конструкции.
| Обозначение | Конструктивные особенности | Внутренний (d) | Наружный (D) | Ширина (B) |
|---|---|---|---|---|
| 8-446306 Е2 | Шариковый радиально-упорный сдвоенный подшипник. Сепаратор из пластических материалов.. | 30.00 | 72.00 | 38.00 |
| 4-446306 Е5 | Шариковый радиально-упорный сдвоенный подшипник. Сепаратор из текстолита.. | 30.00 | 72.00 | 38.00 |
| 4-446306 Л | Шариковый радиально-упорный сдвоенный подшипник. Сепаратор из латуни.. | 30.00 | 72.00 | 38.00 |
| YSP 207-104 SB-2F | Шариковый радиальный подшипник. Стандартное контактное уплотнение с дополнительным маслоотражательным кольцом с обеих сторон. 1.1/4. Double Row. Angular Contact. Non-Filling Notch Bearing. With Outwardly Convergent Угол контактаs. Rigid Design. | 31.75 | 72.00 | 39.50 |
| 6-246306-Е2 | Шариковый радиально-упорный сдвоенный подшипник. Сепаратор из пластических материалов.. | 30.00 | 72.00 | 38.00 |
| 6-246306-Е5 | Шариковый радиально-упорный сдвоенный подшипник. Сепаратор из текстолита.. | 30.00 | 72.00 | 38.00 |
| 6-246306 Л | Шариковый радиально-упорный сдвоенный подшипник. Сепаратор из латуни.. | 30.00 | 72.00 | 38.00 |
| 6-446306-АЕ5 | Шариковый радиально-упорный сдвоенный подшипник. Сепаратор из текстолита.. Повышенная грузоподъемность. | 30.00 | 72.00 | 38.00 |
| 6-446306-АЛ | Шариковый радиально-упорный сдвоенный подшипник. Сепаратор из латуни.. Повышенная грузоподъемность. | 30.00 | 72.00 | 38.00 |
| 6-446306-Е2 | Шариковый радиально-упорный сдвоенный подшипник. Сепаратор из пластических материалов.. | 30.00 | 72.00 | 38.00 |
| 6-446306-Е5 | Шариковый радиально-упорный сдвоенный подшипник. Сепаратор из текстолита.. | 30.00 | 72.00 | 38.00 |
| 6-446306-Л | Шариковый радиально-упорный сдвоенный подшипник. Сепаратор из латуни.. | 30.00 | 72.00 | 38.00 |
| 6306D2 | Шариковый радиальный однорядный подшипник. Два одинаковых парных подшипника. | 30.00 | 72.00 | 38.00 |
| 6306ZZD2 | Шариковый радиальный однорядный подшипник. Стальная шайба. | 30.00 | 72.00 | 38.00 |
| ZKLN3072-2Z | Шариковый упорный двухрядный подшипник. Защитные металлические шайбы с обеих сторон подшипника. | 30.00 | 72.00 | 38.00 |
Способы доставки
Отправка через ведущие транспортные и курьерские компании: ПЭК, Деловые Линии, СДЭК, Байкал-Сервис, Энергия, КИТ, ЖелДорЭкспедиция.
Самовывоз возможен напрямую со склада в Москве.
Сроки доставки
Срок зависит от региона и выбранной транспортной компании. Все заказы комплектуются и отправляются в кратчайшие сроки со склада в Москве.
Надёжность и сохранность
Вся продукция упаковывается с учётом требований транспортировки. Мы гарантируем, что подшипники и комплектующие прибудут к заказчику в полной сохранности.
Доставка в страны ЕАЭС
Мы работаем с проверенными логистическими партнёрами, что позволяет оперативно доставлять заказы в Беларусь, Казахстан, Армению и другие страны ЕАЭС.
Варианты оплаты:
Минимальная сумма заказа и скидки:
Документы и гарантии:
Да, конечно! Наши технические специалисты готовы помочь вам с подбором точного аналога или замены подшипника. Просто позвоните нам по телефону +7 (495) 104-99-04 или напишите на почту zakaz@podsnab.ru.
Для оперативной консультации подготовьте, пожалуйста, имеющиеся данные: маркировку, размеры, тип оборудования или артикул старого подшипника.
Да, конечно! Мы высоко ценим долгосрочное сотрудничество и доверие клиентов по всей России. Для постоянных клиентов действует персональная система скидок.
Условия формируются индивидуально и зависят от:
Чтобы узнать свои условия и получить максимально выгодное предложение, свяжитесь с персональным менеджером или напишите нам на почту zakaz@podsnab.ru.
Вы можете оформить заказ несколькими способами:
Для оформления заказа от юридического лица свяжитесь с нашим отделом по работе с корпоративными клиентами по телефону +7 (495) 104-99-04 или напишите на email zakaz@podsnab.ru, прикрепив реквизиты вашей организации.
Мы оперативно подготовим коммерческое предложение и выставим счет.
Возврат товара надлежащего качества возможен в течение 10 дней с момента получения, если товар не был в употреблении, сохранен товарный вид, упаковка не вскрывалась и присутствуют все сопроводительные документы.
Возврат денежных средств осуществляется в течение 10 рабочих дней после проверки товара складом.
В соответствии с законодательством возврату не подлежат подшипники надлежащего качества, если отсутствует оригинальная упаковка или имеются следы монтажа.
В случае выявления брака или гарантийного случая мы гарантируем возврат или обмен товара.
Да, гарантийный срок хранения устанавливается заводом-изготовителем и в среднем составляет 2 года при соблюдении условий хранения: сухое помещение, оригинальная упаковка и смазка.
Точный срок для конкретного типа подшипника уточняйте у наших менеджеров.
Пн–Пт: с 8:00 до 17:00 (МСК).
Сб–Вс: выходные дни.
Заказы на сайте принимаются круглосуточно. Заявки, поступившие после окончания рабочего дня, обрабатываются на следующий рабочий день.
Минимальная сумма заказа для доставки составляет 3000 рублей. Самовывоз со склада возможен на любую сумму при наличии товара.
ООО «УралТехГрупп»
ИНН: 7415093830
КПП: 772401001
ОГРН: 1167456069021
Банк: ПАО Сбербанк
Р/с: 40702810838000475273
К/с: 30101810400000000225
БИК: 044525225
У подшипника RA104-NPP-B пока нет отзывов. Вы можете стать первым покупателем, поделившимся своим мнением.