Поиск подшипника
Статьи
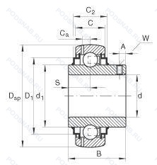
UC209D1 — Подшипник для корпуса, модификация основного исполнения UC209, выпускается производителями: NIS, NSK, NTN.
Размер подшипника: 45x85x49 мм.
Цилиндрическое отверстие внутреннего кольца, с установочными винтами, не требующий обслуживания тип.
Альтернативное обозначение: 56209, GYE45KRRB, YAR209-2F.
Аналоги: UC209 FAG,UC209NAV2S NSK,UC209 FYH,UC209 KDF,UC209 TR,UC209 FS,UC209 ISB,UC209 LDK,UC209 FK,UC209 KG,UC209 Neutral.
Международная стандартизации ISO
UC209D1
В наличии
| Обозначение | Конструктивные изменения |
|---|---|
| UC209-27 | 1.11/16. |
| UC209-28 | 1.3/4. |
| UC209L3 | Тройное манжетное уплотнение для вкладыша подшипника. |
| UC209 | Угол контакта 20 градусов. Основное конструктивное исполнение. |
| UC209-24 | 1.1/2. |
| UC209-112 | 1.3/4. |
| UC209-110D1 | Не требующий обслуживания тип. |
| UC209S | Стандартное заполнение. |
| UC209SS | Нержавеющая сталь. |
| UC209-26 G2 | Cистема повторного смазывания для корпусных подшипников. 1.5/8. |
| UC209G2L3 | Cистема повторного смазывания для корпусных подшипников. Тройное манжетное уплотнение для вкладыша подшипника. |
| UC209D1K2 | Heat-Resistant Type B (-40°C To +180°C).. |
| UC209HT2 D1 | Не требующий обслуживания тип. Heat-Stabilized Up To 270°C. C4 Clearance. |
| UC209+ER | Эксцентриковое кольцо. |
| UC209/L791 | Grease For Food Processing Machinery. |
| UC209-28 G2 | Cистема повторного смазывания для корпусных подшипников. 1.3/4. |
| UC209D1 X AV3S | Измененные размеры границ. введенные пересмотренными стандартами ISO. Relube Type.. Alvania Grease #3 Standard Fill. |
| UC209G2 | Cистема повторного смазывания для корпусных подшипников. |
| UC209-112D1 | Стандартная консистентная смазка Alvania Grease 3. |
| UC209-24S | Стандартное заполнение. |
| UC209-27G2 | Cистема повторного смазывания для корпусных подшипников. 1.11/16. |
| UC209NAV2S | Паз в корпусе для крепления защитных колпачков. Lubricant. Shell Oil Co.. Alvania #2 Grease. 1/4 Full. Temperature Range = -10°C / + 110°C (Normal Temperature Grease). |
| UC209D1LLSQ1/AS3M | Filling Approx. 55% to 70%. Стандартная консистентная смазка Alvania Grease 3. Резиновые уплотнения с каждой стороны подшипника. Смазка Shell Alvania S3, загуститель литиевый, базовое масло минеральное, температура от −10°C до +110°C.. |
| UC209AGR | AGR-Sealing (Three Lip Sealing). |
| UC209S6 | Подшипник из нержавеющей стали. |
Модификации подшипника для корпуса UC209D1 — это измененное основное конструктивное исполнение UC209, основные размеры (45x85x49) не отличаются.
| Обозначение | Гост | Конструктивные особенности |
|---|---|---|
| 56209 | ISO | Подшипник для корпуса. |
| GYE45KRRB | ISO | Подшипник для корпуса. |
| GYE45-KRR-B-VA-HLA | ISO | Подшипник со сферическим наружным кольцом. Коррозионно-стойкая конструкция из высоколегированной подшипниковой стали. Манжетные уплотнения с обеих сторон (уплотнение типа R - имеет оцинкованные внутреннюю и внешнюю крышки. Между крышками имеется уплотнительная кромка NBR. идущая по шлифованному буртику). Код местонахождения завода. может использоваться в стандартной комплектации. |
| 1045KG | ISO | Серия с закрепительной втулкой и смазочным отверстием. |
| MUC209SS | ISO | Нержавеющая сталь. |
| T1045-1.3/4G | ISO | Вкладыш подшипника с возможностью повторной смазки. Размерные и геометрические допуски соответствуют классу точности P6. Number Of Carriages Per Rail Track. |
| 1045-45GHLT | ISO | Вкладыш подшипника с возможностью повторной смазки. Высоко- и низкотемпературные подшипниковые вкладыши. |
| GY1112-KRR-B-AS2/V | ISO | Подшипник со сферическим наружным кольцом. Манжетные уплотнения с обеих сторон (уплотнение типа R - имеет оцинкованные внутреннюю и внешнюю крышки. Между крышками имеется уплотнительная кромка NBR. идущая по шлифованному буртику). Наружное кольцо подшипника с двумя смазочными отверстиями в смещенных плоскостях. |
| GY1112KRRBTDCFSGT | ISO | Conrad (Non-Filling Slot) Type. Сферический внешний диаметр. Резиновое уплотнение с двух сторон. Shaft Guarding Technology™. Timken Survivor Series. |
| M-UC209D1 | ISO | Не требующий обслуживания тип. |
| 1045-45 | ISO | 2.13/16. |
| 1/1045-1.3/4G | ISO | Вкладыш подшипника с возможностью повторной смазки. Размерные и геометрические допуски соответствуют классу точности P6. Number Of Carriages Per Rail Track. |
| 1145-1.3/4CG | ISO | Размерные и геометрические допуски соответствуют классу точности P6. Number Of Carriages Per Rail Track. Резьбовой винт со стопором и защелкой. |
| YAR209-2FW/VA228 | ISO | Измененная или модифицированная внутренняя конструкция при неизменных основных размерах. Bearing With A “Coronet” Cage Of Graphite For Temperatures -150°C/+350°C. Стандартное контактное уплотнение с дополнительным плоским маслоотражателем на обеих сторонах подшипника без смазочных отверстий в наружном кольце. |
| YAR209-2FW/VA201 | ISO | Измененная или модифицированная внутренняя конструкция при неизменных основных размерах. Стандартное контактное уплотнение с дополнительным плоским маслоотражателем на обеих сторонах подшипника без смазочных отверстий в наружном кольце. Подшипник для высокотемпературных применений (например. печных тележек). |
| YAR209-112-2FW/VA228 | ISO | Измененная или модифицированная внутренняя конструкция при неизменных основных размерах. Bearing With A “Coronet” Cage Of Graphite For Temperatures -150°C/+350°C. Стандартное контактное уплотнение с дополнительным плоским маслоотражателем на обеих сторонах подшипника без смазочных отверстий в наружном кольце. 1.3/4. |
| YAR209-112-2FW/VA201 | ISO | Измененная или модифицированная внутренняя конструкция при неизменных основных размерах. Стандартное контактное уплотнение с дополнительным плоским маслоотражателем на обеих сторонах подшипника без смазочных отверстий в наружном кольце. Подшипник для высокотемпературных применений (например. печных тележек). 1.3/4. |
| YAR209-112-2F/AH | ISO | Стандартное контактное уплотнение с дополнительным маслоотражательным кольцом с обеих сторон. Противовращающийся штырь. Массивные ножки и свободный момент выравнивания. 1.3/4. |
| ER209-28 | ISO | 1.3/4. |
| F-UC209/LP99 | ISO | Molded-Oil™ Lubrication System. |
| 1045-1.3/4GMS44 | ISO | Смазочные отверстия в распределительной канавке. Механически обработанные в наружном кольце для смазки. HIGH TEMPERATURE GREASE. STEEL CAGE AND C4 FIT. Размерные и геометрические допуски соответствуют классу точности P6. Number Of Carriages Per Rail Track. |
| ER28C | ISO | Однокромочное контактное уплотнение. |
Аналог подшипника для корпуса UC209D1 — это подшипник такого же размера dx45,Dx85,Bx49, типа и конструкции.
| Обозначение | Конструктивные особенности | Внутренний (d) | Наружный (D) | Ширина (B) |
|---|---|---|---|---|
| K89309TN | Подшипник роликовый цилиндрический в сборе с сепаратором. Игольчатый роликовый подшипник без колец. Прочный сепаратор из полиамида. армированного стекловолокном. | 45.00 | 85.00 | 49.00 |
| 1623-494-10 | Линейный шариковый подшипник. Distance Between Beginning Of The Rail And First Hole In MM. | 45.00 | 86.00 | 50.00 |
| LA45BLG14K6Z4 | Линейный шариковый подшипник. Стандартный тип преднатяга. Контрольный номер NSK (требуется при запросе). Код формы шариковой направляющей. Код предварительной нагрузки. Класс точности. | 45.00 | 86.00 | 50.00 |
| LA45BLG05K6Z4 | Линейный шариковый подшипник. Стандартный тип преднатяга. Код формы шариковой направляющей. Код предварительной нагрузки. Класс точности. Контрольный номер NSK (требуется при запросе). | 45.00 | 86.00 | 50.00 |
| DAC45850048/43 | Подшипник шариковый двухрядный радиально-упорный. 2.11/16. | 45.00 | 85.00 | 48.00 |
| YARAG209 | Корпусный подшипник однорядный. Измененная или модифицированная внутренняя конструкция при неизменных основных размерах. | 45.00 | 85.00 | 49.20 |
| GYE45-KRR-B-VA | Шариковый радиальный подшипник. Конический роликовый подшипник. Угол контакта 20 градусов. Нержавеющая сталь. Манжетные уплотнения с обеих сторон (уплотнение типа R - имеет оцинкованные внутреннюю и внешнюю крышки. Между крышками имеется уплотнительная кромка NBR. идущая по шлифованному буртику). | 45.00 | 85.00 | 49.20 |
| DT458448DBG6 | Роликовый радиальный-упорный двухрядный подшипник. | 45.00 | 84.00 | 48.00 |
| UCS209LD1N | Шариковый радиальный однорядный подшипник. Канавка для стопорного кольца на наружном кольце. | 45.00 | 85.00 | 49.20 |
| E2.YAR209-112-2F | Шариковый радиальный однорядный подшипник. | 44.45 | 85.00 | 49.20 |
| E2.YAR 209-2F | Шариковый радиальный однорядный подшипник. | 45.00 | 85.00 | 49.20 |
| ER28DD | Шариковый радиальный однорядный подшипник. Два уплотнения из PTFE. | 44.45 | 85.00 | 49.21 |
| GY1112KRRB SGT | Шариковый радиальный однорядный подшипник. Shaft Guarding Technology™. | 44.45 | 85.00 | 49.22 |
| GYE45KRRB SGT | Шариковый радиальный однорядный подшипник. Shaft Guarding Technology™. | 45.00 | 85.00 | 49.22 |
| 480209 | Шариковый радиальный однорядный подшипник. | 45.00 | 85.00 | 49.20 |
Способы доставки
Отправка через ведущие транспортные и курьерские компании: ПЭК, Деловые Линии, СДЭК, Байкал-Сервис, Энергия, КИТ, ЖелДорЭкспедиция.
Самовывоз возможен напрямую со склада в Москве.
Сроки доставки
Срок зависит от региона и выбранной транспортной компании. Все заказы комплектуются и отправляются в кратчайшие сроки со склада в Москве.
Надёжность и сохранность
Вся продукция упаковывается с учётом требований транспортировки. Мы гарантируем, что подшипники и комплектующие прибудут к заказчику в полной сохранности.
Доставка в страны ЕАЭС
Мы работаем с проверенными логистическими партнёрами, что позволяет оперативно доставлять заказы в Беларусь, Казахстан, Армению и другие страны ЕАЭС.
Варианты оплаты:
Минимальная сумма заказа и скидки:
Документы и гарантии:
Да, конечно! Наши технические специалисты готовы помочь вам с подбором точного аналога или замены подшипника. Просто позвоните нам по телефону +7 (495) 104-99-04 или напишите на почту zakaz@podsnab.ru.
Для оперативной консультации подготовьте, пожалуйста, имеющиеся данные: маркировку, размеры, тип оборудования или артикул старого подшипника.
Да, конечно! Мы высоко ценим долгосрочное сотрудничество и доверие клиентов по всей России. Для постоянных клиентов действует персональная система скидок.
Условия формируются индивидуально и зависят от:
Чтобы узнать свои условия и получить максимально выгодное предложение, свяжитесь с персональным менеджером или напишите нам на почту zakaz@podsnab.ru.
Вы можете оформить заказ несколькими способами:
Для оформления заказа от юридического лица свяжитесь с нашим отделом по работе с корпоративными клиентами по телефону +7 (495) 104-99-04 или напишите на email zakaz@podsnab.ru, прикрепив реквизиты вашей организации.
Мы оперативно подготовим коммерческое предложение и выставим счет.
Возврат товара надлежащего качества возможен в течение 10 дней с момента получения, если товар не был в употреблении, сохранен товарный вид, упаковка не вскрывалась и присутствуют все сопроводительные документы.
Возврат денежных средств осуществляется в течение 10 рабочих дней после проверки товара складом.
В соответствии с законодательством возврату не подлежат подшипники надлежащего качества, если отсутствует оригинальная упаковка или имеются следы монтажа.
В случае выявления брака или гарантийного случая мы гарантируем возврат или обмен товара.
Да, гарантийный срок хранения устанавливается заводом-изготовителем и в среднем составляет 2 года при соблюдении условий хранения: сухое помещение, оригинальная упаковка и смазка.
Точный срок для конкретного типа подшипника уточняйте у наших менеджеров.
Пн–Пт: с 8:00 до 17:00 (МСК).
Сб–Вс: выходные дни.
Заказы на сайте принимаются круглосуточно. Заявки, поступившие после окончания рабочего дня, обрабатываются на следующий рабочий день.
Минимальная сумма заказа для доставки составляет 3000 рублей. Самовывоз со склада возможен на любую сумму при наличии товара.
ООО «УралТехГрупп»
ИНН: 7415093830
КПП: 772401001
ОГРН: 1167456069021
Банк: ПАО Сбербанк
Р/с: 40702810838000475273
К/с: 30101810400000000225
БИК: 044525225
У подшипника UC209D1 пока нет отзывов. Вы можете стать первым покупателем, поделившимся своим мнением.