Поиск подшипника
Статьи
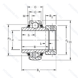
GE40KPPB3 — Подшипник для корпуса, модификация основного исполнения GE40, выпускается производителями: FAFNIR, INA, TIMKEN.
Размер подшипника: 40x80x42 мм.
Широкий подшипник с внутренним кольцом и метрическим отверстием.
Альтернативное обозначение: GE40-KTT-B.
Международная стандартизации ISO
GE40KPPB3
В наличии
| Обозначение | Конструктивные изменения |
|---|---|
| GE40-KRR-B-FA164 | Подшипник со сферическим наружным кольцом. Манжетные уплотнения с обеих сторон (уплотнение типа R - имеет оцинкованные внутреннюю и внешнюю крышки. Между крышками имеется уплотнительная кромка NBR. идущая по шлифованному буртику). Высокотемпературная конструкция до +250°C. |
| GE40KLLHB FA133/177 | Подшипник со сферическим наружным кольцом. Лабиринтные уплотнения с обеих сторон (уплотнение типа L - все детали уплотнения типа L оцинкованы со всех сторон. чтобы улучшить защиту от коррозии - нет трения уплотнения). |
| GE40GS-2RS | Контактное уплотнение с обеих сторон. Подшипник с предварительным натягом и цилиндрическим наружним кольцом. |
| GE40KLLHB FA165 | Подшипник со сферическим наружным кольцом. Лабиринтные уплотнения с обеих сторон (уплотнение типа L - все детали уплотнения типа L оцинкованы со всех сторон. чтобы улучшить защиту от коррозии - нет трения уплотнения). |
| GE40EC-2RS | Резиновые уплотнения с каждой стороны подшипника. Хром/PTFE композит и радиальный подшипник. Не требует обслуживания благодаря тефлоновому композитному наружному кольцу. Внутреннее кольцо закалено.. |
| GE40CS-2Z | Защитные металлические шайбы с обеих сторон. Высокоуглеродистая сталь. |
| GE40GS Q1 | Подшипник с предварительным натягом и цилиндрическим наружним кольцом. |
| GE40UK-2RSA | Контактная поверхность скольжения хром/PTFE композит. Special Seals. |
| GE40-KTT-B | Подшипник со сферическим наружным кольцом. Тройные манжетные уплотнения с обеих сторон подшипника (Т-образное уплотнение). |
| GE40KRRB FA125.5 | Подшипник со сферическим наружным кольцом. Манжетные уплотнения с обеих сторон (уплотнение типа R - имеет оцинкованные внутреннюю и внешнюю крышки. Между крышками имеется уплотнительная кромка NBR. идущая по шлифованному буртику). С покрытием Corrotect®, защищено от коррозии. |
| GE40-KLL-B | Подшипник со сферическим наружным кольцом. BALL BEARING. CONRAD TYPE. INDUSTRIAL POWER TRANSMISSION. DOUBLE MECHANI-SEAL. |
| GE40-DO-2RS-C3 | Радиальный внутренний зазор больше нормального. Манжетное уплотнение с двух сторон. Стальная контактная поверхность скольжения. Внутреннее и наружное кольца закалены. |
| GE40-UK-2RS-W11 | Манжетное уплотнение с двух сторон. Контактная поверхность скольжения хром/PTFE композит. Для низкого контактного давления (начиная с 1 Н/м2) и минимального трения. |
| GE40-FW-2TS | СкользящаКонтактная поверхность из хром/PTFE. Широкое внутреннее кольцо. Two Teflon Seals Reinforced With Z-Shields. |
| GE40ESX-2LS | A Triple Lip Elastomer Seal. With A Steel Backing. On Each Side Of The Bearing (-25°C/+120°C). Не требует обслуживания - смазка на весь срок службы. Оптимизированное стальное соединение. Разъемное наружное кольцо с отверстиями для смазки. |
| GE40GX-2RS | Резиновые уплотнения с каждой стороны подшипника. Grease Filling. Low/High Temperature Grease. e.g. -40°C/+140°C. |
| GE40EC-NIRO | Твердый хром/фторопластовый композит и радиальный подшипник - необслуживаемый благодаря внешнему кольцу из фторопластового композита. Внутреннее кольцо закалено. Внешнее кольцо, состоящее из стали и внутренней оболочки монорельса, сжимает внутреннее кольцо.. Нержавеющая сталь.. |
| GE40ET/X | Измененные размеры границ. введенные пересмотренными стандартами ISO. Сквозная закалка и шлифовка стали с переломом в одной точке. |
| GE40-XL-KRR-B-FA164 | Подшипник со сферическим наружным кольцом. Серия X-Life премиум-класс. увеличиный срок службы. Манжетные уплотнения с обеих сторон (уплотнение типа R - имеет оцинкованные внутреннюю и внешнюю крышки. Между крышками имеется уплотнительная кромка NBR. идущая по шлифованному буртику). Высокотемпературная конструкция до +250°C. |
| GE40-KRR-B-2C | Конический роликовый подшипник. Угол контакта 20 градусов. Манжетные уплотнения с обеих сторон (уплотнение типа R - имеет оцинкованные внутреннюю и внешнюю крышки. Между крышками имеется уплотнительная кромка NBR. идущая по шлифованному буртику). Защитные щиты с обеих сторон. |
| GE40KRR | Манжетные уплотнения с обеих сторон (уплотнение типа R - имеет оцинкованные внутреннюю и внешнюю крышки. Между крышками имеется уплотнительная кромка NBR. идущая по шлифованному буртику). |
| GE40C | 15° Угол контакта. |
| GE40N | Канавка под стопорное кольцо на внешнем кольце. |
| GE40/65XDO-2RS | Резиновые уплотнения с каждой стороны подшипника. |
| GE40XDO-2RS | Резиновые уплотнения с каждой стороны подшипника. |
Модификации подшипника для корпуса GE40KPPB3 — это измененное основное конструктивное исполнение GE40, основные размеры (40x80x42) не отличаются.
| Обозначение | Гост | Конструктивные особенности |
|---|---|---|
| NA208 | ISO | Подшипник для корпуса. |
| 1340-40EC | ISO | Подшипник для корпуса. |
| YEL208-2F | ISO | Стандартное контактное уплотнение с дополнительным маслоотражательным кольцом с обеих сторон. |
| GLE40-XL-KRR-B | ISO | Подшипник со сферическим наружным кольцом. Серия X-Life премиум-класс. увеличиный срок службы. Манжетные уплотнения с обеих сторон (уплотнение типа R - имеет оцинкованные внутреннюю и внешнюю крышки. Между крышками имеется уплотнительная кромка NBR. идущая по шлифованному буртику). |
| GLE40KLLHB | ISO | Подшипник со сферическим наружным кольцом. Лабиринтные уплотнения с обеих сторон (уплотнение типа L - все детали уплотнения типа L оцинкованы со всех сторон. чтобы улучшить защиту от коррозии - нет трения уплотнения). |
| EX208-24G2 | ISO | Cистема повторного смазывания для корпусных подшипников. 1.1/2. |
| 3140-40EC | ISO | Эксцентриковая втулка с внутренним кольцом заподлицо с одной стороны. |
| UG208+ER | ISO | Эксцентриковое кольцо. |
| 1340-40 | ISO | 2.1/2. |
| WPS109GRC | ISO | Указывает на наличие эксцентрикового стопорного кольца в комплекте с подшипником. Подшипники с установочным винтом не имеют втулки. Многоразовая смазка. Широкий одинарный манжетный уплотнитель. |
| GLE40KRRB | ISO | Подшипник со сферическим наружным кольцом. Манжетные уплотнения с обеих сторон (уплотнение типа R - имеет оцинкованные внутреннюю и внешнюю крышки. Между крышками имеется уплотнительная кромка NBR. идущая по шлифованному буртику). |
Аналог подшипника для корпуса GE40KPPB3 — это подшипник такого же размера dx40,Dx80,Bx42, типа и конструкции.
| Обозначение | Конструктивные особенности | Внутренний (d) | Наружный (D) | Ширина (B) |
|---|---|---|---|---|
| 28158/28318D | Подшипник роликовый конический двухрядный. | 40.00 | 80.04 | 41.88 |
| G1109KRRB | Корпус подшипника. | 40.00 | 120.00 | 42.86 |
| 28158-99407 | Подшипник роликовый конический двухрядный. | 40.00 | 80.04 | 41.88 |
| YSP 208 SB-2F | Корпусный подшипник. Стандартное контактное уплотнение с дополнительным маслоотражательным кольцом с обеих сторон. Double Row. Angular Contact. Non-Filling Notch Bearing. With Outwardly Convergent Угол контактаs. Rigid Design. | 40.00 | 80.00 | 42.90 |
| YSPAG 208 | Корпусный подшипник. Измененная или модифицированная внутренняя конструкция при неизменных основных размерах. | 40.00 | 80.00 | 42.90 |
| YELAG208 | Корпусный подшипник однорядный. Измененная или модифицированная внутренняя конструкция при неизменных основных размерах. | 40.00 | 80.00 | 42.80 |
| UELS208LD1N | Шариковый радиальный однорядный подшипник. Канавка для стопорного кольца на наружном кольце. | 40.00 | 80.00 | 42.80 |
| E2.YSP 208 SB-2F | Шариковый радиальный однорядный подшипник. | 40.00 | 80.00 | 42.90 |
| SM1109KT | Шариковый радиальный однорядный подшипник. Greases With Lower Operating Temperature -30°C. | 39.69 | 80.00 | 42.86 |
| G1109KLL | Шариковый радиальный однорядный подшипник. BALL BEARING. CONRAD TYPE. INDUSTRIAL POWER TRANSMISSION. DOUBLE MECHANI-SEAL. | 39.69 | 80.00 | 42.86 |
| G1109KLLB | Шариковый радиальный однорядный подшипник. | 39.69 | 80.00 | 42.86 |
| 1109KLL | Шариковый радиальный однорядный подшипник. BALL BEARING. CONRAD TYPE. INDUSTRIAL POWER TRANSMISSION. DOUBLE MECHANI-SEAL. | 39.69 | 80.00 | 42.86 |
| 1109KLLB | Шариковый радиальный однорядный подшипник. | 39.69 | 80.00 | 42.86 |
| 1109KRR | Шариковый радиальный однорядный подшипник. Манжетные уплотнения с обеих сторон (уплотнение типа R - имеет оцинкованные внутреннюю и внешнюю крышки. Между крышками имеется уплотнительная кромка NBR. идущая по шлифованному буртику). | 39.69 | 80.00 | 42.86 |
| 1109KRRB | Шариковый радиальный однорядный подшипник. | 39.69 | 80.00 | 42.86 |
Способы доставки
Отправка через ведущие транспортные и курьерские компании: ПЭК, Деловые Линии, СДЭК, Байкал-Сервис, Энергия, КИТ, ЖелДорЭкспедиция.
Самовывоз возможен напрямую со склада в Москве.
Сроки доставки
Срок зависит от региона и выбранной транспортной компании. Все заказы комплектуются и отправляются в кратчайшие сроки со склада в Москве.
Надёжность и сохранность
Вся продукция упаковывается с учётом требований транспортировки. Мы гарантируем, что подшипники и комплектующие прибудут к заказчику в полной сохранности.
Доставка в страны ЕАЭС
Мы работаем с проверенными логистическими партнёрами, что позволяет оперативно доставлять заказы в Беларусь, Казахстан, Армению и другие страны ЕАЭС.
Варианты оплаты:
Минимальная сумма заказа и скидки:
Документы и гарантии:
Да, конечно! Наши технические специалисты готовы помочь вам с подбором точного аналога или замены подшипника. Просто позвоните нам по телефону +7 (495) 104-99-04 или напишите на почту zakaz@podsnab.ru.
Для оперативной консультации подготовьте, пожалуйста, имеющиеся данные: маркировку, размеры, тип оборудования или артикул старого подшипника.
Да, конечно! Мы высоко ценим долгосрочное сотрудничество и доверие клиентов по всей России. Для постоянных клиентов действует персональная система скидок.
Условия формируются индивидуально и зависят от:
Чтобы узнать свои условия и получить максимально выгодное предложение, свяжитесь с персональным менеджером или напишите нам на почту zakaz@podsnab.ru.
Вы можете оформить заказ несколькими способами:
Для оформления заказа от юридического лица свяжитесь с нашим отделом по работе с корпоративными клиентами по телефону +7 (495) 104-99-04 или напишите на email zakaz@podsnab.ru, прикрепив реквизиты вашей организации.
Мы оперативно подготовим коммерческое предложение и выставим счет.
Возврат товара надлежащего качества возможен в течение 10 дней с момента получения, если товар не был в употреблении, сохранен товарный вид, упаковка не вскрывалась и присутствуют все сопроводительные документы.
Возврат денежных средств осуществляется в течение 10 рабочих дней после проверки товара складом.
В соответствии с законодательством возврату не подлежат подшипники надлежащего качества, если отсутствует оригинальная упаковка или имеются следы монтажа.
В случае выявления брака или гарантийного случая мы гарантируем возврат или обмен товара.
Да, гарантийный срок хранения устанавливается заводом-изготовителем и в среднем составляет 2 года при соблюдении условий хранения: сухое помещение, оригинальная упаковка и смазка.
Точный срок для конкретного типа подшипника уточняйте у наших менеджеров.
Пн–Пт: с 8:00 до 17:00 (МСК).
Сб–Вс: выходные дни.
Заказы на сайте принимаются круглосуточно. Заявки, поступившие после окончания рабочего дня, обрабатываются на следующий рабочий день.
Минимальная сумма заказа для доставки составляет 3000 рублей. Самовывоз со склада возможен на любую сумму при наличии товара.
ООО «УралТехГрупп»
ИНН: 7415093830
КПП: 772401001
ОГРН: 1167456069021
Банк: ПАО Сбербанк
Р/с: 40702810838000475273
К/с: 30101810400000000225
БИК: 044525225
У подшипника GE40KPPB3 пока нет отзывов. Вы можете стать первым покупателем, поделившимся своим мнением.