Поиск подшипника
Статьи
SB204 — Подшипник для корпуса, основное исполнение, выпускается производителями: CCVI, CHINA, CRAFT, CX, EBS, FBJ, FELSTROM, FK, FS, FYH, GMN, HFB, IBU FIEDLER, INA, ISO, JFK, KDF, KOYO, LDK, NEUTRAL, NTN, PTN, SIB, SLB, TR.
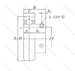
Размер подшипника: 20x47x25 мм.
Цилиндрическое отверстие внутреннего кольца, с установочными винтами (легконагруженного типа), угол контакта 40 градусов.
Альтернативное обозначение: 16204, GRAE20NPPB, YAT204-2F.
Аналоги: 1220-20G RHP,B4 Asahi,SB204 KDF,SB204 LDK,SB204 FK,SB204 HFB,GAY20NPPB Neutral.
Международная стандартизации ISO
SB204
В наличии
| Обозначение | Конструктивные изменения |
|---|---|
| SB204-12 | 3/4. |
| SB204G | Устройство повторного смазывания со смазочной канавкой и отверстием на внешнем кольце. |
| SB204 2RS | Резиновые уплотнения с каждой стороны подшипника. |
Модификации подшипника для корпуса SB204 — это измененное основное конструктивное исполнение SB204, основные размеры (20x47x25) не отличаются.
| Обозначение | Гост | Конструктивные особенности |
|---|---|---|
| B4 | ISO | Стандартное исполнение радиально-упорных шпиндельных подшипников. |
| 1220-20G | ISO | Подшипник для корпуса. |
| GRAE20NPPB | ISO | Подшипник для корпуса. |
| 16204 | ISO | Подшипник для корпуса. |
| GAY20-XL-NPP-B | ISO | Подшипник со сферическим наружным кольцом. Серия X-Life премиум-класс. увеличиный срок службы. Манжетные уплотнения с обеих сторон (Тип P — две шайбы из оцинкованной листовой стали с промежуточной частью из NBR. Кромка уплотнения предварительно нагружена в осевом направлении). |
| ASS204N | ISO | Паз в корпусе для крепления защитных колпачков. |
| AS204-012D1 | ISO | Не требующий обслуживания тип. |
| RCRA3/4-46FA106W | ISO | Эксцентриковая стопорная втулка. Подшипник подвергается специальным испытаниям на шум. |
| FHSR204-12-SP | ISO | Точность размеров примерно соответствует классу точности Р5. биения — классу точности Р4. 3/4. |
| ASS204NR | ISO | Канавка под стопорное кольцо на наружном кольце с соответствующим стопорным кольцом. |
| GAY20-NPP-B-FA107 | ISO | Конический роликовый подшипник. Угол контакта 20 градусов. Манжетные уплотнения с обеих сторон (Тип P — две шайбы из оцинкованной листовой стали с промежуточной частью из NBR. Кромка уплотнения предварительно нагружена в осевом направлении). Подшипник со смазочными отверстиями на опорной стороне. |
| US204-12G2 | ISO | Cистема повторного смазывания для корпусных подшипников. |
| ASS204-12 | ISO | 3/4. |
| US204G2T20 | ISO | Cистема повторного смазывания для корпусных подшипников. Вкладыши подшипников для рабочих температур до +200°C (+400°F). |
| RCRA20/46-FA106 | ISO | Подшипник подвергается специальным испытаниям на шум. |
| 1320-20 | ISO | Distance Between Beginning Of The Rail And First Hole In MM. |
| AY20NPP | ISO | Манжетные уплотнения с обеих сторон (Тип P — две шайбы из оцинкованной листовой стали с промежуточной частью из NBR. Кромка уплотнения предварительно нагружена в осевом направлении). |
| GAY012NPPBW | ISO | Подшипник со сферическим наружным кольцом. Эксцентриковая стопорная втулка. Манжетные уплотнения с обеих сторон (Тип P — две шайбы из оцинкованной листовой стали с промежуточной частью из NBR. Кромка уплотнения предварительно нагружена в осевом направлении). |
| US204.G2 | ISO | Cистема повторного смазывания для корпусных подшипников. |
| RCRA3/4-46 | ISO | Подшипник с чрезвычайно высокой точностью вращения (Abec9) и допуском формы (Abec7). 2.7/8. |
| ASS204-012 | ISO | 3/4. |
| UE204-12.2S.SNY1 | ISO | Одинарное уплотнение с лабиринтом между листовой частью и резиновой кромкой, обеспечивающей контактное уплотнение. 3/4. With A Groove For Circlip. Outer Ring Modification. |
| UE204.2S | ISO | Одинарное уплотнение с лабиринтом между листовой частью и резиновой кромкой, обеспечивающей контактное уплотнение. |
| UE204.2S.SH | ISO | Одинарное уплотнение с лабиринтом между листовой частью и резиновой кромкой, обеспечивающей контактное уплотнение. Cylindrical Outer Ring Without Lubrication Holes. |
Аналог подшипника для корпуса SB204 — это подшипник такого же размера dx20,Dx47,Bx25, типа и конструкции.
| Обозначение | Конструктивные особенности | Внутренний (d) | Наружный (D) | Ширина (B) |
|---|---|---|---|---|
| НУ-2Ш20 ВК | Шарнирный подшипник. Уменьшенный внутренний осевой зазор.. Малый внутренний зазор.. Отдельное внутреннее кольцо шарнирного подшипника.. | 20.00 | 35.00 | 26.00 |
| НУ-2Ш20 ЮТВК | Шарнирный подшипник. Уменьшенный внутренний осевой зазор.. Температура отпуска. 160°. Одно или два кольца из нержавеющей стали.. Малый внутренний зазор.. Отдельное внутреннее кольцо шарнирного подшипника.. | 20.00 | 35.00 | 26.00 |
| НУ 2ШС20 ВК | Шарнирный подшипник. Малый внутренний зазор.. Отдельное внутреннее кольцо шарнирного подшипника.. | 20.00 | 35.00 | 26.00 |
| НУ 2ШС20 ЮТВК | Шарнирный подшипник. Температура отпуска. 160°. Одно или два кольца из нержавеющей стали.. Малый внутренний зазор.. Отдельное внутреннее кольцо шарнирного подшипника.. | 20.00 | 35.00 | 26.00 |
| GAY012-NPP-B-AS2/V | Шариковый радиальный подшипник. Конический роликовый подшипник. Угол контакта 20 градусов. Манжетные уплотнения с обеих сторон (Тип P — две шайбы из оцинкованной листовой стали с промежуточной частью из NBR. Кромка уплотнения предварительно нагружена в осевом направлении). Наружное кольцо подшипника с двумя смазочными отверстиями в смещенных плоскостях. | 19.05 | 47.00 | 25.00 |
| 6ШН20 Ю | Шарнирный подшипник. Одно или два кольца из нержавеющей стали.. Неразъемный без отверстий и канавок для смазки. | 20.00 | 46.00 | 25.00 |
| 6ШН20 ЮТ | Шарнирный подшипник. Температура отпуска. 160°. Одно или два кольца из нержавеющей стали.. Неразъемный без отверстий и канавок для смазки. | 20.00 | 46.00 | 25.00 |
| AS204D1 | Шариковый радиальный однорядный подшипник. Не требующий обслуживания тип. | 20.00 | 47.00 | 25.00 |
| 1-2ШС20 | Шарнирный подшипник. С отверстиями и канавками для смазки во внутреннем кольце.. | 20.00 | 47.00 | 26.00 |
| GEBK20S | Шарнирный подшипник. Запечатанная версия кулачкового ролика. Коническое отверстие. Повышенной грузоподъемности. | 20.00 | 46.00 | 25.00 |
| 2ШМ20 Ю | Шарнирный подшипник. Одно или два кольца из нержавеющей стали.. Без отверстий и канавок для смазки.. | 20.00 | 47.00 | 26.00 |
| 2ШМ20 ЮТ | Шарнирный подшипник. Температура отпуска. 160°. Одно или два кольца из нержавеющей стали.. Без отверстий и канавок для смазки.. | 20.00 | 47.00 | 26.00 |
| 2ШС20 Ю | Шарнирный подшипник. Одно или два кольца из нержавеющей стали.. С отверстиями и канавками для смазки во внутреннем кольце.. | 20.00 | 46.00 | 25.00 |
| 2ШС20 ЮТ | Шарнирный подшипник. Температура отпуска. 160°. Одно или два кольца из нержавеющей стали.. С отверстиями и канавками для смазки во внутреннем кольце.. | 20.00 | 47.00 | 26.00 |
| 50-762704 К | Роликовый радиальный цилиндрический подшипник. Кольцевая проточка на середине цилиндрической наружной поверхности наружного кольца плюс три отверстия для смазки. | 20.00 | 47.00 | 24.00 |
Способы доставки
Отправка через ведущие транспортные и курьерские компании: ПЭК, Деловые Линии, СДЭК, Байкал-Сервис, Энергия, КИТ, ЖелДорЭкспедиция.
Самовывоз возможен напрямую со склада в Москве.
Сроки доставки
Срок зависит от региона и выбранной транспортной компании. Все заказы комплектуются и отправляются в кратчайшие сроки со склада в Москве.
Надёжность и сохранность
Вся продукция упаковывается с учётом требований транспортировки. Мы гарантируем, что подшипники и комплектующие прибудут к заказчику в полной сохранности.
Доставка в страны ЕАЭС
Мы работаем с проверенными логистическими партнёрами, что позволяет оперативно доставлять заказы в Беларусь, Казахстан, Армению и другие страны ЕАЭС.
Варианты оплаты:
Минимальная сумма заказа и скидки:
Документы и гарантии:
Да, конечно! Наши технические специалисты готовы помочь вам с подбором точного аналога или замены подшипника. Просто позвоните нам по телефону +7 (495) 104-99-04 или напишите на почту zakaz@podsnab.ru.
Для оперативной консультации подготовьте, пожалуйста, имеющиеся данные: маркировку, размеры, тип оборудования или артикул старого подшипника.
Да, конечно! Мы высоко ценим долгосрочное сотрудничество и доверие клиентов по всей России. Для постоянных клиентов действует персональная система скидок.
Условия формируются индивидуально и зависят от:
Чтобы узнать свои условия и получить максимально выгодное предложение, свяжитесь с персональным менеджером или напишите нам на почту zakaz@podsnab.ru.
Вы можете оформить заказ несколькими способами:
Для оформления заказа от юридического лица свяжитесь с нашим отделом по работе с корпоративными клиентами по телефону +7 (495) 104-99-04 или напишите на email zakaz@podsnab.ru, прикрепив реквизиты вашей организации.
Мы оперативно подготовим коммерческое предложение и выставим счет.
Возврат товара надлежащего качества возможен в течение 10 дней с момента получения, если товар не был в употреблении, сохранен товарный вид, упаковка не вскрывалась и присутствуют все сопроводительные документы.
Возврат денежных средств осуществляется в течение 10 рабочих дней после проверки товара складом.
В соответствии с законодательством возврату не подлежат подшипники надлежащего качества, если отсутствует оригинальная упаковка или имеются следы монтажа.
В случае выявления брака или гарантийного случая мы гарантируем возврат или обмен товара.
Да, гарантийный срок хранения устанавливается заводом-изготовителем и в среднем составляет 2 года при соблюдении условий хранения: сухое помещение, оригинальная упаковка и смазка.
Точный срок для конкретного типа подшипника уточняйте у наших менеджеров.
Пн–Пт: с 8:00 до 17:00 (МСК).
Сб–Вс: выходные дни.
Заказы на сайте принимаются круглосуточно. Заявки, поступившие после окончания рабочего дня, обрабатываются на следующий рабочий день.
Минимальная сумма заказа для доставки составляет 3000 рублей. Самовывоз со склада возможен на любую сумму при наличии товара.
ООО «УралТехГрупп»
ИНН: 7415093830
КПП: 772401001
ОГРН: 1167456069021
Банк: ПАО Сбербанк
Р/с: 40702810838000475273
К/с: 30101810400000000225
БИК: 044525225
У подшипника SB204 пока нет отзывов. Вы можете стать первым покупателем, поделившимся своим мнением.