Поиск подшипника
Статьи
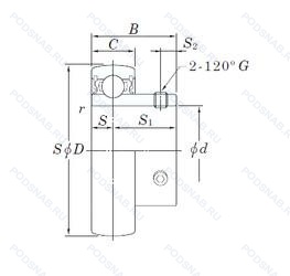
SB205-16 — Подшипник для корпуса, модификация основного исполнения SB205, выпускается производителями: CHINA, FK, FYH, JIB, KML, KOYO, NEUTRAL.
Размер подшипника: 25x52x27 мм.
Цилиндрическое отверстие внутреннего кольца, с установочными винтами (легконагруженного типа), 01.
Альтернативное обозначение: GAY100-NPP-B-AS2/V,YAT205-100.
Аналоги: YAT205-100 SKF,1225-1G RHP,SB205-16 Koyo,SB205-16 FK.
Международная стандартизации ISO
SB20516
В наличии
| Обозначение | Конструктивные изменения |
|---|---|
| SB205ZZ3 | Подшипник для корпуса. |
| SB205 | Угол контакта 40 градусов. Основное конструктивное исполнение. |
| SB205INOX | Нержавеющая сталь. |
| SB205-16G | Подшипник для корпуса. |
| SB205H | Pressed Snap-Type Steel Cage. Hardened. |
| SS-SB205 | Подшипник для корпуса. |
| SB205-14 | Distance In MM From Beginning Of The Rail Till The First Hole. |
| SB205 2RS | Резиновые уплотнения с каждой стороны подшипника. |
| SB205-16-SP | Точность размеров примерно соответствует классу точности Р5. биения — классу точности Р4. 01. |
| SB205H/22.4 | Pressed Snap-Type Steel Cage. Hardened. Inner Diameter in MM. |
| SB205-15 | Distance Between Beginning Of The Rail And First Hole In MM. |
Модификации подшипника для корпуса SB205-16 — это измененное основное конструктивное исполнение SB205, основные размеры (25x52x27) не отличаются.
| Обозначение | Гост | Конструктивные особенности |
|---|---|---|
| 1225-1G | ISO | Подшипник для корпуса. |
| YAT205-100 | ISO | 1. |
| SSSB205 2RS G | ISO | Резиновые уплотнения с каждой стороны подшипника. Устройство повторного смазывания со смазочной канавкой и отверстием на внешнем кольце. |
| UB205-16SN/AV2S | ISO | Шарикоподшипник со стандартным заполнением пластичной смазкой. Lubricant. Shell Oil Co.. Alvania #2 Grease. 1/4 Full. Temperature Range = -10°C / + 110°C (Normal Temperature Grease). |
| AY25-XL-NPP-B | ISO | Подшипник со сферическим наружным кольцом. Серия X-Life премиум-класс. увеличиный срок службы. Манжетные уплотнения с обеих сторон (Тип P — две шайбы из оцинкованной листовой стали с промежуточной частью из NBR. Кромка уплотнения предварительно нагружена в осевом направлении). |
| LK205G2H | ISO | Cистема повторного смазывания для корпусных подшипников. Закрепительная втулка. |
| GAY25-XL-NPP-B | ISO | Подшипник со сферическим наружным кольцом. Серия X-Life премиум-класс. увеличиный срок службы. Манжетные уплотнения с обеих сторон (Тип P — две шайбы из оцинкованной листовой стали с промежуточной частью из NBR. Кромка уплотнения предварительно нагружена в осевом направлении). |
| GSH25-XL-2RSR-B | ISO | Сферический внешний диаметр. Серия X-Life премиум-класс. увеличиный срок службы. Манжетные уплотнения с обеих сторон (вулканизированные). |
| US205-16G2 | ISO | Cистема повторного смазывания для корпусных подшипников. 1. |
| GAY100NPP-B-AS2/V | ISO | Подшипник со сферическим наружным кольцом. Манжетные уплотнения с обеих сторон (Тип P — две шайбы из оцинкованной листовой стали с промежуточной частью из NBR. Кромка уплотнения предварительно нагружена в осевом направлении). Наружное кольцо подшипника с двумя смазочными отверстиями в смещенных плоскостях. |
| GAY25-NPP-B-FA107 | ISO | Конический роликовый подшипник. Угол контакта 20 градусов. Манжетные уплотнения с обеих сторон (Тип P — две шайбы из оцинкованной листовой стали с промежуточной частью из NBR. Кромка уплотнения предварительно нагружена в осевом направлении). Подшипник со смазочными отверстиями на опорной стороне. |
| AS205-100 | ISO | 01. |
| UB205V22 | ISO | Отверстия для смазки с обеих сторон наружного кольца подшипника. |
| AY25NPP | ISO | Манжетные уплотнения с обеих сторон (Тип P — две шайбы из оцинкованной листовой стали с промежуточной частью из NBR. Кромка уплотнения предварительно нагружена в осевом направлении). |
| AS205D1 | ISO | Не требующий обслуживания тип. |
| ASS205N | ISO | Паз в корпусе для крепления защитных колпачков. |
| YAT205/VP076 | ISO | Pressed Sheet Steel Shields On Each Side Of The Bearing. |
| GSH25-2RSR-B | ISO | Сферический внешний диаметр. Манжетные уплотнения с обеих сторон (вулканизированные). |
| AS205-100D1 | ISO | Не требующий обслуживания тип. 1. |
| ASS205-100D1 | ISO | Не требующий обслуживания тип. 1. |
| UE205.2S | ISO | Одинарное уплотнение с лабиринтом между листовой частью и резиновой кромкой, обеспечивающей контактное уплотнение. |
| UE205.2S.SH | ISO | Одинарное уплотнение с лабиринтом между листовой частью и резиновой кромкой, обеспечивающей контактное уплотнение. Cylindrical Outer Ring Without Lubrication Holes. |
Аналог подшипника для корпуса SB205-16 — это подшипник такого же размера dx25,Dx52,Bx27, типа и конструкции.
| Обозначение | Конструктивные особенности | Внутренний (d) | Наружный (D) | Ширина (B) |
|---|---|---|---|---|
| G5205 2RSN | Подшипник шариковый двухрядный радиально-упорный. | 25.00 | 52.00 | 28.00 |
| UL45-959268 | Роликовый игольчатый подшипник. | 25.00 | 52.00 | 28.00 |
| UL45-959286 | Роликовый игольчатый подшипник. | 25.00 | 52.00 | 28.00 |
| UB205 | Подшипниковый узел однорядный. | 25.00 | 52.00 | 27.00 |
| НУ 2ШС25 ВК | Шарнирный подшипник. Малый внутренний зазор.. Отдельное внутреннее кольцо шарнирного подшипника.. | 25.00 | 40.00 | 28.00 |
| НУ 2ШС25 ЮТВК | Шарнирный подшипник. Температура отпуска. 160°. Одно или два кольца из нержавеющей стали.. Малый внутренний зазор.. Отдельное внутреннее кольцо шарнирного подшипника.. | 25.00 | 42.00 | 28.00 |
| 2ШЛТ25 Ю1Т | Шарнирный подшипник. Температура отпуска. 160°. Одно или два кольца из нержавеющей стали.. Без отверстий и канавок для смазки. | 25.00 | 52.00 | 28.00 |
| 2ШМ25 ЮТВК | Шарнирный подшипник. Температура отпуска. 160°. Одно или два кольца из нержавеющей стали.. Отдельное внутреннее кольцо шарнирного подшипника.. Без отверстий и канавок для смазки.. | 25.00 | 52.00 | 28.00 |
| 2ШМ25 ЮТ | Шарнирный подшипник. Температура отпуска. 160°. Одно или два кольца из нержавеющей стали.. Без отверстий и канавок для смазки.. | 25.00 | 52.00 | 28.00 |
| 2ШЛТ25 | Шарнирный подшипник. Без отверстий и канавок для смазки. | 25.00 | 52.00 | 28.00 |
| 2ШС25ВК | Шарнирный подшипник. Отдельное внутреннее кольцо шарнирного подшипника.. С отверстиями и канавками для смазки во внутреннем кольце.. | 25.00 | 52.00 | 28.00 |
Способы доставки
Отправка через ведущие транспортные и курьерские компании: ПЭК, Деловые Линии, СДЭК, Байкал-Сервис, Энергия, КИТ, ЖелДорЭкспедиция.
Самовывоз возможен напрямую со склада в Москве.
Сроки доставки
Срок зависит от региона и выбранной транспортной компании. Все заказы комплектуются и отправляются в кратчайшие сроки со склада в Москве.
Надёжность и сохранность
Вся продукция упаковывается с учётом требований транспортировки. Мы гарантируем, что подшипники и комплектующие прибудут к заказчику в полной сохранности.
Доставка в страны ЕАЭС
Мы работаем с проверенными логистическими партнёрами, что позволяет оперативно доставлять заказы в Беларусь, Казахстан, Армению и другие страны ЕАЭС.
Варианты оплаты:
Минимальная сумма заказа и скидки:
Документы и гарантии:
Да, конечно! Наши технические специалисты готовы помочь вам с подбором точного аналога или замены подшипника. Просто позвоните нам по телефону +7 (495) 104-99-04 или напишите на почту zakaz@podsnab.ru.
Для оперативной консультации подготовьте, пожалуйста, имеющиеся данные: маркировку, размеры, тип оборудования или артикул старого подшипника.
Да, конечно! Мы высоко ценим долгосрочное сотрудничество и доверие клиентов по всей России. Для постоянных клиентов действует персональная система скидок.
Условия формируются индивидуально и зависят от:
Чтобы узнать свои условия и получить максимально выгодное предложение, свяжитесь с персональным менеджером или напишите нам на почту zakaz@podsnab.ru.
Вы можете оформить заказ несколькими способами:
Для оформления заказа от юридического лица свяжитесь с нашим отделом по работе с корпоративными клиентами по телефону +7 (495) 104-99-04 или напишите на email zakaz@podsnab.ru, прикрепив реквизиты вашей организации.
Мы оперативно подготовим коммерческое предложение и выставим счет.
Возврат товара надлежащего качества возможен в течение 10 дней с момента получения, если товар не был в употреблении, сохранен товарный вид, упаковка не вскрывалась и присутствуют все сопроводительные документы.
Возврат денежных средств осуществляется в течение 10 рабочих дней после проверки товара складом.
В соответствии с законодательством возврату не подлежат подшипники надлежащего качества, если отсутствует оригинальная упаковка или имеются следы монтажа.
В случае выявления брака или гарантийного случая мы гарантируем возврат или обмен товара.
Да, гарантийный срок хранения устанавливается заводом-изготовителем и в среднем составляет 2 года при соблюдении условий хранения: сухое помещение, оригинальная упаковка и смазка.
Точный срок для конкретного типа подшипника уточняйте у наших менеджеров.
Пн–Пт: с 8:00 до 17:00 (МСК).
Сб–Вс: выходные дни.
Заказы на сайте принимаются круглосуточно. Заявки, поступившие после окончания рабочего дня, обрабатываются на следующий рабочий день.
Минимальная сумма заказа для доставки составляет 3000 рублей. Самовывоз со склада возможен на любую сумму при наличии товара.
ООО «УралТехГрупп»
ИНН: 7415093830
КПП: 772401001
ОГРН: 1167456069021
Банк: ПАО Сбербанк
Р/с: 40702810838000475273
К/с: 30101810400000000225
БИК: 044525225
У подшипника SB205-16 пока нет отзывов. Вы можете стать первым покупателем, поделившимся своим мнением.