Поиск подшипника
Статьи
UC205 — Подшипник для корпуса, основное исполнение, выпускается производителями: ANB BEARINGS LTD., ASAHI, BMZ, CCVI, CHINA, CRAFT, CX, EBS, FAG, FBJ, FELSTROM, FRIMET, FS, FYH, ISO, JIB, KBC, KBF, KBS, KG, KOYO, LFD, NACHI, NBR, NEUTRAL, NSK, NTN, SIB, SLB, SNR, STZ, TIMKEN, URB, ZKL.
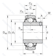
Размер подшипника: 25x52x34 мм.
Цилиндрическое отверстие внутреннего кольца, с установочными винтами, угол контакта 20 градусов.
Альтернативное обозначение: 56205, GYE25KRRB, YAR205-2F.
Аналоги: UC205 Timken,UC205 NTN,UC205 Asahi,UC205R NSK,UC205V22 NTN,UC205 FYH,UC205 STZ,UC205 FS,UC205 KDF,UC205 FK,UC205 TR,UC205 KG,UC205 LFD,UC205 KBS,UC205 Neutral.
Международная стандартизации ISO
UC205
В наличии
| Обозначение | Конструктивные изменения |
|---|---|
| UC205-015 | 15/16. |
| UC205NR | Канавка под стопорное кольцо на наружном кольце с соответствующим стопорным кольцом. |
| UC205POM | Polymer. |
| UC205/LP03 | General-Purpose Solid Grease. -20°C +80°C. |
| UC205L | Одно механическое уплотнение. |
| UC205-16R3 | Уплотнение состоит из металлического колпачка и синтетического каучука.. |
| UC205-16S | Стандартное заполнение. 1. |
| UC205-014D1W3 | Не требующий обслуживания тип. Корпусной подшипник с установочным винтом. |
| UC205HT2 D1 | Не требующий обслуживания тип. Heat-Stabilized Up To 270°C. C4 Clearance. |
| UC205-16G2T20 | Cистема повторного смазывания для корпусных подшипников. Вкладыши подшипников для рабочих температур до +200°C (+400°F). |
| UC205C4HR5 | Internal Clearance is C4 - Max Bearing Operating Temp = 392 ̊F (200℃). - Yukon Super-Lube No. 3 / Oil Research Industrial. Ltd. - Soap Based (Compound) - Max. Operating Temperatures Of The Grease..............+392 ̊F (+200℃). |
| UC205-15G2 | Cистема повторного смазывания для корпусных подшипников. 15/16. |
| UC205-14S | Стандартное заполнение. |
| UC.205.G2 | Cистема повторного смазывания для корпусных подшипников. |
| UC205EN2 | Два установочных паза (выемки), расположенных под углом 180° друг от друга в одной боковой поверхности наружного кольца или шайбе корпуса.. |
| UC205-16G2 | Cистема повторного смазывания для корпусных подшипников. |
| UC205-17 | 1.0625. |
| UC205C | 15° Угол контакта. |
| UC205-014 | 7/8. |
| UC205-100D1/LP03 | Не требующий обслуживания тип. General-Purpose Solid Grease. -20°C +80°C. 1. |
| UC205-100 | 01. |
| UC205-014D1 X AV3S | Измененные размеры границ. введенные пересмотренными стандартами ISO. Relube Type.. Alvania Grease #3 Standard Fill. |
| UC205HT | Подшипник поставляется со специальной смазкой для высоких температур (до +130°C). |
| UC205S6 | Подшипник из нержавеющей стали. |
| UC205-16-3L | 01. |
Модификации подшипника для корпуса UC205 — это измененное основное конструктивное исполнение UC205, основные размеры (25x52x34) не отличаются.
| Обозначение | Гост | Конструктивные особенности |
|---|---|---|
| 56205 | ISO | Подшипник для корпуса. |
| GYE25KRRB | ISO | Подшипник для корпуса. |
| WPS100GPC | ISO | Указывает на наличие эксцентрикового стопорного кольца в комплекте с подшипником. Подшипники с установочным винтом не имеют втулки. Prelubricated For Life. Широкий одинарный манжетный уплотнитель. |
| WPS100GRC | ISO | Указывает на наличие эксцентрикового стопорного кольца в комплекте с подшипником. Подшипники с установочным винтом не имеют втулки. Многоразовая смазка. Широкий одинарный манжетный уплотнитель. |
| YAR205-2RF/HVA | ISO | Стандартное контактное уплотнение с дополнительным прорезиненным кольцом с обеих сторон подшипника. Подшипник или компонент подшипника из закаленной нержавеющей стали. |
| RRZ25BRR | ISO | Double Sealed. Sphered O.D. |
| GYE25KRRBVA | ISO | Подшипник со сферическим наружным кольцом. Коррозионно-стойкая конструкция из высоколегированной подшипниковой стали. Манжетные уплотнения с обеих сторон (уплотнение типа R - имеет оцинкованные внутреннюю и внешнюю крышки. Между крышками имеется уплотнительная кромка NBR. идущая по шлифованному буртику). |
| GYE25-KRR-B-VA-HLA | ISO | Подшипник со сферическим наружным кольцом. Коррозионно-стойкая конструкция из высоколегированной подшипниковой стали. Манжетные уплотнения с обеих сторон (уплотнение типа R - имеет оцинкованные внутреннюю и внешнюю крышки. Между крышками имеется уплотнительная кромка NBR. идущая по шлифованному буртику). Код местонахождения завода. может использоваться в стандартной комплектации. |
| YAR205-2FW/VA201 | ISO | Измененная или модифицированная внутренняя конструкция при неизменных основных размерах. Стандартное контактное уплотнение с дополнительным плоским маслоотражателем на обеих сторонах подшипника без смазочных отверстий в наружном кольце. Подшипник для высокотемпературных применений (например. печных тележек). |
| YAR205-100-2RF/HV | ISO | Стандартное контактное уплотнение с дополнительным прорезиненным кольцом с обеих сторон подшипника. Подшипник или компонент подшипника из закаленной нержавеющей стали. 1. |
| YAR205-2FW/VA228 | ISO | Измененная или модифицированная внутренняя конструкция при неизменных основных размерах. Bearing With A “Coronet” Cage Of Graphite For Temperatures -150°C/+350°C. Стандартное контактное уплотнение с дополнительным плоским маслоотражателем на обеих сторонах подшипника без смазочных отверстий в наружном кольце. |
| YAR205-100-2FW/VA201 | ISO | Измененная или модифицированная внутренняя конструкция при неизменных основных размерах. Стандартное контактное уплотнение с дополнительным плоским маслоотражателем на обеих сторонах подшипника без смазочных отверстий в наружном кольце. Подшипник для высокотемпературных применений (например. печных тележек). 1. |
| YAR205-100-2FW/VA228 | ISO | Измененная или модифицированная внутренняя конструкция при неизменных основных размерах. Bearing With A “Coronet” Cage Of Graphite For Temperatures -150°C/+350°C. Стандартное контактное уплотнение с дополнительным плоским маслоотражателем на обеих сторонах подшипника без смазочных отверстий в наружном кольце. 1. |
| YAR205-100-2F/AH | ISO | Измененная или модифицированная внутренняя конструкция при неизменных основных размерах. Стандартное контактное уплотнение с дополнительным маслоотражательным кольцом с обеих сторон. Противовращающийся штырь. Массивные ножки и свободный момент выравнивания. 1. |
| YAR205-2RFW | ISO | Стандартное контактное уплотнение с дополнительным прорезиненным кольцом с обеих сторон подшипника. Bearing Without Lubrication Hole(s) In Outer Ring. |
| 1100KLL | ISO | BALL BEARING. CONRAD TYPE. INDUSTRIAL POWER TRANSMISSION. DOUBLE MECHANI-SEAL. |
| 1025-25GMS44 | ISO | Смазочные отверстия в распределительной канавке. Механически обработанные в наружном кольце для смазки. HIGH TEMPERATURE GREASE. STEEL CAGE AND C4 FIT. |
| YAR205-2RFW/VT307 | ISO | Стандартное контактное уплотнение с дополнительным прорезиненным кольцом с обеих сторон подшипника. Bearing Without Lubrication Hole(s) In Outer Ring. Специальная смазка. |
| GY1100KRRB | ISO | Подшипник со сферическим наружным кольцом. Манжетные уплотнения с обеих сторон (уплотнение типа R - имеет оцинкованные внутреннюю и внешнюю крышки. Между крышками имеется уплотнительная кромка NBR. идущая по шлифованному буртику). |
| SUC205FDA | ISO | Смазка для пищевой промышленности. |
| YAR205-2RF/HV | ISO | Стандартное контактное уплотнение с дополнительным прорезиненным кольцом с обеих сторон подшипника. Подшипник или компонент подшипника из закаленной нержавеющей стали. |
| LE205-100.2F.Y | ISO | Двойное уплотнение. Защитная крышка, размещенная на внутреннем кольце. Используется с подшипниками типа Y. Сепаратор из прессованной латуни. Центрирование шарика. 1. |
Аналог подшипника для корпуса UC205 — это подшипник такого же размера dx25,Dx52,Bx34, типа и конструкции.
| Обозначение | Конструктивные особенности | Внутренний (d) | Наружный (D) | Ширина (B) |
|---|---|---|---|---|
| YARAG205 | Шариковый радиальный однорядный подшипник. Измененная или модифицированная внутренняя конструкция при неизменных основных размерах. | 25.00 | 52.00 | 34.10 |
| SM1100K | Шариковый радиальный однорядный подшипник. Коническое отверстие. Конусность 1/12. | 25.40 | 52.00 | 34.93 |
| SM1100KB | Шариковый радиальный однорядный подшипник. Материал контакта сталь на бронзе (S/B). | 25.40 | 52.00 | 34.93 |
| ER16DD | Шариковый радиальный однорядный подшипник. Два уплотнения из PTFE. | 25.40 | 52.00 | 34.13 |
| G1100KLL | Шариковый радиальный однорядный подшипник. BALL BEARING. CONRAD TYPE. INDUSTRIAL POWER TRANSMISSION. DOUBLE MECHANI-SEAL. | 25.40 | 52.00 | 34.92 |
| G1100KLLB | Шариковый радиальный однорядный подшипник. | 25.40 | 52.00 | 34.92 |
| GE25KRR | Шариковый радиальный однорядный подшипник. Манжетные уплотнения с обеих сторон (уплотнение типа R - имеет оцинкованные внутреннюю и внешнюю крышки. Между крышками имеется уплотнительная кромка NBR. идущая по шлифованному буртику). | 25.00 | 52.00 | 34.92 |
| GYE25KRRB SGT | Шариковый радиальный однорядный подшипник. Shaft Guarding Technology™. | 25.00 | 52.00 | 34.11 |
| 1100KL | Шариковый радиальный однорядный подшипник. Flanged Type (2 Thru holes)-Medium Load. | 25.40 | 52.00 | 34.92 |
| 1100KLLB | Шариковый радиальный однорядный подшипник. | 25.40 | 52.00 | 34.92 |
| 1100KR | Шариковый радиальный однорядный подшипник. Single-Row. Counterbored Outer Ring. Radial Type. Ball Bearing. 15° Угол контакта. | 25.40 | 52.00 | 34.92 |
| 480205-Н1К7У | Шариковый радиальный однорядный подшипник. Дополнительные технические требования. Детали из теплостойкой стали. Двусторонние уплотнения плюс стопорный штифт. | 25.00 | 52.00 | 34.00 |
| 480205-Н1К7УС17 | Шариковый радиальный однорядный подшипник. Смазка Литол-24. Дополнительные технические требования. Детали из теплостойкой стали. «Замок» (скос) на внутреннем кольце. | 25.00 | 52.00 | 34.00 |
| 480205.UCF-В-КОРПУСЕ | Шариковый радиальный однорядный подшипник. Сепаратор из текстолита.. Дополнительные технические требования. Детали из теплоустойчивой (быстрорежущие) стали.. | 25.00 | 52.00 | 34.00 |
| 480505-H | Шариковый радиальный однорядный подшипник. Pressed Snap-Type Steel Cage. Hardened. | 25.00 | 52.00 | 34.00 |
Способы доставки
Отправка через ведущие транспортные и курьерские компании: ПЭК, Деловые Линии, СДЭК, Байкал-Сервис, Энергия, КИТ, ЖелДорЭкспедиция.
Самовывоз возможен напрямую со склада в Москве.
Сроки доставки
Срок зависит от региона и выбранной транспортной компании. Все заказы комплектуются и отправляются в кратчайшие сроки со склада в Москве.
Надёжность и сохранность
Вся продукция упаковывается с учётом требований транспортировки. Мы гарантируем, что подшипники и комплектующие прибудут к заказчику в полной сохранности.
Доставка в страны ЕАЭС
Мы работаем с проверенными логистическими партнёрами, что позволяет оперативно доставлять заказы в Беларусь, Казахстан, Армению и другие страны ЕАЭС.
Варианты оплаты:
Минимальная сумма заказа и скидки:
Документы и гарантии:
Да, конечно! Наши технические специалисты готовы помочь вам с подбором точного аналога или замены подшипника. Просто позвоните нам по телефону +7 (495) 104-99-04 или напишите на почту zakaz@podsnab.ru.
Для оперативной консультации подготовьте, пожалуйста, имеющиеся данные: маркировку, размеры, тип оборудования или артикул старого подшипника.
Да, конечно! Мы высоко ценим долгосрочное сотрудничество и доверие клиентов по всей России. Для постоянных клиентов действует персональная система скидок.
Условия формируются индивидуально и зависят от:
Чтобы узнать свои условия и получить максимально выгодное предложение, свяжитесь с персональным менеджером или напишите нам на почту zakaz@podsnab.ru.
Вы можете оформить заказ несколькими способами:
Для оформления заказа от юридического лица свяжитесь с нашим отделом по работе с корпоративными клиентами по телефону +7 (495) 104-99-04 или напишите на email zakaz@podsnab.ru, прикрепив реквизиты вашей организации.
Мы оперативно подготовим коммерческое предложение и выставим счет.
Возврат товара надлежащего качества возможен в течение 10 дней с момента получения, если товар не был в употреблении, сохранен товарный вид, упаковка не вскрывалась и присутствуют все сопроводительные документы.
Возврат денежных средств осуществляется в течение 10 рабочих дней после проверки товара складом.
В соответствии с законодательством возврату не подлежат подшипники надлежащего качества, если отсутствует оригинальная упаковка или имеются следы монтажа.
В случае выявления брака или гарантийного случая мы гарантируем возврат или обмен товара.
Да, гарантийный срок хранения устанавливается заводом-изготовителем и в среднем составляет 2 года при соблюдении условий хранения: сухое помещение, оригинальная упаковка и смазка.
Точный срок для конкретного типа подшипника уточняйте у наших менеджеров.
Пн–Пт: с 8:00 до 17:00 (МСК).
Сб–Вс: выходные дни.
Заказы на сайте принимаются круглосуточно. Заявки, поступившие после окончания рабочего дня, обрабатываются на следующий рабочий день.
Минимальная сумма заказа для доставки составляет 3000 рублей. Самовывоз со склада возможен на любую сумму при наличии товара.
ООО «УралТехГрупп»
ИНН: 7415093830
КПП: 772401001
ОГРН: 1167456069021
Банк: ПАО Сбербанк
Р/с: 40702810838000475273
К/с: 30101810400000000225
БИК: 044525225
У подшипника UC205 пока нет отзывов. Вы можете стать первым покупателем, поделившимся своим мнением.