Поиск подшипника
Статьи
SB203 — Подшипник для корпуса, основное исполнение, выпускается производителями: ASAHI, CCVI, CHINA, CRAFT, CX, FELSTROM, FK, FKL, FS, FUJIAN QUANZHOU ASIA BEARINGS, FYH, ISO, JIB, KDF, KOYO, LDK, NBR, NEUTRAL, NSK, NTN, TR.
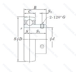
Размер подшипника: 17x40x23 мм.
Цилиндрическое отверстие внутреннего кольца, с установочными винтами (легконагруженного типа), угол контакта 40 градусов.
Альтернативное обозначение: YAT203-2F.
Аналоги: GAY17NPPB INA,GAY17-NPP-B INA,GAY17-XL-NPP-B INA,AS203 NTN,AS203 NSK,B3 Asahi,GAY17NPPB NKE,1217-17G SNR,US203.G2 SNR,SB203 KDF,SB203 FK,SB203 Fujian Quanzhou Asia Bearings,SB203 LDK.
Международная стандартизации ISO
SB203
В наличии
| Обозначение | Конструктивные изменения |
|---|---|
| SB203SS | Две резиновые защитные шайбы. |
Модификации подшипника для корпуса SB203 — это измененное основное конструктивное исполнение SB203, основные размеры (17x40x23) не отличаются.
| Обозначение | Гост | Конструктивные особенности |
|---|---|---|
| GAY17NPPB | ISO | Подшипник для корпуса. |
| GYAE17RRB | ISO | Два резиновых уплотнения Land Riding со сферическим наружным диаметром (B). |
| B3 | ISO | Стандартное исполнение радиально-упорных шпиндельных подшипников. |
| AS203 | ISO | Подшипник для корпуса. |
| YAT203 | ISO | Измененная или модифицированная внутренняя конструкция при неизменных основных размерах. |
| US203.G2 | ISO | Cистема повторного смазывания для корпусных подшипников. |
| AY17-XL-NPP-B | ISO | Подшипник со сферическим наружным кольцом. Серия X-Life премиум-класс. увеличиный срок службы. Манжетные уплотнения с обеих сторон (Тип P — две шайбы из оцинкованной листовой стали с промежуточной частью из NBR. Кромка уплотнения предварительно нагружена в осевом направлении). |
| GAY17-XL-NPP-B | ISO | Подшипник со сферическим наружным кольцом. Серия X-Life премиум-класс. увеличиный срок службы. Манжетные уплотнения с обеих сторон (Тип P — две шайбы из оцинкованной листовой стали с промежуточной частью из NBR. Кромка уплотнения предварительно нагружена в осевом направлении). |
| 1217-17G | ISO | Вкладыш подшипника с возможностью повторной смазки. |
| UE203 | ISO | Подшипник для корпуса. |
| AY17-NPP-B | ISO | Подшипник со сферическим наружным кольцом. Манжетные уплотнения с обеих сторон (Тип P — две шайбы из оцинкованной листовой стали с промежуточной частью из NBR. Кромка уплотнения предварительно нагружена в осевом направлении). |
| B203 | ISO | Подшипник для корпуса. |
| SSB202-16 | ISO | 01. |
| 1217-17 | ISO | 1.1/16. |
| B203V22 | ISO | Отверстия для смазки с обеих сторон наружного кольца подшипника. |
| CUS203 | ISO | Подшипник для корпуса. |
| YAT203/12-2FW/VA228 | ISO | Подшипник для работы при высоких температурах (+350℃). Стандартное контактное уплотнение с дополнительным плоским маслоотражателем на обеих сторонах подшипника без смазочных отверстий в наружном кольце. 3/4. |
Аналог подшипника для корпуса SB203 — это подшипник такого же размера dx17,Dx40,Bx23, типа и конструкции.
| Обозначение | Конструктивные особенности | Внутренний (d) | Наружный (D) | Ширина (B) |
|---|---|---|---|---|
| 4-436203 К | Шариковый радиально-упорный сдвоенный подшипник. «Замок» (скос) на внутреннем кольце плюс массивный сепаратор из текстолита. | 17.00 | 40.00 | 24.00 |
| 4-436203 КЕ | Шариковый радиально-упорный сдвоенный подшипник. «Замок» (скос) на внутреннем кольце плюс массивный сепаратор из текстолита. Сепаратор из текстолита.. | 17.00 | 40.00 | 24.00 |
| AS203D1 | Шариковый радиальный однорядный подшипник. Не требующий обслуживания тип. | 17.00 | 40.00 | 22.00 |
| ASS203N | Шариковый радиальный однорядный подшипник. Канавка для стопорного кольца на наружном кольце. | 17.00 | 40.00 | 22.00 |
| YAE17RRB | Шариковый радиальный однорядный подшипник. Два резиновых уплотнения Land Riding со сферическим наружным диаметром (B). | 17.00 | 40.00 | 23.80 |
| YAE17RR | Шариковый радиальный однорядный подшипник. С выпуклыми асимметричными роликами. Обработанный сепаратор штыревого типа из медного сплава. С центральным ребром. С ребрами с двух сторон (для предотвращения падения роликов). | 17.00 | 40.00 | 23.80 |
| GYAE17RR | Шариковый радиальный однорядный подшипник. С выпуклыми асимметричными роликами. Обработанный сепаратор штыревого типа из медного сплава. С центральным ребром. С ребрами с двух сторон (для предотвращения падения роликов). | 17.00 | 40.00 | 23.80 |
| 5-236203 Е | Шариковый радиально-упорный сдвоенный подшипник. Сепаратор из текстолита.. | 17.00 | 40.00 | 24.00 |
| 5-236203 К | Шариковый радиально-упорный сдвоенный подшипник. «Замок» (скос) на внутреннем кольце плюс массивный сепаратор из текстолита. | 17.00 | 40.00 | 24.00 |
| 5-236203 КЕ | Шариковый радиально-упорный сдвоенный подшипник. «Замок» (скос) на внутреннем кольце плюс массивный сепаратор из текстолита. Сепаратор из текстолита.. | 17.00 | 40.00 | 24.00 |
| 5-246203 Р | Шариковый радиально-упорный сдвоенный подшипник. Детали из теплоустойчивой (быстрорежущие) стали.. | 17.00 | 40.00 | 24.00 |
| 5-366203 К | Шариковый радиально-упорный сдвоенный подшипник. «Замок» (скос) на внутреннем кольце плюс массивный сепаратор из текстолита. | 17.00 | 40.00 | 24.00 |
| 5-436203 Е | Шариковый радиально-упорный сдвоенный подшипник. Сепаратор из текстолита.. | 17.00 | 40.00 | 24.00 |
| 5-436203 К | Шариковый радиально-упорный сдвоенный подшипник. «Замок» (скос) на внутреннем кольце плюс массивный сепаратор из текстолита. | 17.00 | 40.00 | 24.00 |
| 5-436203 КЕ | Шариковый радиально-упорный сдвоенный подшипник. «Замок» (скос) на внутреннем кольце плюс массивный сепаратор из текстолита. Сепаратор из текстолита.. | 17.00 | 40.00 | 24.00 |
Способы доставки
Отправка через ведущие транспортные и курьерские компании: ПЭК, Деловые Линии, СДЭК, Байкал-Сервис, Энергия, КИТ, ЖелДорЭкспедиция.
Самовывоз возможен напрямую со склада в Москве.
Сроки доставки
Срок зависит от региона и выбранной транспортной компании. Все заказы комплектуются и отправляются в кратчайшие сроки со склада в Москве.
Надёжность и сохранность
Вся продукция упаковывается с учётом требований транспортировки. Мы гарантируем, что подшипники и комплектующие прибудут к заказчику в полной сохранности.
Доставка в страны ЕАЭС
Мы работаем с проверенными логистическими партнёрами, что позволяет оперативно доставлять заказы в Беларусь, Казахстан, Армению и другие страны ЕАЭС.
Варианты оплаты:
Минимальная сумма заказа и скидки:
Документы и гарантии:
Да, конечно! Наши технические специалисты готовы помочь вам с подбором точного аналога или замены подшипника. Просто позвоните нам по телефону +7 (495) 104-99-04 или напишите на почту zakaz@podsnab.ru.
Для оперативной консультации подготовьте, пожалуйста, имеющиеся данные: маркировку, размеры, тип оборудования или артикул старого подшипника.
Да, конечно! Мы высоко ценим долгосрочное сотрудничество и доверие клиентов по всей России. Для постоянных клиентов действует персональная система скидок.
Условия формируются индивидуально и зависят от:
Чтобы узнать свои условия и получить максимально выгодное предложение, свяжитесь с персональным менеджером или напишите нам на почту zakaz@podsnab.ru.
Вы можете оформить заказ несколькими способами:
Для оформления заказа от юридического лица свяжитесь с нашим отделом по работе с корпоративными клиентами по телефону +7 (495) 104-99-04 или напишите на email zakaz@podsnab.ru, прикрепив реквизиты вашей организации.
Мы оперативно подготовим коммерческое предложение и выставим счет.
Возврат товара надлежащего качества возможен в течение 10 дней с момента получения, если товар не был в употреблении, сохранен товарный вид, упаковка не вскрывалась и присутствуют все сопроводительные документы.
Возврат денежных средств осуществляется в течение 10 рабочих дней после проверки товара складом.
В соответствии с законодательством возврату не подлежат подшипники надлежащего качества, если отсутствует оригинальная упаковка или имеются следы монтажа.
В случае выявления брака или гарантийного случая мы гарантируем возврат или обмен товара.
Да, гарантийный срок хранения устанавливается заводом-изготовителем и в среднем составляет 2 года при соблюдении условий хранения: сухое помещение, оригинальная упаковка и смазка.
Точный срок для конкретного типа подшипника уточняйте у наших менеджеров.
Пн–Пт: с 8:00 до 17:00 (МСК).
Сб–Вс: выходные дни.
Заказы на сайте принимаются круглосуточно. Заявки, поступившие после окончания рабочего дня, обрабатываются на следующий рабочий день.
Минимальная сумма заказа для доставки составляет 3000 рублей. Самовывоз со склада возможен на любую сумму при наличии товара.
ООО «УралТехГрупп»
ИНН: 7415093830
КПП: 772401001
ОГРН: 1167456069021
Банк: ПАО Сбербанк
Р/с: 40702810838000475273
К/с: 30101810400000000225
БИК: 044525225
У подшипника SB203 пока нет отзывов. Вы можете стать первым покупателем, поделившимся своим мнением.