Поиск подшипника
Статьи
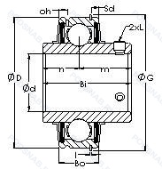
ER210-31 — Подшипник для корпуса, модификация основного исполнения ER210, выпускается производителями: FRIMET, FYH, KOYO.
Размер подшипника: 49x90x51 мм.
Тип подшипника: Дюймовый специальный тонкая серия, 1.15/16.
Международная стандартизации ISO
ER21031
В наличии
| Обозначение | Конструктивные изменения |
|---|---|
| ER210-30 | Distance Between End Face And First Hole Of The Rail. |
| ER210 | Подшипник для корпуса. Основное конструктивное исполнение. |
| ER210-31NR | Подшипник для корпуса. |
| ER210-32 | 02. |
Модификации подшипника для корпуса ER210-31 — это измененное основное конструктивное исполнение ER210, основные размеры (49x90x51) не отличаются.
| Обозначение | Гост | Конструктивные особенности |
|---|---|---|
| GYE50-KPPB3 | ISO | Conrad. Non-Filling Slot Type. Сферический внешний диаметр. Два трехслойных уплотнения. Эксцентриковая стопорная втулка. |
| GYE50-KTT-B | ISO | Подшипник со сферическим наружным кольцом. Тройные манжетные уплотнения с обеих сторон подшипника (Т-образное уплотнение). |
| UC210-31G2L3 | ISO | Cистема повторного смазывания для корпусных подшипников. Тройное манжетное уплотнение для вкладыша подшипника. |
| UC210HT2 | ISO | Heat-Stabilized Up To 270°C. |
| UC210/L791 | ISO | Grease For Food Processing Machinery. |
| 1050-50GHLT | ISO | Вкладыш подшипника с возможностью повторной смазки. Высоко- и низкотемпературные подшипниковые вкладыши. |
| 1150-1.15/16 | ISO | Number Of Carriages Per Rail Track. Distance Between Beginning Of The Rail And First Hole In MM. 01. |
| UC210HT350 | ISO | 350°C Temperature Range. |
| UC210G2 | ISO | Cистема повторного смазывания для корпусных подшипников. |
| YAR210-2FW/VA201 | ISO | Измененная или модифицированная внутренняя конструкция при неизменных основных размерах. Стандартное контактное уплотнение с дополнительным плоским маслоотражателем на обеих сторонах подшипника без смазочных отверстий в наружном кольце. Подшипник для высокотемпературных применений (например. печных тележек). |
| YAR210-2FW/VA228 | ISO | Измененная или модифицированная внутренняя конструкция при неизменных основных размерах. Bearing With A “Coronet” Cage Of Graphite For Temperatures -150°C/+350°C. Стандартное контактное уплотнение с дополнительным плоским маслоотражателем на обеих сторонах подшипника без смазочных отверстий в наружном кольце. |
| YAR210-115-2FW/VA201 | ISO | Измененная или модифицированная внутренняя конструкция при неизменных основных размерах. Стандартное контактное уплотнение с дополнительным плоским маслоотражателем на обеих сторонах подшипника без смазочных отверстий в наружном кольце. Подшипник для высокотемпературных применений (например. печных тележек). 1.15/16. |
| YAR210-115-2FW/VA228 | ISO | Измененная или модифицированная внутренняя конструкция при неизменных основных размерах. Bearing With A “Coronet” Cage Of Graphite For Temperatures -150°C/+350°C. Стандартное контактное уплотнение с дополнительным плоским маслоотражателем на обеих сторонах подшипника без смазочных отверстий в наружном кольце. 1.15/16. |
| YAR210-115-2F/AH | ISO | Стандартное контактное уплотнение с дополнительным маслоотражательным кольцом с обеих сторон. Противовращающийся штырь. Массивные ножки и свободный момент выравнивания. 1.15/16. |
| 630310B | ISO | Конический роликовый подшипник. Угол контакта 20 градусов. |
| UC210D1/LP03 | ISO | Не требующий обслуживания тип. General-Purpose Solid Grease. -20°C +80°C. |
| YAR210-2DW/AG | ISO | Bearing For Agricultural Applications. Insert Bearing With Set Screws. YAR 2-2DW/AG series. |
| UC210D1/AS3S | ISO | Стандартное заполнение. Стандартная консистентная смазка Alvania Grease 3. Смазка Shell Alvania S3, загуститель литиевый, базовое масло минеральное, температура от −10°C до +110°C.. |
| GY1115KRRBSGT | ISO | Conrad (Non-Filling Slot) Type. Сферический внешний диаметр. Резиновое уплотнение с двух сторон. Shaft Guarding Technology™. |
| LE210 2PC | ISO | Five Lip Seal On Both Sides Of The Bearing. |
Аналог подшипника для корпуса ER210-31 — это подшипник такого же размера dx49,Dx90,Bx51, типа и конструкции.
| Обозначение | Конструктивные особенности | Внутренний (d) | Наружный (D) | Ширина (B) |
|---|---|---|---|---|
| SYV510+479210D | Корпус подшипника. Housing Of Spheroidal Graphite Cast Iron. | 50.00 | 90.00 | 51.60 |
| YAR210-2RF/HV | Корпусный подшипник однорядный. Стандартное контактное уплотнение с дополнительным прорезиненным кольцом с обеих сторон подшипника. Подшипник или компонент подшипника из закаленной нержавеющей стали. | 50.00 | 90.00 | 51.60 |
| 12-697810 ЛК | Роликовый радиальный-упорный двухрядный подшипник. Сепаратор из латуни.. | 50.00 | 90.00 | 51.30 |
| 697810-ЛК | Роликовый радиальный-упорный двухрядный подшипник. Кольцевая проточка на середине цилиндрической наружной поверхности наружного кольца плюс три отверстия для смазки. Сепаратор из латуни.. | 50.00 | 90.00 | 51.30 |
| TU1004-1LL/669 | Роликовый радиальный-упорный двухрядный подшипник. | 50.00 | 89.00 | 51.00 |
| 365/363D+X1S-366 | Роликовый радиальный-упорный двухрядный подшипник. Длина в мм. Tail Code. | 50.00 | 90.00 | 50.01 |
| 366/363D+X3S-368 | Роликовый радиальный-упорный двухрядный подшипник. | 50.00 | 90.00 | 50.01 |
| 366/363DC+X1S-366 | Роликовый радиальный-упорный двухрядный подшипник. Длина в мм. Tail Code. | 50.00 | 90.00 | 50.01 |
| GY1115-KRR-B-AS2/V | Шариковый радиальный подшипник. Конический роликовый подшипник. Угол контакта 20 градусов. Манжетные уплотнения с обеих сторон (уплотнение типа R - имеет оцинкованные внутреннюю и внешнюю крышки. Между крышками имеется уплотнительная кромка NBR. идущая по шлифованному буртику). Наружное кольцо подшипника с двумя смазочными отверстиями в смещенных плоскостях. | 49.21 | 90.00 | 51.60 |
| GYE50-KRR-B-VA | Шариковый радиальный подшипник. Конический роликовый подшипник. Угол контакта 20 градусов. Нержавеющая сталь. Манжетные уплотнения с обеих сторон (уплотнение типа R - имеет оцинкованные внутреннюю и внешнюю крышки. Между крышками имеется уплотнительная кромка NBR. идущая по шлифованному буртику). | 50.00 | 90.00 | 51.60 |
| UC210-31L3 | Шариковый радиальный однорядный подшипник. | 49.21 | 90.00 | 51.60 |
| UCS210LD1N | Шариковый радиальный однорядный подшипник. Канавка для стопорного кольца на наружном кольце. | 50.00 | 90.00 | 51.60 |
| YAR210-115-2RF | Шариковый радиальный однорядный подшипник. Стандартное контактное уплотнение с дополнительным прорезиненным кольцом с обеих сторон подшипника. 1.15/16. | 49.21 | 90.00 | 51.60 |
| YARAG210 | Шариковый радиальный однорядный подшипник. Измененная или модифицированная внутренняя конструкция при неизменных основных размерах. | 50.00 | 90.00 | 51.60 |
| YARAG210-115 | Шариковый радиальный однорядный подшипник. 1.15/16. | 49.21 | 90.00 | 51.60 |
Способы доставки
Отправка через ведущие транспортные и курьерские компании: ПЭК, Деловые Линии, СДЭК, Байкал-Сервис, Энергия, КИТ, ЖелДорЭкспедиция.
Самовывоз возможен напрямую со склада в Москве.
Сроки доставки
Срок зависит от региона и выбранной транспортной компании. Все заказы комплектуются и отправляются в кратчайшие сроки со склада в Москве.
Надёжность и сохранность
Вся продукция упаковывается с учётом требований транспортировки. Мы гарантируем, что подшипники и комплектующие прибудут к заказчику в полной сохранности.
Доставка в страны ЕАЭС
Мы работаем с проверенными логистическими партнёрами, что позволяет оперативно доставлять заказы в Беларусь, Казахстан, Армению и другие страны ЕАЭС.
Варианты оплаты:
Минимальная сумма заказа и скидки:
Документы и гарантии:
Да, конечно! Наши технические специалисты готовы помочь вам с подбором точного аналога или замены подшипника. Просто позвоните нам по телефону +7 (495) 104-99-04 или напишите на почту zakaz@podsnab.ru.
Для оперативной консультации подготовьте, пожалуйста, имеющиеся данные: маркировку, размеры, тип оборудования или артикул старого подшипника.
Да, конечно! Мы высоко ценим долгосрочное сотрудничество и доверие клиентов по всей России. Для постоянных клиентов действует персональная система скидок.
Условия формируются индивидуально и зависят от:
Чтобы узнать свои условия и получить максимально выгодное предложение, свяжитесь с персональным менеджером или напишите нам на почту zakaz@podsnab.ru.
Вы можете оформить заказ несколькими способами:
Для оформления заказа от юридического лица свяжитесь с нашим отделом по работе с корпоративными клиентами по телефону +7 (495) 104-99-04 или напишите на email zakaz@podsnab.ru, прикрепив реквизиты вашей организации.
Мы оперативно подготовим коммерческое предложение и выставим счет.
Возврат товара надлежащего качества возможен в течение 10 дней с момента получения, если товар не был в употреблении, сохранен товарный вид, упаковка не вскрывалась и присутствуют все сопроводительные документы.
Возврат денежных средств осуществляется в течение 10 рабочих дней после проверки товара складом.
В соответствии с законодательством возврату не подлежат подшипники надлежащего качества, если отсутствует оригинальная упаковка или имеются следы монтажа.
В случае выявления брака или гарантийного случая мы гарантируем возврат или обмен товара.
Да, гарантийный срок хранения устанавливается заводом-изготовителем и в среднем составляет 2 года при соблюдении условий хранения: сухое помещение, оригинальная упаковка и смазка.
Точный срок для конкретного типа подшипника уточняйте у наших менеджеров.
Пн–Пт: с 8:00 до 17:00 (МСК).
Сб–Вс: выходные дни.
Заказы на сайте принимаются круглосуточно. Заявки, поступившие после окончания рабочего дня, обрабатываются на следующий рабочий день.
Минимальная сумма заказа для доставки составляет 3000 рублей. Самовывоз со склада возможен на любую сумму при наличии товара.
ООО «УралТехГрупп»
ИНН: 7415093830
КПП: 772401001
ОГРН: 1167456069021
Банк: ПАО Сбербанк
Р/с: 40702810838000475273
К/с: 30101810400000000225
БИК: 044525225
У подшипника ER210-31 пока нет отзывов. Вы можете стать первым покупателем, поделившимся своим мнением.