Поиск подшипника
Статьи
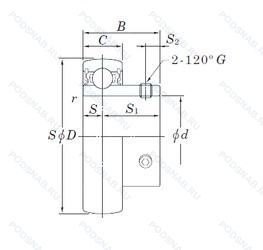
UC207-21 — Подшипник для корпуса, модификация основного исполнения UC207, выпускается производителями: ASAHI, CHINA, FAG, FELSTROM, FK, FYH, ISB, KDF, KOYO, NEUTRAL, TRANS LINK, ZKL.
Размер подшипника: 33x72x42 мм.
Цилиндрическое отверстие внутреннего кольца, с установочными винтами, 1.5/16.
Альтернативное обозначение: YAR207-105-2F.
Аналоги: UC207-21 Koyo,UC207-21L Koyo,UC207-21 FYH,UC207-21 KDF,UC207-21 Neutral.
Международная стандартизации ISO
UC20721
В наличии
| Обозначение | Конструктивные изменения |
|---|---|
| UC207D1 | Не требующий обслуживания тип. |
| UC207-105 | Осевой зазор в мкм. |
| UC207-22 | 1.3/8. |
| UC207 | Угол контакта 20 градусов. Основное конструктивное исполнение. |
| UC207-23 | 1.7/16. |
| UC207-20 | Distance Between Beginning Of The Rail And First Hole In MM. |
| UC207-35 | 2.3/16. |
| UC207-105D1 | Не требующий обслуживания тип. |
| UC207S6 | Подшипник из нержавеющей стали. |
| UC207-20S | Стандартное заполнение. |
| UC207G2L3 | Cистема повторного смазывания для корпусных подшипников. Тройное манжетное уплотнение для вкладыша подшипника. |
| UC207-20G2 | Cистема повторного смазывания для корпусных подшипников. |
| UC207R | С выпуклыми асимметричными роликами и обработанным сепаратором. |
| UC207/L791 | Grease For Food Processing Machinery. |
| UC207G2T20 | Cистема повторного смазывания для корпусных подшипников. Вкладыши подшипников для рабочих температур до +200°C (+400°F). |
| UC207HT350 | 350°C Temperature Range. |
| UC207G2L4 | Cистема повторного смазывания для корпусных подшипников. |
| UC207G2 | Cистема повторного смазывания для корпусных подшипников. |
| UC207L | Одно механическое уплотнение. |
| UC207SS | Нержавеющая сталь. |
| UC207-106/LP03 | General-Purpose Solid Grease. -20°C +80°C. 1.3/8. |
| UC207-106 | 1.3/8. |
| UC207-A | Двухрядный радиально-упорный шарикоподшипник без отверстия для смазки. |
| UC207-107 | 1.7/16. |
| UC207L3 | Тройное манжетное уплотнение для вкладыша подшипника. |
Модификации подшипника для корпуса UC207-21 — это измененное основное конструктивное исполнение UC207, основные размеры (33x72x42) не отличаются.
| Обозначение | Гост | Конструктивные особенности |
|---|---|---|
| YAR207-105-2F | ISO | Стандартное контактное уплотнение с дополнительным маслоотражательным кольцом с обеих сторон. Осевой зазор в мкм. |
| 1035-1.5/16 | ISO | Number Of Carriages Per Rail Track. Distance Between Beginning Of The Rail And First Hole In MM. 01. |
| 479207-105 | ISO | Осевой зазор в мкм. |
| YAR207-105-2F/AH | ISO | Стандартное контактное уплотнение с дополнительным маслоотражательным кольцом с обеих сторон. Противовращающийся штырь. Массивные ножки и свободный момент выравнивания. Осевой зазор в мкм. |
| 2-15T | ISO | Концентрическая втулка. |
Аналог подшипника для корпуса UC207-21 — это подшипник такого же размера dx33,Dx72,Bx42, типа и конструкции.
| Обозначение | Конструктивные особенности | Внутренний (d) | Наружный (D) | Ширина (B) |
|---|---|---|---|---|
| 26132/26282D | Роликовый радиальный-упорный двухрядный подшипник. Половина целого игольчатого валика. Применять суффикс 'D' в базовом номере. | 33.34 | 71.44 | 42.86 |
| 26132/26284D | Роликовый радиальный-упорный двухрядный подшипник. Половина целого игольчатого валика. Применять суффикс 'D' в базовом номере. | 33.34 | 71.97 | 42.76 |
| 26126/26282D | Роликовый радиальный-упорный двухрядный подшипник. | 32.00 | 71.44 | 42.86 |
| 26131/26282D+X1S-26131 | Роликовый радиальный-упорный двухрядный подшипник. Tail Code. | 33.34 | 71.44 | 42.86 |
| 26131/26284D+X1S-26131 | Роликовый радиальный-упорный двухрядный подшипник. Tail Code. | 33.34 | 71.97 | 42.76 |
| 26126/26284D | Роликовый радиальный-упорный двухрядный подшипник. | 32.00 | 71.97 | 42.76 |
| RB207-21 | Шариковый радиальный однорядный подшипник. 1.5/16. | 33.34 | 72.00 | 42.90 |
| ER207-21 | Шариковый радиальный однорядный подшипник. 1.5/16. | 33.34 | 72.00 | 42.90 |
| E2.YAR207-105-2F | Шариковый радиальный однорядный подшипник. | 33.34 | 72.00 | 42.90 |
| GY1105KRRB | Шариковый радиальный однорядный подшипник. | 33.34 | 72.00 | 42.87 |
Способы доставки
Отправка через ведущие транспортные и курьерские компании: ПЭК, Деловые Линии, СДЭК, Байкал-Сервис, Энергия, КИТ, ЖелДорЭкспедиция.
Самовывоз возможен напрямую со склада в Москве.
Сроки доставки
Срок зависит от региона и выбранной транспортной компании. Все заказы комплектуются и отправляются в кратчайшие сроки со склада в Москве.
Надёжность и сохранность
Вся продукция упаковывается с учётом требований транспортировки. Мы гарантируем, что подшипники и комплектующие прибудут к заказчику в полной сохранности.
Доставка в страны ЕАЭС
Мы работаем с проверенными логистическими партнёрами, что позволяет оперативно доставлять заказы в Беларусь, Казахстан, Армению и другие страны ЕАЭС.
Варианты оплаты:
Минимальная сумма заказа и скидки:
Документы и гарантии:
Да, конечно! Наши технические специалисты готовы помочь вам с подбором точного аналога или замены подшипника. Просто позвоните нам по телефону +7 (495) 104-99-04 или напишите на почту zakaz@podsnab.ru.
Для оперативной консультации подготовьте, пожалуйста, имеющиеся данные: маркировку, размеры, тип оборудования или артикул старого подшипника.
Да, конечно! Мы высоко ценим долгосрочное сотрудничество и доверие клиентов по всей России. Для постоянных клиентов действует персональная система скидок.
Условия формируются индивидуально и зависят от:
Чтобы узнать свои условия и получить максимально выгодное предложение, свяжитесь с персональным менеджером или напишите нам на почту zakaz@podsnab.ru.
Вы можете оформить заказ несколькими способами:
Для оформления заказа от юридического лица свяжитесь с нашим отделом по работе с корпоративными клиентами по телефону +7 (495) 104-99-04 или напишите на email zakaz@podsnab.ru, прикрепив реквизиты вашей организации.
Мы оперативно подготовим коммерческое предложение и выставим счет.
Возврат товара надлежащего качества возможен в течение 10 дней с момента получения, если товар не был в употреблении, сохранен товарный вид, упаковка не вскрывалась и присутствуют все сопроводительные документы.
Возврат денежных средств осуществляется в течение 10 рабочих дней после проверки товара складом.
В соответствии с законодательством возврату не подлежат подшипники надлежащего качества, если отсутствует оригинальная упаковка или имеются следы монтажа.
В случае выявления брака или гарантийного случая мы гарантируем возврат или обмен товара.
Да, гарантийный срок хранения устанавливается заводом-изготовителем и в среднем составляет 2 года при соблюдении условий хранения: сухое помещение, оригинальная упаковка и смазка.
Точный срок для конкретного типа подшипника уточняйте у наших менеджеров.
Пн–Пт: с 8:00 до 17:00 (МСК).
Сб–Вс: выходные дни.
Заказы на сайте принимаются круглосуточно. Заявки, поступившие после окончания рабочего дня, обрабатываются на следующий рабочий день.
Минимальная сумма заказа для доставки составляет 3000 рублей. Самовывоз со склада возможен на любую сумму при наличии товара.
ООО «УралТехГрупп»
ИНН: 7415093830
КПП: 772401001
ОГРН: 1167456069021
Банк: ПАО Сбербанк
Р/с: 40702810838000475273
К/с: 30101810400000000225
БИК: 044525225
У подшипника UC207-21 пока нет отзывов. Вы можете стать первым покупателем, поделившимся своим мнением.